Скачать Типовой проект 902-2-454.88 Альбом 3. Строительные изделия (из ТП 902-2-452.88)Дата актуализации: 01.01.2021
|
| Обозначение: | Типовой проект 902-2-454.88 |
| Обозначение англ: | 902-2-454.88 |
| Статус: | не определен законодательством |
| Название рус.: | Альбом 3. Строительные изделия (из ТП 902-2-452.88) |
| Дата добавления в базу: | 01.10.2014 |
| Дата актуализации: | 01.01.2021 |
| Дата введения: | 15.06.1988 |
| Дата окончания срока действия: | 30.06.2003 |
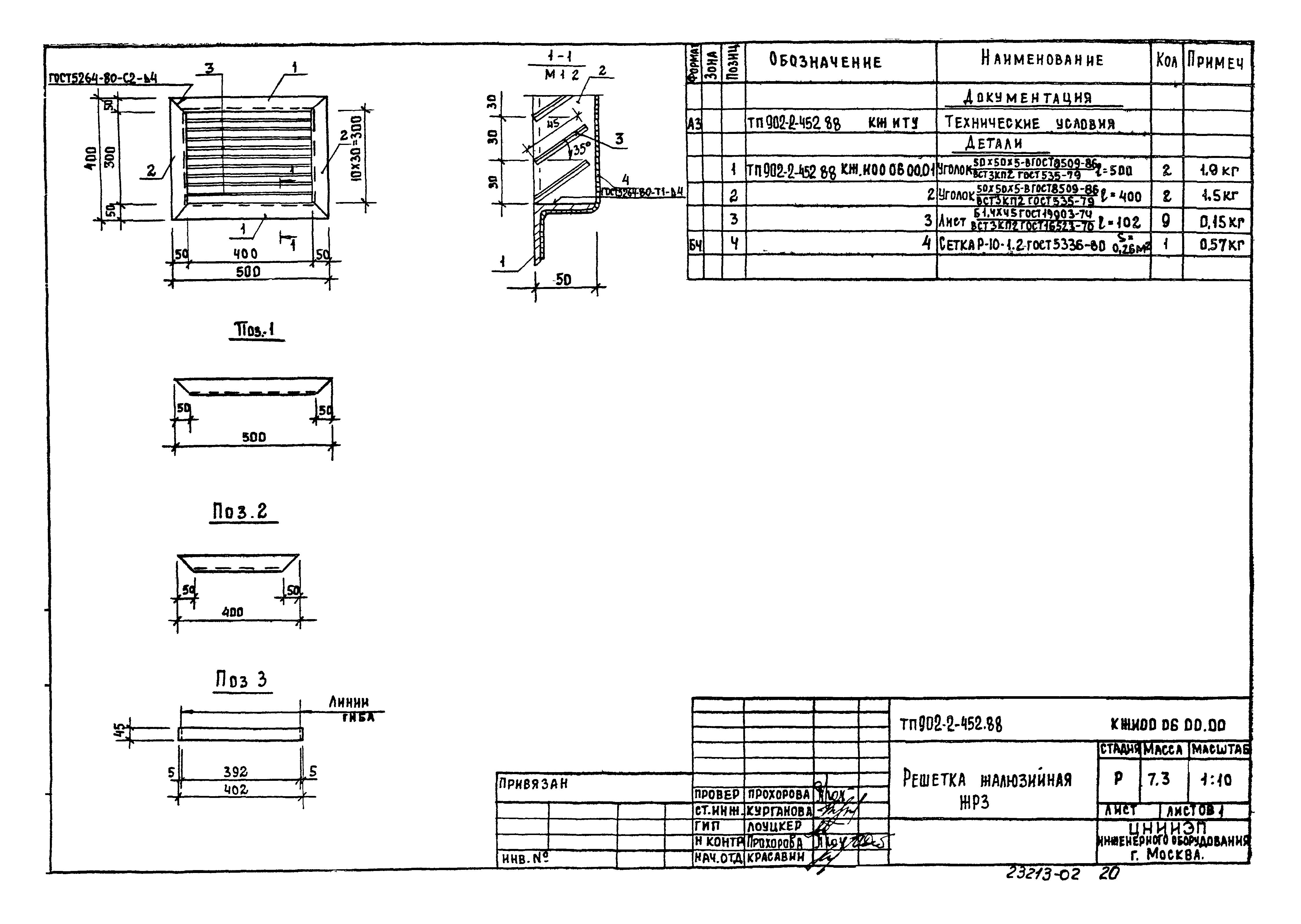
| Оглавление: | КЖ.И ТУ Технические условия КЖ.И 01.00.00.00 Колонна (К 60-7а, К 60-7-б, К 60-7-в) КЖ.И 02.00.00.00 Колонна КФ Б7-1-а КЖ.И 03.00.00.00 Балка (1БСТ6-2АIVТ-а, 1БСТ6-2АIVТ-б) КЖ.И 04.00.00.00 Балка 1БСТ6-2АIVТ-в КЖ.И 05.00.00.00 Балка (1БСД9-3АIVТ-а, 1БСД9-3АIVТ-б) КЖ.И 06.00.00.00 Плита (1ПГ-2АIVТ-90ВБН-200Mg, 1ПВ4-3АIVТ-90ВБН-200Me) КЖ.И 07.00.00.00 Плита (1ПВ4-3АIVТ-90ВБН-200Mв, 1ПВ7-3АIVТ-90ВБН-200Mг) КЖ.И 08.00.00.00 Плита (1ПГ-2АIVТ-90ВБН-200Mб, 1ПГ-2АIVТ-90ВБН-200Mа) КЖ.И 09.00.00.00 Панель стеновая ПС 30.15.2,5-БЛа КЖ.И 10.00.00.00 Панель стеновая (ПС 65,5.12.2,5--3Л-1а, ПС 65,5.12.2,5--3Л-1б) КЖ.И 11.00.00.00 Панель стеновая (ПС 63.12.2,5--3Л-1-31а, ПС 63.12.2,5--3Л-1-31б) КЖ.И 12.00.00.00 Панель карнизная ПК60.7-Ла КЖ.И 00.01.00.00 Рама металлическая РМ1 КЖ.И 00.02.00.00 Рама металлическая РМ2 КЖ.И 00.03.00.00 Щит металлический Щ1 КЖ.И 00.04.00.00 Щит металлический (Щ2, Щ3) КЖ.И 00.05.00.00 Решетка жалюзийная (ЖР1, ЖР2) КЖ.И 00.06.00.00 Решетка жалюзийная ЖР3 КЖ.И 00.00.01.00 Сетка арматурная С1 КЖ.И 00.00.02.00 Сетка арматурная С2 КЖ.И 00.00.03.00 Сетка арматурная С4 КЖ.И 00.00.04.00 Сетка арматурная С3 КЖ.И 00.00.05.00 Сетка арматурная С5 КЖ.И 00.00.00.01 Элемент соединительный МС1 КЖ.И 00.00.00.02 Элемент соединительный МС2 |
| Разработан: | ЦНИИЭП |
| Утверждён: | 15.06.1988 Госкомархитектура (171) |
| Издан: | ЦИТП Госстроя СССР (CITP, Gosstroy (USSR) 1989 г. ) |
| Заменяет собой: |























