Скачать Серия ИИ-04-3 Выпуск 6. Ригели каркаса с сечением колонн 40х40 см. Рабочие чертежиДата актуализации: 01.01.2021
|
| Обозначение: | Серия ИИ-04-3 |
| Обозначение англ: | Series ИИ-04-3 |
| Статус: | заменен |
| Название рус.: | Выпуск 6. Ригели каркаса с сечением колонн 40х40 см. Рабочие чертежи |
| Дата добавления в базу: | 01.10.2014 |
| Дата актуализации: | 01.01.2021 |
| Дата введения: | 03.01.1977 |
| Дата окончания срока действия: | 01.04.1982 |
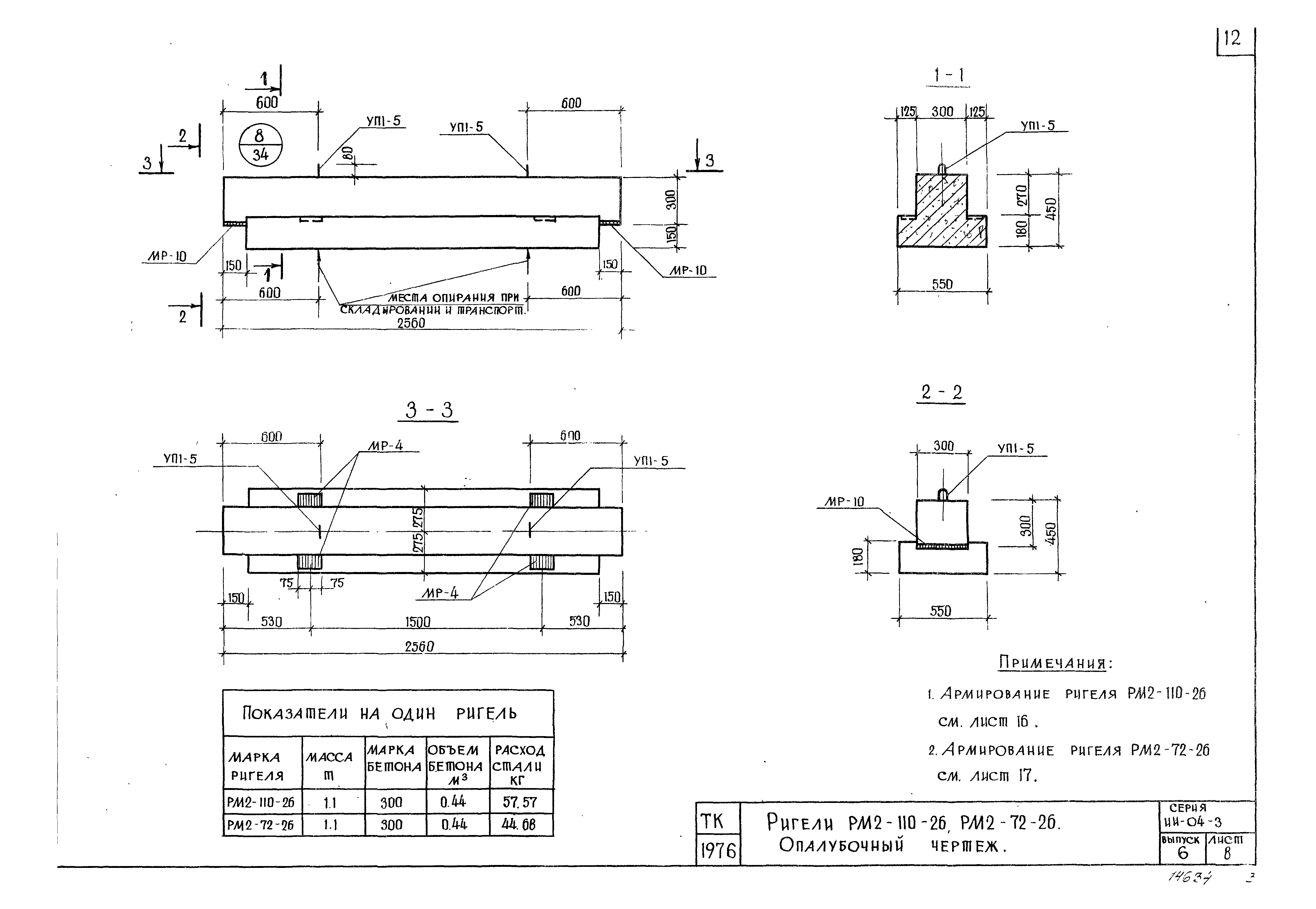
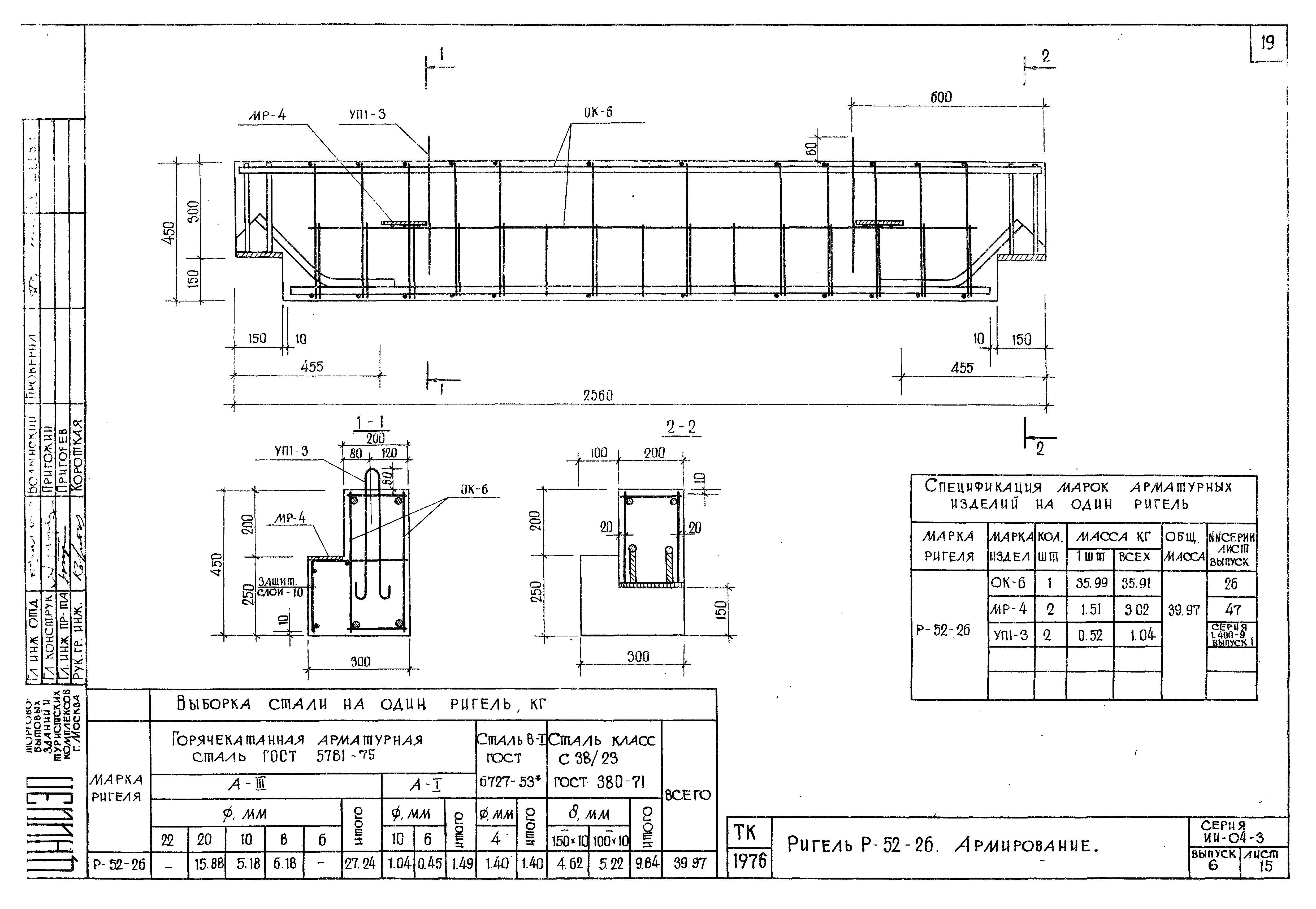
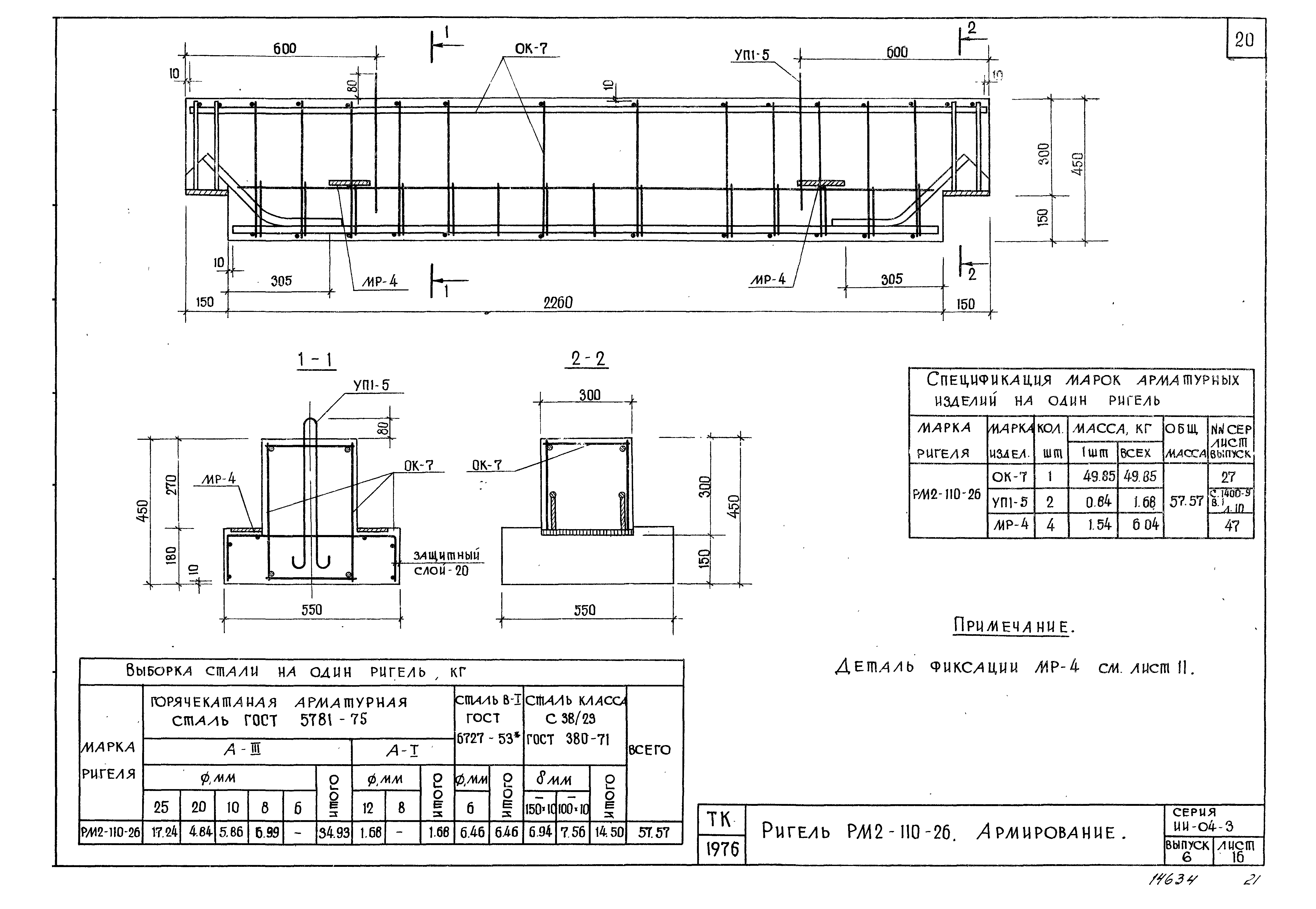
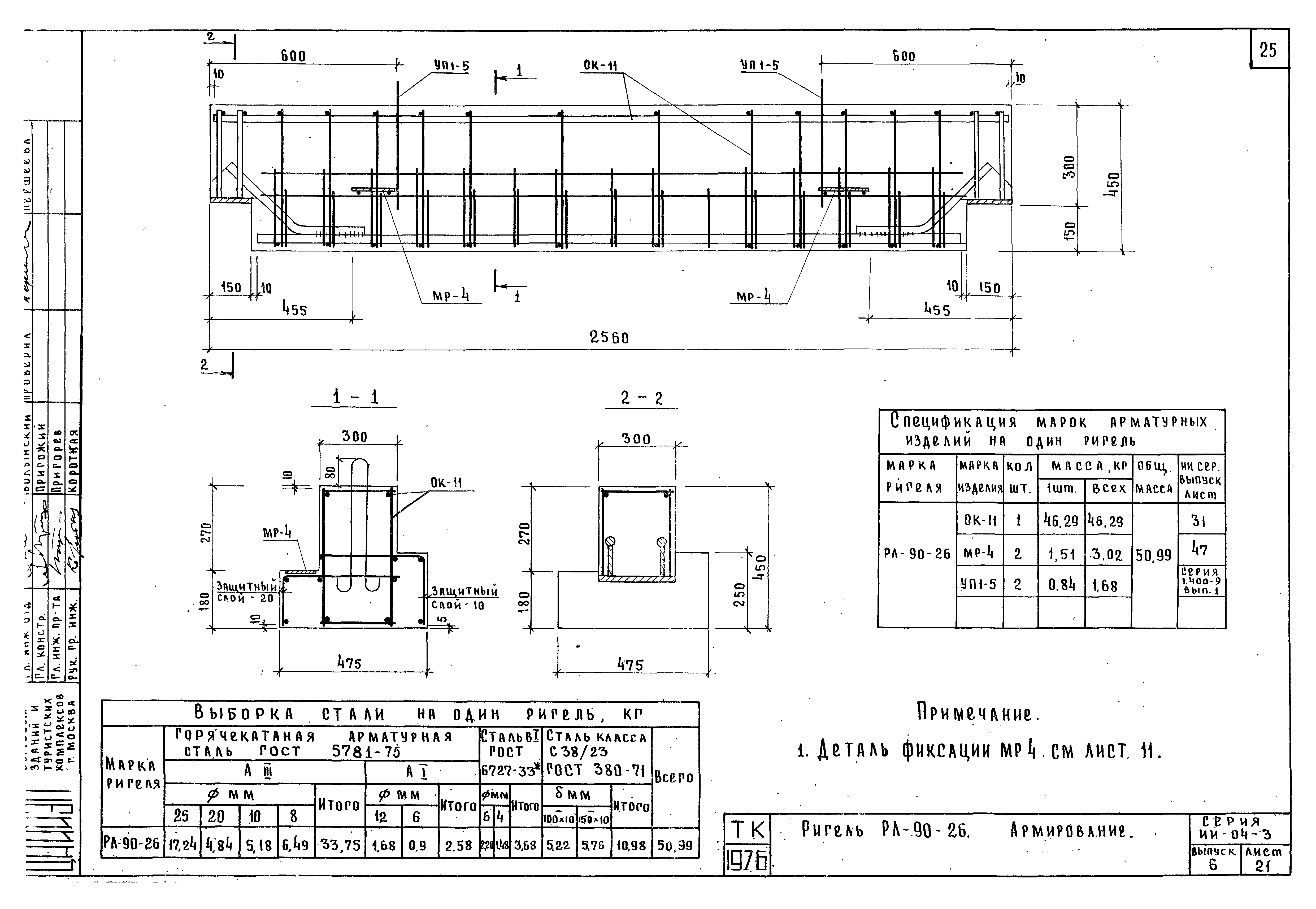
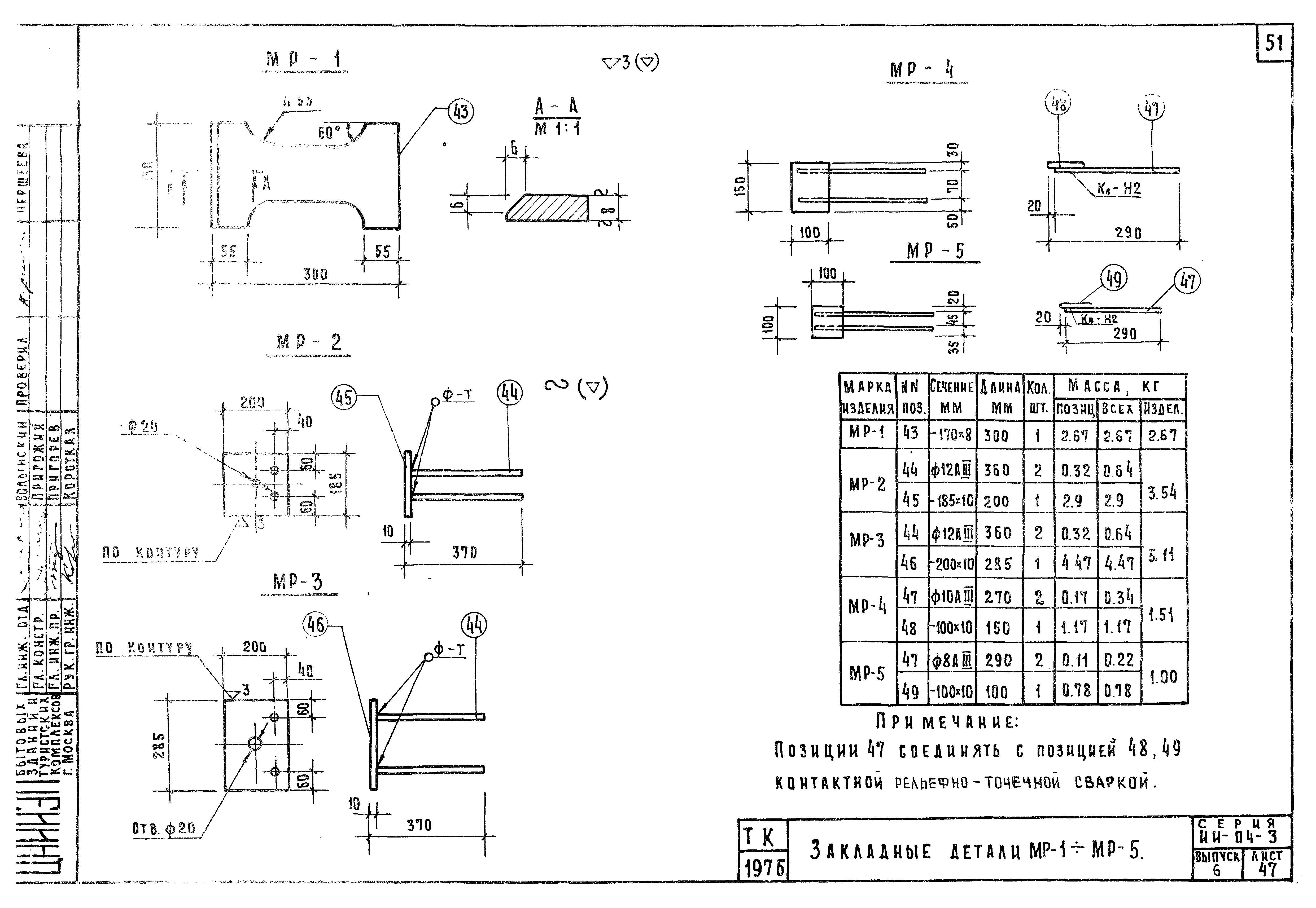
| Оглавление: | Содержание выпуска Пояснительная записка Номенклатура Ригели РМ2-90-56, РМП2-110-56, РМП2А-110-56. Опалубочный чертеж Ригели РМ2-72-56, РМ-52-56. Опалубочный чертеж Ригель РМ-72-56. Опалубочный чертеж Ригель РМ-72-26. Опалубочный чертеж Ригель Р-52-56. Опалубочный чертеж Ригели РМ2-110-26, РМ2-72-56. Опалубочный чертеж Ригель РП2-110-56. Опалубочный чертеж Ригель РЛ-90-26. Опалубочный чертеж Ригель РЛ-90-56. Армирование Ригели РМ-72-56, РМ2-52-56. Армирование Ригель РМ-72-56. Армирование Ригель РМ-72-26. Армирование Ригель Р-52-26. Армирование Ригель РМ2-110-26. Армирование Ригель РМ2-72-56. Армирование Ригель РП2-110-56. Армирование Ригель РМП2-110-56. Армирование Ригель РМП2А-110-56. Армирование Ригель РЛ-90-26. Армирование Ригель РМ2-90-56. Объемный каркас ОК-1 Ригели РМ2-72-56, РМ2-52-56. Объемные каркасы ОК-2, ОК-3 Ригель РМ-72-56. Объемный каркас ОК-4 Ригель РМ-72-26. Объемный каркас ОК-5 Ригель Р-52-26. Объемный каркас ОК-6 Ригель РМ2-110-26. Объемный каркас ОК-7 Ригель РМ2-72-26. Объемный каркас ОК-8 Ригель РП2-110-56. Объемный каркас ОК-9 Ригели АМП2-110-56, РМП2А-110-56. Объемный каркас ОК-10 Ригель РЛ-90-26. Объемный каркас ОК-11 Узлы 1, 2, 3. Опалубочный чертеж Узлы 4, 5, 6. Опалубочный чертеж Узлы 7, 8. Опалубочный чертеж Узел 9. Армирование Узел 10. Армирование Узел 11. Армирование Узлы 12, 13. Объемные каркасы Узлы 14, 15. Объемные каркасы Узлы 16, 17, 18. Объемные каркасы Каркасы К-1 - К-7 Сетки С-1 - С-4 Сетки С-5, С-6 Каркасы К-8 и К-9. Сетка С-7 Сетки С-8, С-9. Спираль СП-1. Отдельные стержни Сетки С-10, С-11. Отдельные стержни Закладные детали МР-1 - МР-5 Закладные детали. Поз. 51, 53, 56, 58, 59 Закладные детали МР-6, МР-7, МР-8 Закладные детали МР-9, МР-10, МР-11 Закладные детали МР-12, МР-13, МР-14 Расчетные схемы и схемы испытаний Данные для испытания ригелей по прочности. Величина предварительных напряжений в арматуре и потери предварительного напряжения. Метод натяжения электротермический Данные для испытания ригелей по жесткости и по раскрытию трещин |
| Разработан: | ЦНИИЭП торгово-бытовых зданий и туристских комплексов |
| Утверждён: | 03.01.1977 Государственный комитет по гражданскому строительству и архитектуре при Госстрое СССР (19) |
| Чем заменён: |


























































