Скачать Типовой проект 902-1-166.1.90 Альбом 5.1. Подземная часть. Конструкции железобетонные. Конструкции металлические. ИзделияДата актуализации: 01.01.2021
|
| Обозначение: | Типовой проект 902-1-166.1.90 |
| Обозначение англ: | 902-1-166.1.90 |
| Статус: | не определен законодательством |
| Название рус.: | Альбом 5.1. Подземная часть. Конструкции железобетонные. Конструкции металлические. Изделия |
| Дата добавления в базу: | 01.10.2014 |
| Дата актуализации: | 01.01.2021 |
| Дата введения: | 15.05.1990 |
| Дата окончания срока действия: | 30.06.2003 |
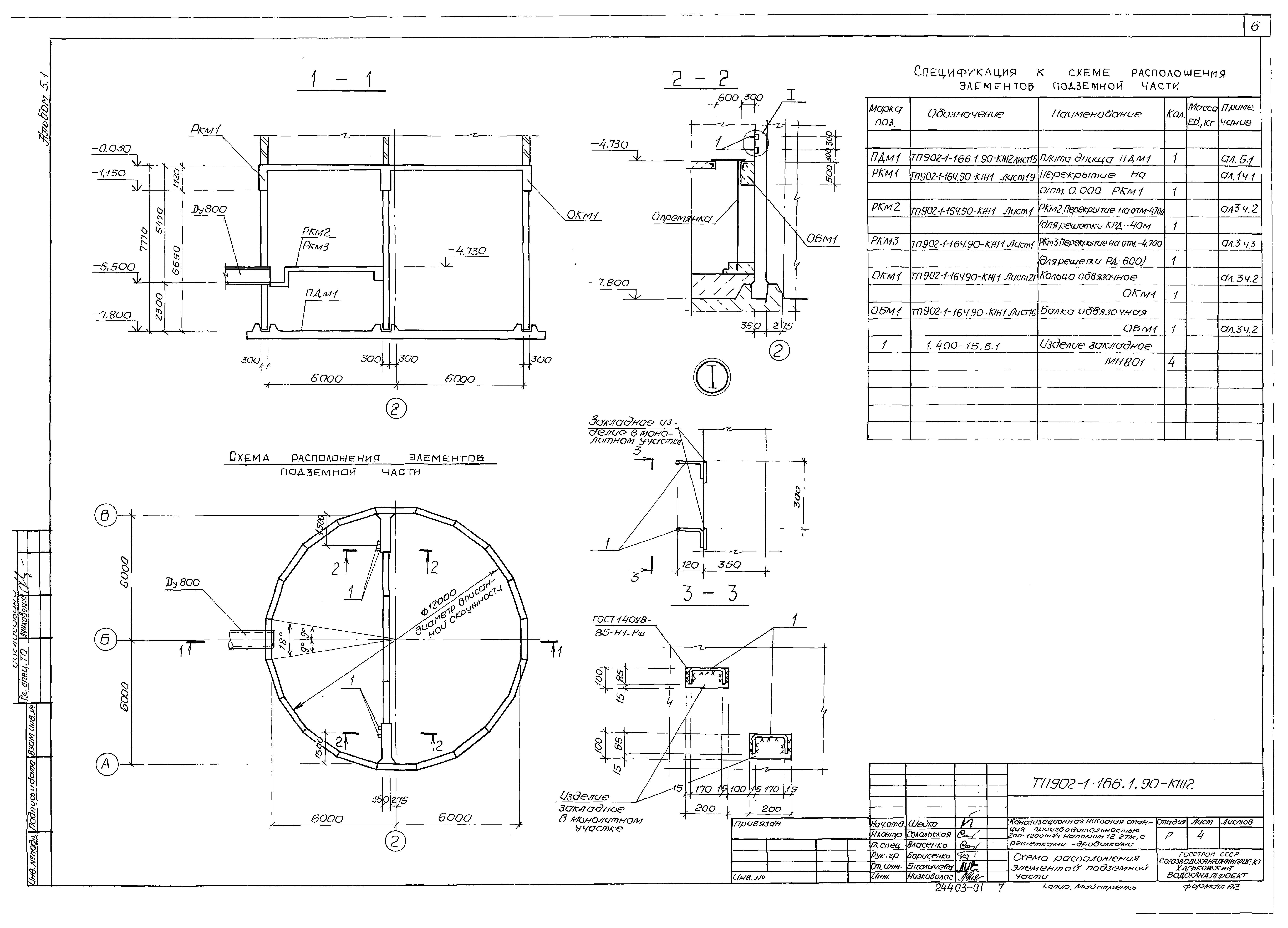
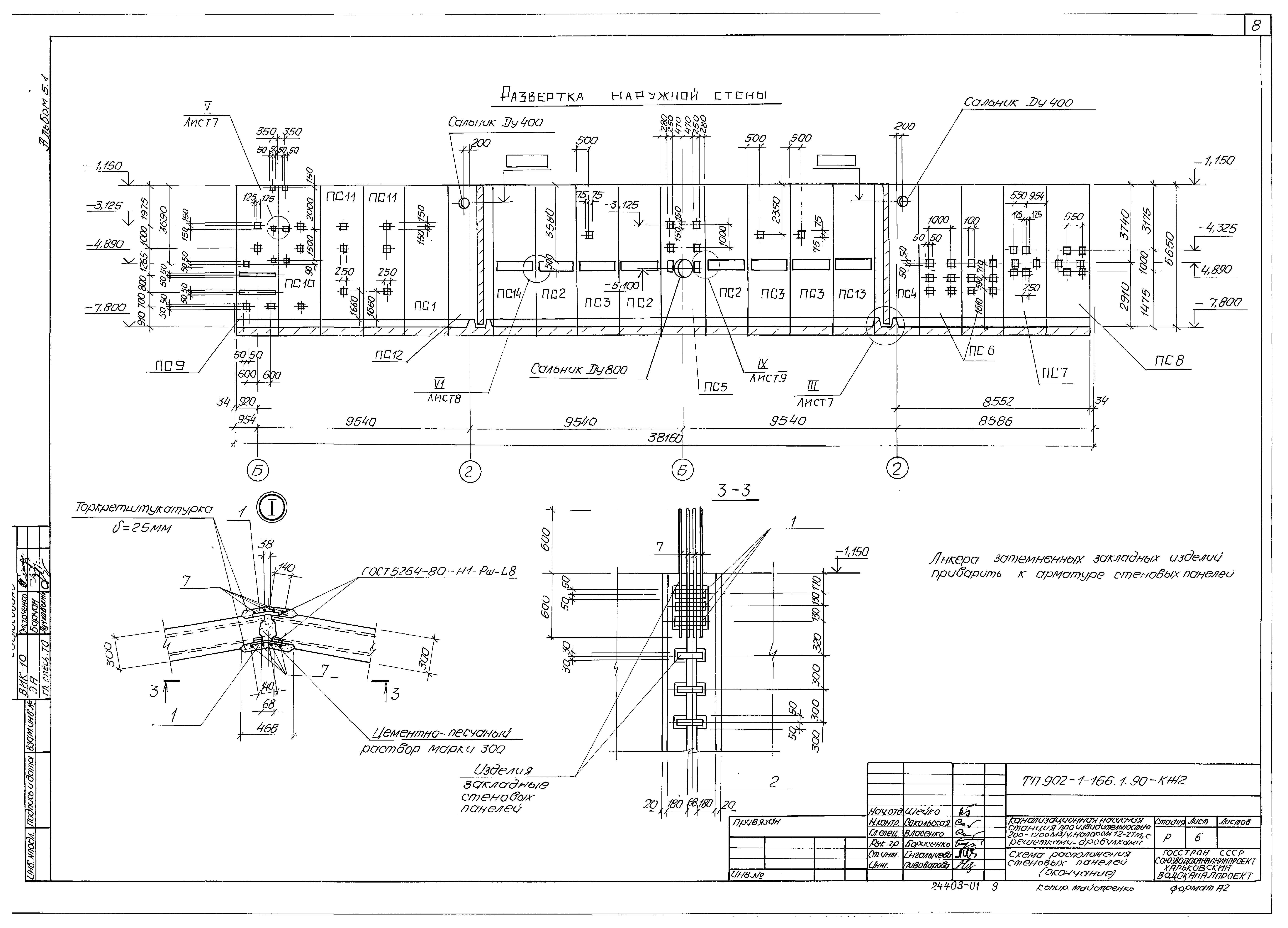
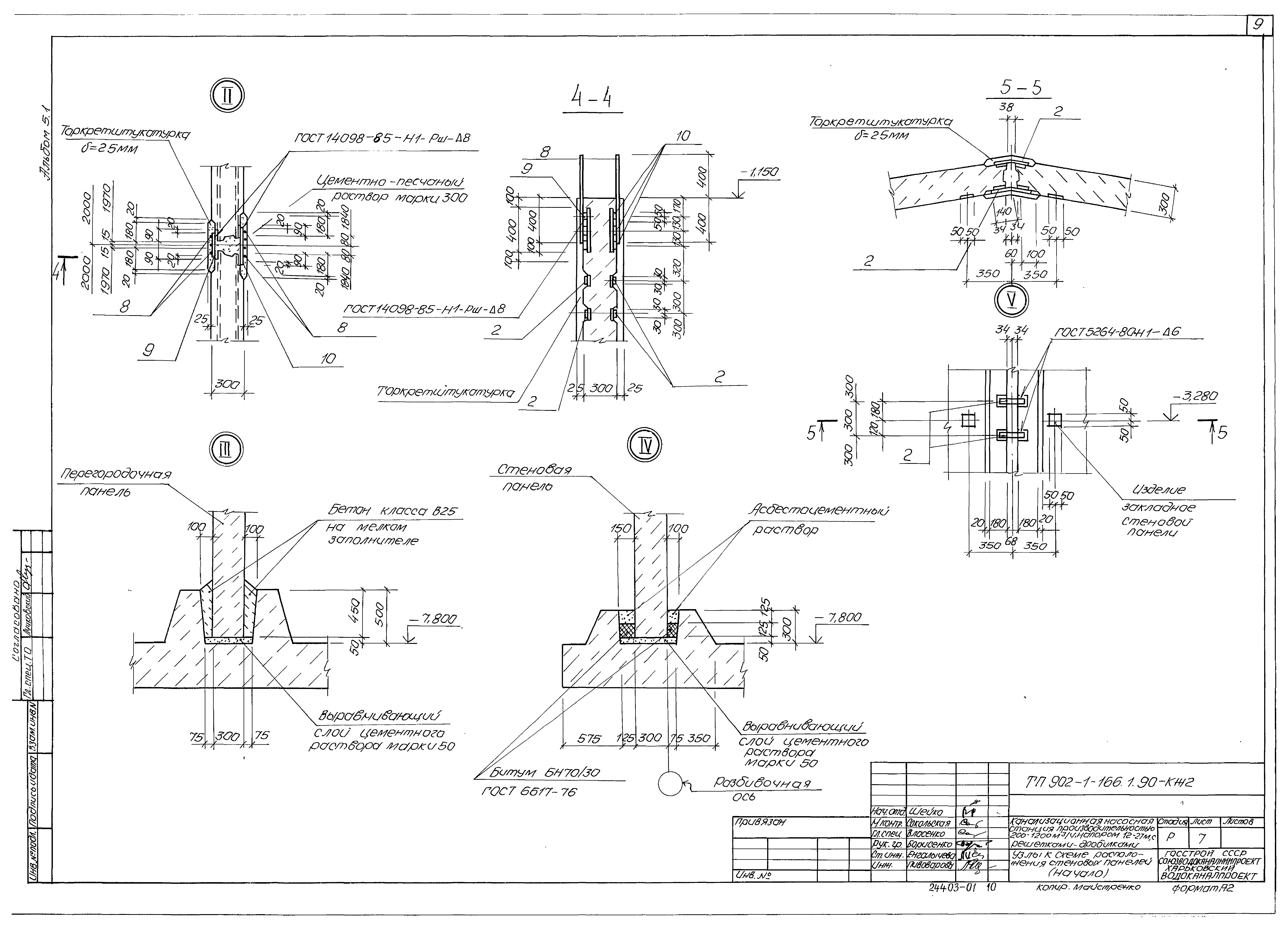
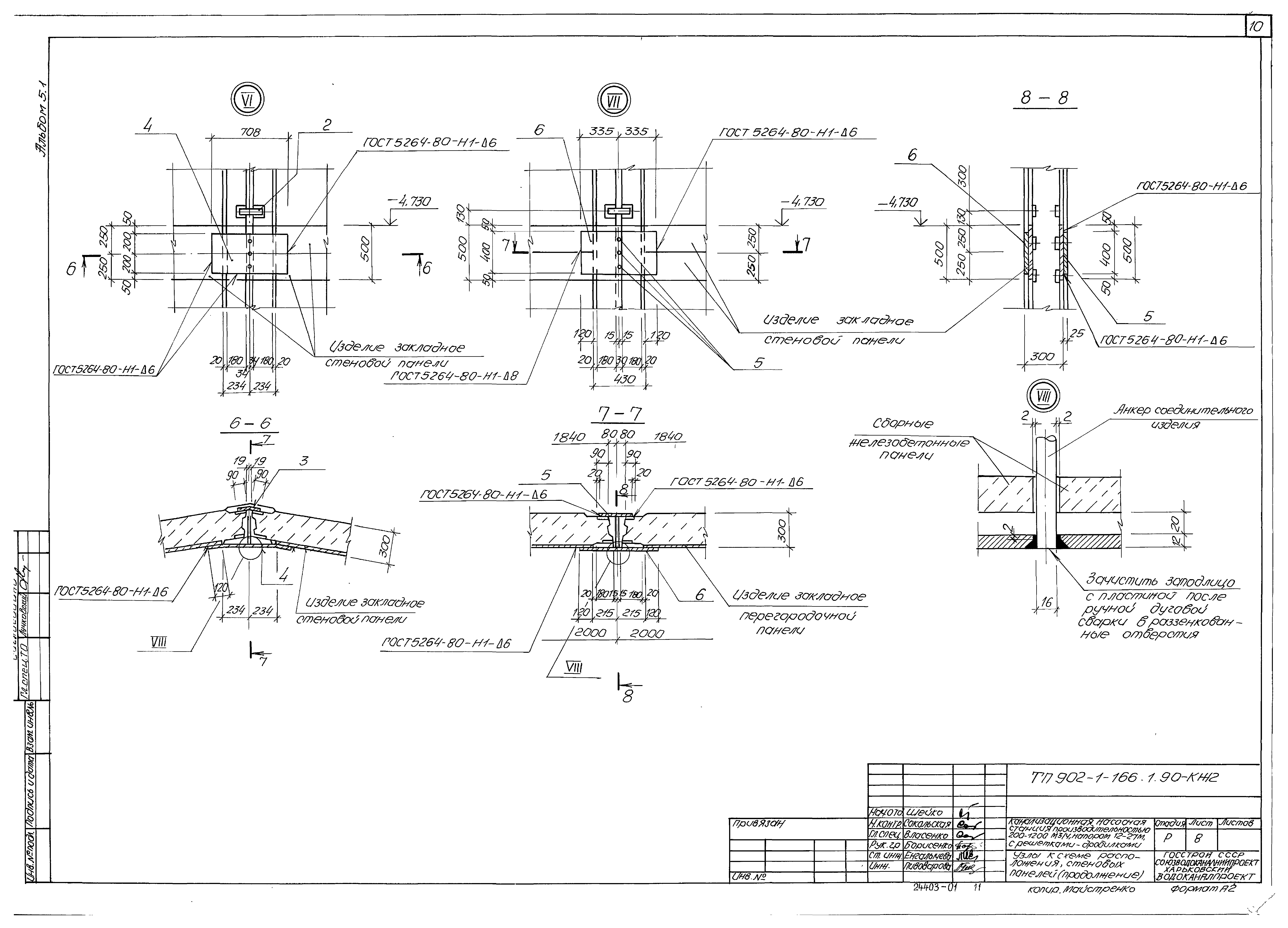
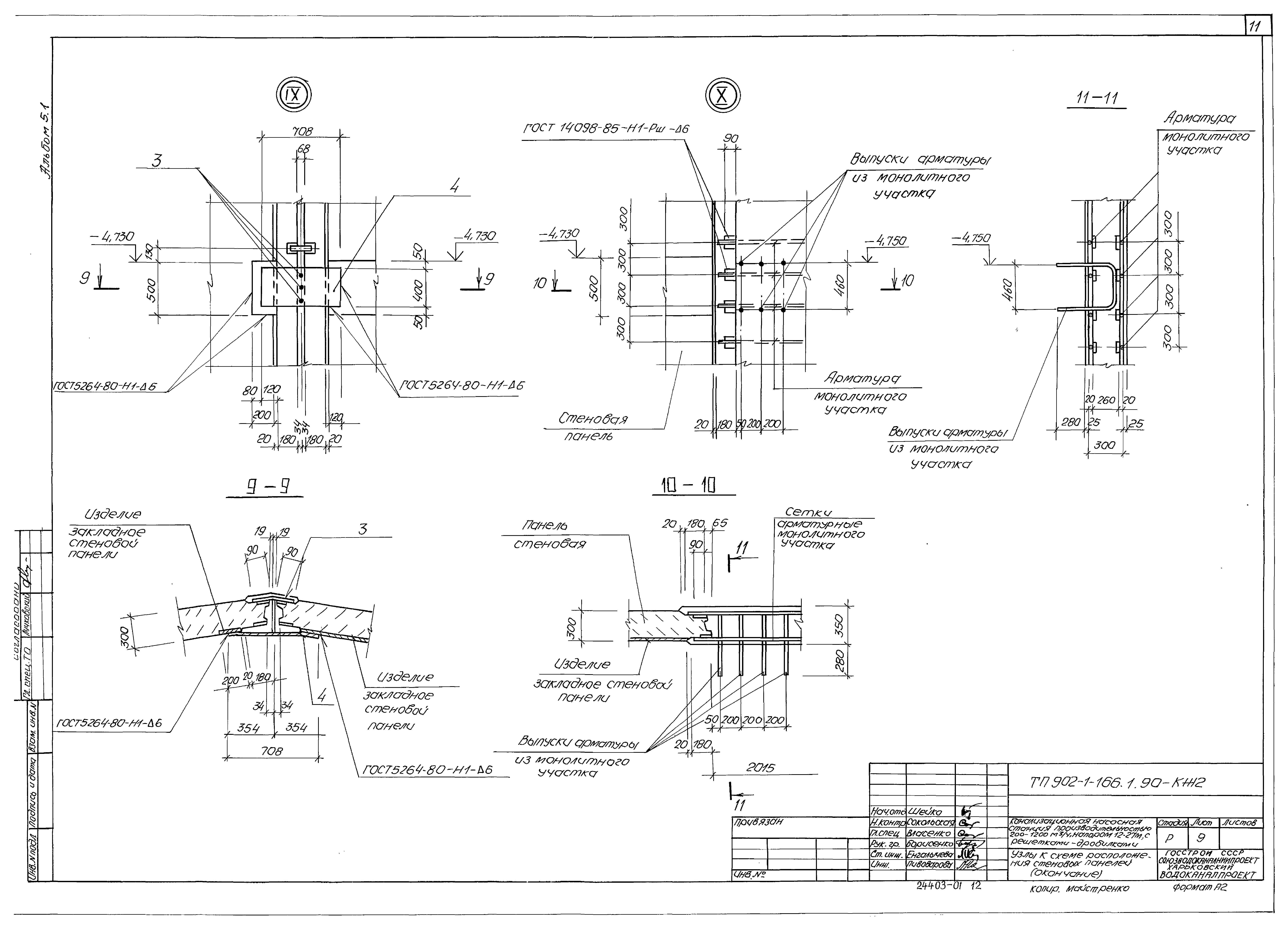
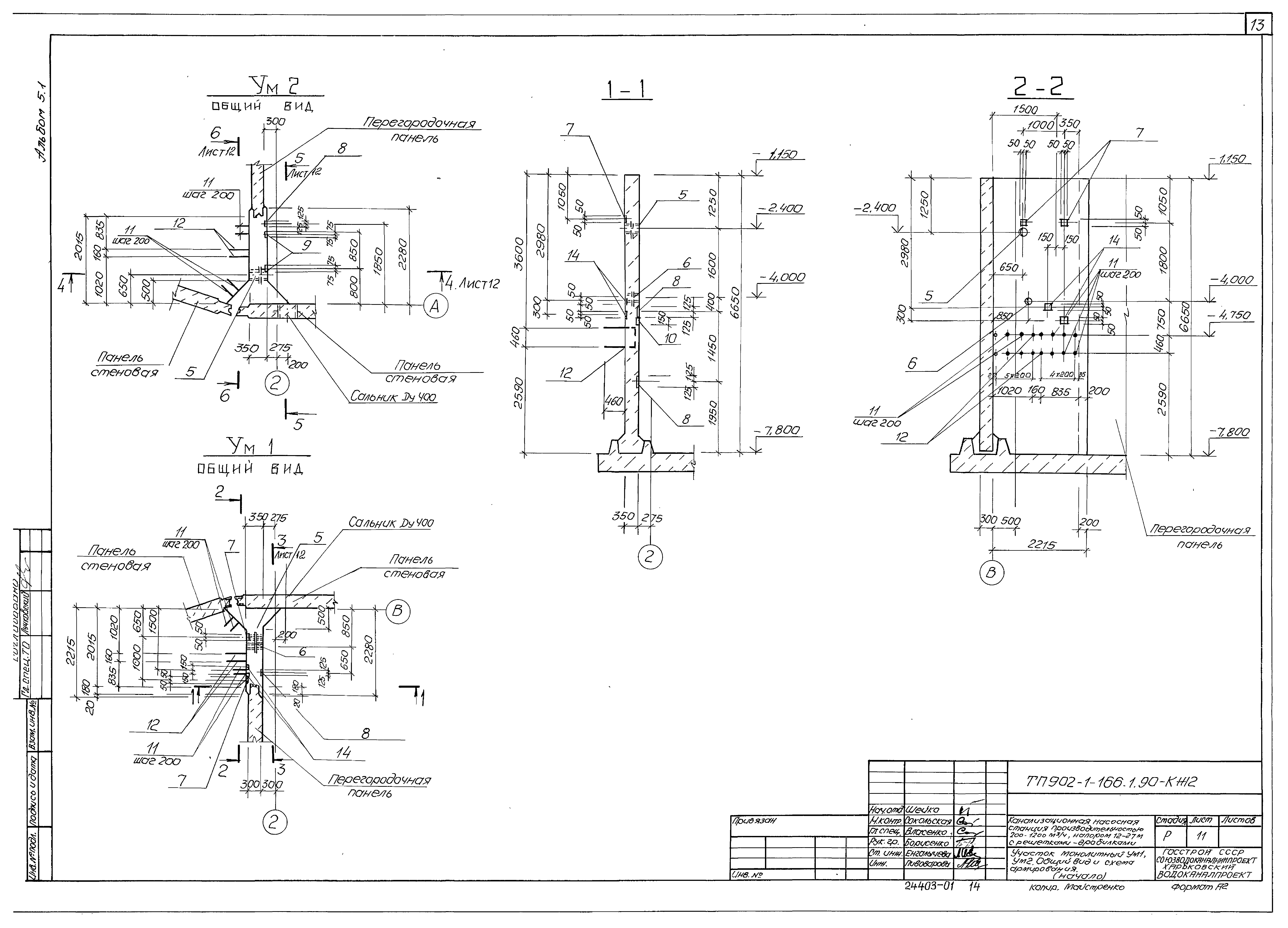
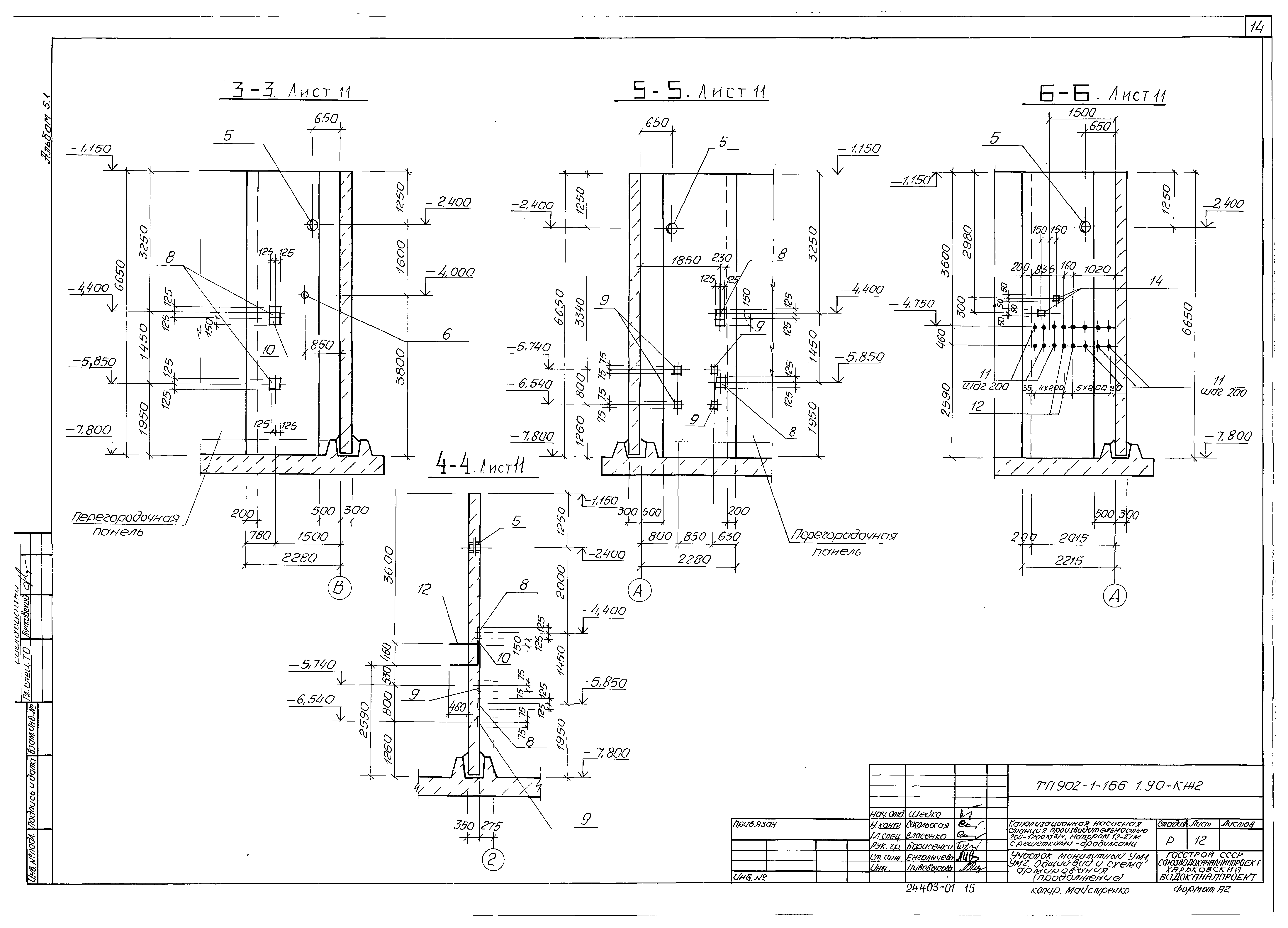
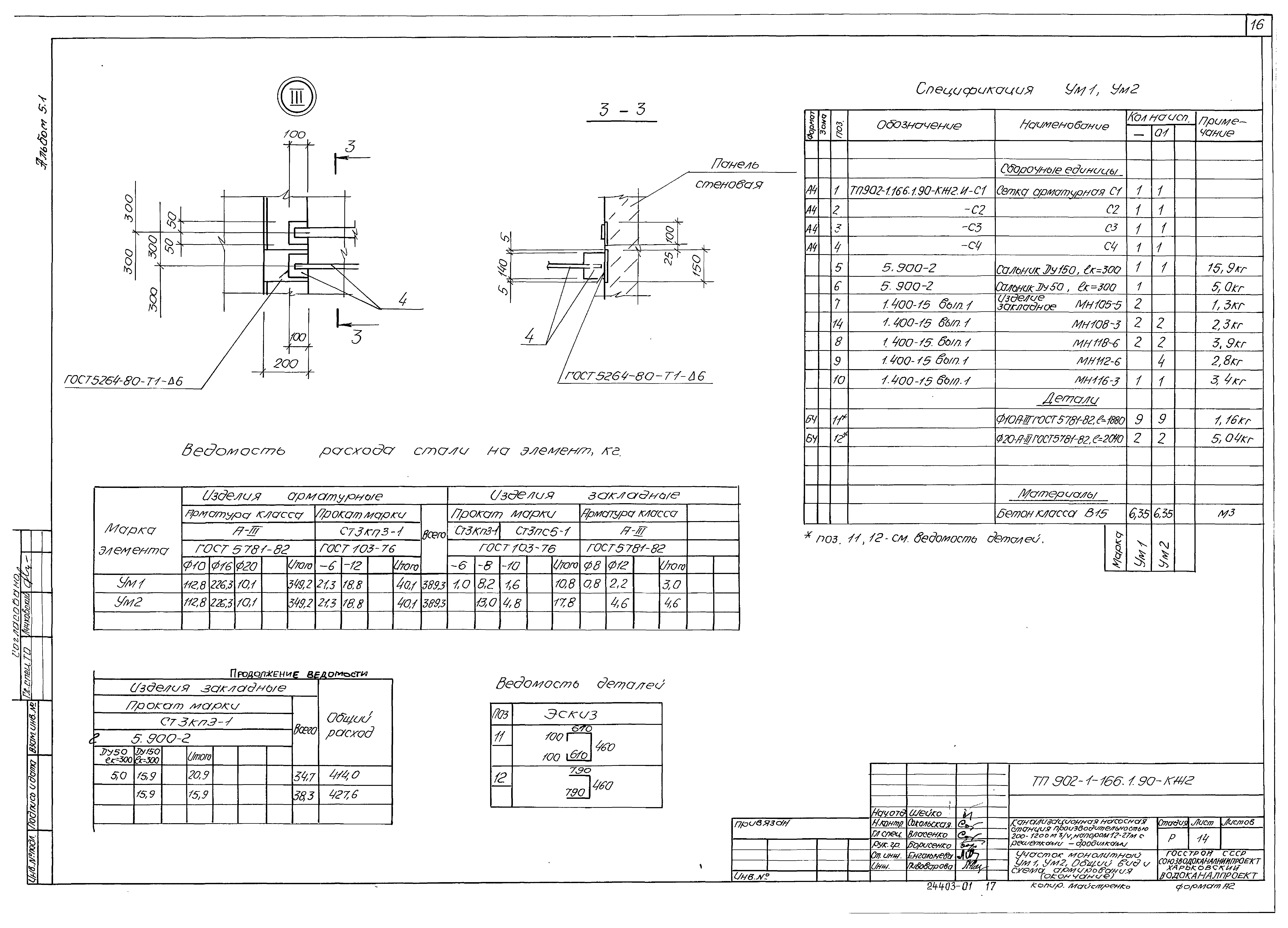
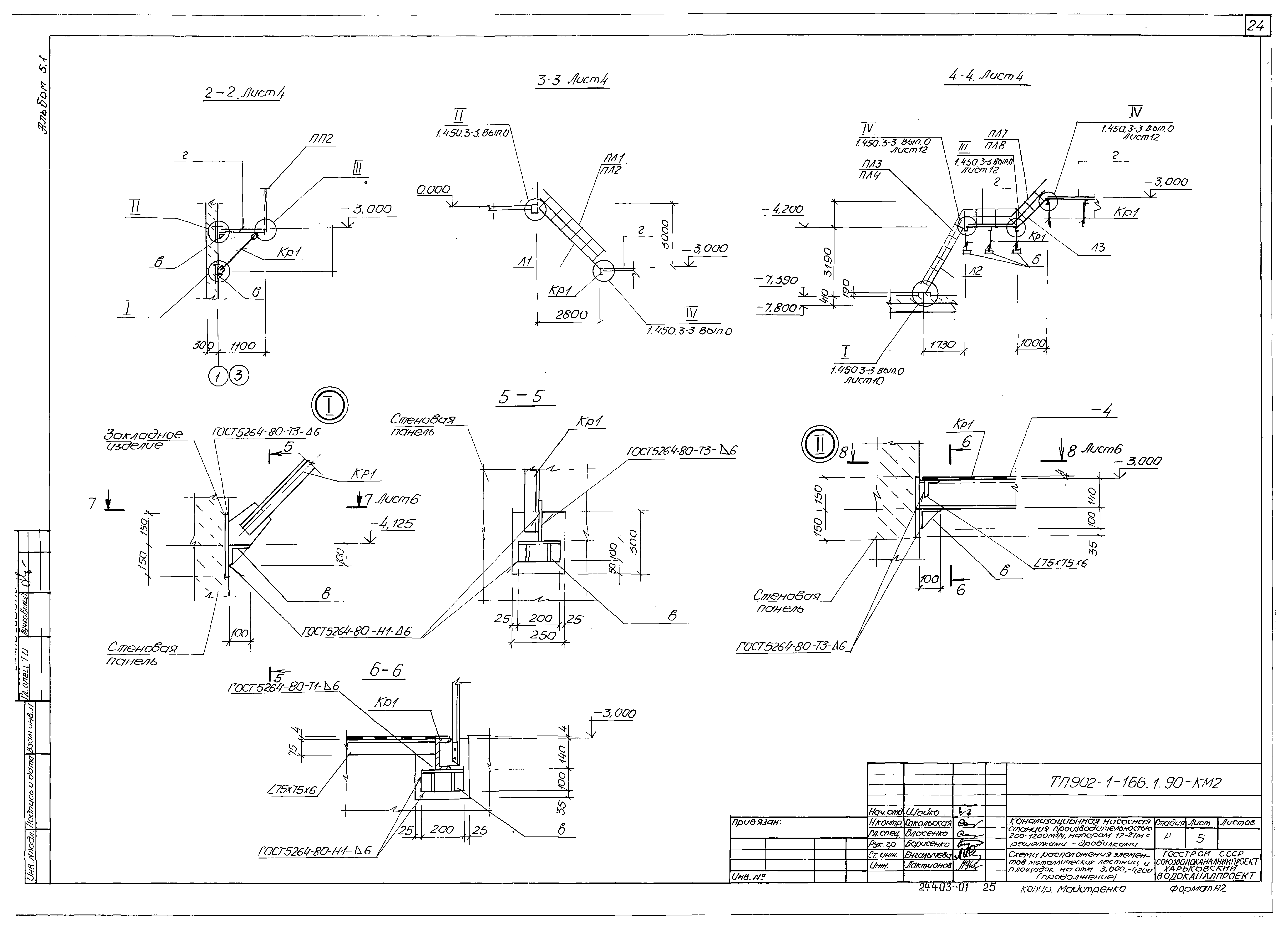
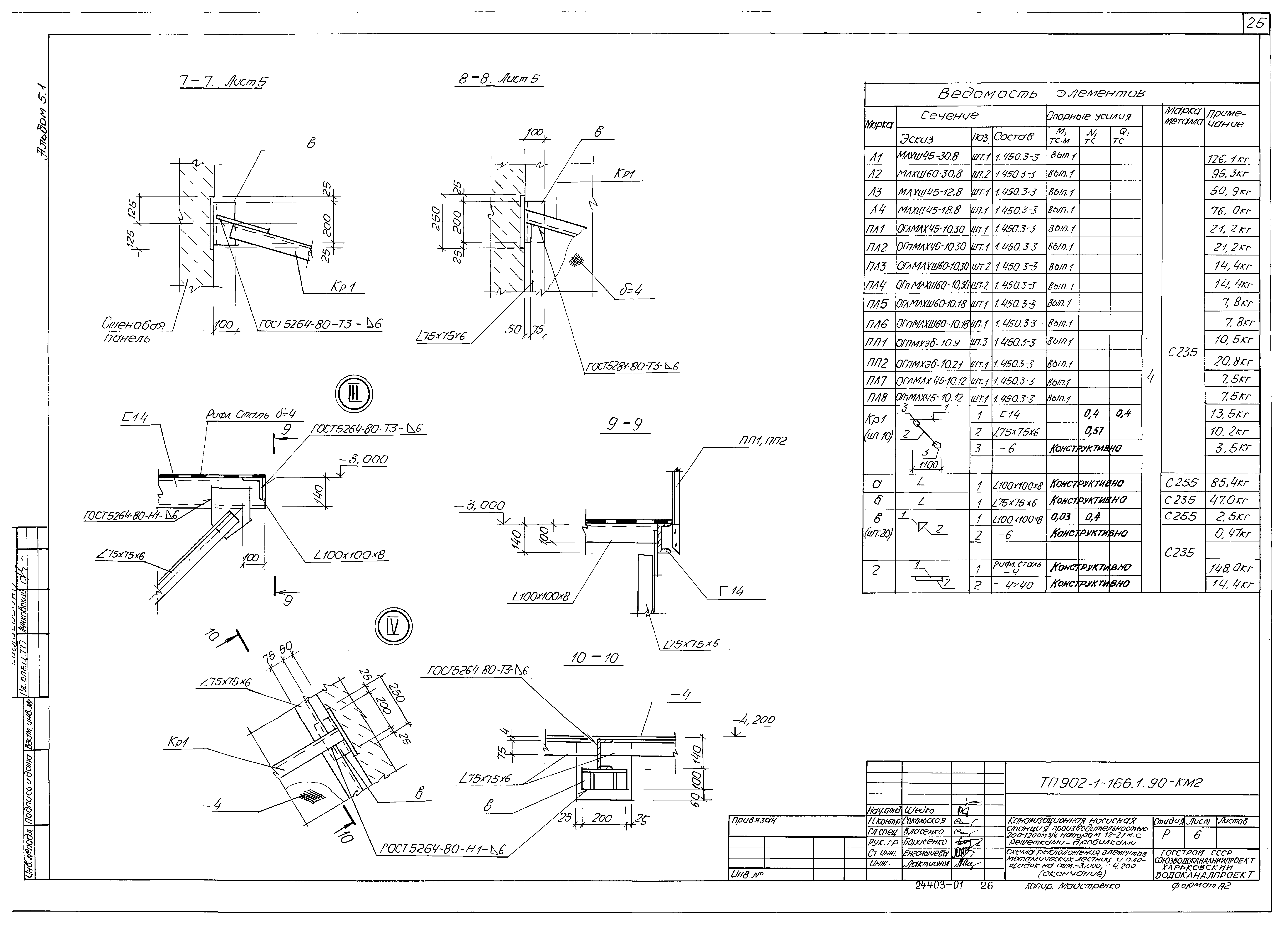
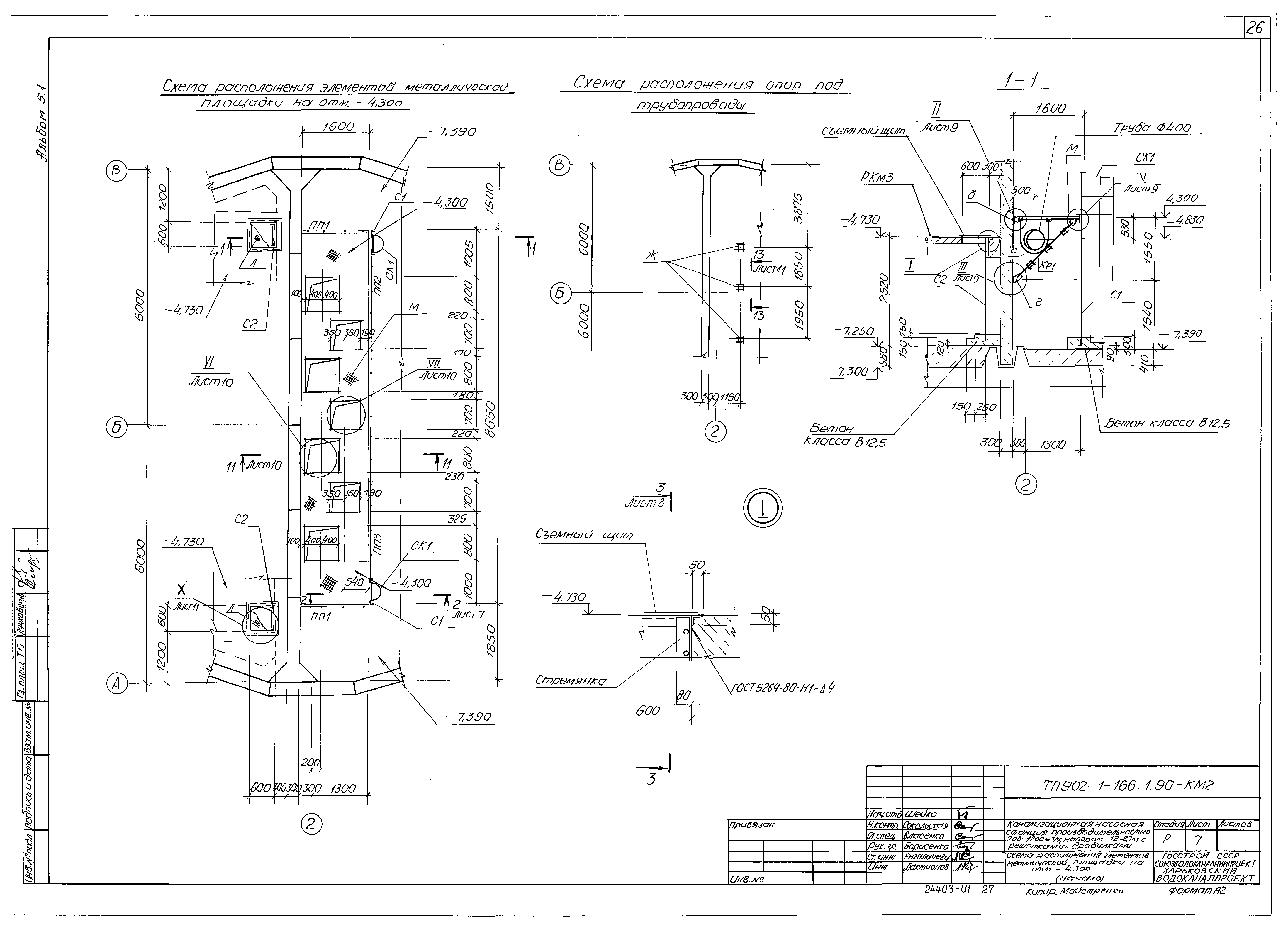
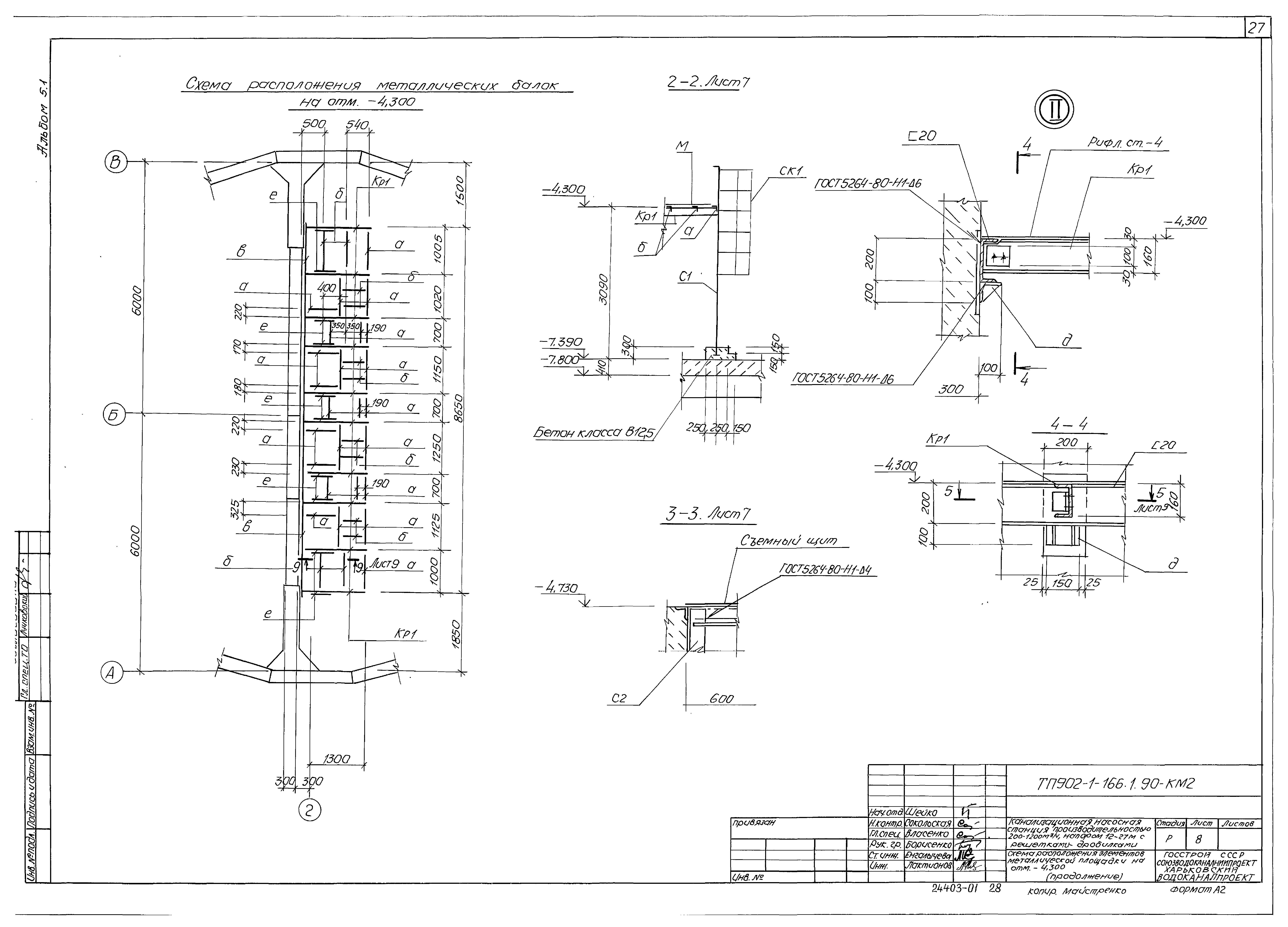
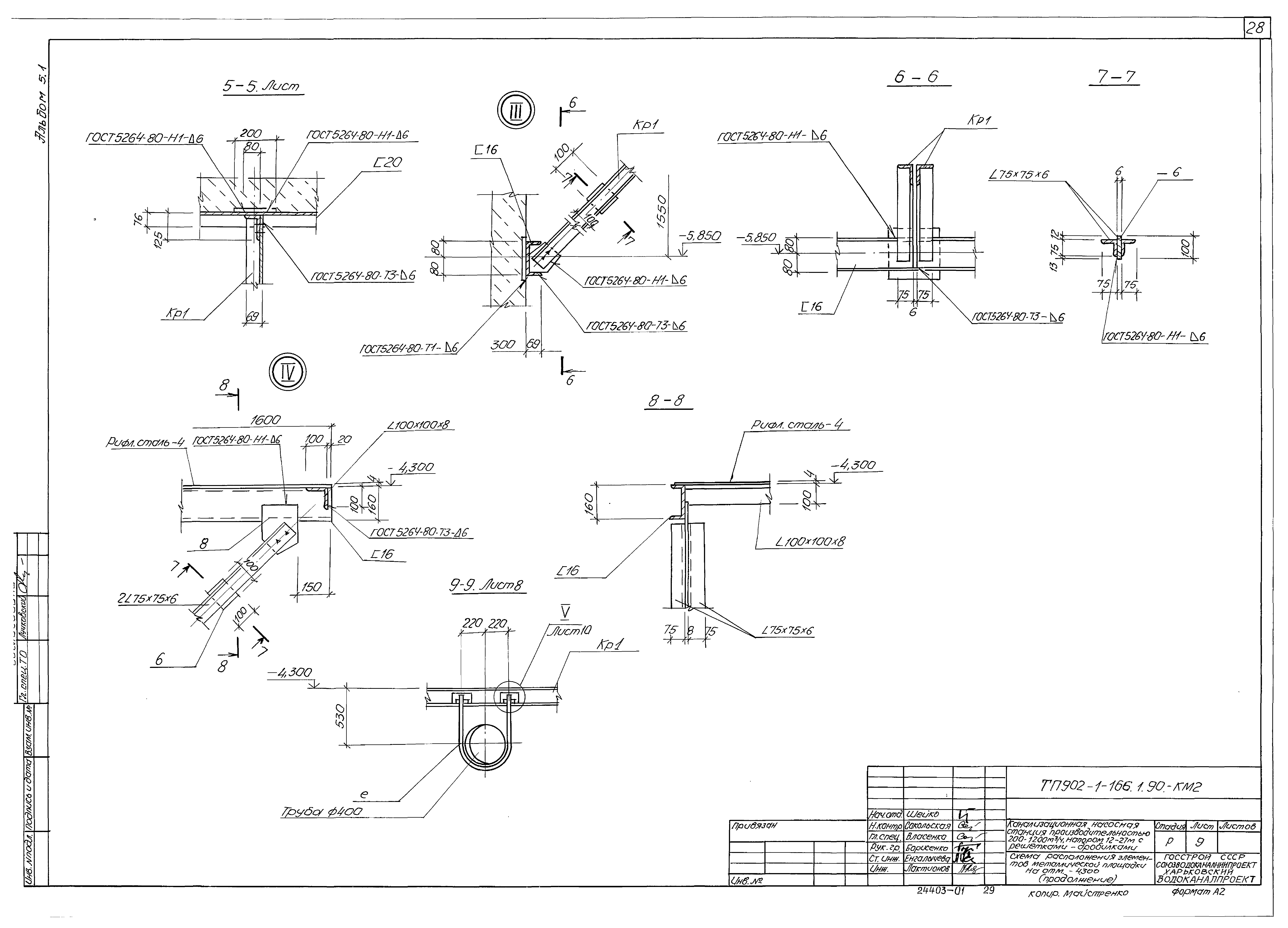
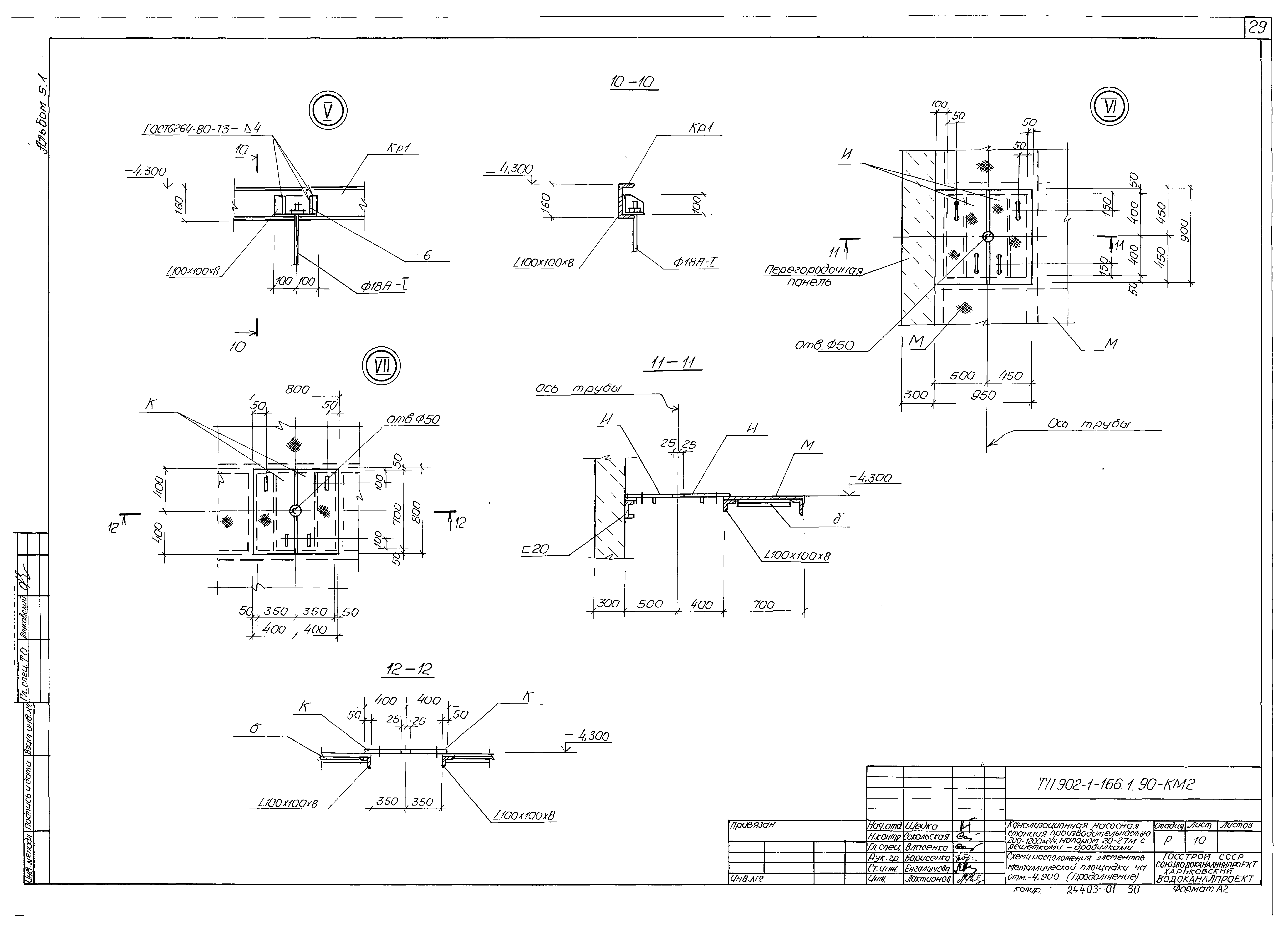
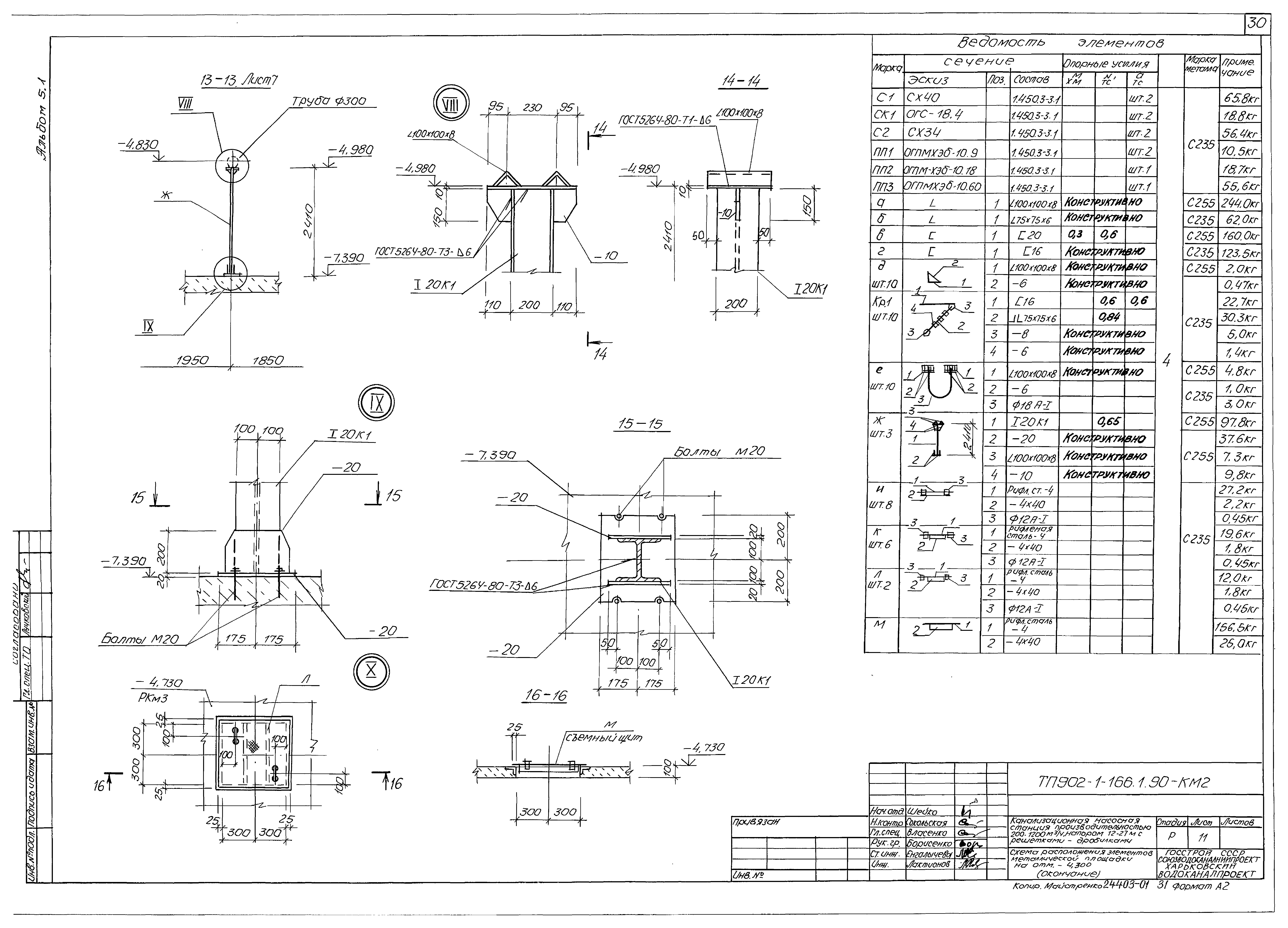
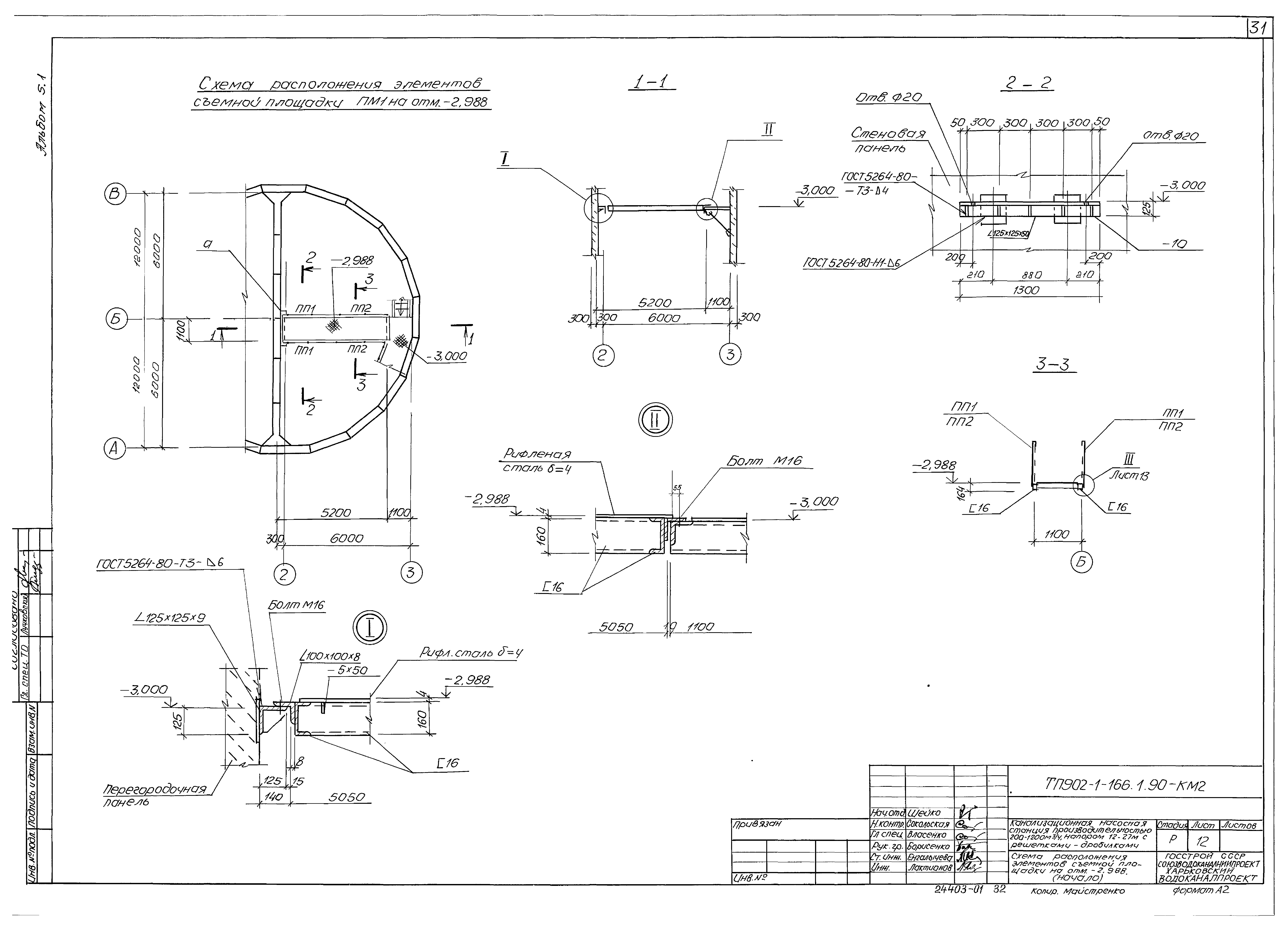
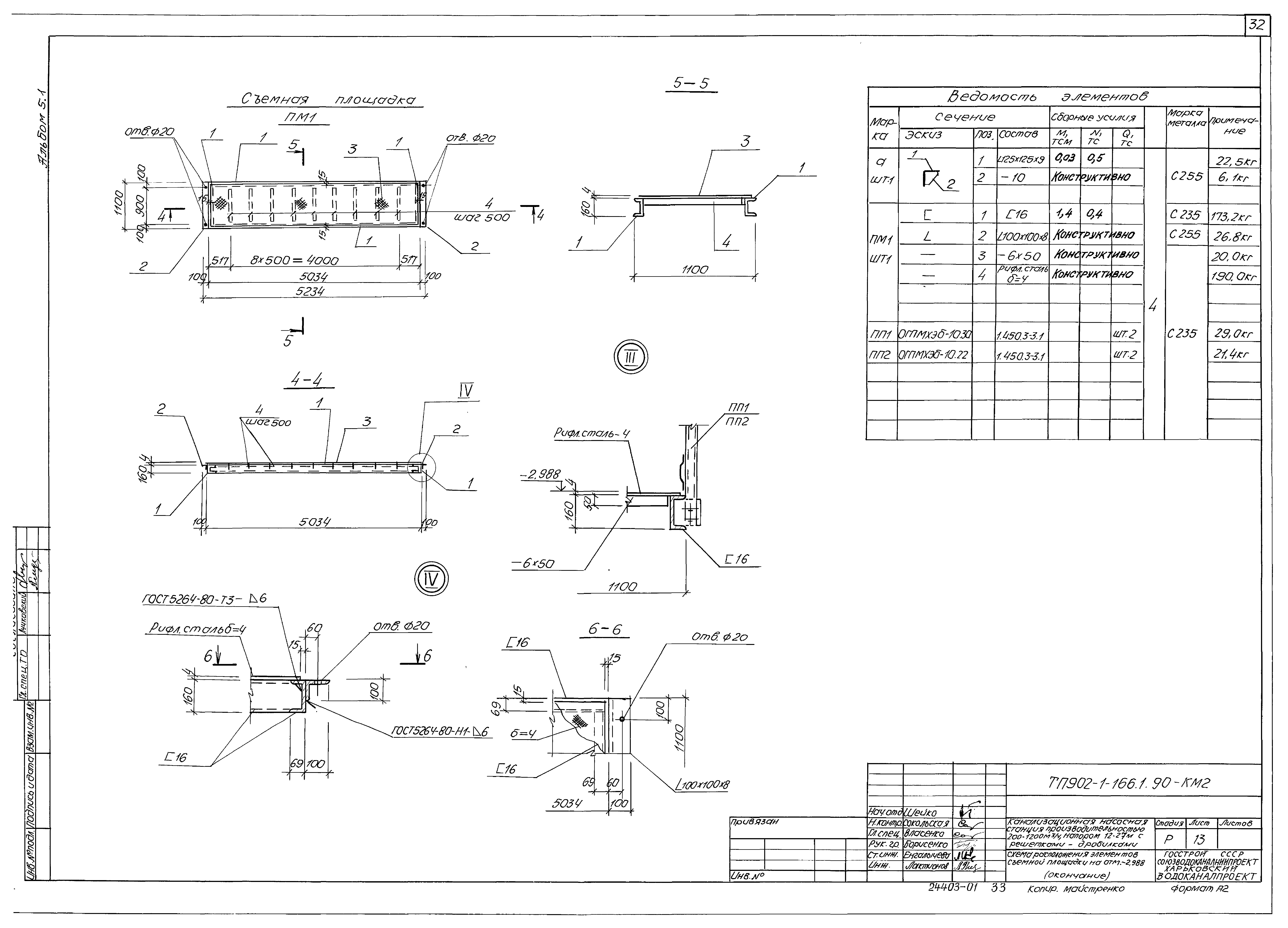
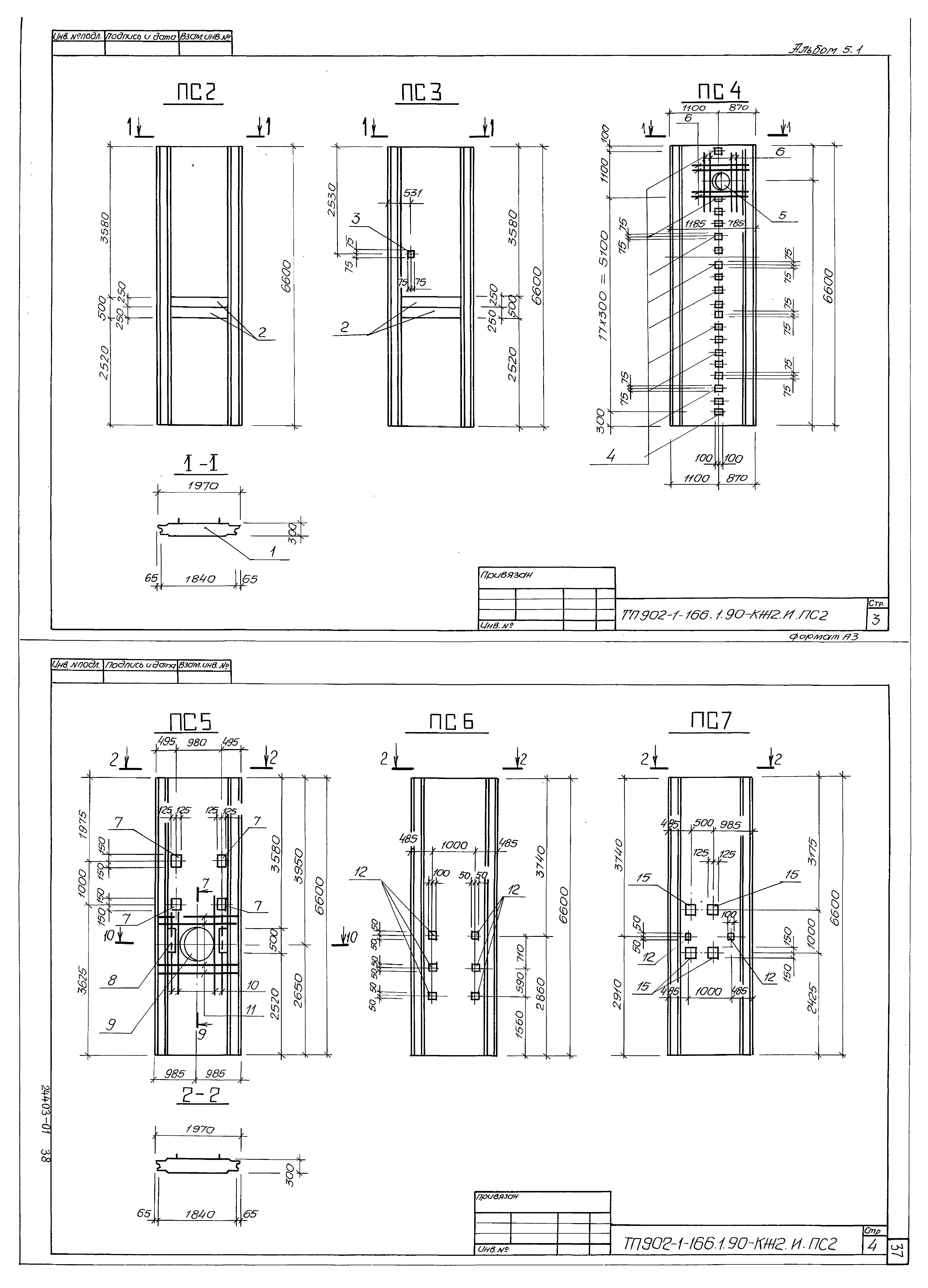
| Оглавление: | Содержание альбома Чертежи основного комплекта марки КЖ2 Общие данные Планы на отм. - 7.390; - 4.700. Разрезы 1-1 Схема расположения элементов подземной части Схема расположения стеновых панелей Узлы к схеме расположения стеновых панелей Спецификация к схеме расположения стеновых панелей Участок монолитный Ум1, Ум2. Общий вид и схема армирования Плита днища монолитная ПДм1. Общий вид и схема армирования Чертежи основного комплекта марки КМ2 Общие данные Схема расположения элементов металлических лестниц и площадок на отм. - 3.000; - 4.200 Схема расположения элементов металлической площадки на отм. - 4.300 Схема расположения элементов съемной площадки на отм. - 2.988 Схема расположения щитов на перекрытии РКм2 на отм. - 4.730. Схема расположения щитов на перекрытии РКм3 на отм. - 4.730 Чертежи основного комплекта марки КЖ2.И Содержание Технические требования Панель стеновая ПС1 Панель стеновая ПС2…ПС14 Каркас плоский Кр11, КР12 Каркас плоский Кр13, КР14 Ведомость расхода стали Панель перегородочная ПГ1…ПГ4 Ведомость расхода стали Сетка арматурная С1 Сетка арматурная С2 Сетка арматурная С3 Сетка арматурная С4 Сетка арматурная С5 Сетка арматурная С6 Изделие соединительное МС1, МС2 Изделие соединительное МС3, МС4 |
| Разработан: | Харьковский Водоканалпроект |
| Утверждён: | 15.05.1990 СоюзводоканалНИИпроект (SoyuzvodokanalNIIproject 9) |
| Заменяет собой: |













































