Скачать Типовой проект 902-1-171.91 Альбом 4. Изделия (из ТП 902-1-170.91)Дата актуализации: 01.01.2021
|
| Обозначение: | Типовой проект 902-1-171.91 |
| Обозначение англ: | 902-1-171.91 |
| Статус: | не определен законодательством |
| Название рус.: | Альбом 4. Изделия (из ТП 902-1-170.91) |
| Дата добавления в базу: | 01.10.2014 |
| Дата актуализации: | 01.01.2021 |
| Дата введения: | 15.05.1991 |
| Дата окончания срока действия: | 30.06.2003 |
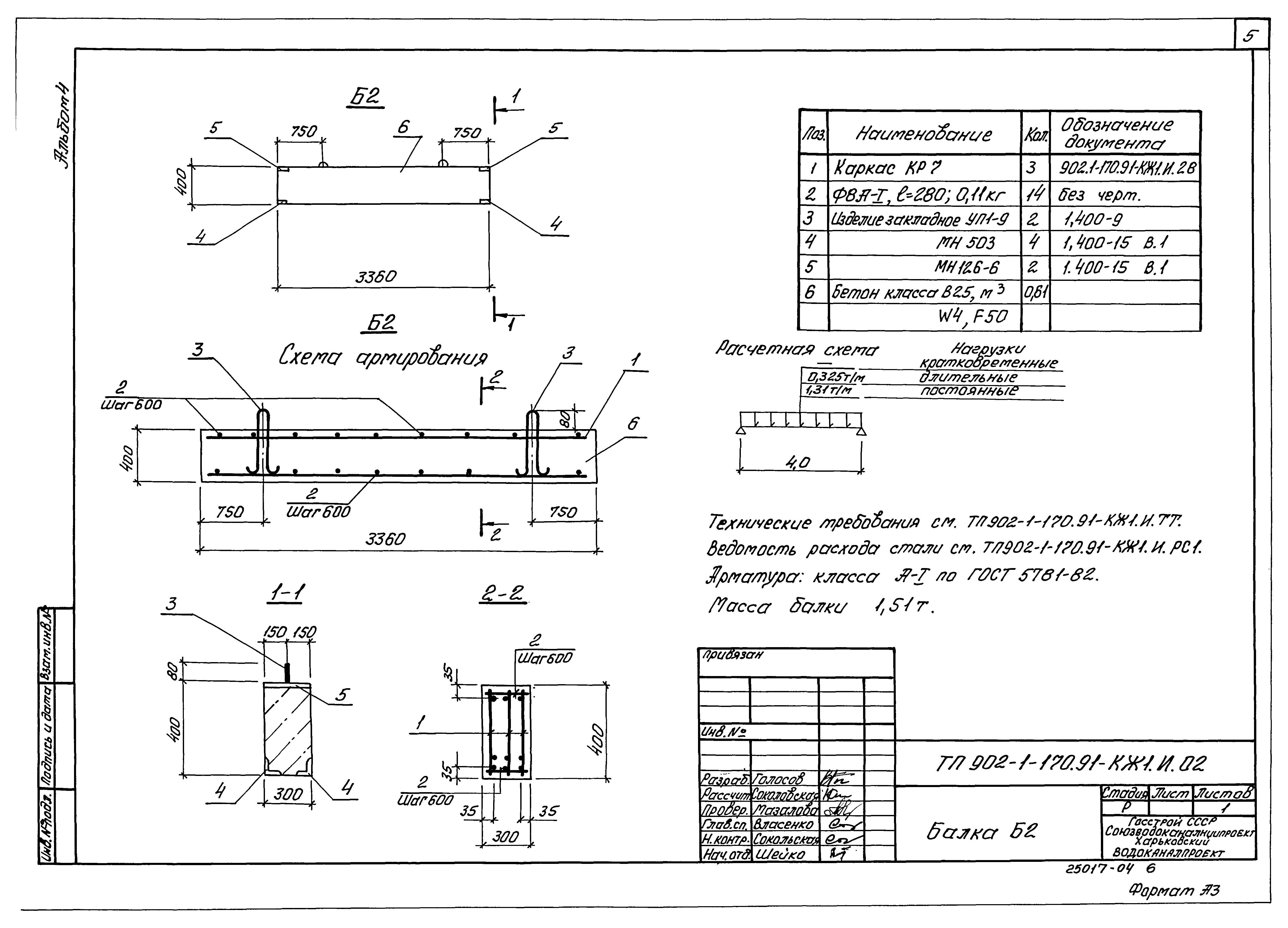
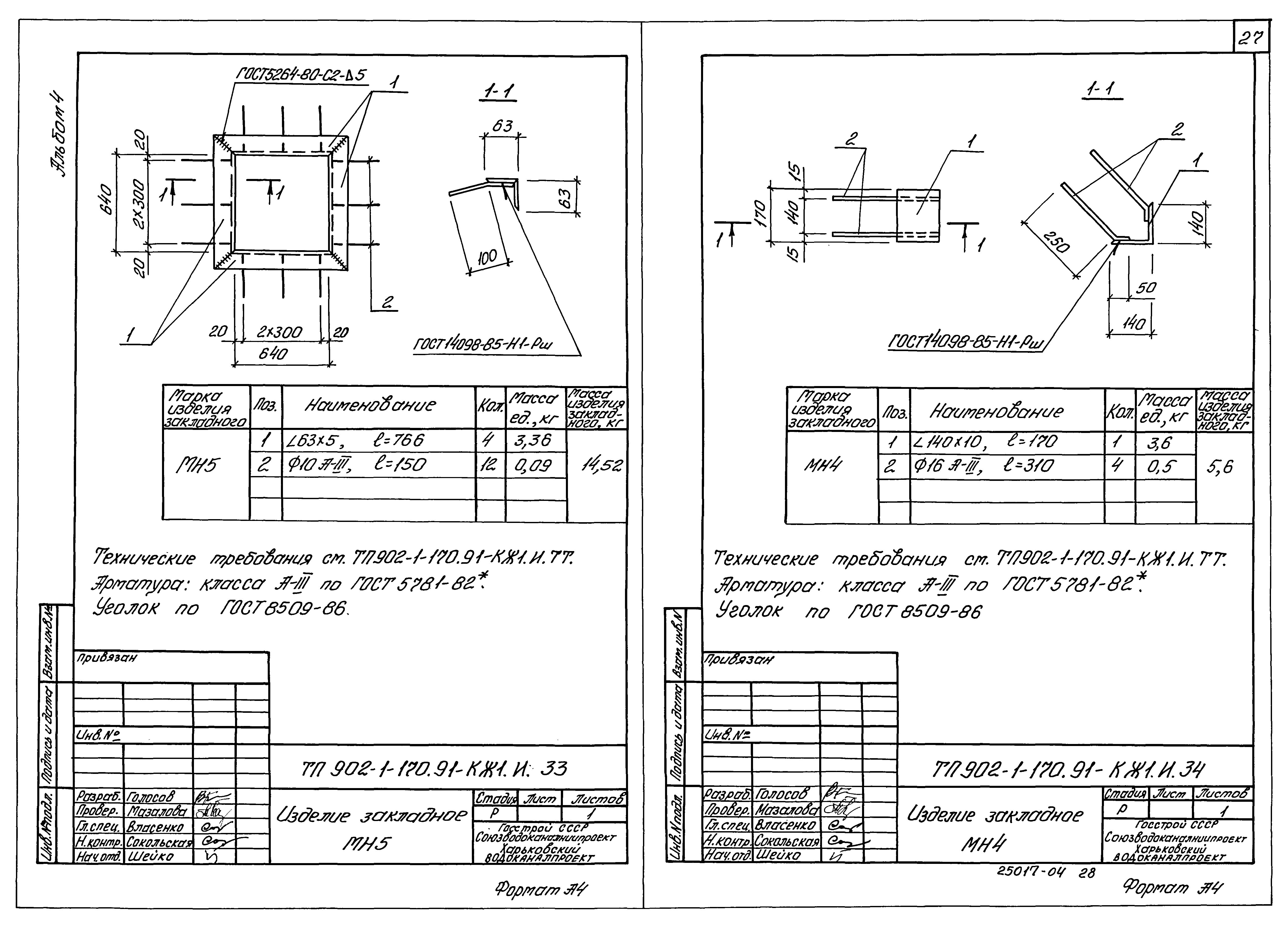
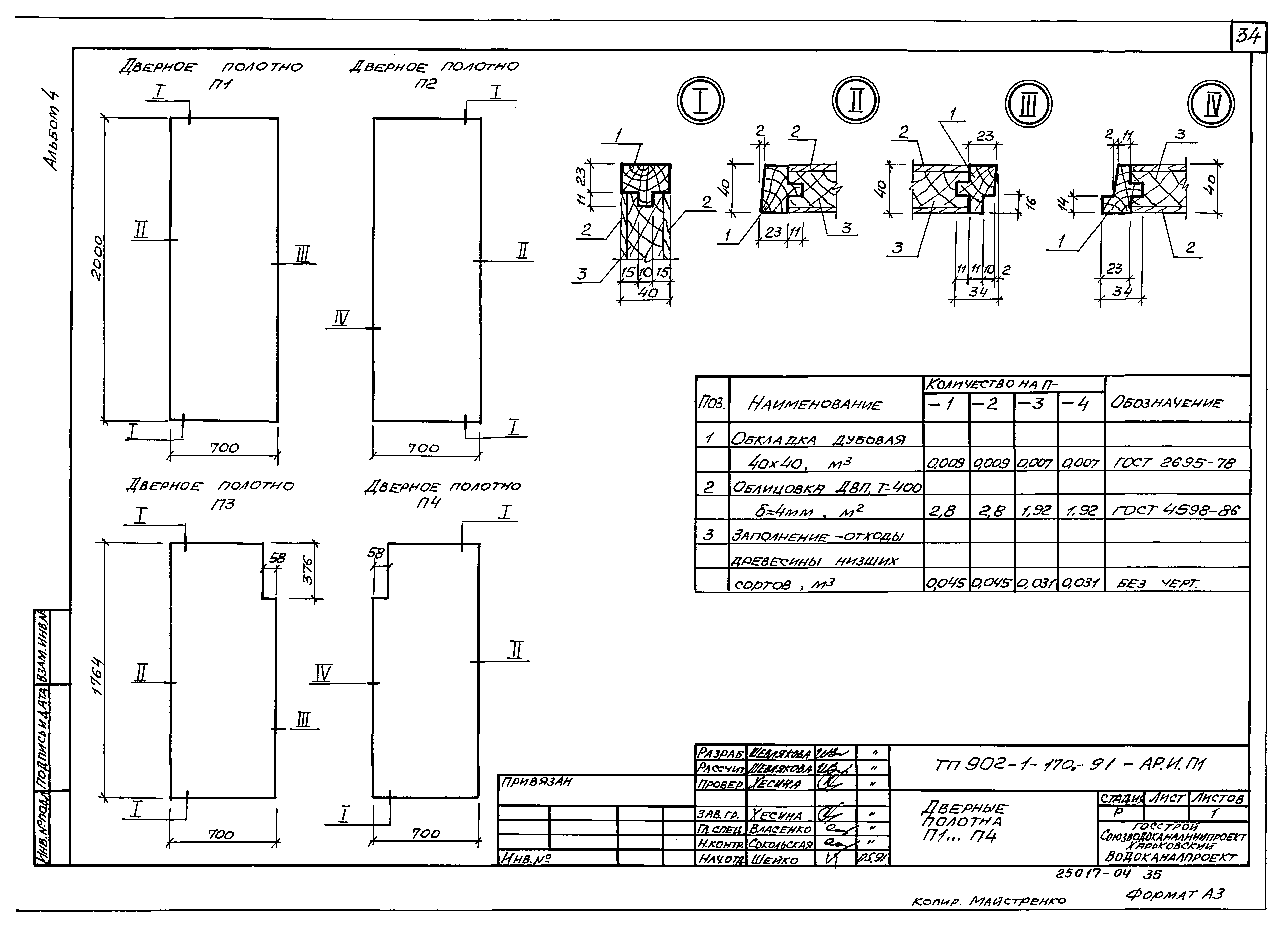
| Оглавление: | Содержание альбома Чертежи основного комплекта марки КЖ1 Технические требования Балки Решетка Плиты Каркас Перемычка Опорная подушка Изделие закладное Каркасы Изделие соединительное Изделие закладное Каркасы Сетки Изделие соединительное Изделия закладные Чертежи основного комплекта марки АР Содержание выпуска Технические требования Дверной блок Дверные полотна Коробка Накладка |
| Разработан: | Харьковский Водоканалпроект |
| Утверждён: | 15.05.1991 СоюзводоканалНИИпроект (SoyuzvodokanalNIIproject 9) |
| Заменяет собой: |



































