Скачать Типовой проект 407-3-226 Альбом I. Пояснительная записка и чертежиДата актуализации: 01.01.2021
|
| Обозначение: | Типовой проект 407-3-226 |
| Обозначение англ: | 407-3-226 |
| Статус: | не действует |
| Название рус.: | Альбом I. Пояснительная записка и чертежи |
| Дата добавления в базу: | 01.10.2014 |
| Дата актуализации: | 01.01.2021 |
| Дата введения: | 30.04.1975 |
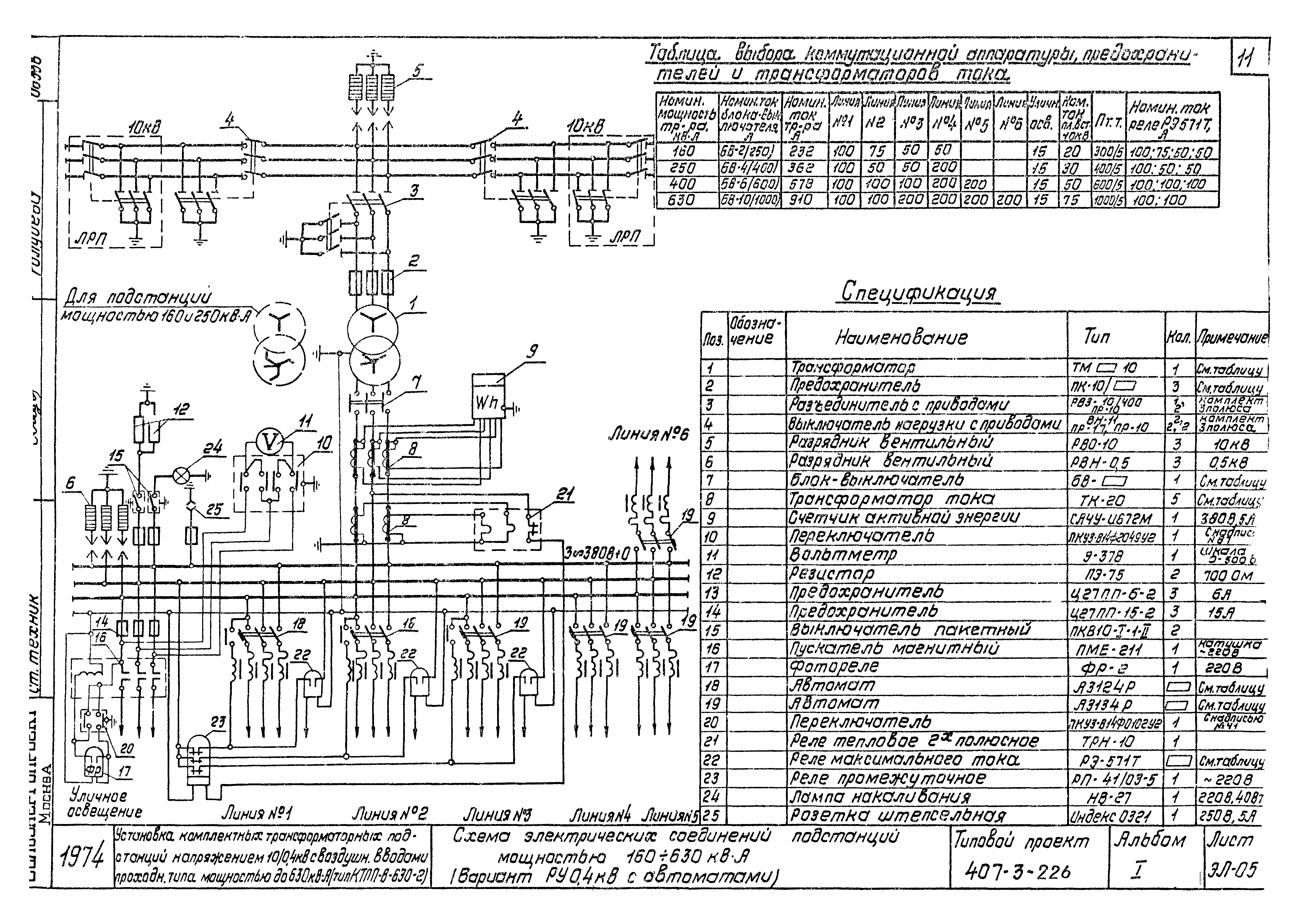
| Оглавление: | Пояснительная записка Спецификации Схема электрических соединений подстанции мощностью 160 кВА Схема электрических соединений подстанции мощностью 250 кВА Схема электрических соединений подстанции мощностью 400 кВА Схема электрических соединений подстанции мощностью 630 кВА Схема электрических соединений подстанций мощностью 160 - 630 кВА (вариант РУ0,4 кВ с автоматами) Общий вид КТПП-В-630-2 КТПП-В-630-2. Разрезы I-I и II-II КТПП-В-630-2. Разрез III-III Присоединение ВЛ 10 и 0,4 кВ к подстанции (пример) Схема блокировки подстанции Фундамент под КТПП. Вариант I Фундамент под КТПП. Вариант II Фундамент под КТПП. Вариант III |
| Разработан: | Сельэнергопроект |
| Утверждён: | 12.03.1975 Минэнерго СССР (USSR Minenergo 50) |
| Чем заменён: |



















