Скачать Типовой проект 903-2-37.91 Альбом 6. Строительные изделияДата актуализации: 01.01.2021
|
| Обозначение: | Типовой проект 903-2-37.91 |
| Обозначение англ: | 903-2-37.91 |
| Статус: | не определен законодательством |
| Название рус.: | Альбом 6. Строительные изделия |
| Дата добавления в базу: | 01.10.2014 |
| Дата актуализации: | 01.01.2021 |
| Дата введения: | 22.01.1992 |
| Дата окончания срока действия: | 30.06.2003 |
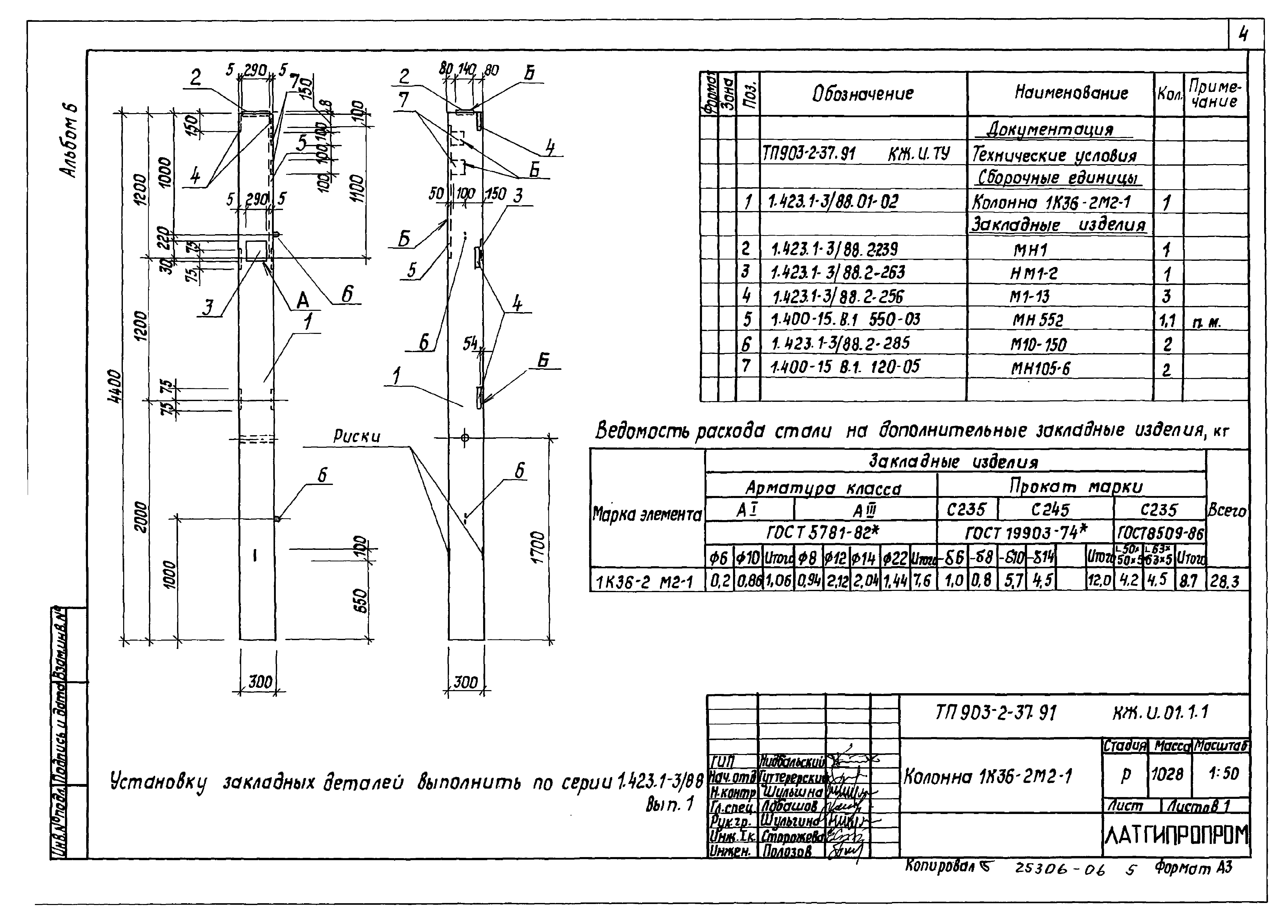
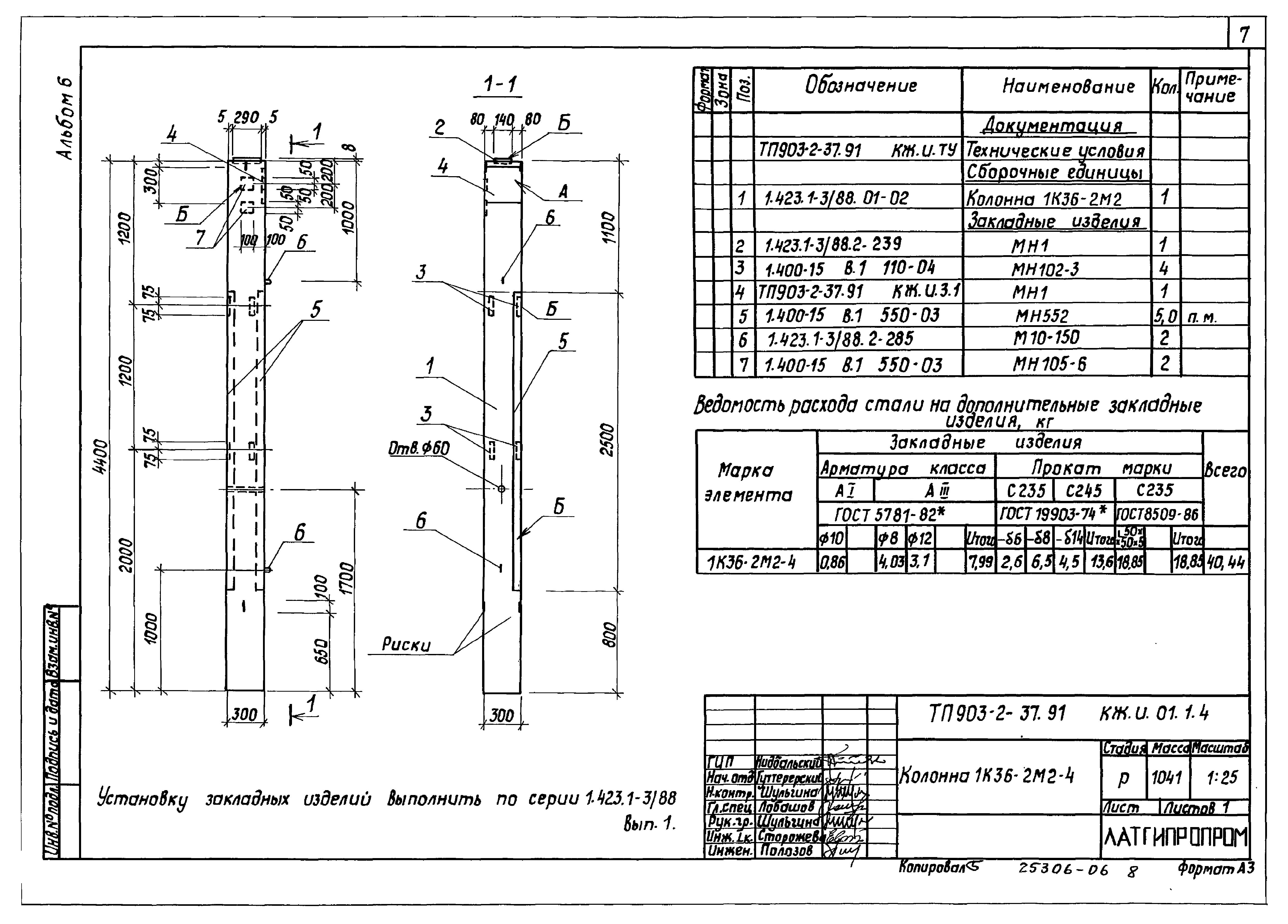
| Оглавление: | Содержание альбома КЖ.И.ТУ Технические условия КЖ.И.6.2 Сетка С1 КЖ.И.01.1.1 Колонна 1К36-2М2-1 КЖ.И.01.1.2 Колонна 1К36-2М2-2 КЖ.И.01.1.3 Колонна 1К36-2М2-3 КЖ.И.01.1.4 Колонна 1К36-2М2-4 КЖ.И.01.1.5 Колонна 1К36-2М2-5 КЖ.И.01.1.6 Колонна 1К36-2М2-6 КЖ.И.01.1.7 Колонна 1К36-2М2-7 КЖ.И.01.1.8 Колонна 1К36-2М2-8 КЖ.И.01.2.1 Колонна 1КФ37-1-Н-1 КЖ.И.01.2.2 Колонна 1КФ37-1-Н-2 КЖ.И.02.1.1 Балка 1БСП12-3АIV-Н-1 КЖ.И.02.1.2 Балка 1БСП12-3АIV-Н-2 КЖ.И.02.1.3 Балка 1БСП12-3АIV-Н-3 КЖ.И.1.1 Столик РК1-1 КЖ.И.1.2 Столик РК1-2 КЖ.И.2.1 Насадка НФ1 КЖ.И.3.1 Закладное изделие МН1 КЖ.И.3.2 Закладное изделие МН2 КЖ.И.3.3 Закладное изделие МН3 КЖ.И.3.4 Закладное изделие МН4 КЖ.И.3.5 Закладное изделие МН5 КЖ.И.3.6 Закладное изделие МН6 КЖ.И.4.1 Рама Р-1 КЖ.И.5.1 Каркас плоский Кр1 КЖ.И.6.1 Сетка С2 |
| Разработан: | Латгипропром |
| Утверждён: | 22.01.1992 ГПКНИИ Сантехниипроект (30) |




















