Скачать Типовой проект 903-1-178 Альбом IX. Схемы управления электродвигателями (из ТП 903-1-174)Дата актуализации: 01.01.2021
|
| Обозначение: | Типовой проект 903-1-178 |
| Обозначение англ: | 903-1-178 |
| Статус: | заменен |
| Название рус.: | Альбом IX. Схемы управления электродвигателями (из ТП 903-1-174) |
| Дата добавления в базу: | 01.10.2014 |
| Дата актуализации: | 01.01.2021 |
| Дата введения: | 09.01.1980 |
| Дата окончания срока действия: | 01.11.1987 |
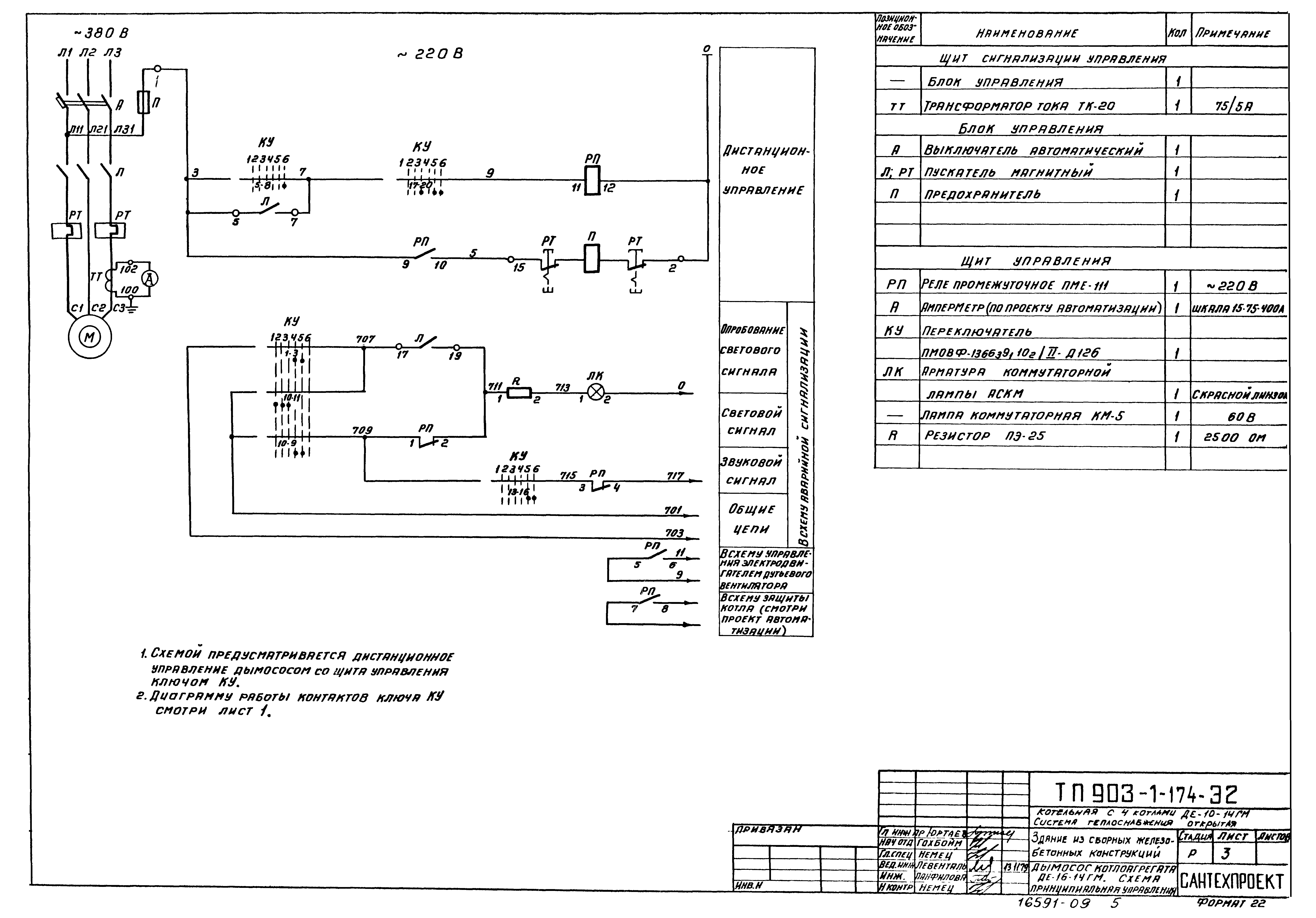
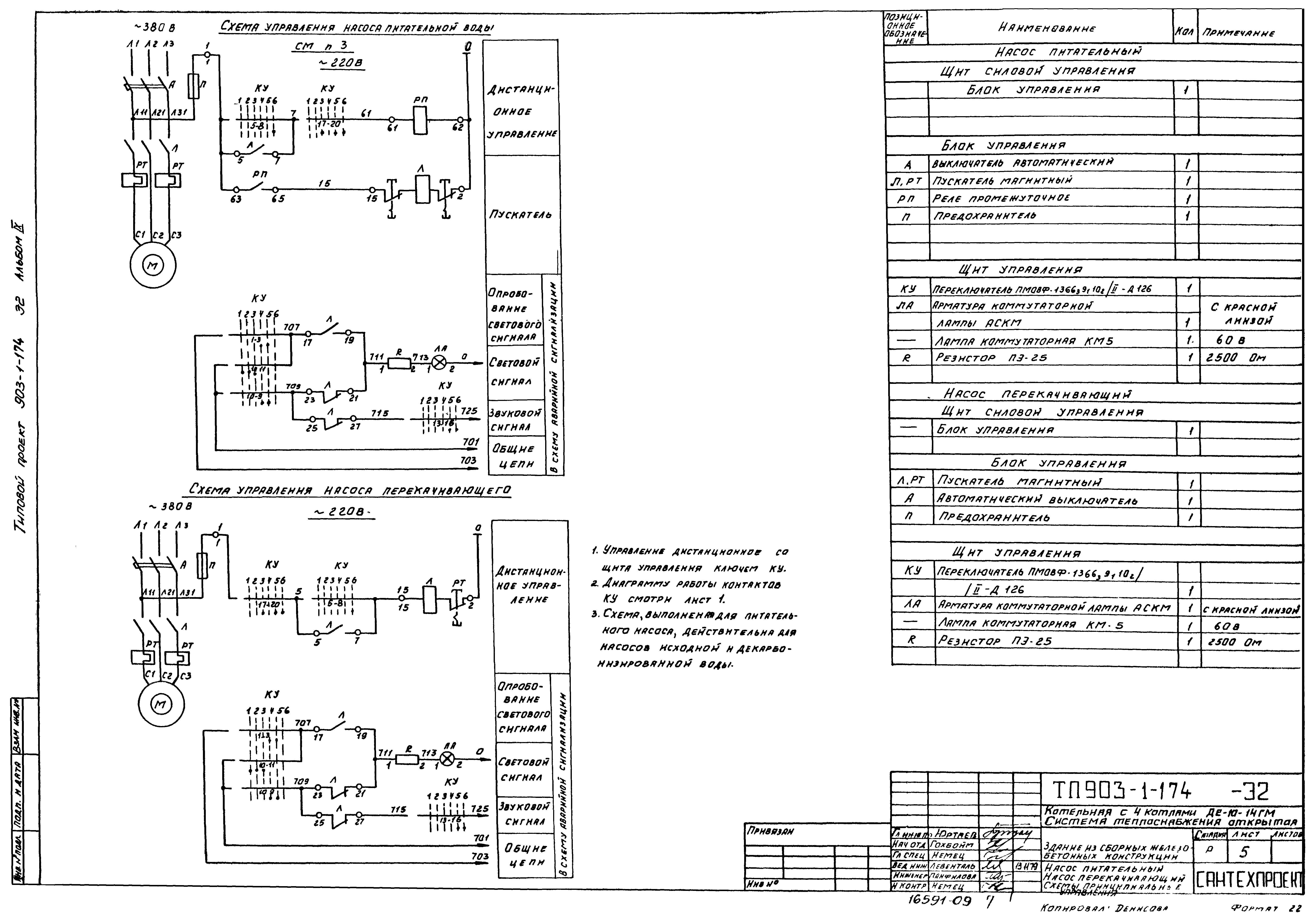
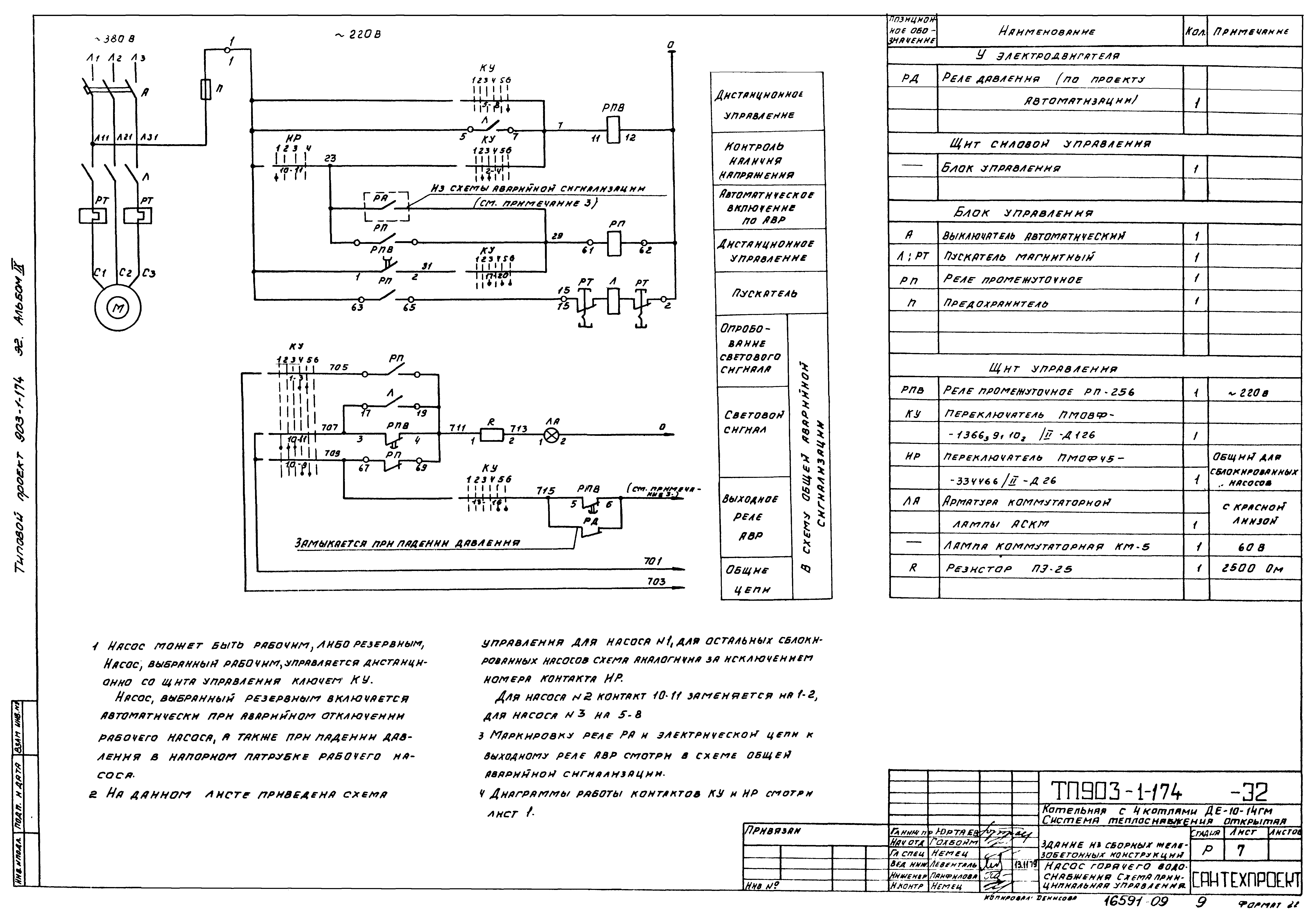
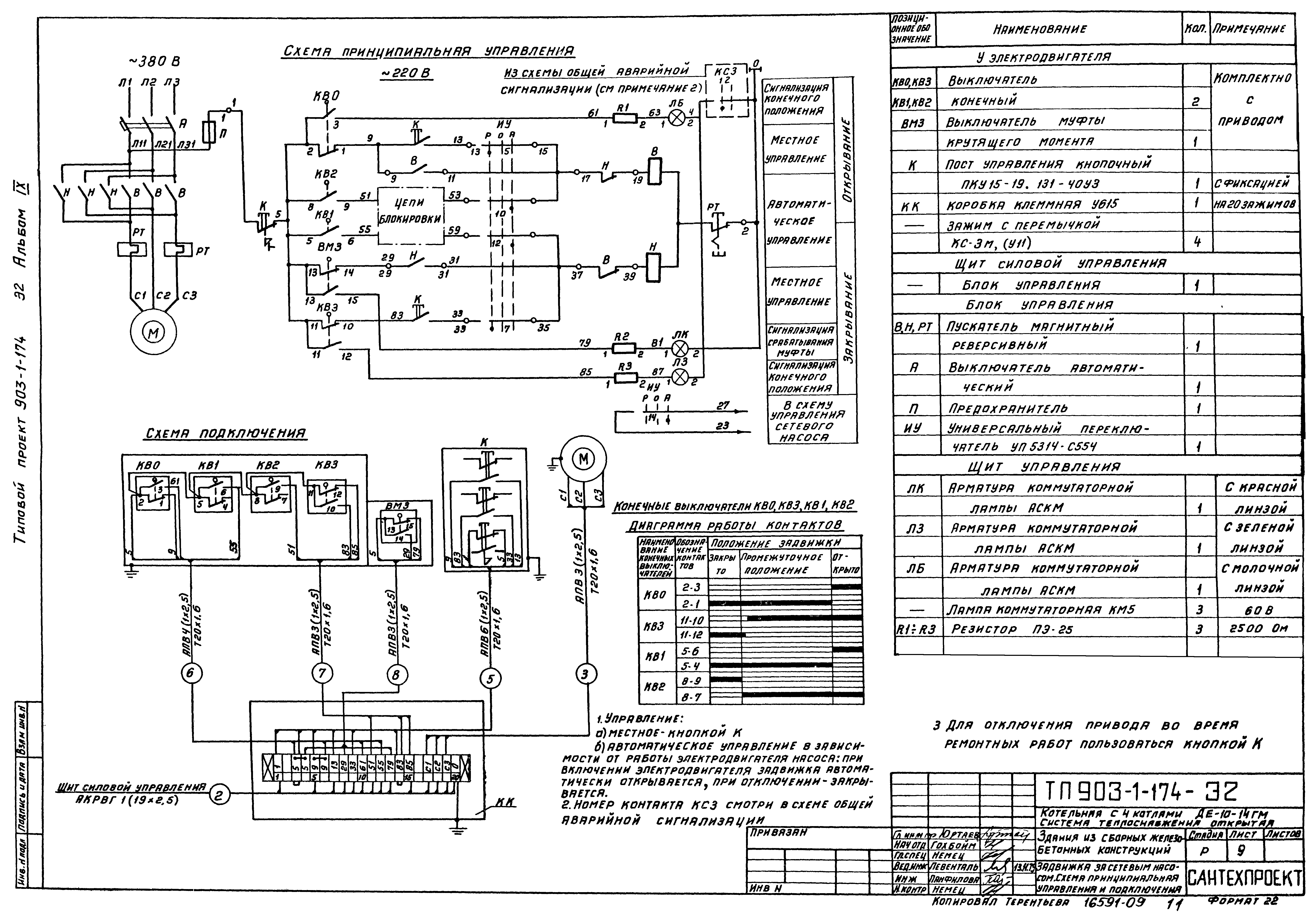
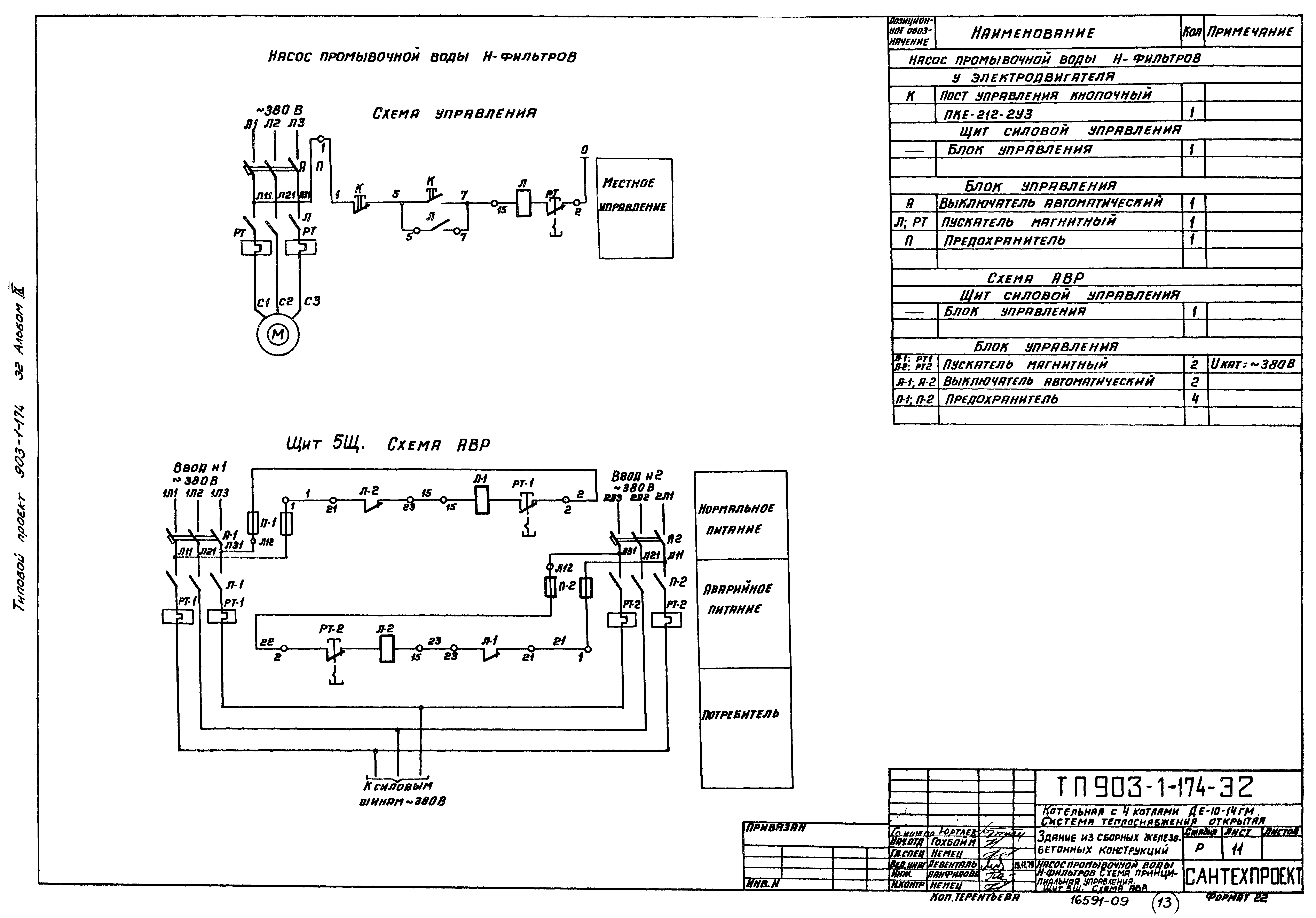
| Оглавление: | Схема управления. Общие данные Дымосос котлоагрегата ДЕ-10-14ГМ. Схема принципиальная управления Дымосос котлоагрегата ДЕ-16-14ГМ. Схема принципиальная управления Вентилятор дутьевой. Схема принципиальная управления Насос питательный. Насос перекачивающий. Схемы принципиальные управления Насос сетевой. Схема принципиальная управления Насос горячего водоснабжения. Схема принципиальная управления Вентилятор к декарбонизатору. Насос-дозатор щелочи. Схемы принципиальные управления и подключения Задвижка за сетевым насосом. Схема принципиальная управления и подключения Схема общей аварийной сигнализации электродвигателей Насос промывочной воды Н-фильтров. Схема принципиальная управления. Щит 5Щ. Схема АВР |
| Разработан: | ЦНИИпроектстальконструкция Проектный институт №2 Сантехпроект |
| Утверждён: | 09.01.1980 Сантехниипроект (4) |
| Чем заменён: |













