Скачать Типовой проект 902-2-431.87 Альбом III. Строительные изделияДата актуализации: 01.01.2021
|
| Обозначение: | Типовой проект 902-2-431.87 |
| Обозначение англ: | 902-2-431.87 |
| Статус: | не определен законодательством |
| Название рус.: | Альбом III. Строительные изделия |
| Дата добавления в базу: | 01.10.2014 |
| Дата актуализации: | 01.01.2021 |
| Дата введения: | 28.05.1987 |
| Дата окончания срока действия: | 30.06.2003 |
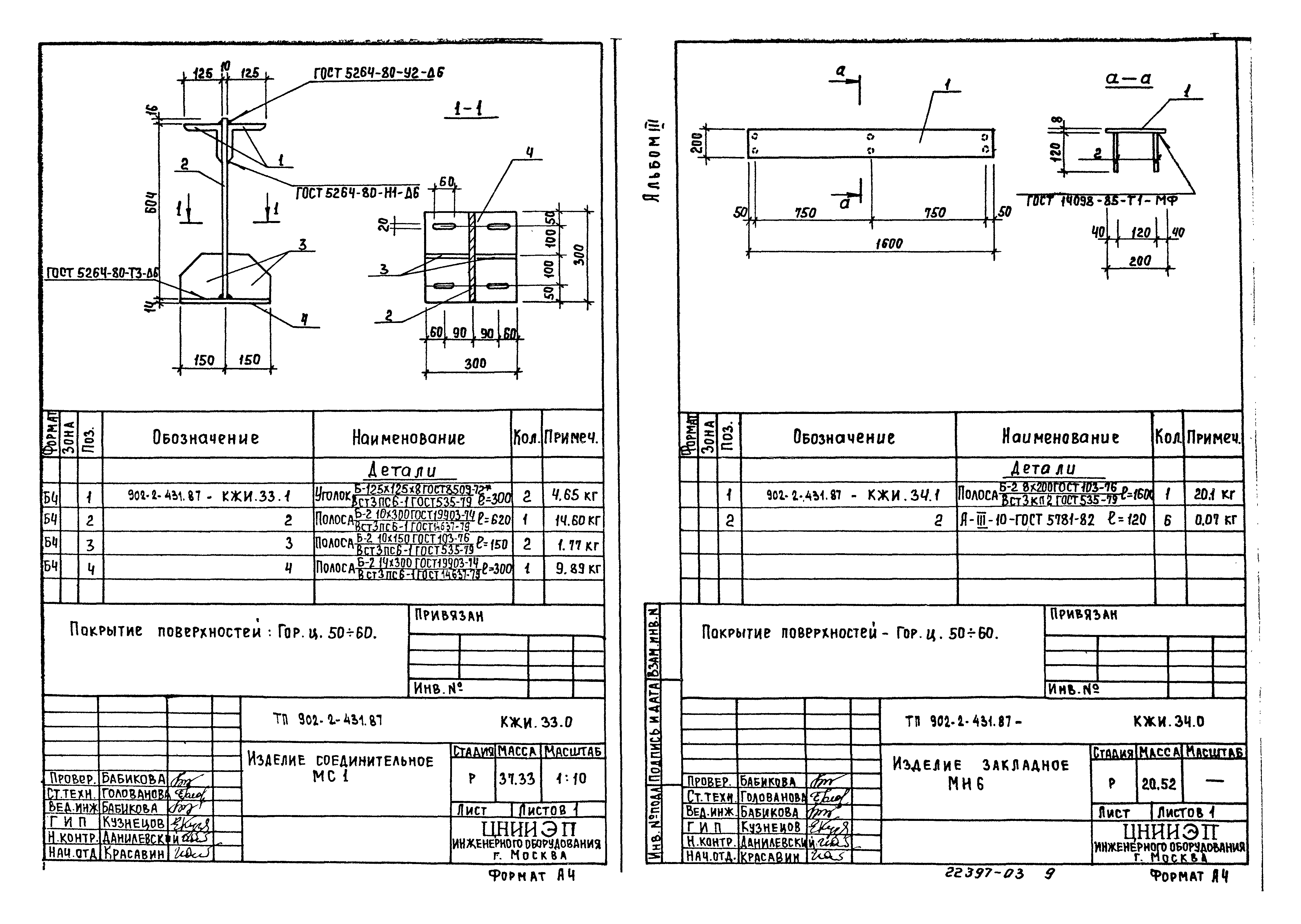
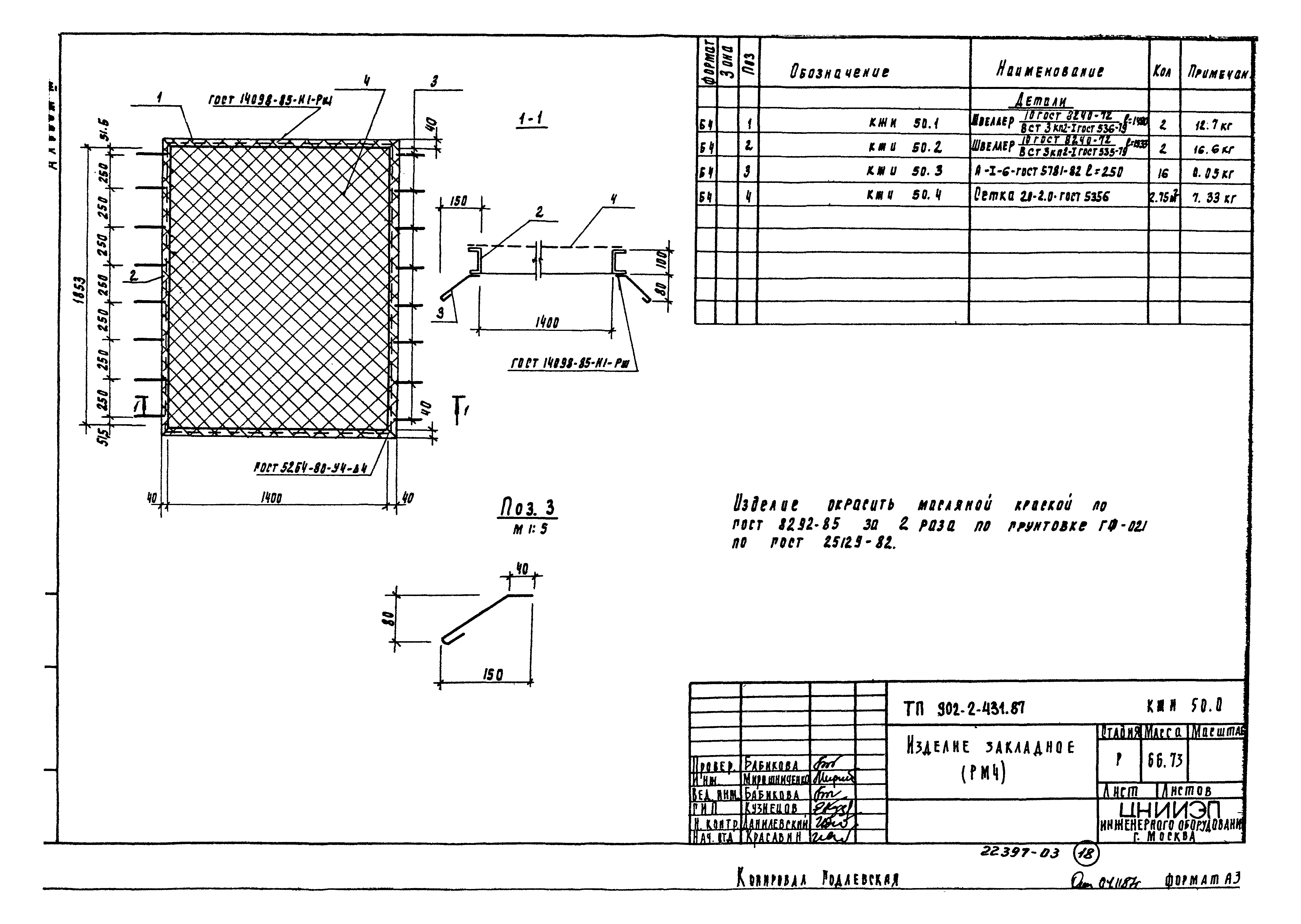
| Оглавление: | КЖИ.01.0 Колонна (К54-7-1; К54-7-2) КЖИ.02.0 Колонна (1КФ67-1-1) КЖИ.11.0 Балка покрытия (1БДР12-3АVТ-1) КЖИ.21.0 Плиты покрытия (ПГ-2АтVТ-1 - ПГ-2АтVТ-3) КЖИ.31.0 Щит металлический (Щ1, Щ2) КЖИ.32.0 Щит металлический (Щ3, Щ4) КЖИ.33.0 Изделие соединительное (МС1) КЖИ.34.0 Изделие закладное (МН6) КЖИ.35.0 Решетка металлическая (Р1) КЖИ.36.0 Решетка металлическая (Р2) КЖИ.37.0 Решетка жалюзийная (ВЖ1) КЖИ.38.0 Изделие закладное (РМ3) КЖИ.39.0 Изделие закладное (РМ1) КЖИ.40.0 Изделие закладное (РМ2) КЖИ.41.0 Сетка арматурная (С1, С2, С10, С11) КЖИ.42.0 Сетка арматурная (С3, С4) КЖИ.43.0 Сетка арматурная (С5, С6) КЖИ.44.0 Сетка арматурная (С7, С8) КЖИ.45.0 Сетка арматурная (С9) КЖИ.46.0 Каркас арматурный (КР1) КЖИ.47.0 Сетка арматурная (С12, С13) КЖИ.48.0 Изделие соединительное (МС3) КЖИ.49.0 Изделие закладное (МН4) КЖИ.50.0 Изделие закладное (РМ4) |
| Разработан: | ЦНИИЭП инженерного оборудования |
| Утверждён: | 28.05.1987 Госгражданстрой (Gosgrazhdanstroy 166) |
| Издан: | ЦИТП Госстроя СССР (CITP, Gosstroy (USSR) 1988 г. ) |
| Заменяет собой: |
|


















