Скачать ГОСТ IEC 60947-6-2-2013 Аппаратура распределения и управления низковольтная. Часть 6-2. Оборудование многофункциональное. Коммутационные устройства (или оборудование) управления и защитыДата актуализации: 01.01.2021
|
| Обозначение: | ГОСТ IEC 60947-6-2-2013 |
| Обозначение англ: | 60947-6-2-2013 |
| Статус: | введен впервые |
| Название рус.: | Аппаратура распределения и управления низковольтная. Часть 6-2. Оборудование многофункциональное. Коммутационные устройства (или оборудование) управления и защиты |
| Название англ.: | Low-voltage switchgear and controlgear. Part 6-2. Multiple function equipment. Control and protective switching devices (or equipment) |
| Дата добавления в базу: | 12.02.2016 |
| Дата актуализации: | 01.01.2021 |
| Дата введения: | 01.01.2015 |
| Область применения: | Стандарт распространяется на коммутационные устройства (или оборудование) управления и защиты (далее - КУУЗ), выводы главных цепей которых предназначены для подсоединения к цепям на номинальное напряжение не более 1000 В переменного тока или 1500 В постоянного тока. КУУЗ предназначены для выполнения как функций защиты, так и управления, кроме КУУЗ ручного управления. Они также могут выполнять дополнительные функции, например разъединения. Имеющиеся в КУУЗ цифровые входы и/или выходы должны быть совместимы с программируемыми контроллерами по IEC 61131-2. Целью стандарта является установление: - характеристик КУУЗ; - условий, которым должны соответствовать КУУЗ в части срабатывания и поведения, электроизоляционных свойств, степени защиты, обеспечиваемой оболочкой (при ее наличии); - испытаний для проверки соответствия данным условиям и методик, принятых для этих испытаний; - информации, маркируемой на КУУЗ или предоставляемой с ними. |
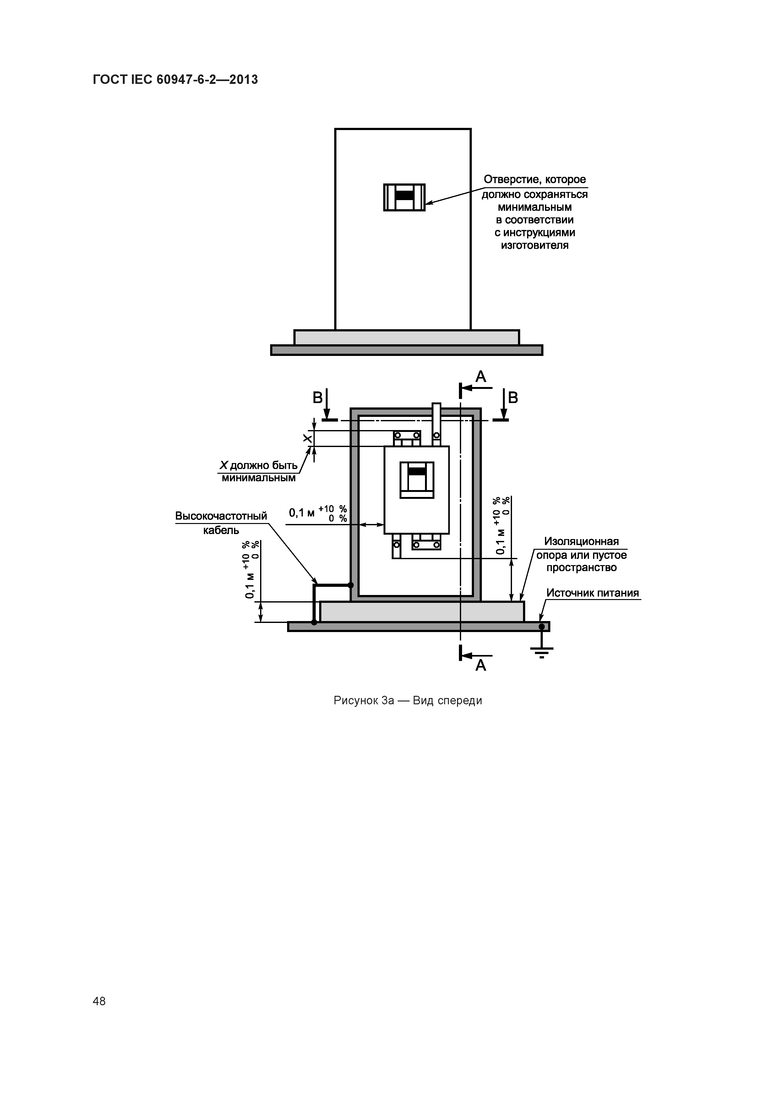
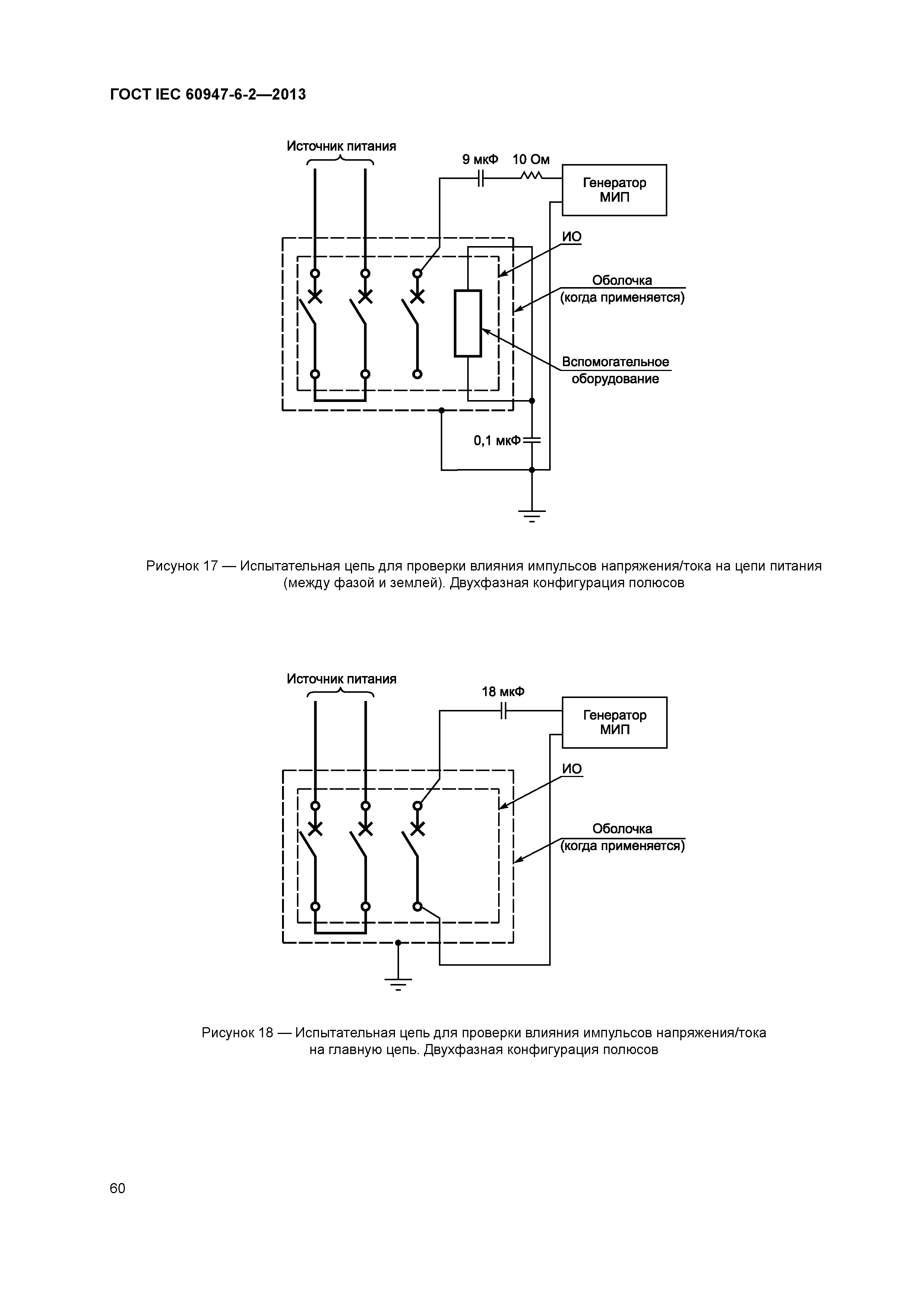
| Оглавление: | 1 Область применения 2 Нормативные ссылки 3 Термины и определения 4 Классификация 5 Характеристики 5.1 Перечень характеристик 5.2 Тип КУУЗ 5.3 Номинальные и предельные значения параметров главной цепи 5.4 Категории применения 5.5 Цепи управления 5.6 Вспомогательные цепи 5.7 Реле и расцепители 6 Информация об изделии 6.1 Характер информации 6.2 Маркировка 6.3 Инструкции по монтажу, эксплуатации и обслуживанию 7 Нормальные условия эксплуатации, монтажа и транспортирования 8 Требования к конструкции и работоспособности 8.1 Требования к конструкции 8.2 Требования к работоспособности 8.3 Электромагнитная совместимость (ЭМС) 9 Испытания 9.1 Виды испытаний 9.2 Соответствие требованиям к конструкции 9.3 Соответствие требованиям к работоспособности 9.4 Циклы испытаний 9.5 Контрольные испытания Приложение A (обязательное) Специальные испытания Приложение B Свободное Приложение C (обязательное) Маркировка и идентификация выводов КУУЗ Приложение D (справочное) Вопросы, подлежащие согласованию между изготовителем и потребителем Приложение E (справочное) Примеры конфигураций цепей управления Приложение F (обязательное) Согласование в условиях короткого замыкания КУУЗ и другого устройства защиты от короткого замыкания, объединенных в одной цепи Приложение G (обязательное) Последовательность испытаний КУУЗ для систем IТ Приложение H (обязательное) Расширенные функции электронных реле или расцепителей перегрузки Приложение ДА (справочное) Сведения о соответствии межгосударственных стандартов ссылочным международным стандартам |
| Разработан: | БелГИСС |
| Утверждён: | 27.09.2013 Межгосударственный Совет по стандартизации, метрологии и сертификации (Inter-Governmental Council on Standardization, Metrology, and Certification 59-П) 11.03.2014 Федеральное агентство по техническому регулированию и метрологии (116-ст) |
| Издан: | Стандартинформ (2015 г. ) |
| Список изменений: |
|
| Нормативные ссылки: |





























































































Текстовое изменение Поправка от 14.08.2019