Скачать Типовой проект 901-6-98.89 Альбом 4. Изделия строительныеДата актуализации: 01.01.2021
|
| Обозначение: | Типовой проект 901-6-98.89 |
| Обозначение англ: | 901-6-98.89 |
| Статус: | не определен законодательством |
| Название рус.: | Альбом 4. Изделия строительные |
| Дата добавления в базу: | 01.10.2014 |
| Дата актуализации: | 01.01.2021 |
| Дата введения: | 17.10.1989 |
| Дата окончания срока действия: | 30.06.2003 |
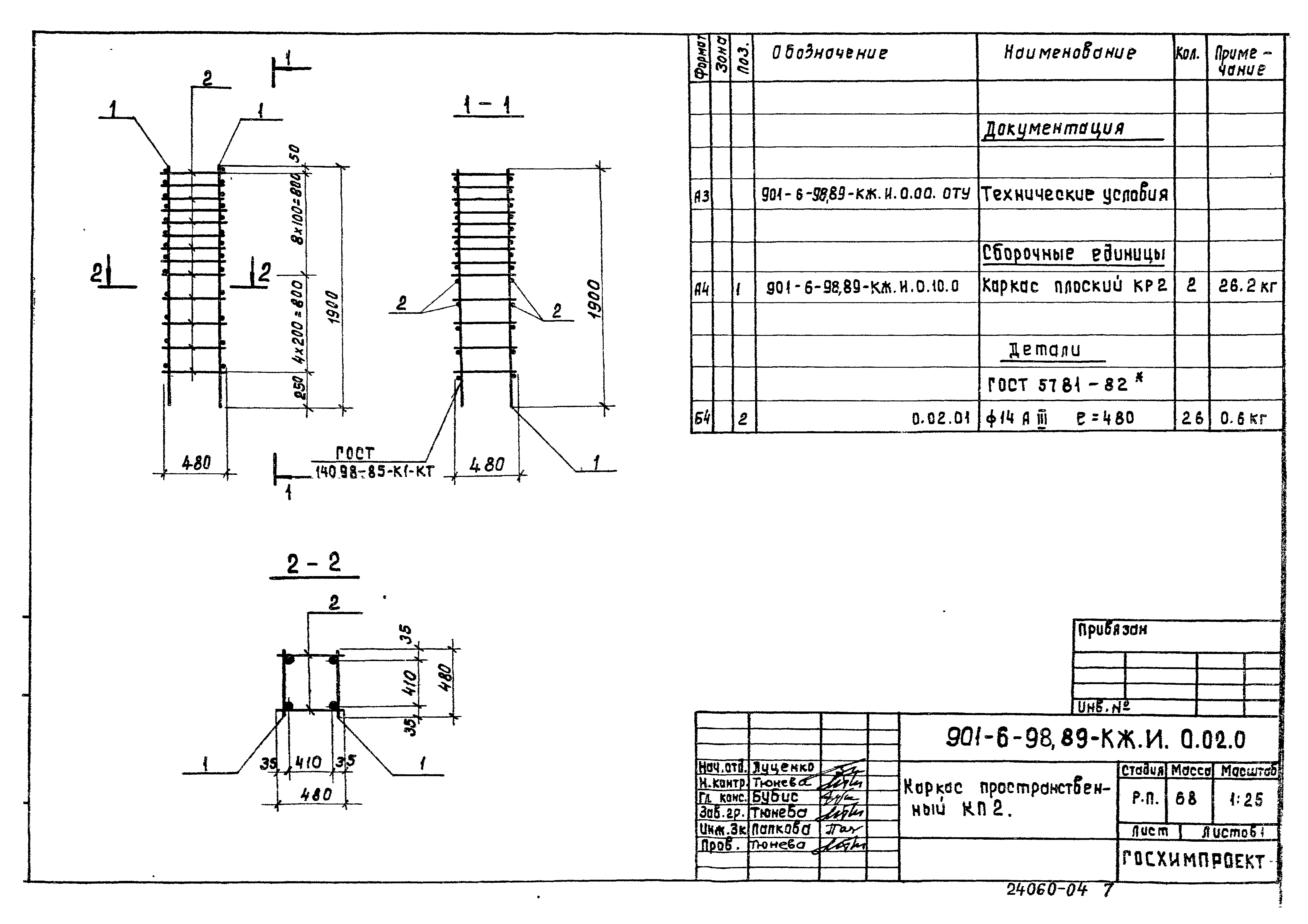
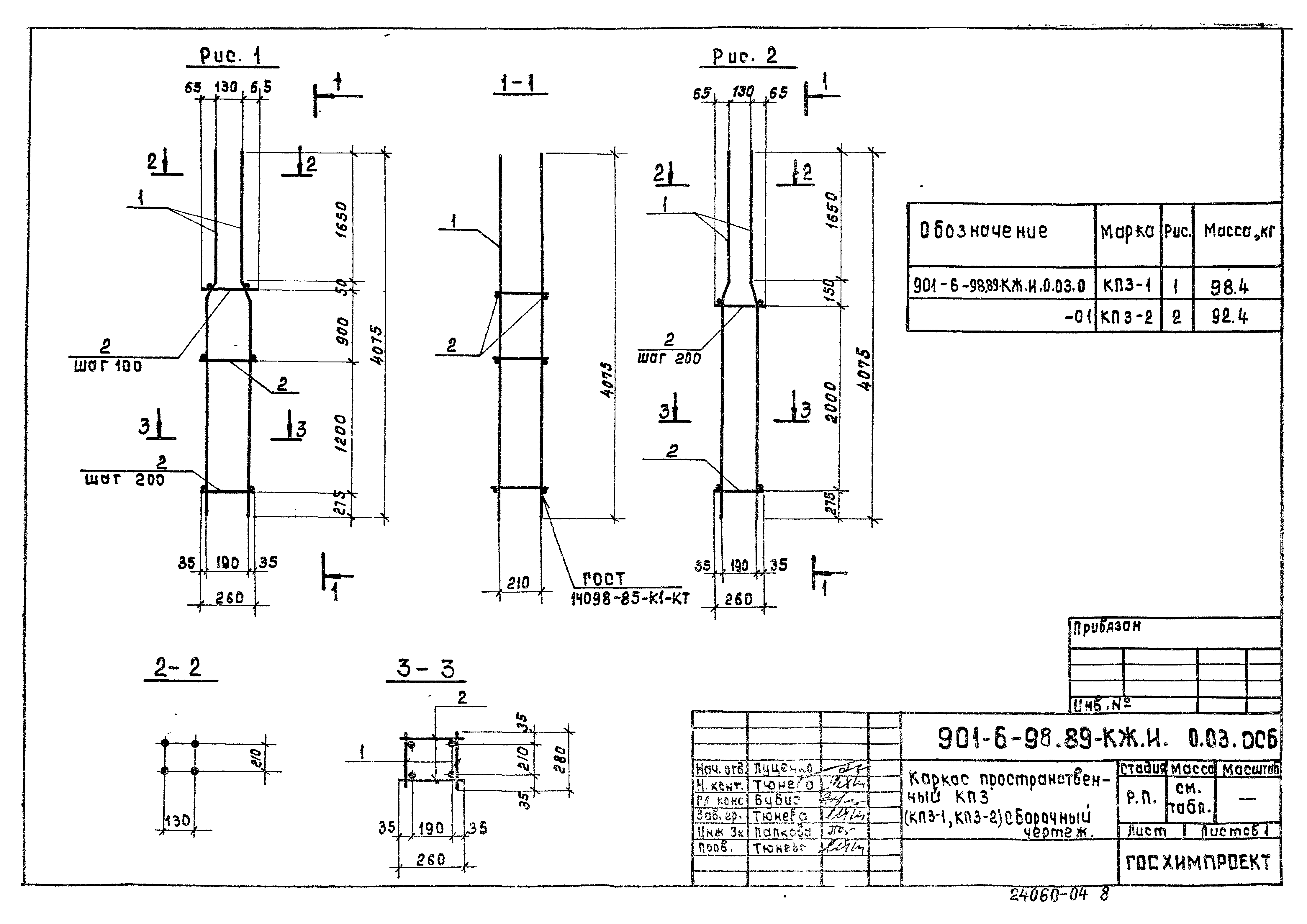
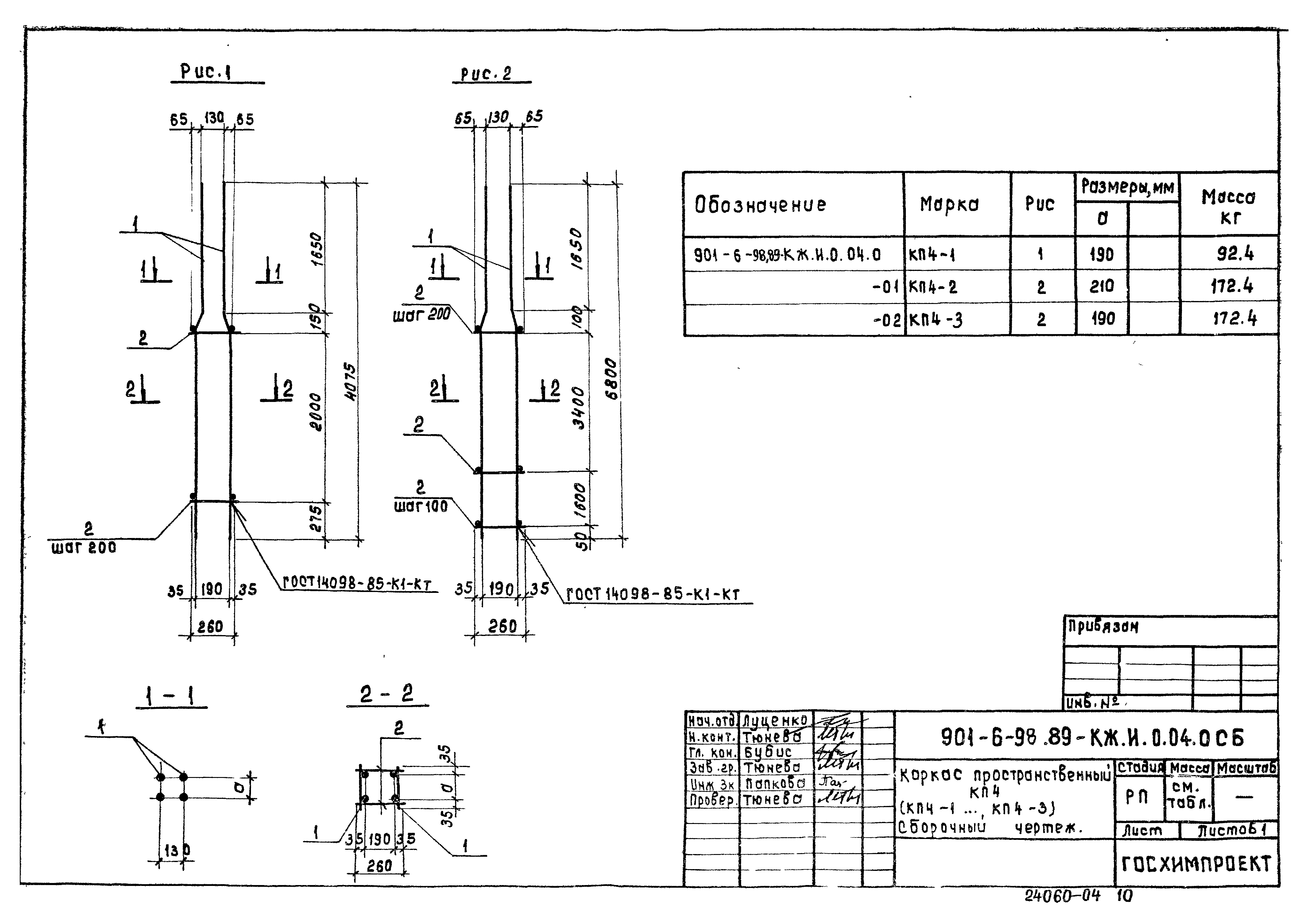
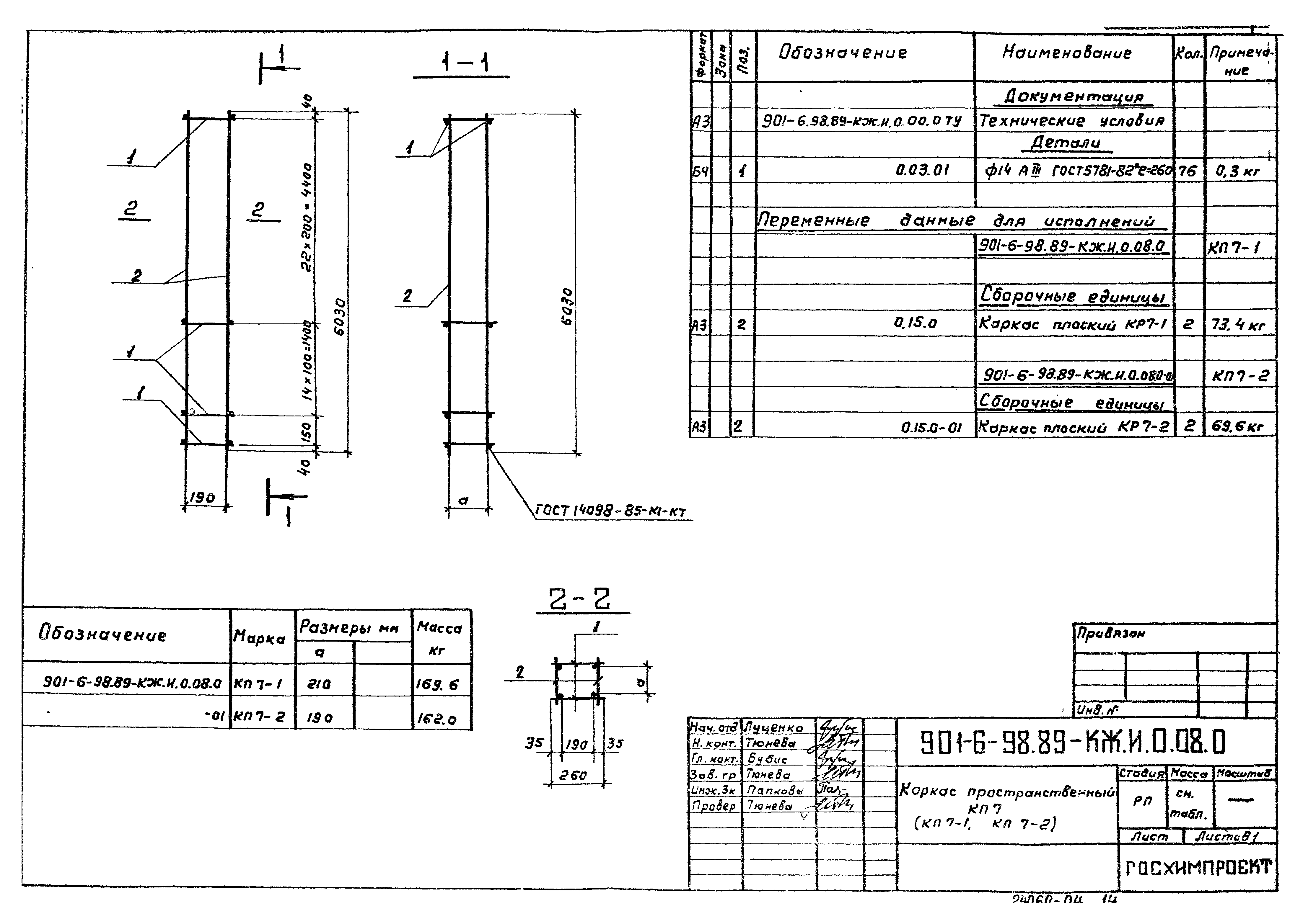
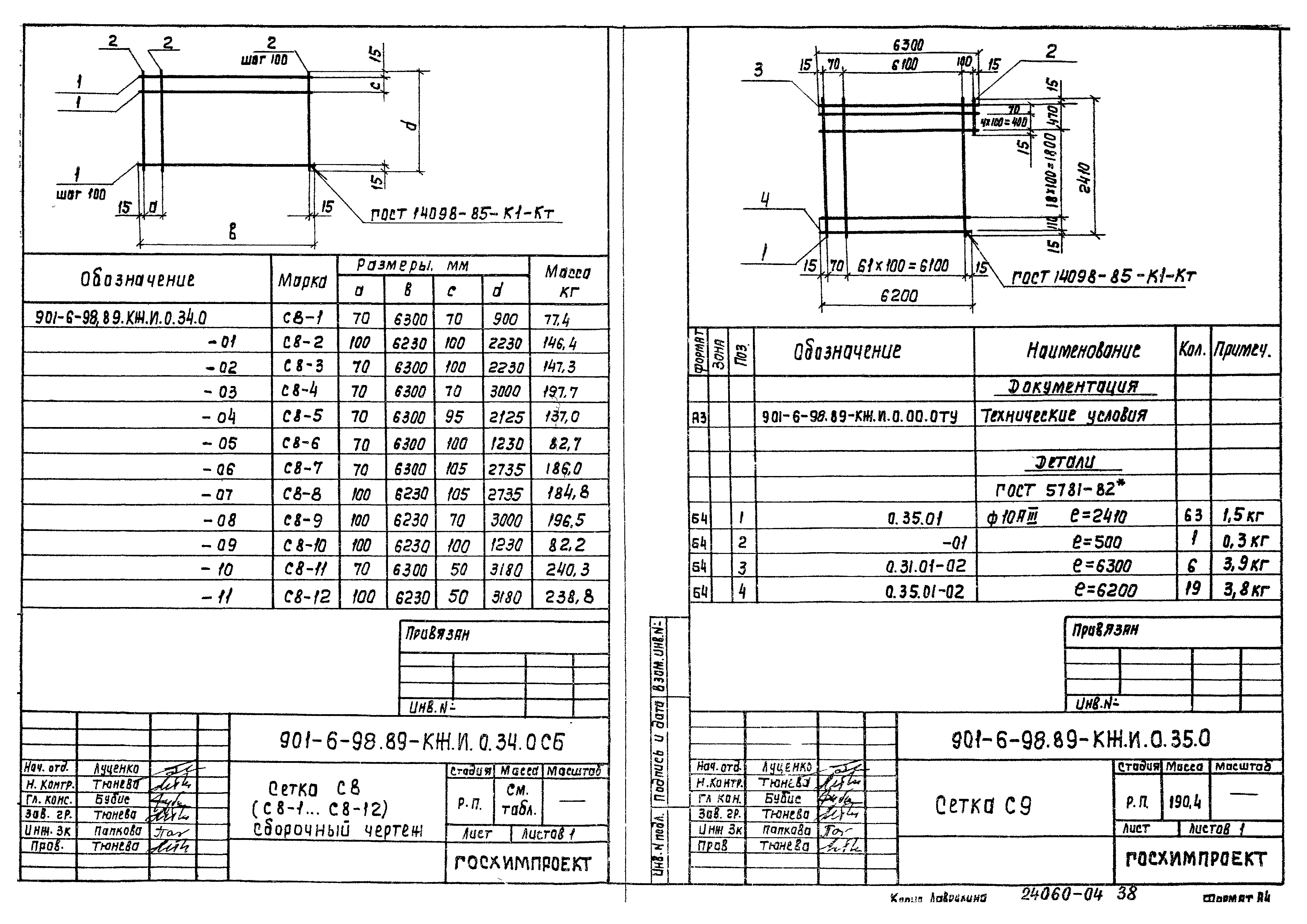
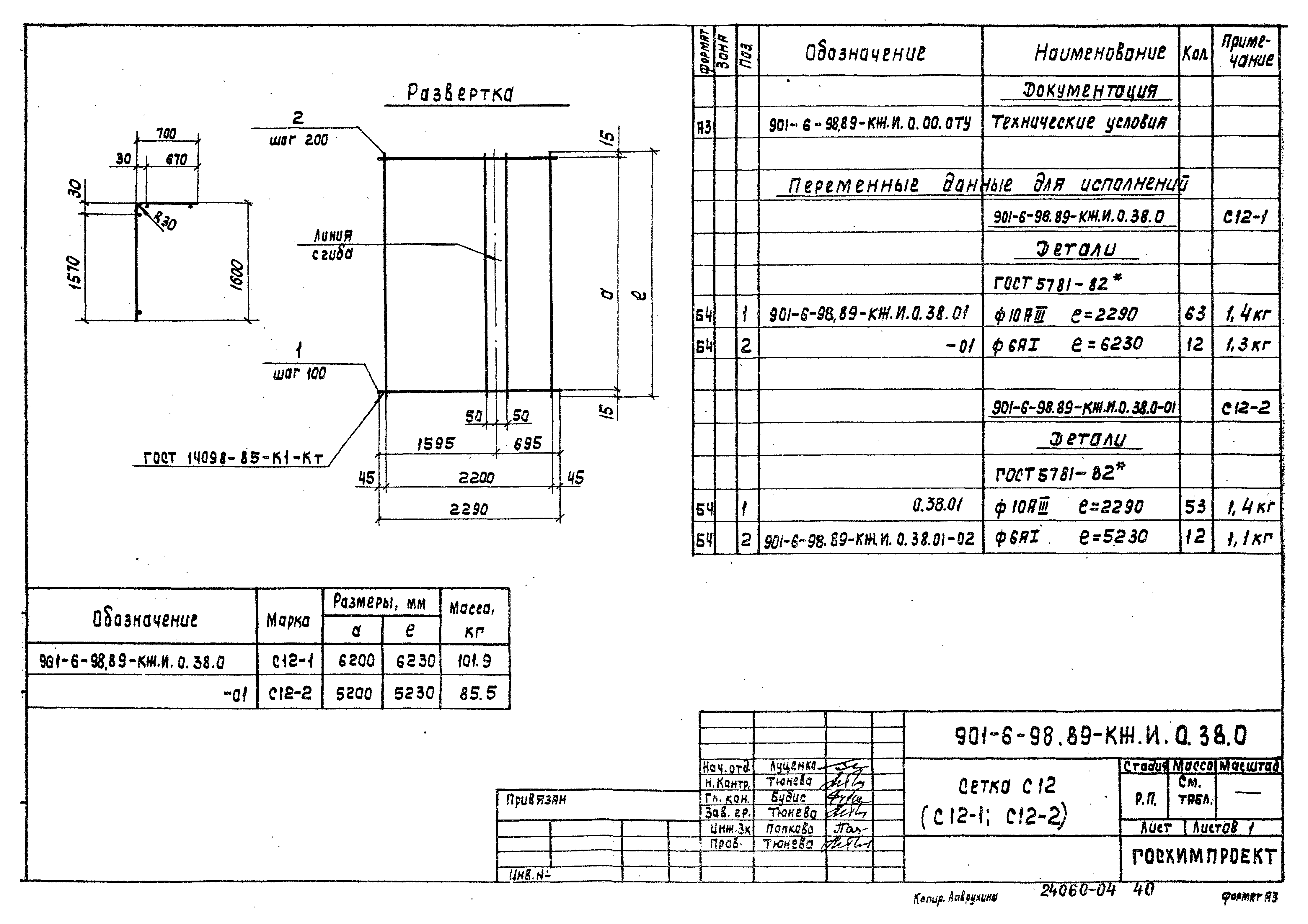
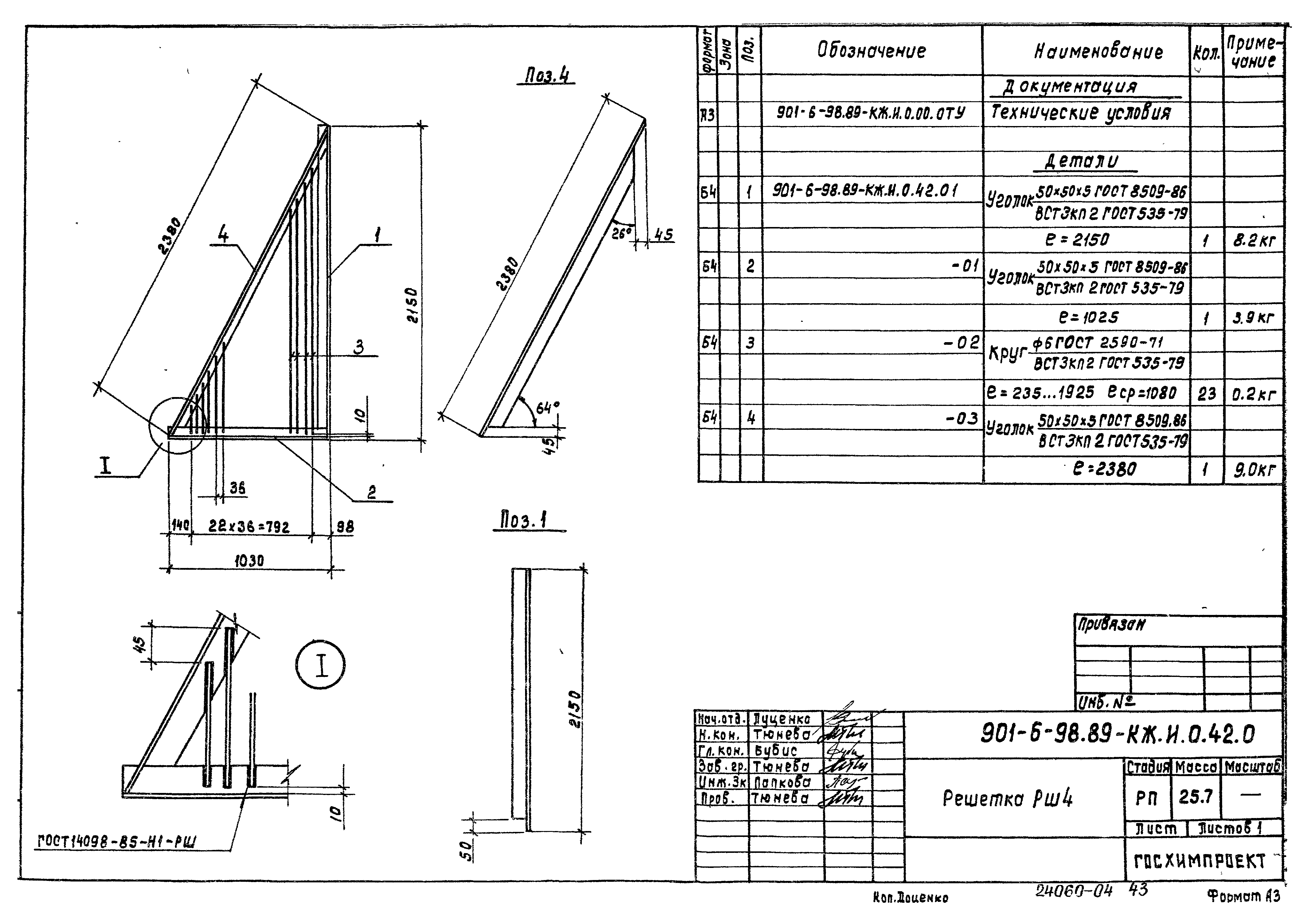
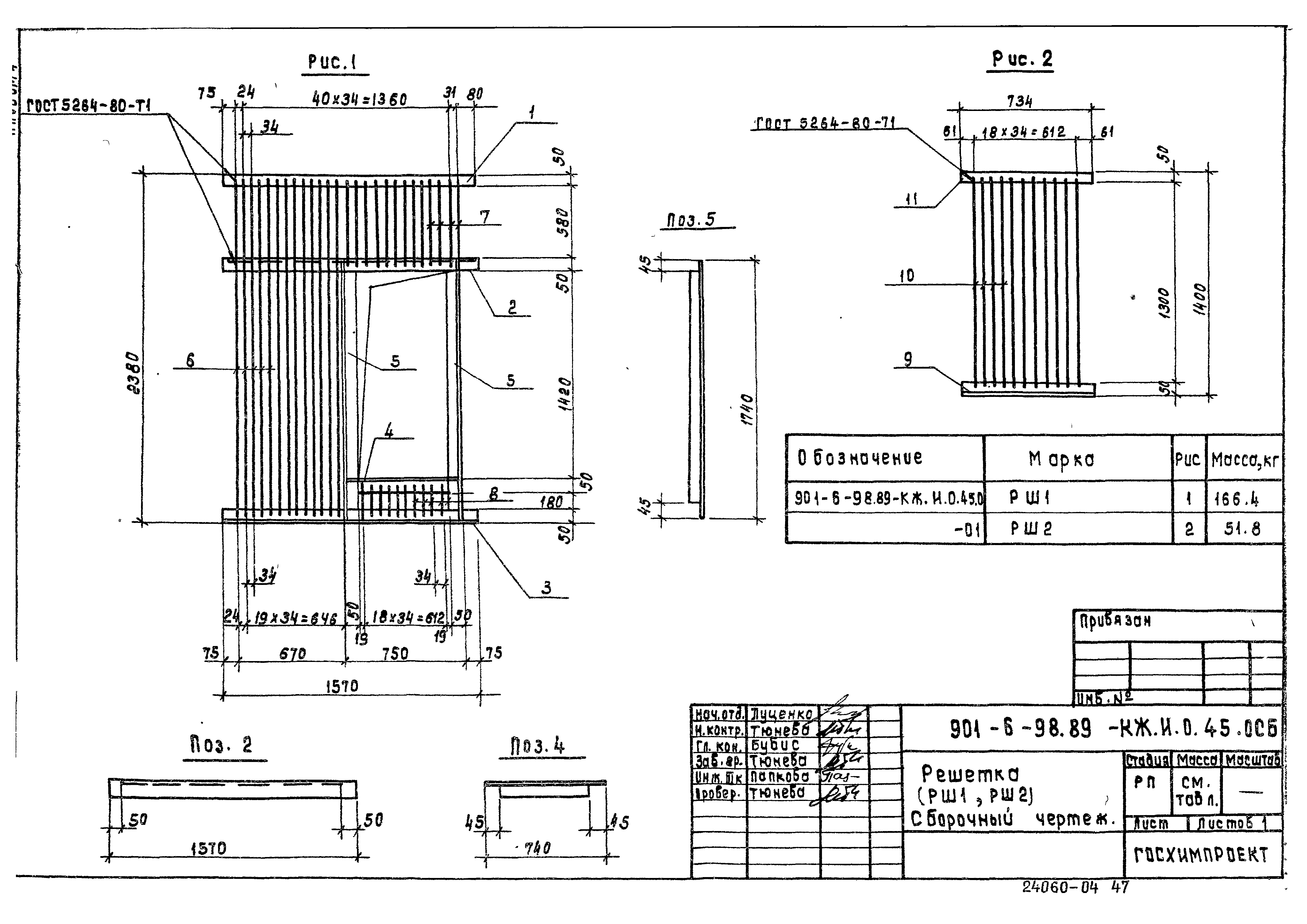
| Оглавление: | 901-6-98.89-КЖ.И.0.00.0ДО Содержание 901-6-98.89-КЖ.И.0.00.0ТУ Технические условия 901-6-98.89-КЖ.И.0.01.0 Каркас пространственный КП1 (КП1-1, КП1-2) 901-6-98.89-КЖ.И.0.01.0СБ Каркас пространственный КП1 (КП1-1, КП1-2). Сборочный чертеж 901-6-98.89-КЖ.И.0.02.0 Каркас пространственный КП2 901-6-98.89-КЖ.И.0.03.0СБ Каркас пространственный КП3 (КП3-1, КП3-2). Сборочный чертеж 901-6-98.89-КЖ.И.0.03.0 Каркас пространственный КП3 (КП3-1, КП3-2) 901-6-98.89-КЖ.И.0.04.0 Каркас пространственный КП3 (КП4-1…КП4-3) 901-6-98.89-КЖ.И.0.04.0СБ Каркас пространственный КП3 (КП4-1…КП4-3) 901-6-98.89-КЖ.И.0.05.0 Каркас пространственный КП5 (КП5-1, КП5-2) 901-6-98.89-КЖ.И.0.06.0СБ Каркас пространственный КП6 (КП6-1, КП6-2). Сборочный чертеж 901-6-98.89-КЖ.И.0.06.0 Каркас пространственный КП6 (КП6-1, КП6-2) 901-6-98.89-КЖ.И.0.07.0 Изделие закладное МН1 901-6-98.89-КЖ.И.0.08.0 Каркас пространственный КП7 (КП7-1, КП7-2) 901-6-98.89-КЖ.И.0.09.0 Каркас плоский КР1 (КР1-1, КР1-2) 901-6-98.89-КЖ.И.0.09.0СБ Каркас плоский КР1 (КР1-1, КР1-2). Сборочный чертеж 901-6-98.89-КЖ.И.0.10.0 Каркас плоский КР2 901-6-98.89-КЖ.И.0.11.0 Каркас плоский КР5 901-6-98.89-КЖ.И.0.12.0 Каркас плоский КР3 (КР3-1; КР3-2) 901-6-98.89-КЖ.И.0.13.0 Каркас плоский КР4 (КР4-1...КР4-3) 901-6-98.89-КЖ.И.0.14.0 Каркас плоский КР6 (КР6-1; КР6-2) 901-6-98.89-КЖ.И.0.15.0 Каркас плоский КР7 (КР7-1; КР7-2) 901-6-98.89-КЖ.И.0.16.0 Каркас плоский КР8 (КР8-1; КР8-2) 901-6-98.89-КЖ.И.0.17.0 Каркас плоский КР9 901-6-98.89-КЖ.И.0.18.0 Каркас плоский КР10 901-6-98.89-КЖ.И.0.19.0 Каркас плоский КР11 (КР11-1…КР11-6) 901-6-98.89-КЖ.И.0.19.0СБ Каркас плоский КР11 (КР11-1…КР11-6). Сборочный чертеж 901-6-98.89-КЖ.И.0.20.0 Каркас плоский КР13 (КР13-1…КР13-3) 901-6-98.89-КЖ.И.0.20.0СБ Каркас плоский КР13 (КР13-1…КР13-3). Сборочный чертеж 901-6-98.89-КЖ.И.0.21.0СБ Каркас плоский КР12 (КР12-1…КР12-6). Сборочный чертеж 901-6-98.89-КЖ.И.0.21.0 Каркас плоский КР12 (КР12-1…КР12-6) 901-6-98.89-КЖ.И.0.22.0 Каркас плоский КР14 901-6-98.89-КЖ.И.0.23.0 Каркас плоский КР15 901-6-98.89-КЖ.И.0.24.0 Каркас плоский КР16 901-6-98.89-КЖ.И.0.25.0 Каркас плоский КР17 901-6-98.89-КЖ.И.0.26.0 Каркас плоский КР18 901-6-98.89-КЖ.И.0.27.0 Сетка С4 901-6-98.89-КЖ.И.0.28.0 Сетка С1 (С1-1…С1-11) 901-6-98.89-КЖ.И.0.28.0СБ Сетка С1 (С1-1…С1-11). Сборочный чертеж 901-6-98.89-КЖ.И.0.29.0 Сетка С2 901-6-98.89-КЖ.И.0.30.0 Сетка С3 901-6-98.89-КЖ.И.0.31.0 Сетка С5 (С5-1; С5-2) 901-6-98.89-КЖ.И.0.32.0 Сетка С6 (С6-1…С6-3) 901-6-98.89-КЖ.И.0.33.0 Сетка С7 (С7-1; С7-2) 901-6-98.89-КЖ.И.0.34.0 Сетка С8 (С8-1…С8-12) 901-6-98.89-КЖ.И.0.34.0СБ Сетка С8 (С8-1…С8-12). Сборочный чертеж 901-6-98.89-КЖ.И.0.35.0 Сетка С9 901-6-98.89-КЖ.И.0.36.0 Сетка С10 901-6-98.89-КЖ.И.0.37.0 Сетка С11 901-6-98.89-КЖ.И.0.38.0 Сетка С12 (С12-1; С12-2) 901-6-98.89-КЖ.И.0.39.0 Сетка С13 901-6-98.89-КЖ.И.0.40.0 Сетка С14 901-6-98.89-КЖ.И.0.41.0 Сетка С15 901-6-98.89-КЖ.И.0.42.0 Решетка РШ4 901-6-98.89-КЖ.И.0.43.0 Сетка С17 (С17-1...С17-3) 901-6-98.89-КЖ.И.0.44.0 Сетка С18 (С18-1; С18-2) 901-6-98.89-КЖ.И.0.45.0 Решетка (РШ1, РШ2) 901-6-98.89-КЖ.И.0.45.0СБ Решетка (РШ1, РШ2). Сборочный чертеж 901-6-98.89-КЖ.И.0.46.0 Решетка РШ3 |
| Разработан: | Госхимпроект |
| Утверждён: | 17.10.1989 СоюзводоканалНИИпроект (SoyuzvodokanalNIIproject 30) |
| Издан: | ЦИТП Госстроя СССР (CITP, Gosstroy (USSR) 1990 г. ) |
| Заменяет собой: |















































