Скачать М03-5130 Рекомендации по проектированию силового электрооборудования напряжением до 1000 В переменного тока промышленных предприятийДата актуализации: 01.01.2021
|
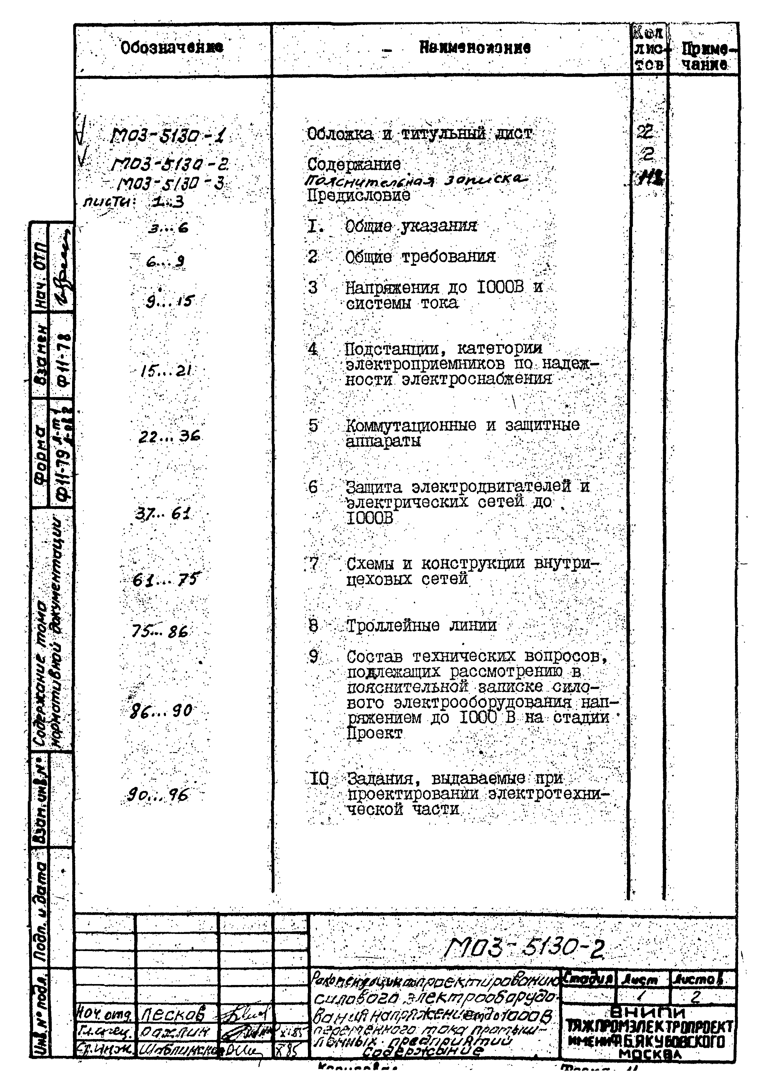
| Обозначение: | М03-5130 |
| Обозначение англ: | М03-5130 |
| Статус: | справочные материалы, мп, тпр |
| Название рус.: | Рекомендации по проектированию силового электрооборудования напряжением до 1000 В переменного тока промышленных предприятий |
| Название англ.: | Alphanumeric Designations in Electrical and Engineering Design Documentation |
| Дата добавления в базу: | 01.10.2014 |
| Дата актуализации: | 01.01.2021 |
| Область применения: | Документ детализирует отдельные положения ПУЭ и имеет целью повышение производительности труда проектировщиков и улучшение качества выпускаемых проектов |
| Оглавление: | 1 Общие указания 2 Общие требования 3 Напряжения до 1000 В и системы тока 4 Подстанции, категории электроприемников по надежности электроснабжения 5 Коммутационные и защитные аппараты 6 Защита электродвигателей и электрических сетей до 1000 В 7 Схемы и конструкции внутрицеховых сетей 8 Троллейные линии 9 Состав технических вопросов. подлежащих рассмотрению в пояснительной записке силового электрооборудования напряжением до 1000 В на стадии Проект 10 Задания, выдаваемые при проектировании электротехнической части 11 Материалы, прилагаемые к архивному экземпляру проектной документации на стадии - Проект Приложения |
| Разработан: | ВНИПИ Тяжпромэлектропроект |
| Утверждён: | ВНИПИ Тяжпромэлектропроект им. Ф.Б. Якубовского (F.B.Yakubovskiy Tyazhpromelektroproject VNIPI ) |
| Заменяет собой: | |
| Нормативные ссылки: |
|

























































































































