Скачать М4165 Вспомогательные материалы по проектированию наружного освещения. Том 2. Электротехническая частьДата актуализации: 01.01.2021
|
| Обозначение: | М4165 |
| Обозначение англ: | М4165 |
| Статус: | справочные материалы, мп, тпр |
| Название рус.: | Вспомогательные материалы по проектированию наружного освещения. Том 2. Электротехническая часть |
| Название англ.: | Alphanumeric Designations in Electrical and Engineering Design Documentation |
| Дата добавления в базу: | 01.10.2014 |
| Дата актуализации: | 01.01.2021 |
| Область применения: | В работе содержатся указания и рекомендации по проектированию наружного освещения промышленных предприятий |
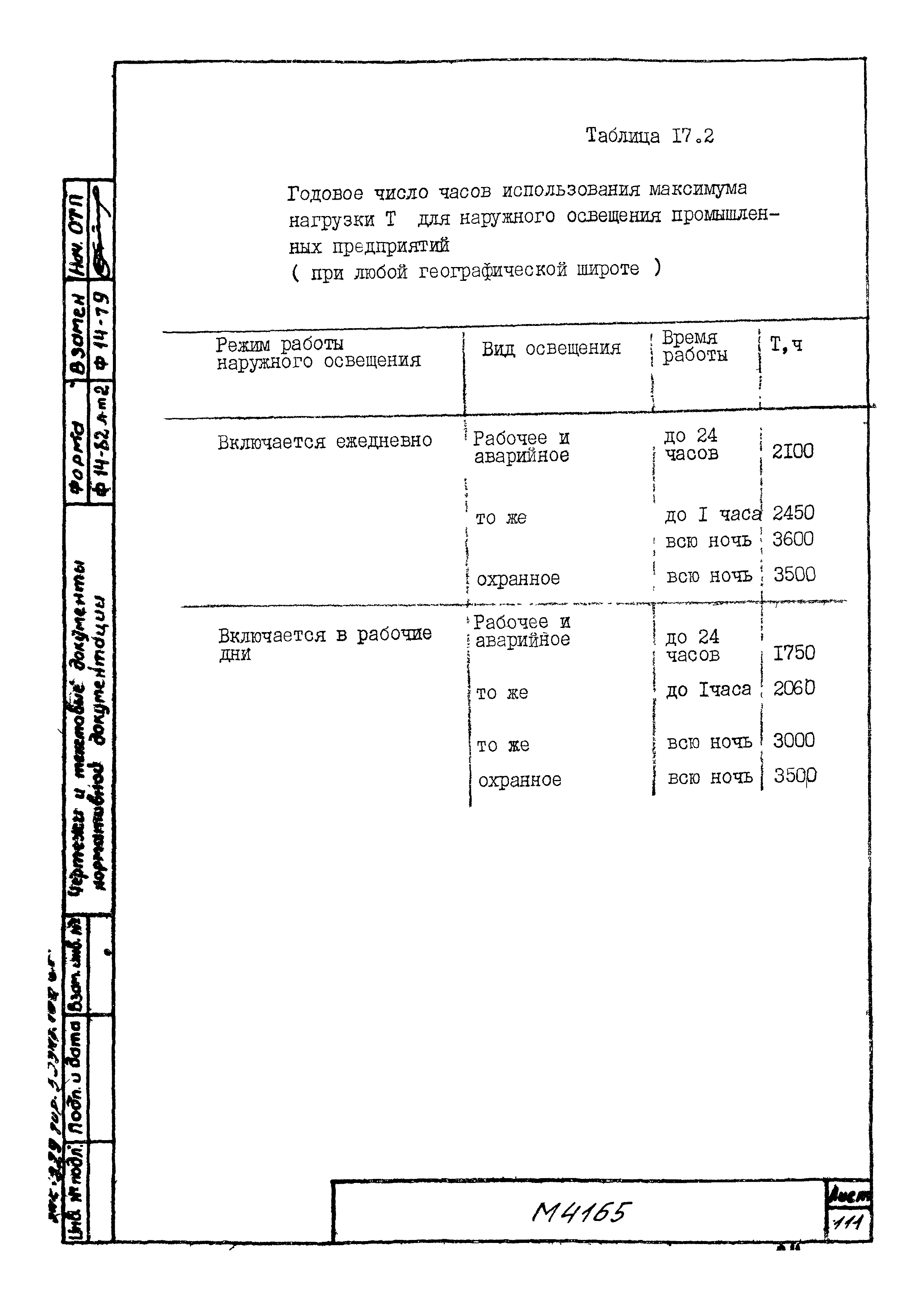
| Оглавление: | Раздел 1. Общие положения Содержание работы Область применения Термины и определения Общие указания Разделы 2 - 8 см в томе I. Светотехническая часть, шифр Л3138 Раздел 9. Источники питания Раздел 10. Схемы питания Раздел 11. Защита сетей наружного освещения Раздел 12. Управление освещением Системы и способы управления Сети управления Схемы управления Расчет сетей управления и сигнализации при использовании телефонных кабелей Расчет сетей управления при использовании контрольных кабелей Раздел 13. Расчет сетей наружного освещения Выбор сети по механической прочности Расчетные нагрузки Расчет сетей по току нагрузки Расчет сетей по потере напряжения Проверка сетей на отключение при однофазных коротких замыканиях Раздел 14. Выполнение и электробезопасность сетей наружного освещения Выбор способов прокладки Выполнение воздушных сетей Выполнение кабельных сетей Выполнение сетей управления освещением Электробезопасность сетей Раздел 15 Опоры, кронштейны мачты, доступ к осветительным приборам Опоры Кронштейны для светильников Прожекторные мачты Доступ к осветительным приборам Раздел 16. Электрооборудование для наружного освещения Оборудование для источников питания Ящик управления Фотоэлектрические автоматы Раздел 17. Методика технико—экономической оценки установок наружного освещения Общие положения Определение приведенных затрат Определение отдельных величин при подсчете приведенных затрат Принятые сокращения Список литературы |
| Разработан: | ВНИПИ Тяжпромэлектропроект |
| Утверждён: | ВНИПИ Тяжпромэлектропроект им. Ф.Б. Якубовского (F.B.Yakubovskiy Tyazhpromelektroproject VNIPI ) |
| Заменяет собой: | |
| Нормативные ссылки: |
















































































































