Скачать Типовой проект 901-8-8 Альбом V. Строительные изделияДата актуализации: 01.01.2021
|
| Обозначение: | Типовой проект 901-8-8 |
| Обозначение англ: | 901-8-8 |
| Статус: | не определен законодательством |
| Название рус.: | Альбом V. Строительные изделия |
| Дата добавления в базу: | 01.10.2014 |
| Дата актуализации: | 01.01.2021 |
| Дата введения: | 24.09.1982 |
| Дата окончания срока действия: | 30.06.2003 |
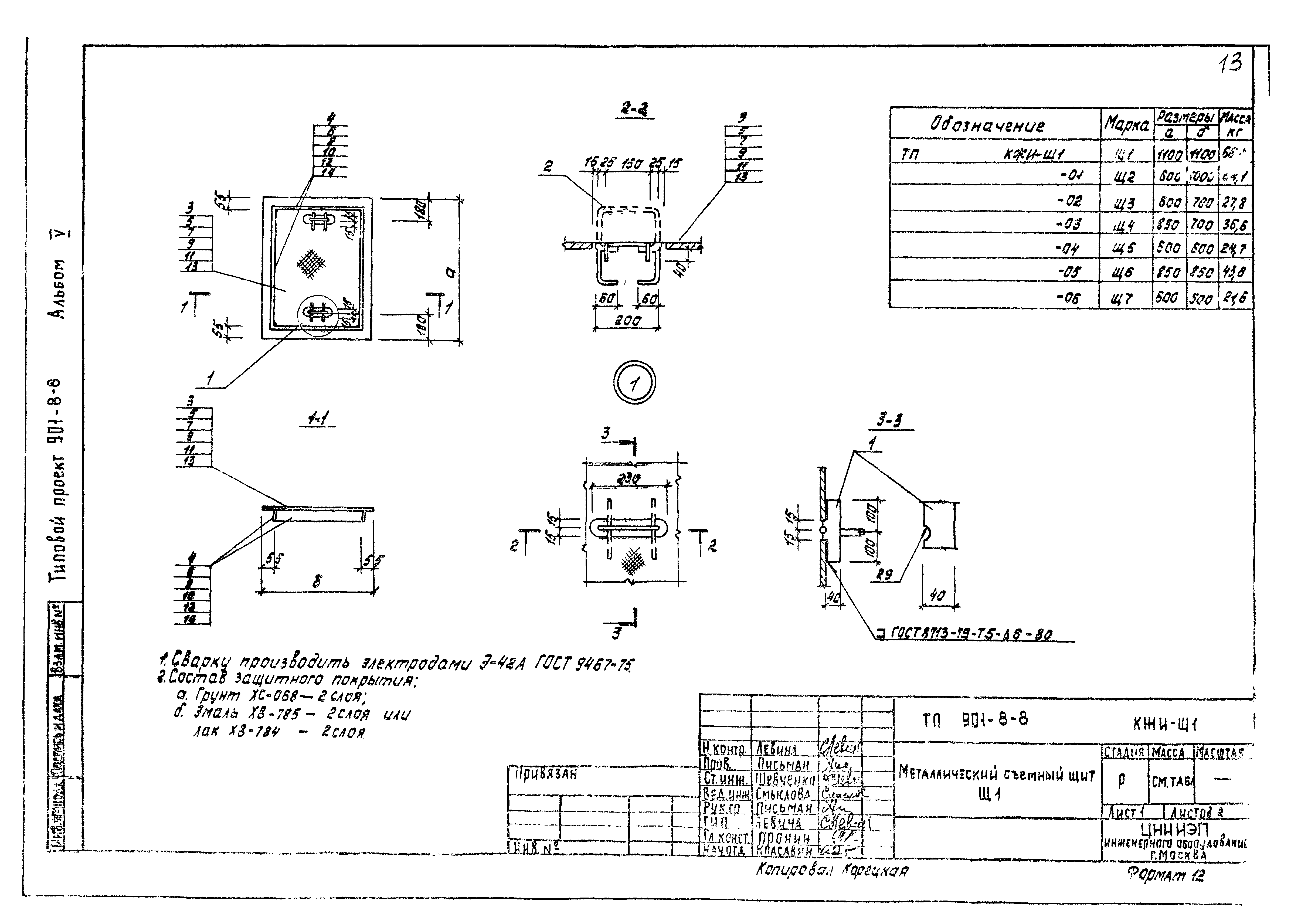
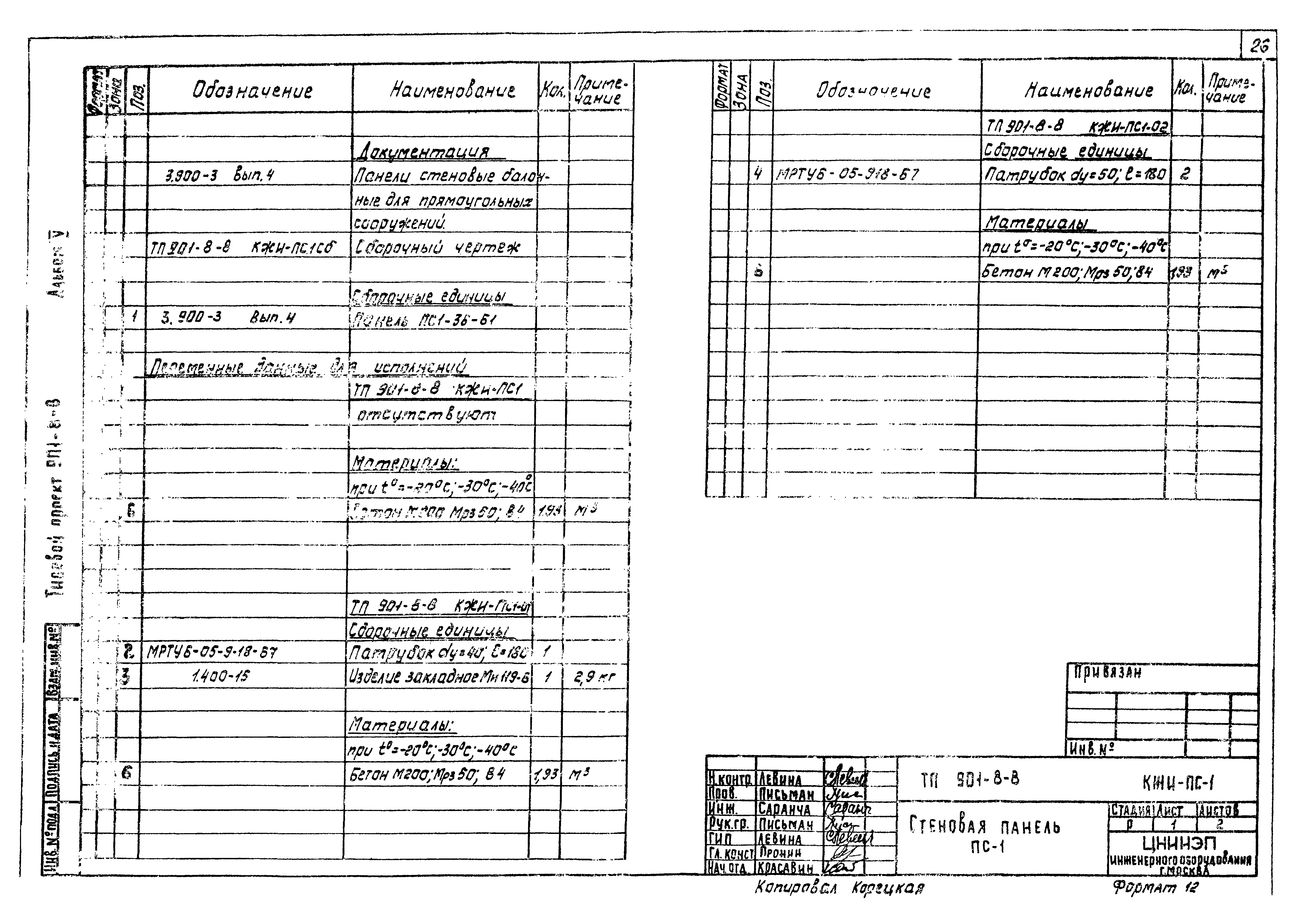
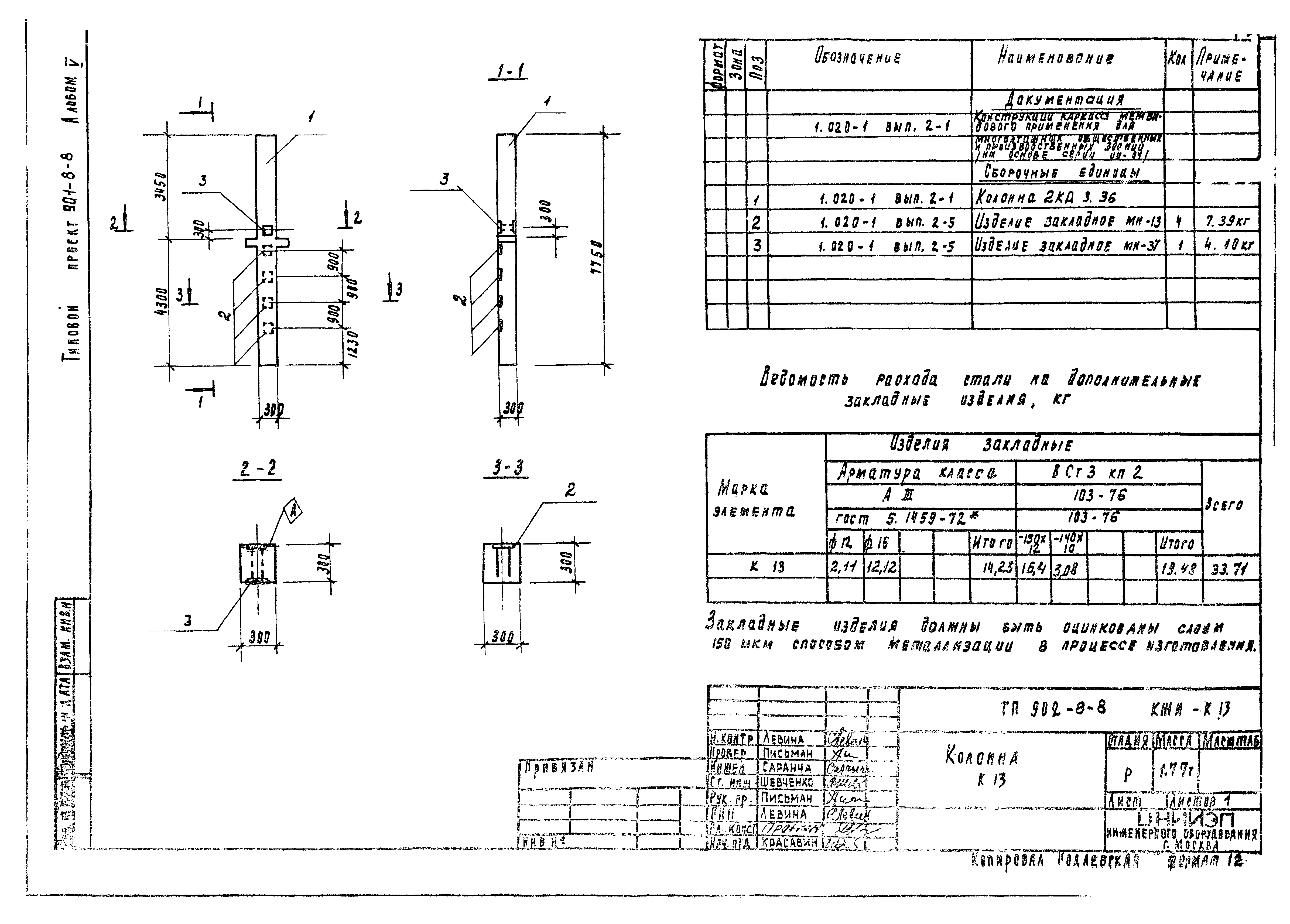
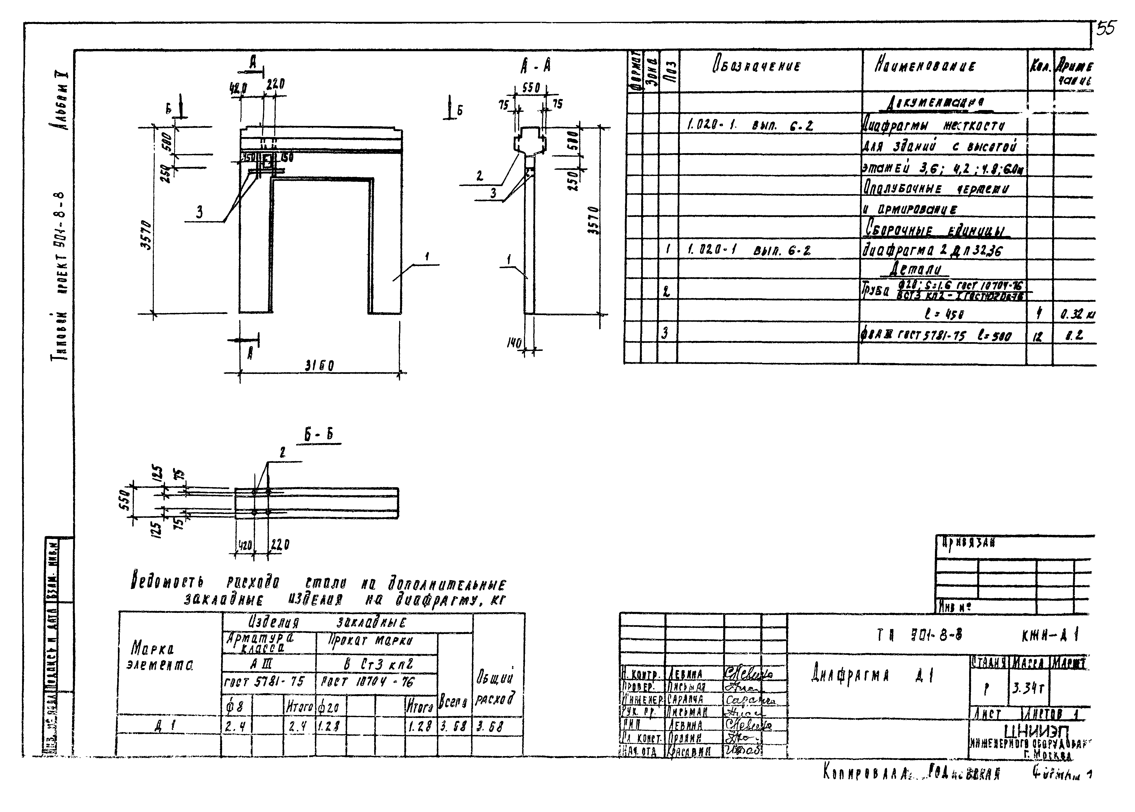
| Оглавление: | КЖИ-С1 Сетка арматурная С1 КЖИ-С2 Сетка арматурная С2 КЖИ-С3 Сетка арматурная С3 КЖИ-С4 Сетка арматурная С4 КЖИ-С5 Сетка арматурная С5 КЖИ-С6 Сетка арматурная С6 КЖИ-С7 Сетка арматурная С7 КЖИ-КП5 Каркас пространственный КП5 КЖИ-С8 Сетка арматурная С8 КЖИ-С9 Сетка арматурная С9 КЖИ-КП1 Каркас пространственный КП1 КЖИ-С10 Сетка арматурная С10 КЖИ-КП2 Каркас пространственный КП2 КЖИ-С11 Сетка арматурная С11 КЖИ-С12 Сетка арматурная С12 КЖИ-С14 Сетка арматурная С14 КЖИ-КП3, КП4 Каркас пространственный КП3, КП4 КЖИ-С13 Сетка арматурная С13 КЖИ-Щ1 Металлический съемный щит Щ1 КЖИ-Рм1 Рама металлическая Рм1 КЖИ-Рм2 Рама металлическая Рм2 КЖИ-ПГ1 Плита перекрытия ПГ1 КЖИ-ПГ2, ПГ3 Плита перекрытия ПГ2, ПГ3 КЖИ-ПГ4 Плита перекрытия ПГ4 КЖИ-ПГ5 Плита перекрытия ПГ5 КЖИ-ПГ6 Плита перекрытия ПГ6 КЖИ-ПГ7 Плита перекрытия ПГ7 КЖИ-ПГ8 Плита перекрытия ПГ8 КЖИ-ПГ9 Плита перекрытия ПГ9 КЖИ-ПС-1СБ Панель стеновая ПС-1СБ КЖИ-ПС-1 Панель стеновая ПС-1 КЖИ-К1 Колонна К1, К3 КЖИ-К2 Колонна К2 КЖИ-К4 Колонна К4 КЖИ-К5 Колонна К5, К6 КЖИ-К7 Колонна К7 КЖИ-К9 Колонна К9 КЖИ-К10 Колонна К10, К19 КЖИ-К11 Колонна К11 КЖИ-К12 Колонна К12 КЖИ-К13 Колонна К13 КЖИ-К14 Колонна К14 КЖИ-К15 Колонна К15, К16 КЖИ-К17 Колонна К17 КЖИ-К18 Колонна К18, К8 КЖИ-Р1 Ригель Р1 КЖИ-Р2 Ригель Р2 КЖИ-Р3 Ригель Р3 КЖИ-Р4 Ригель Р4 КЖИ-Р5 Ригель Р5 КЖИ-Б1 Балка Б1 КЖИ-Б2 Балка Б2 КЖИ-Б3 Балка Б3 КЖИ-Б4 Балка Б4 КЖИ-Б5 Балка Б5 КЖИ-С15 Сетка арматурная С15 КЖИ-МС1 Соединительный элемент МС1 КЖИ-МС2 Соединительный элемент МС2 КЖИ-МС3 Соединительный элемент МС3 КЖИ-Д1 Диафрагма Д1 КЖИ-Д2 Диафрагма Д2 |
| Разработан: | ЦНИИЭП |
| Утверждён: | 22.07.1981 Госгражданстрой (Gosgrazhdanstroy 219) |






















































