Скачать Типовой проект 416-1-152.84 Альбом IV. Рабочие чертежи строительных изделийДата актуализации: 01.01.2021
|
| Обозначение: | Типовой проект 416-1-152.84 |
| Обозначение англ: | 416-1-152.84 |
| Статус: | действует |
| Название рус.: | Альбом IV. Рабочие чертежи строительных изделий |
| Дата добавления в базу: | 01.10.2014 |
| Дата актуализации: | 01.01.2021 |
| Дата введения: | 28.03.1984 |
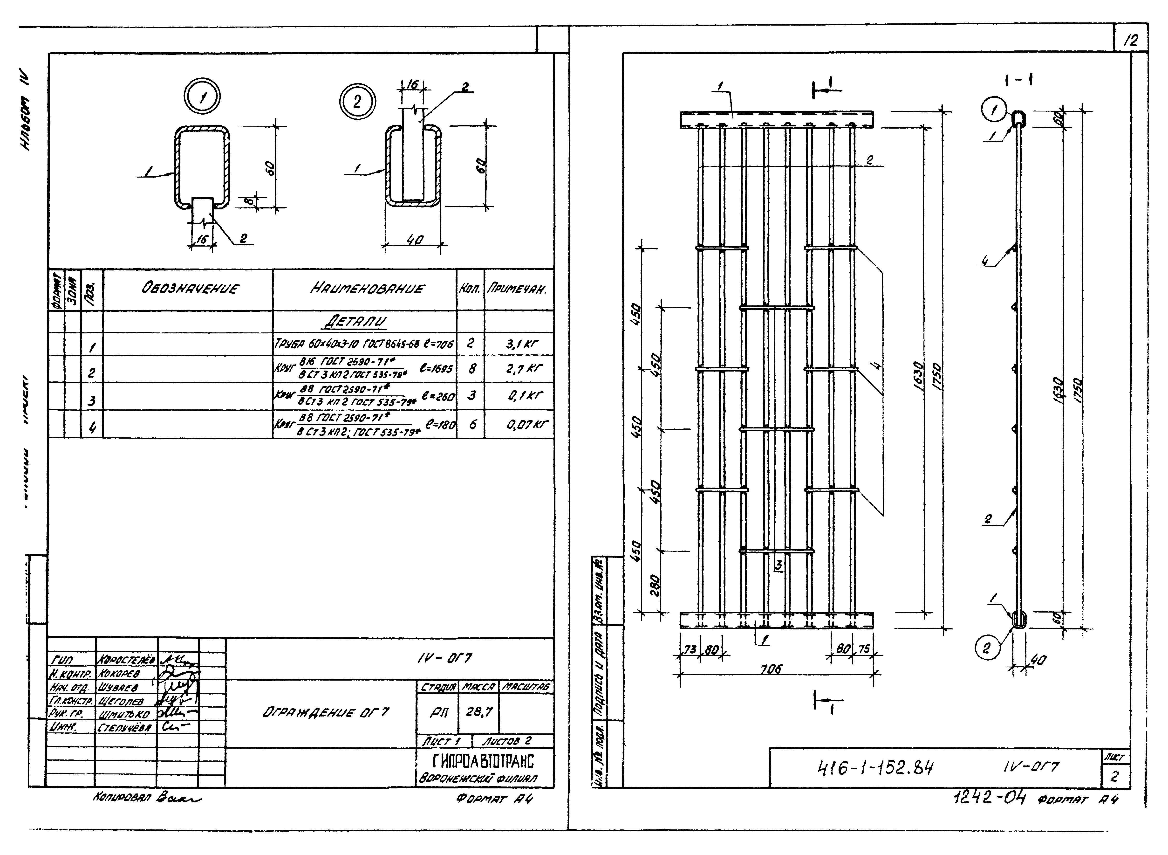
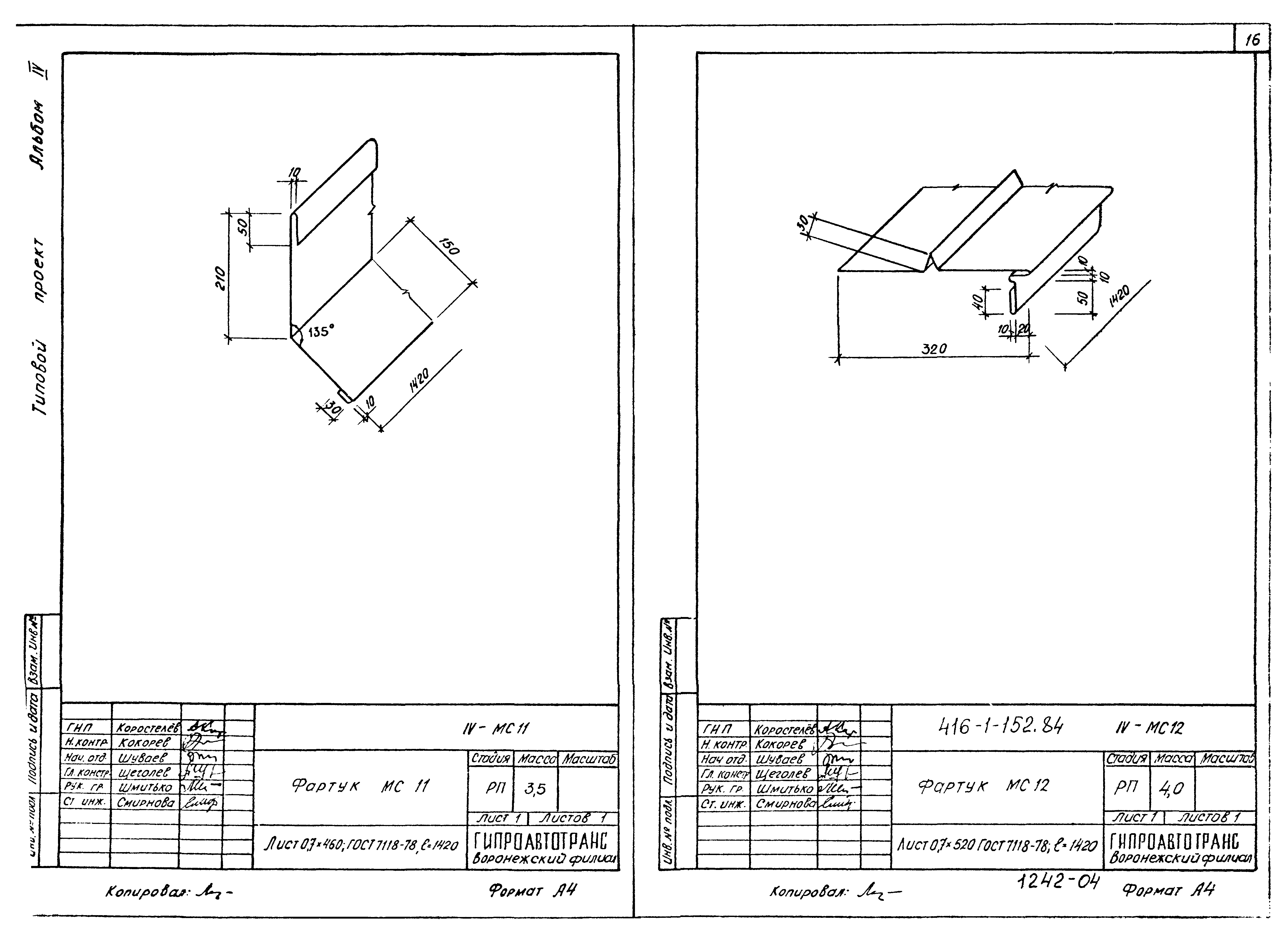
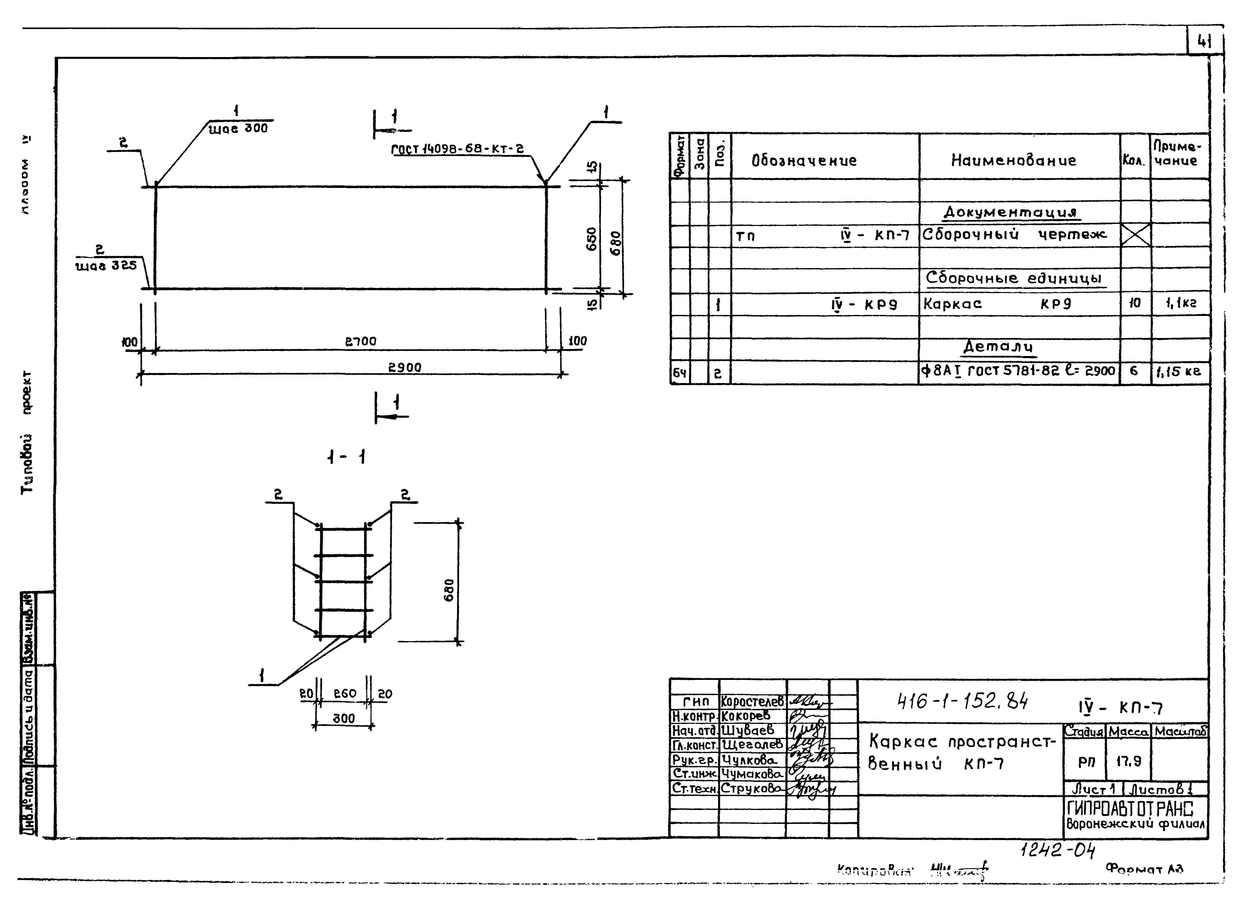
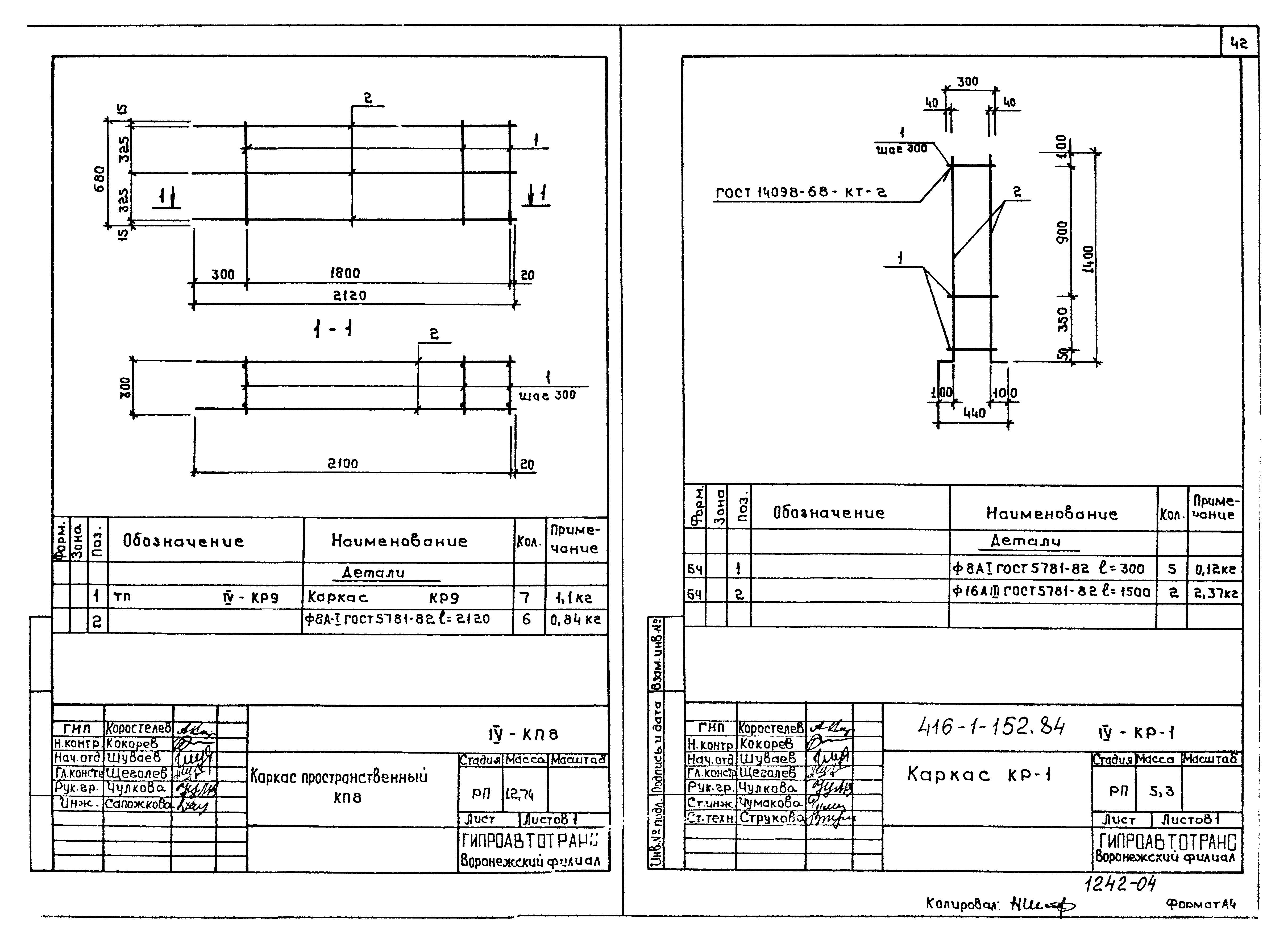
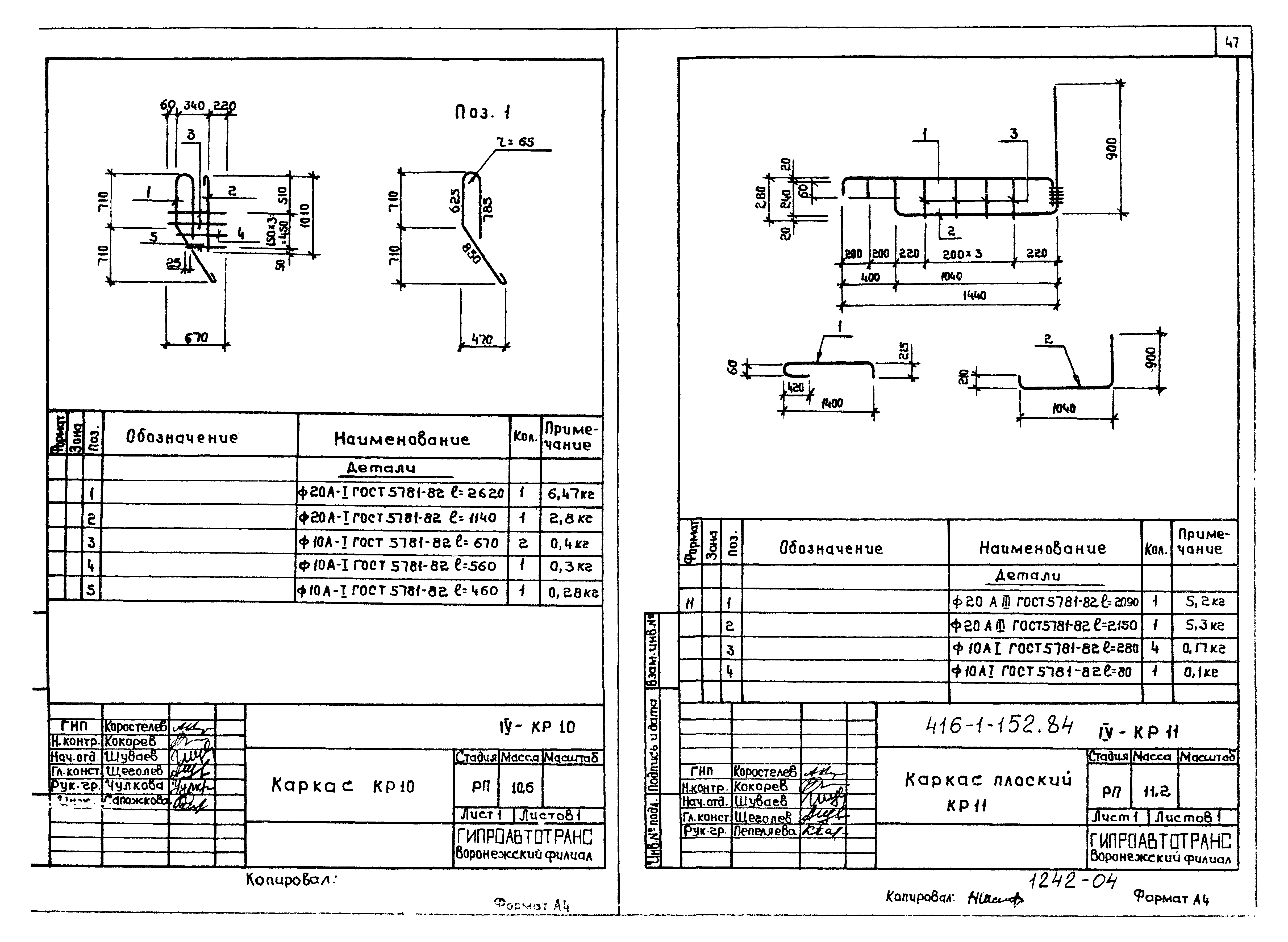
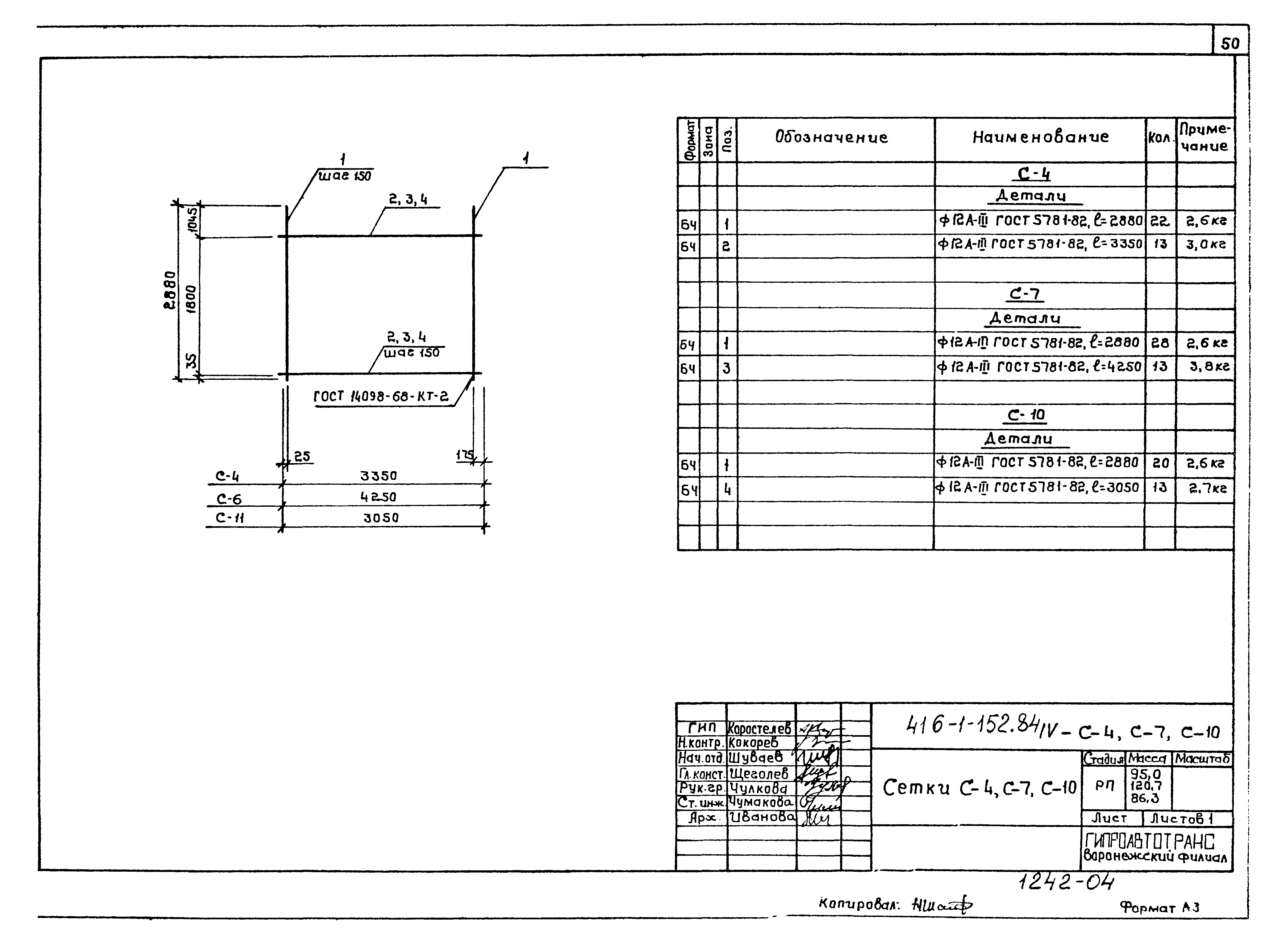
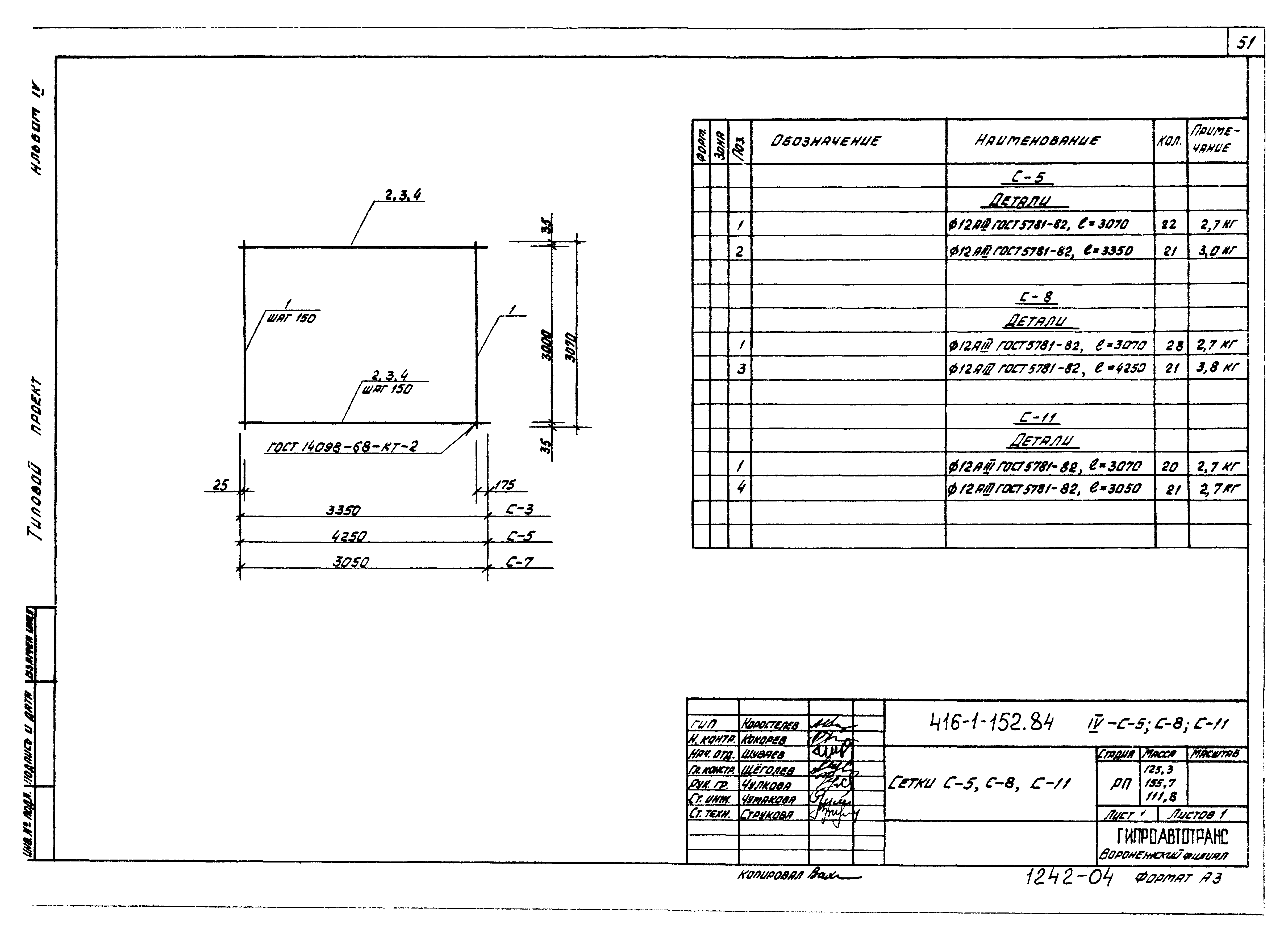
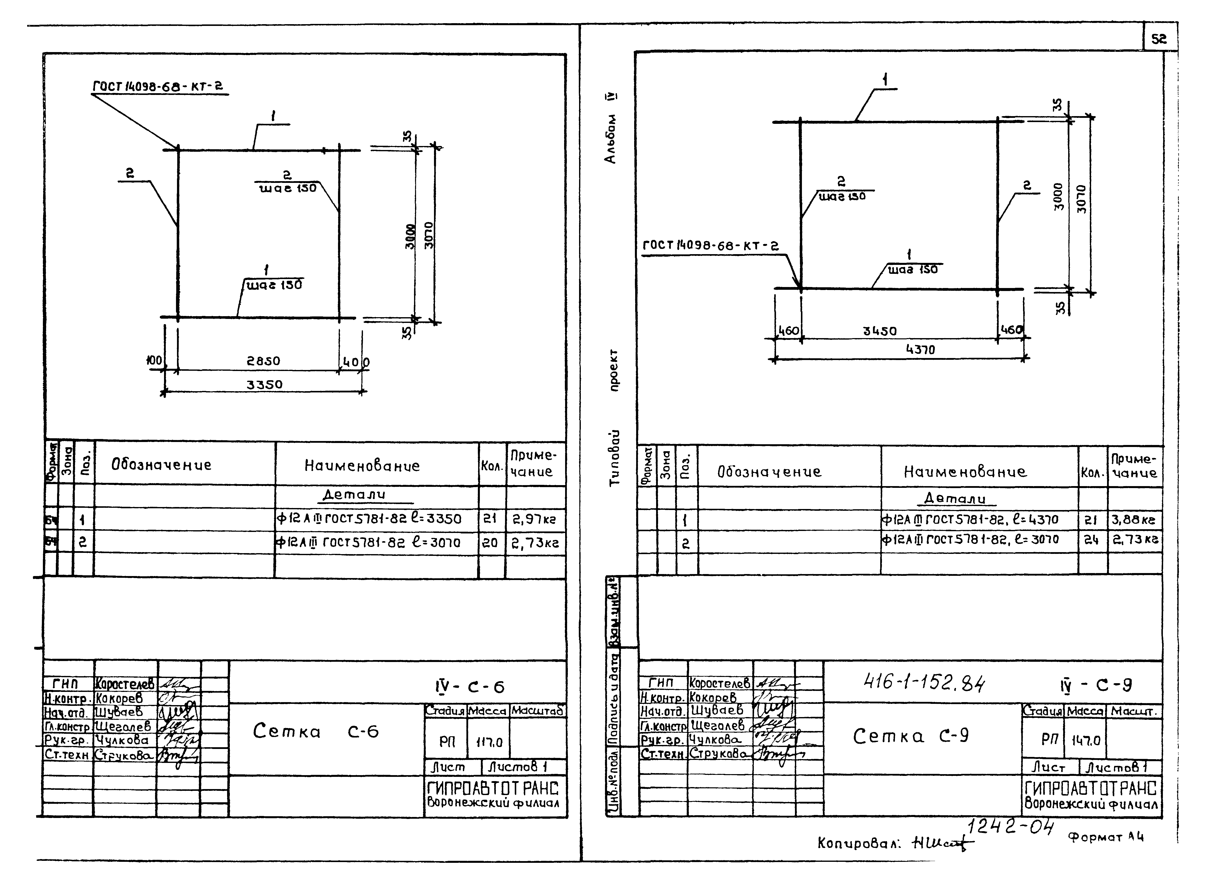
| Оглавление: | Содержание альбома IV-ПЗ Пояснительная записка IV-МС1, МС2 Фартук МС1, костыль МС2 IV-МС3, МС4 Фартук МС3, костыль МС4 IV-МС5, С1 Фартук МС5, сетка С1 IV-МС6, МС7 Обжимной хомут МС6, фартук МС7 IV-МС8, МС9 Фартук МС8, обжимной хомут МС9 IV-МС10, С2 Патрубок МС10, сетка С2 IV-МН2, МН3, ОГ6 Скоба ИН2, реборда МН3, ограждение ОГ6 IV-ОГ7 Ограждение ОГ7 IV-СК1 Металлическая стойка СК1 IV-РШ1, СК2 Решетка РШ1, металлическая стойка СК2 IV-РШ2 Решетка металлическая РШ2 IV-МС11, МС12 Фартук МС11, фартук МС12 IV-МС13, МС14 Фартук МС13, костыль МС14 IV-КФ9, МС15 Кольцо-фланец КФ9, фартук МС15 IV-ОГ1 Ограждение ОГ1 IV-ОГ2, ОГ3 Ограждение ОГ2, ограждение ОГ3 IV-ОГ4, ОГ5 Ограждение ОГ4, ограждение ОГ5 IV-МН4, МН5 Закладное изделие МН4, МН5 IV-2БСП12-4ВрII-Н1; 2БСП12-3ВрII-Н1; 2БСП12-5ВрII-Н1; 2БСП12-7ВрII-Н1 Балки 2БСП12-4ВрII-Н1; 2БСП12-3ВрII-Н1. Установка дополнительных закладных деталей IV-К48-1-1 Колонна К48-1-1. Установка дополнительных закладных деталей IV-К48-1-2 Колонна К48-1-2. Установка дополнительных закладных деталей IV-К48-1-3 Колонна К48-1-3. Установка дополнительных закладных деталей IV-К48-1-4 Колонна К48-1-4. Установка дополнительных закладных деталей IV-ПР8-57.15-А Панель ПР8-57,15-А IV-ПР8-57.15-Б Панель ПР8-57,15-Б IV-ПР6-60.15-А Панель ПР6-60,15-А IV-ПР6-60.15-Б Панель ПР6-60,15-Б IV-ПР6-60.15-В Панель ПР6-60,15-В IV-ПР6-60.15-Г Панель ПР6-60,15-Г IV-ПР6-60.15-Д Панель ПР6-60,15-Д IV-3ПК6-60.15-А Плита 3ПК6-60.15-А IV-3ПГ-3АтVIт-1 Плита 3ПГ-3АтVIт-1 IV-3ПГ-3АтVIт-2 Плита 3ПГ-3АтVIт-2 IV-3ПГ-3АтVIт-3 Плита 3ПГ-3АтVIт-3 IV-3ПГ-3АтVIт-4 Плита 3ПГ-3АтVIт-4 IV-КР1 Каркас КР1 IV-МК-1 Соединительный элемент МК-1 IV-МК-2 Соединительный элемент IV-МК-3 Соединительный элемент IV-Р2 Рама Р2 IV-Щ1 Щит Щ1 IV-Щ2 Щит Щ2 IV-КП1, КП2 Каркасы пространственные КП1, КП2 IV-КП3 Каркас пространственный КП3 IV-КП4 Каркас пространственный КП4 IV-КП5, КП6 Каркасы пространственные КП5, КП6 IV-КП7 Каркас пространственный КП7 IV-КП8 Каркас пространственный КП8 IV-КР-1 Каркас КР-1 IV-КР-2 Каркас КР-2 IV-КР-3 Каркас КР-3 IV-КР-4 Каркас КР-4 IV-КР-5 Каркас КР-5 IV-КР-6 Каркас КР-6 IV-КР-7 Каркас КР-7 IV-КР-8 Каркас КР-8 IV-КР-9 Каркас КР-9 IV-КР-10 Каркас КР-10 IV-КР-11 Каркас КР-11 IV-КР-12 Каркас КР-12 IV-С-1 Сетка С-1 IV-С-2 Сетка С-2 IV-С-3 Сетка С-3 IV-С-4, С-7, С-10 Сетки С-4, С-7, С-10 IV-С-5, С-8, С-11 Сетки С-5, С-8, С-11 IV-С-6 Сетка С-6 IV-С-9 Сетка С-9 IV-С-12 Сетка С-12 IV-С-13 Сетка С-13 IV-С-14 Сетка С-14 |
| Разработан: | ЦНИИпромзданий Гипроавтотранс |
| Утверждён: | 28.03.1984 Минавтотранс РСФСР (Russian Federation Minavtotrans 16) |























































