Скачать Рекомендации по применению метода дуговой точечной сварки (ДТСПФ) с мозаичным проплавлениемДата актуализации: 01.01.2021 |
| Статус: | справочные материалы, мп, тпр |
| Название рус.: | Рекомендации по применению метода дуговой точечной сварки (ДТСПФ) с мозаичным проплавлением |
| Дата добавления в базу: | 01.10.2014 |
| Дата актуализации: | 01.01.2021 |
| Область применения: | Рекомендации содержат сведения о технологии точечной дуговой сварки в нижнем положении методом принудительных проплавления и формования (ДТСПФ) с мозаичным проплавлением - доступных лишь сверху нахлесточных соединений стальных элементов. |
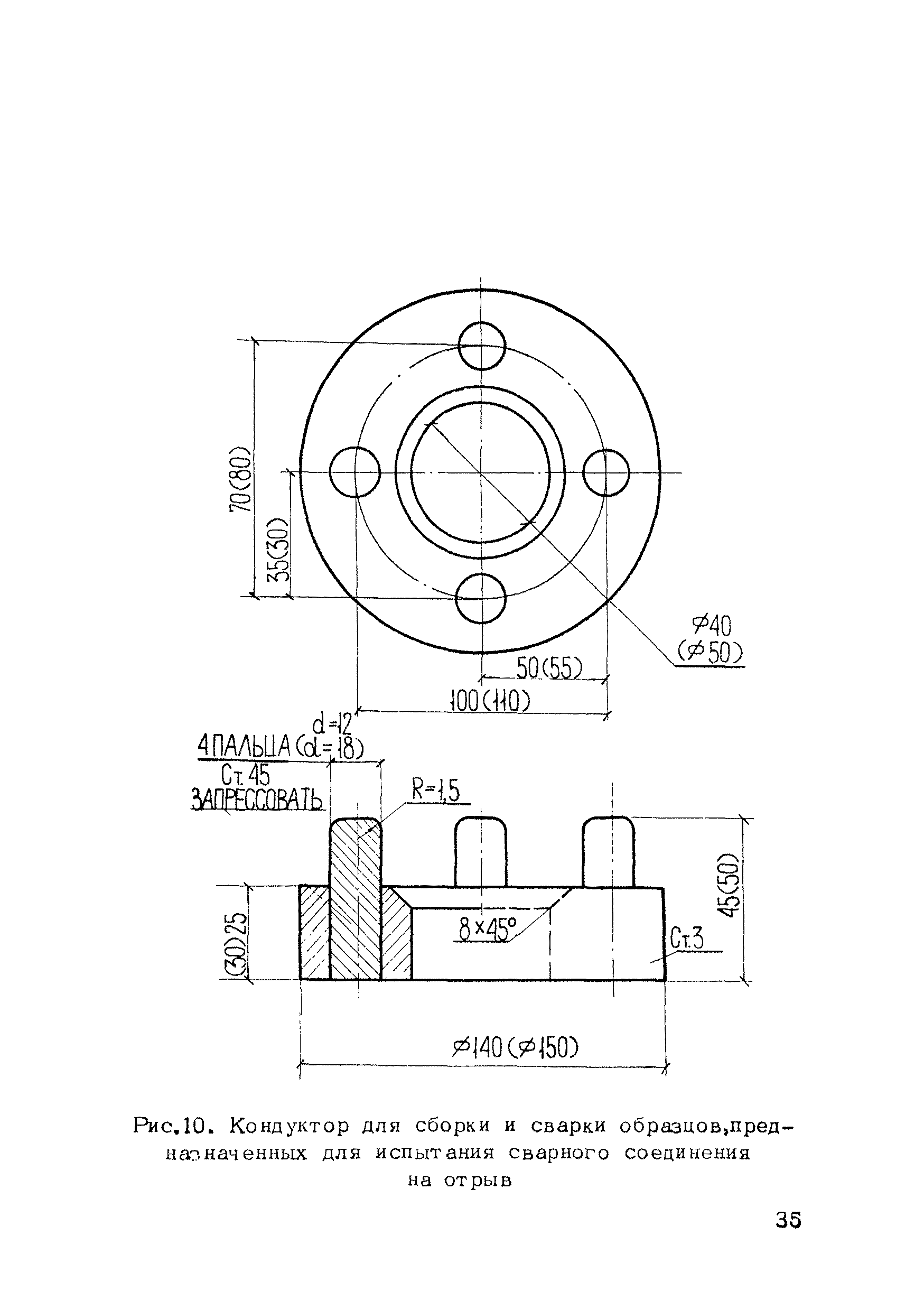
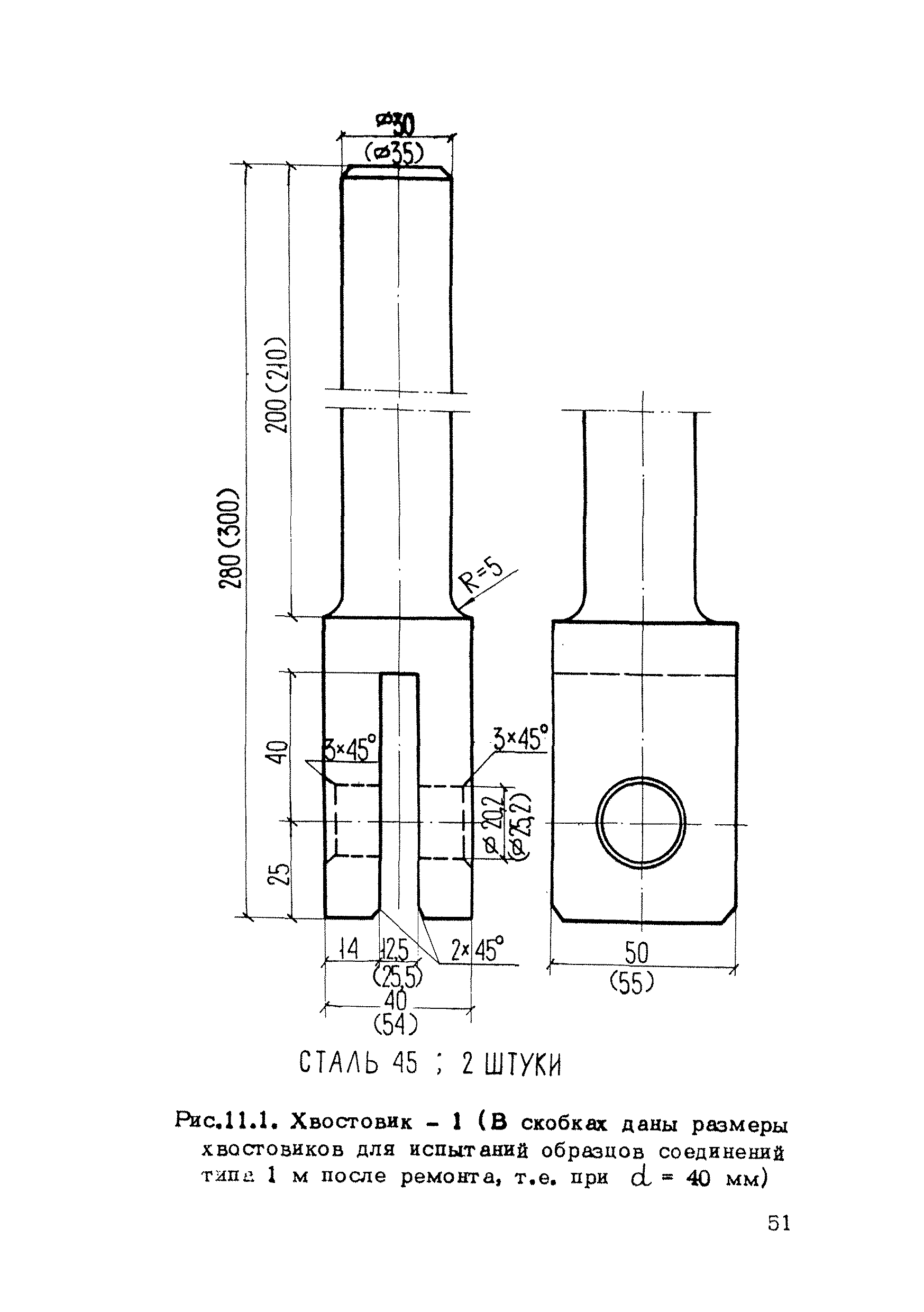
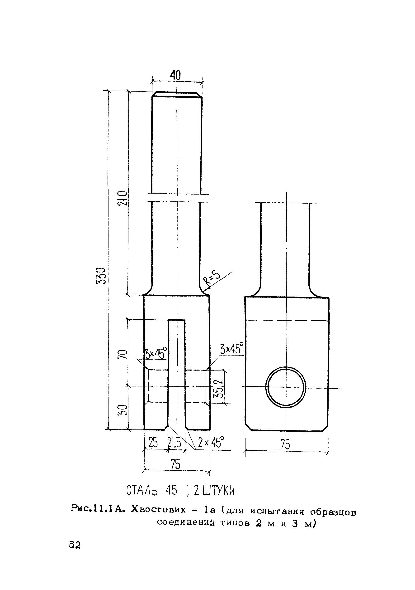
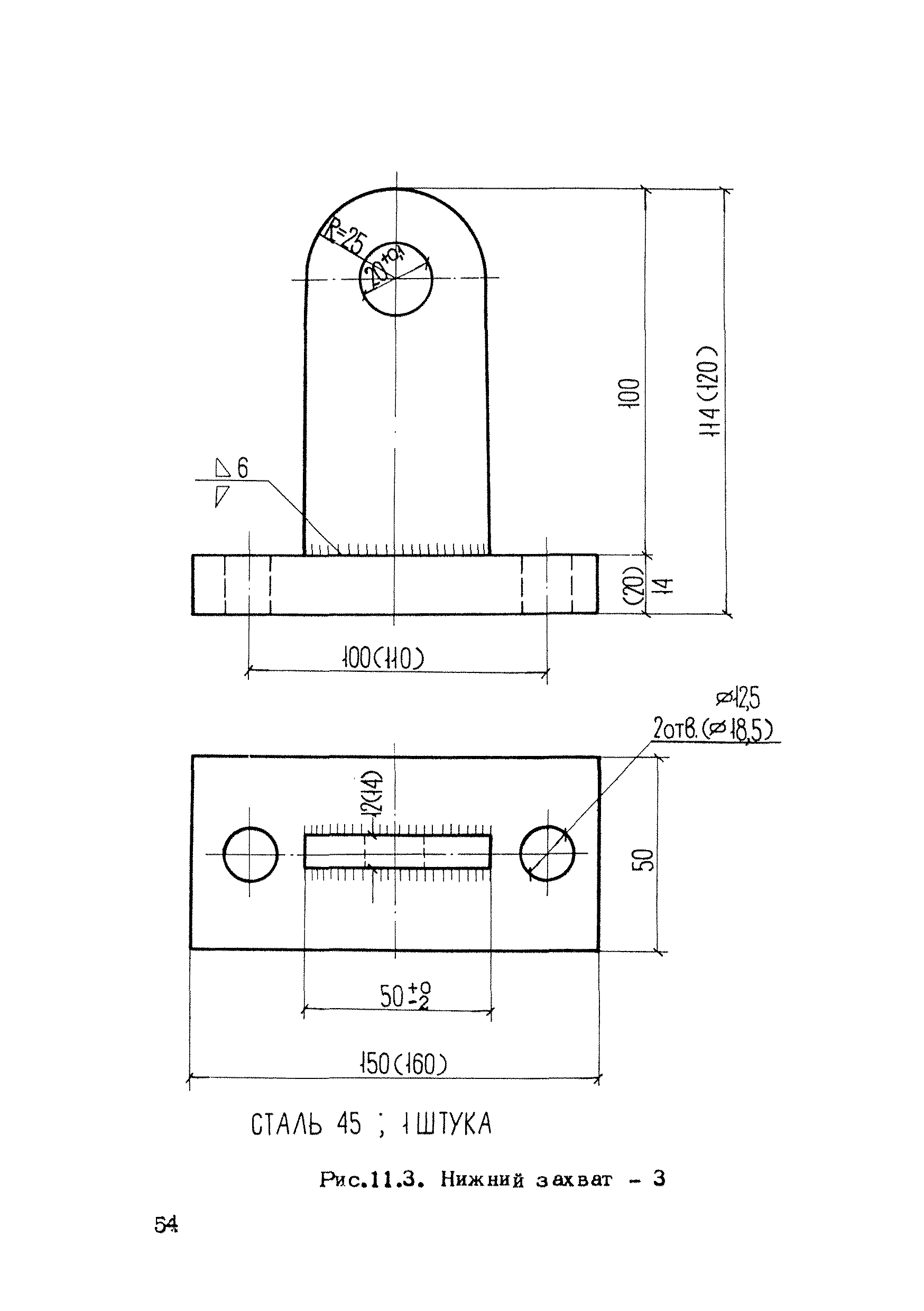
| Оглавление: | Характеристика метода дуговой точечной сварки с принудительными проплавлением и формованием (ДТСПФ) (пояснительная записка) 1. Общие положения 2. Сварочное оборудование и материалы 3. Подготовка к сварке 4. Производство сварочных работ 5. Контроль качества точечных соединений 5.А. Внешний осмотр точек 8.Б. Визуальный контроль макроструктуры 5.В. Испытания образцов технологической пробы и контрольных 6. Исправление дефектных точек и соединений 7. Требования охраны труда и противопожарной безопасности 8. Методические указания и программа обучения рабочих 8.А. Методические указания 8.Б. Программа практического обучения Приложение 1. Чертежи деталей устройств для формования головки точки и испытания контрольных образцов на срез и отрыв Приложение 2. Форма справки Приложение 3. Примеры применения ДТСПФ с мозаичным проплавлением 1. Прикрепление мембраны к подкрепляющим диагоналям в покрытиях сооружений универсального спортзала в Измайлово 2. Сварка элементов полуфермы с поясами из широкополочных тавров и решеткой из одиночных уголков Приложение 4. Краткие рекомендации по антикоррозионной защите и дополнения к основным "Рекомендациям по сварке методом ДТСПФ соединений элементов из нержавеющей стали с прокатными деталями из углеродистой или низколегированной стали |
| Разработан: | ЦНИИСК им. В.А. Кучеренко |
| Утверждён: | ЦНИИСК им. В.А. Кучеренко |
| Нормативные ссылки: |
|











































































