Скачать Типовой проект 903-1-23/71 Альбом VIII/1. Задание заводу-изготовителю. Тип 1, 2, 3Дата актуализации: 01.01.2021
|
| Обозначение: | Типовой проект 903-1-23/71 |
| Обозначение англ: | 903-1-23/71 |
| Статус: | отменен |
| Название рус.: | Альбом VIII/1. Задание заводу-изготовителю. Тип 1, 2, 3 |
| Дата добавления в базу: | 01.10.2014 |
| Дата актуализации: | 01.01.2021 |
| Дата введения: | 01.03.1973 |
| Дата окончания срока действия: | 01.03.1983 |
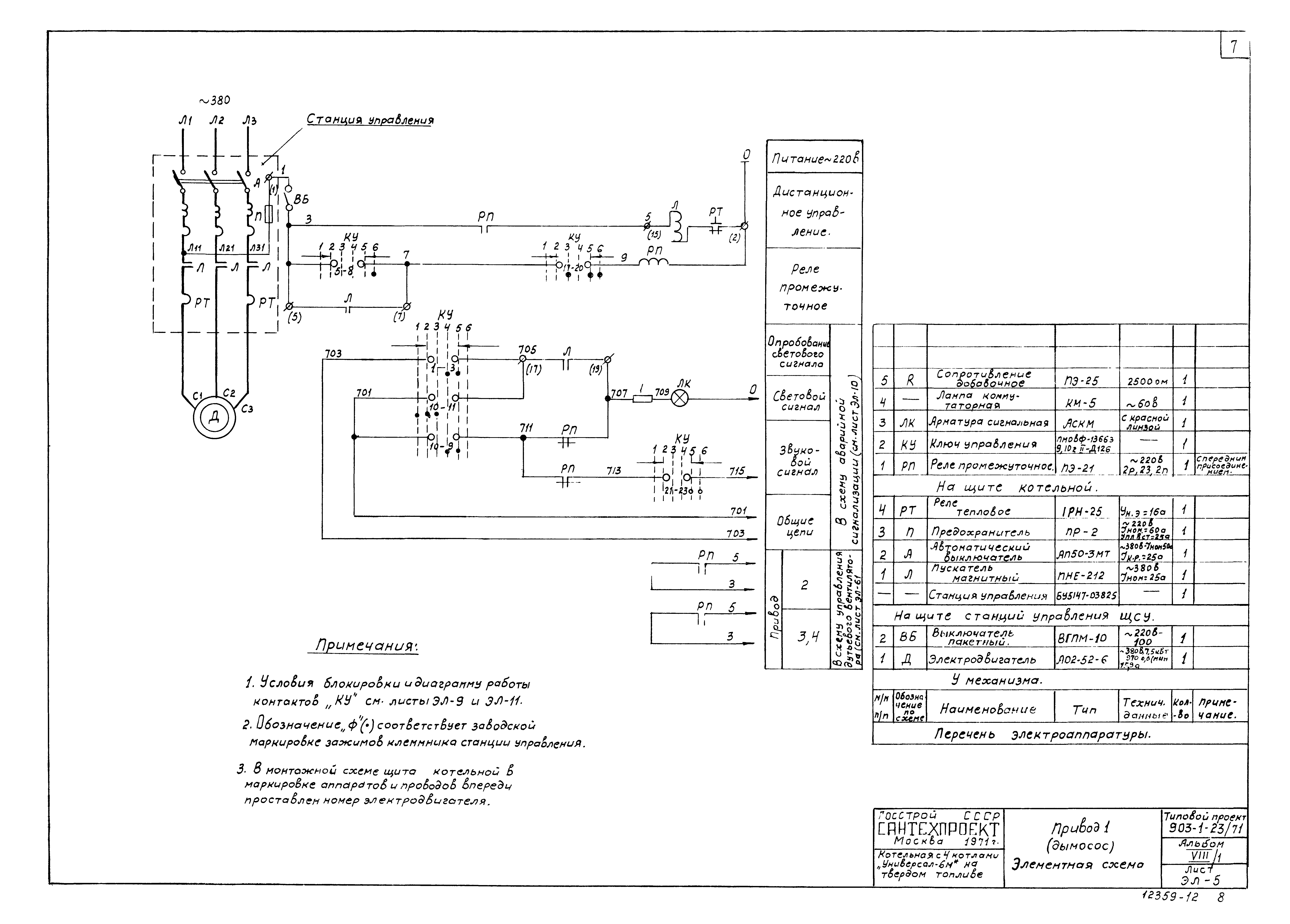
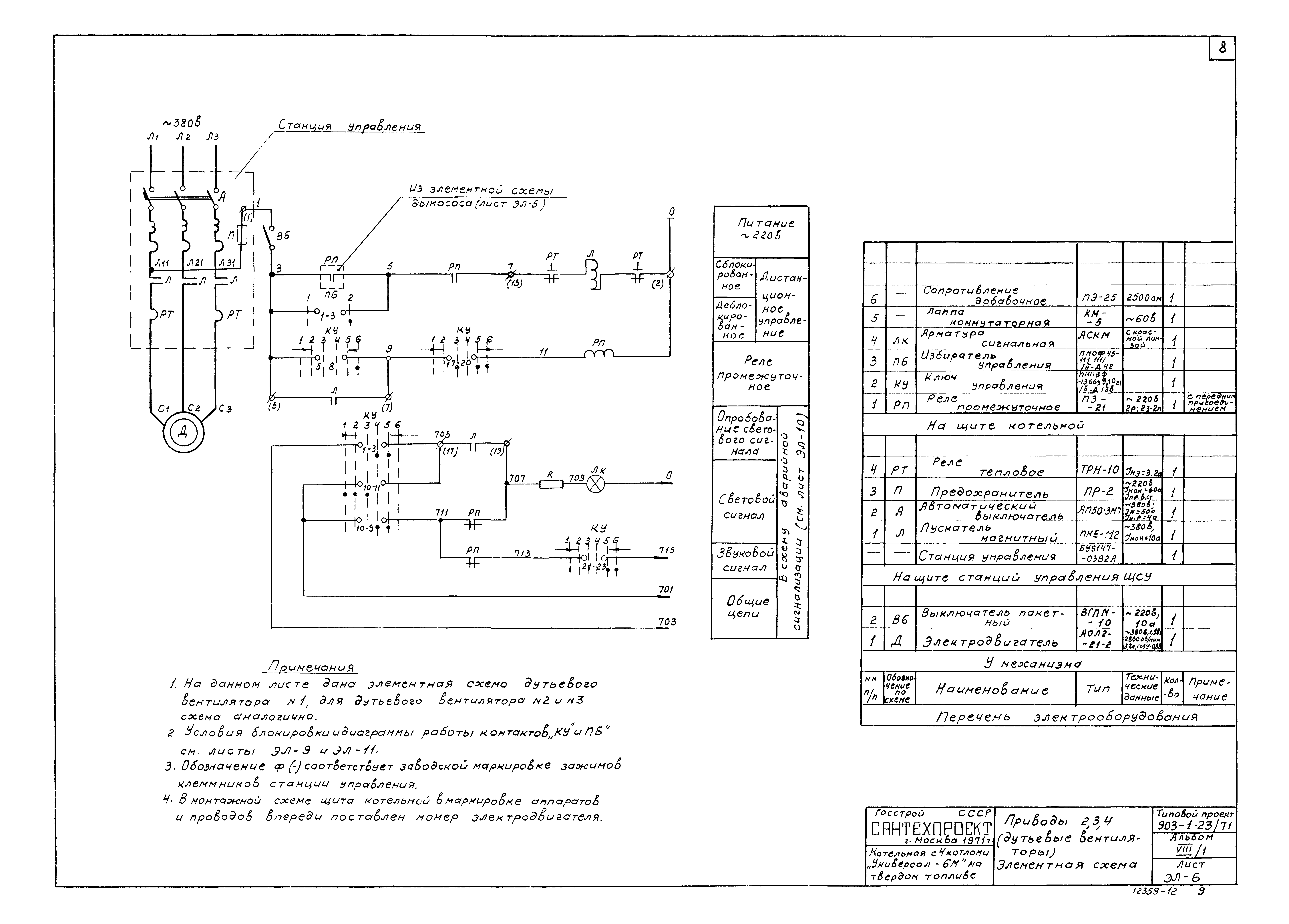
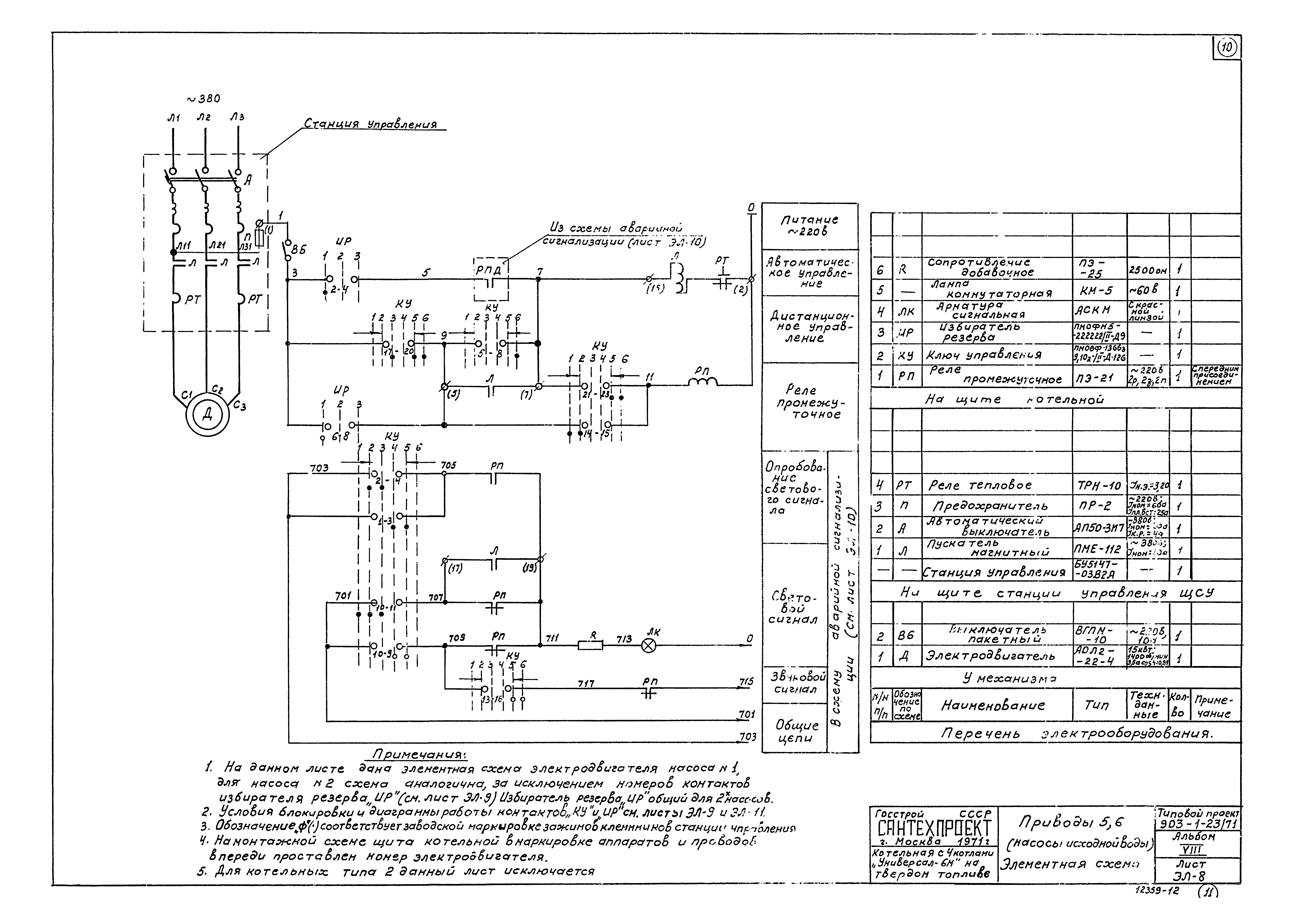
| Оглавление: | Титульный лист ЭЛ-1 Содержание альбома ЭЛ-2 Щит станций управления ЩСУ. Общий вид ЭЛ-3 Щит станций управления ЩСУ. Технические данные электрооборудования. Перечень надписей ЭЛ-4 Щит станций управления ЩСУ. Схема соединений ЭЛ-4а Щит станций управления ЩСУ. Схема соединений ЭЛ-5 Привод 1 (дымосос). Элементная схема ЭЛ-6 Приводы 2, 3, 4 (дутьевые вентиляторы). Элементная схема ЭЛ-7 Приводы 5, 6, 7, 8, 9, 10 (Насосы исходной, сетевой и питательной воды). Элементная схема ЭЛ-8 Приводы 5, 6 (насосы исходной воды). Элементная схема |
| Разработан: | ГПИ Сантехпроект Госстроя СССР |
| Утверждён: | 15.02.1973 Главпромстройпроект Госстроя СССР (7) |
| Заменяет собой: |
|











