Скачать Типовой проект 903-1-23/71 Альбом IX. Санитарно-техническая часть. Тип 1, 2, 3Дата актуализации: 01.01.2021
|
| Обозначение: | Типовой проект 903-1-23/71 |
| Обозначение англ: | 903-1-23/71 |
| Статус: | отменен |
| Название рус.: | Альбом IX. Санитарно-техническая часть. Тип 1, 2, 3 |
| Дата добавления в базу: | 01.10.2014 |
| Дата актуализации: | 01.01.2021 |
| Дата введения: | 01.03.1973 |
| Дата окончания срока действия: | 01.03.1983 |
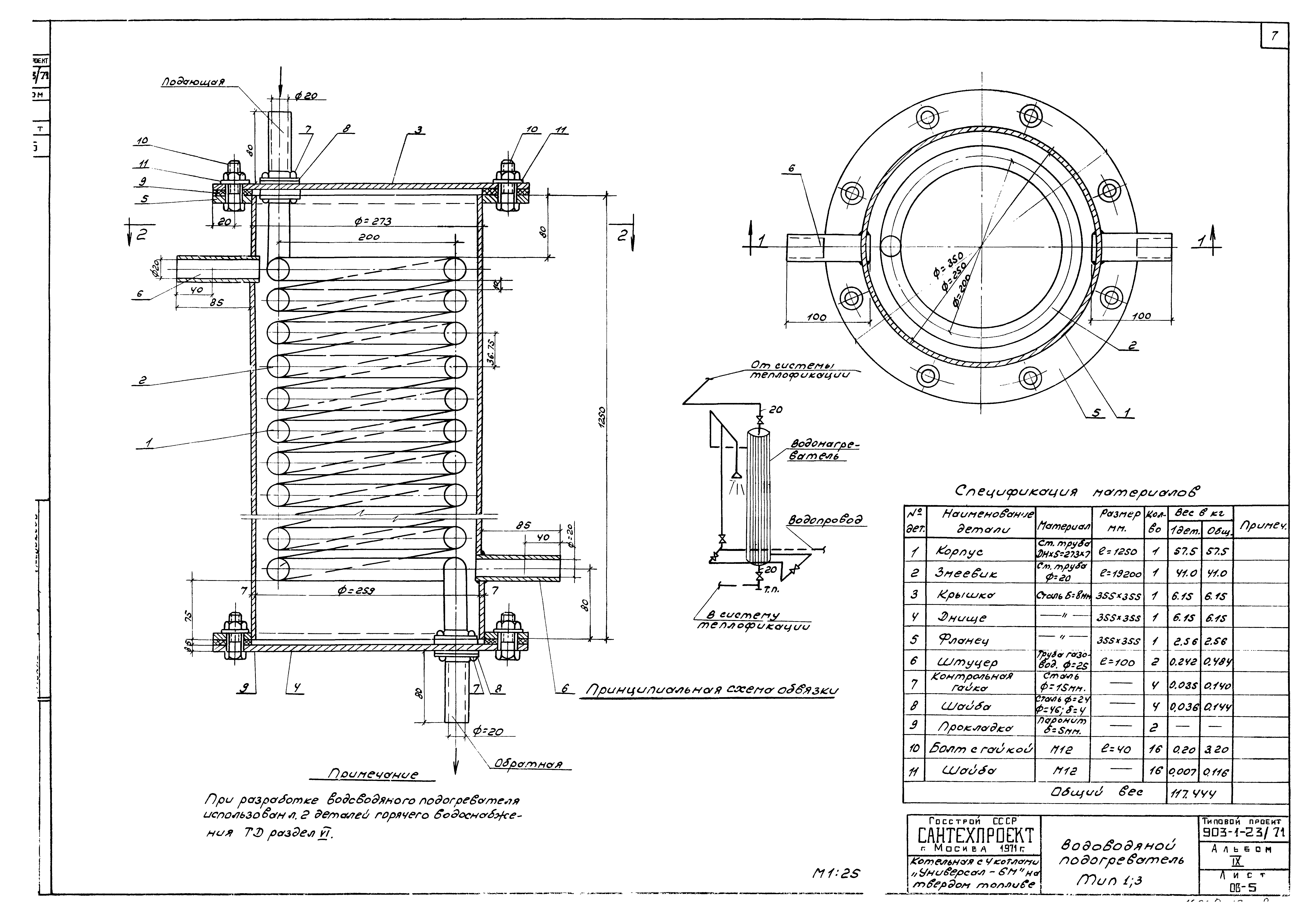
| Оглавление: | Состав альбома ОВ-1 Перечень чертежей марки ОВ и типовых чертежей, применяемых в проекте. Тип 1, 2, 3 ОВ-2 Заглавный лист. Тип 1, 2, 3 ОВ-3 План и разрез. Схемы трубопроводов парового отопления и горячего водоснабжения. Схемы воздуховодов систем ВЕ-1, ВЕ-2 и ВЕ-3. Тип 1, 3 ОВ-4 План и разрез. Схемы трубопроводов парового отопления и горячего водоснабжения. Схемы воздуховодов систем ВЕ-1, ВЕ-2 и ВЕ-3. Тип 2 ОВ-5 Водоводяной подогреватель. Тип 1, 3 ОВ-6 Паровой водоподогреватель. Тип 2 ОВ-7 Сводная спецификация. Тип 1, 2, 3 ВК-1 Пояснительная записка. Условные обозначения. Состав проекта ВК-2 Таблицы потребления и сброса воды ВК-3 План с сетями водопровода и канализации. Схемы водопровода и канализации ВК-4 Спецификация |
| Разработан: | ГПИ Сантехпроект Госстроя СССР |
| Утверждён: | 15.02.1973 Главпромстройпроект Госстроя СССР (7) |
| Заменяет собой: |
|














