Скачать ТУ 13-03-3-86 Мешки полиэтиленовые для мягких элементов мебелиДата актуализации: 01.01.2021
|
| Обозначение: | ТУ 13-03-3-86 |
| Обозначение англ: | TU 13-03-3-86 |
| Статус: | действует |
| Название рус.: | Мешки полиэтиленовые для мягких элементов мебели |
| Дата добавления в базу: | 21.05.2015 |
| Дата актуализации: | 01.01.2021 |
| Дата введения: | 21.01.1987 |
| Область применения: | Технические условия распространяются на мешки полиэтиленовые, предназначенные для упаковывания, транспортирования, хранения и реализации в них мягких элементов мебели. |
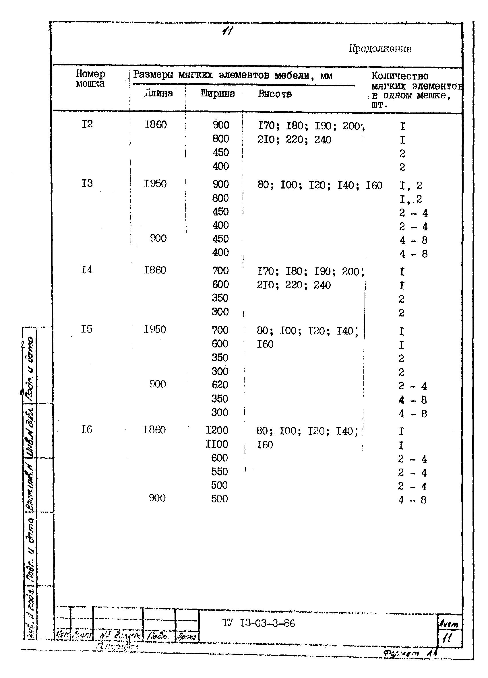
| Оглавление: | 1 Технические требования 2 Правила приемки 3 Методы контроля 4 Транспортирование и хранение Приложение (рекомендуемое). Размеры мягких элементов мебели, упаковываемых в полиэтиленовые мешки |
| Разработан: | ВНПОмебельпром |
| Утверждён: | 26.12.1986 Минлесбумпром СССР (USSR Minlesbumprom ) |
| Принят: | 22.10.1986 НИИАТ (3070/4148) 06.06.1986 ЦНИЛПОЛИМЕРКОНТЕЙНЕР (13-9/1800) 09.12.1986 ВНИЭКИТУ (057/05-6093) 16.07.1986 ПНО Пластик (410/2224) 07.08.1986 Главное управление контейнерных перевозок МПС СССР (2233-01/3138) 20.06.1986 Главкультбытторг Министерства торговли СССР (4-9-47) |
| Заменяет собой: |
|
| Нормативные ссылки: |
|



















