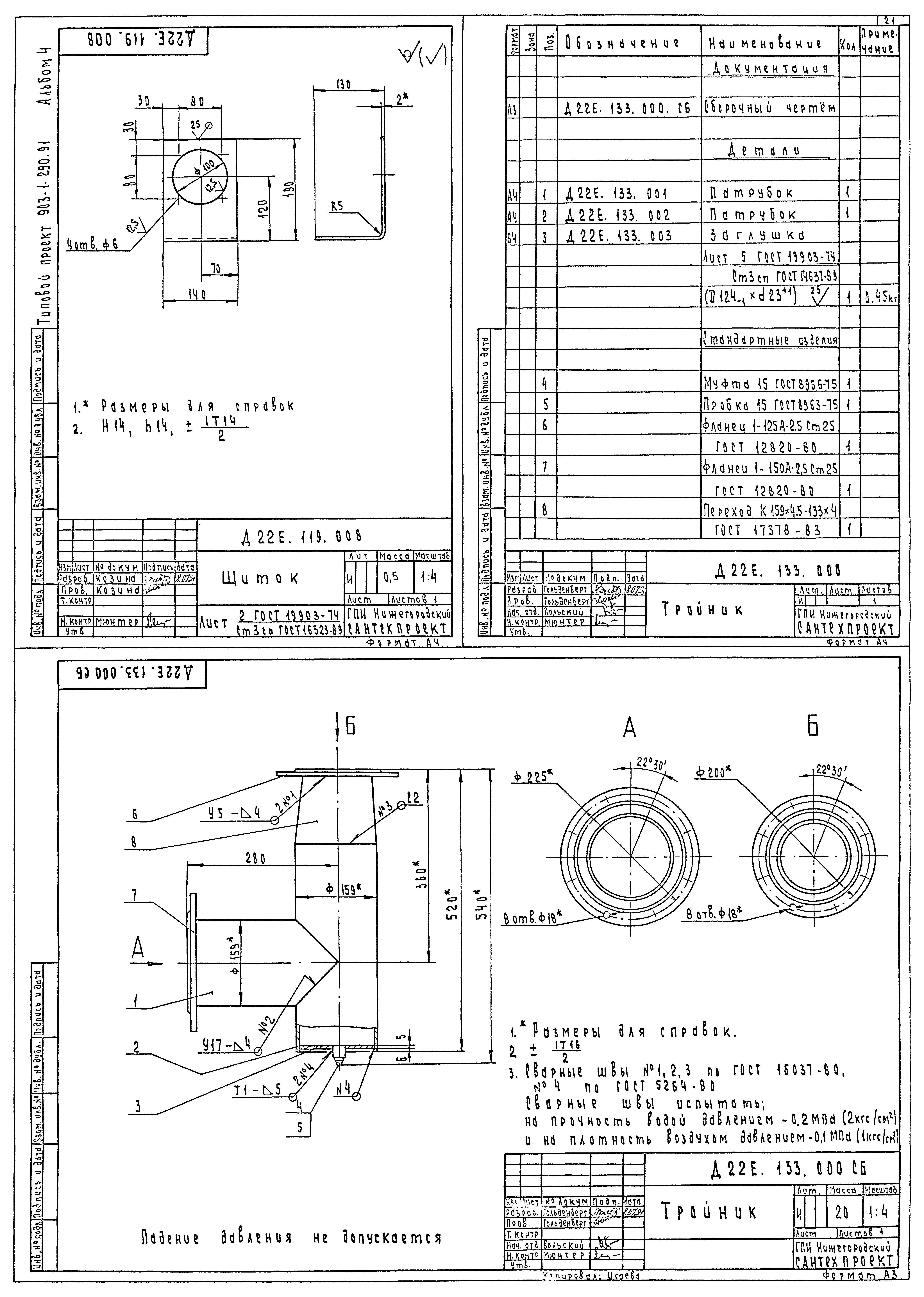
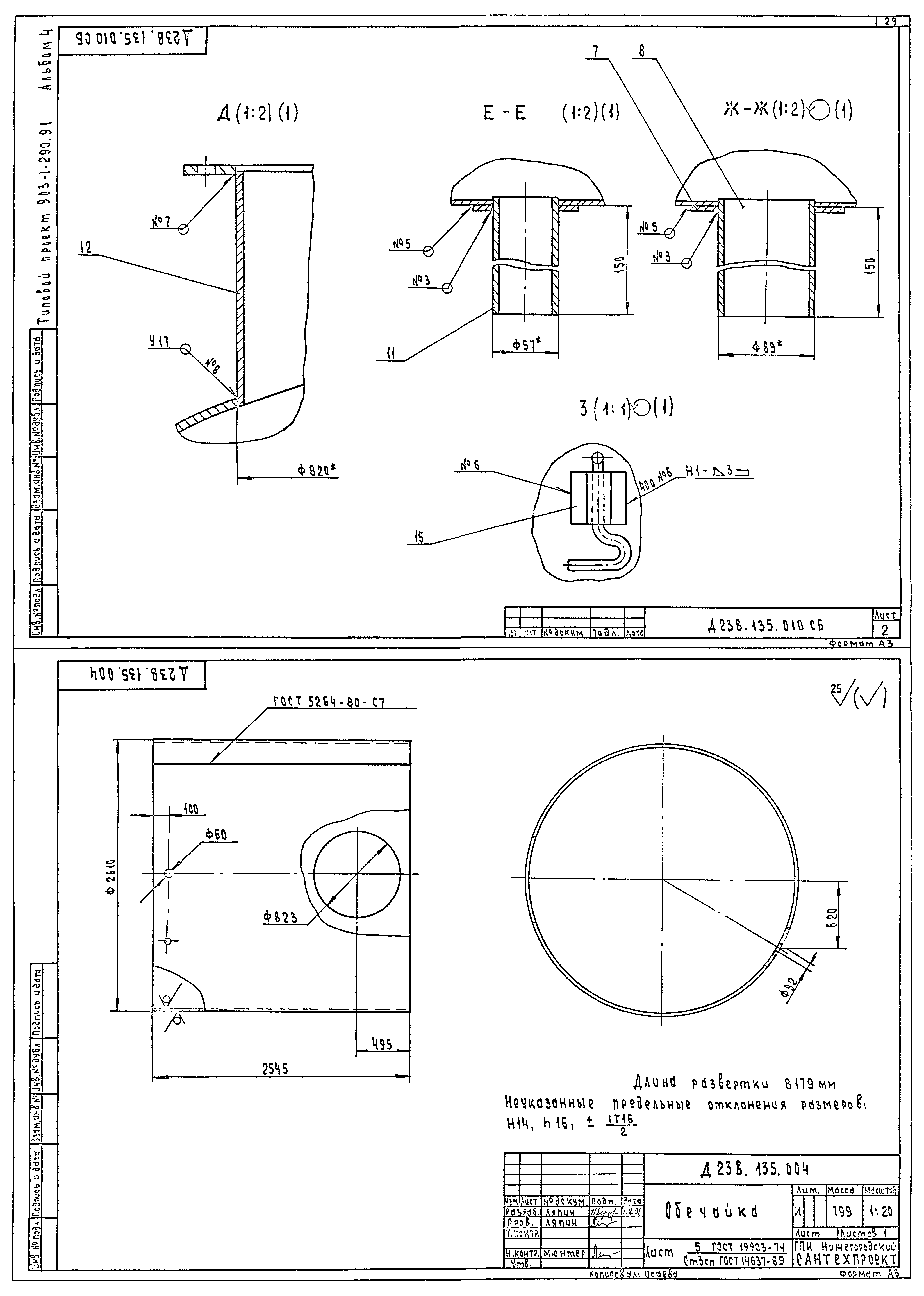
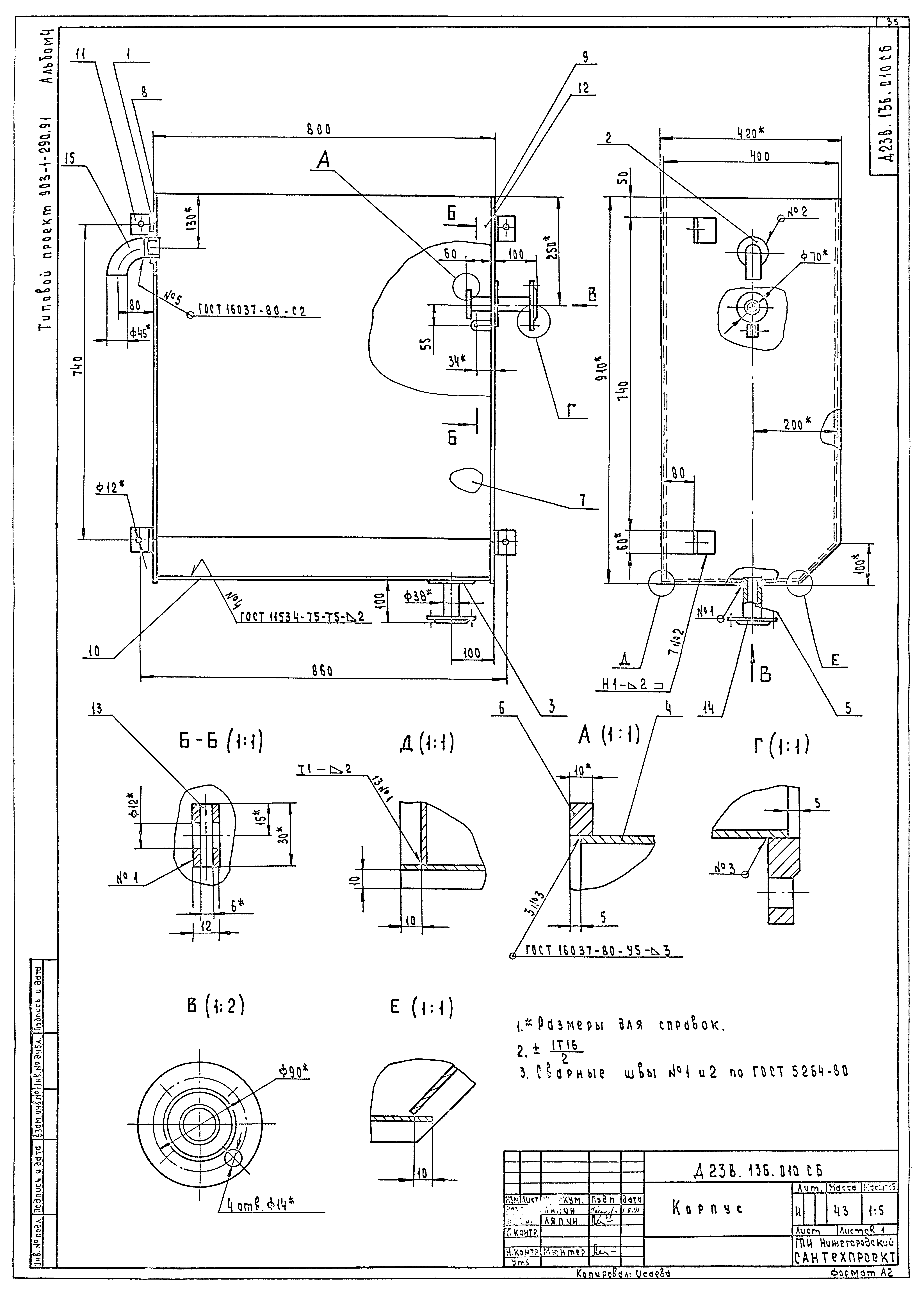
Скачать Типовой проект 903-1-290.91 Альбом 4. Оборудование технологическое. Рабочие чертежиДата актуализации: 01.01.2021
|
| Обозначение: | Типовой проект 903-1-290.91 |
| Обозначение англ: | 903-1-290.91 |
| Статус: | не определен законодательством |
| Название рус.: | Альбом 4. Оборудование технологическое. Рабочие чертежи |
| Дата добавления в базу: | 21.05.2015 |
| Дата актуализации: | 01.01.2021 |
| Дата введения: | 13.11.1991 |
| Дата окончания срока действия: | 30.06.2003 |
| Разработан: | Нижегородский Сантехпроект |
| Утверждён: | 13.11.1991 ГПИ Нижегородский Сантехпроект (70) |












































