Скачать Руководство по определению экономической эффективности использования новой техники, изобретений и рационализаторских предложений в производстве строительных конструкций и деталей из сборного железобетонаДата актуализации: 01.01.2021 |
| Статус: | справочные материалы, мп, тпр |
| Название рус.: | Руководство по определению экономической эффективности использования новой техники, изобретений и рационализаторских предложений в производстве строительных конструкций и деталей из сборного железобетона |
| Дата добавления в базу: | 21.05.2015 |
| Дата актуализации: | 01.01.2021 |
| Область применения: | В документе рассмотрены основные методические положения по определению экономической эффективности использования новой техники с учетом специфических особенностей отрасли. Приведены порядок расчетов и типовые примеры определения годового экономического эффекта от использования новой техники промышленностью сборного железобетона, а также от производимых ею новых видов сборных железобетонных конструкций и деталей. Изложена методика определения величины косвенных расходов в себестоимости продукции оцениваемой техники. Для инженерно-технических работников предприятий и объединений сборного железобетона, проектных и научно-исследовательских организаций. |
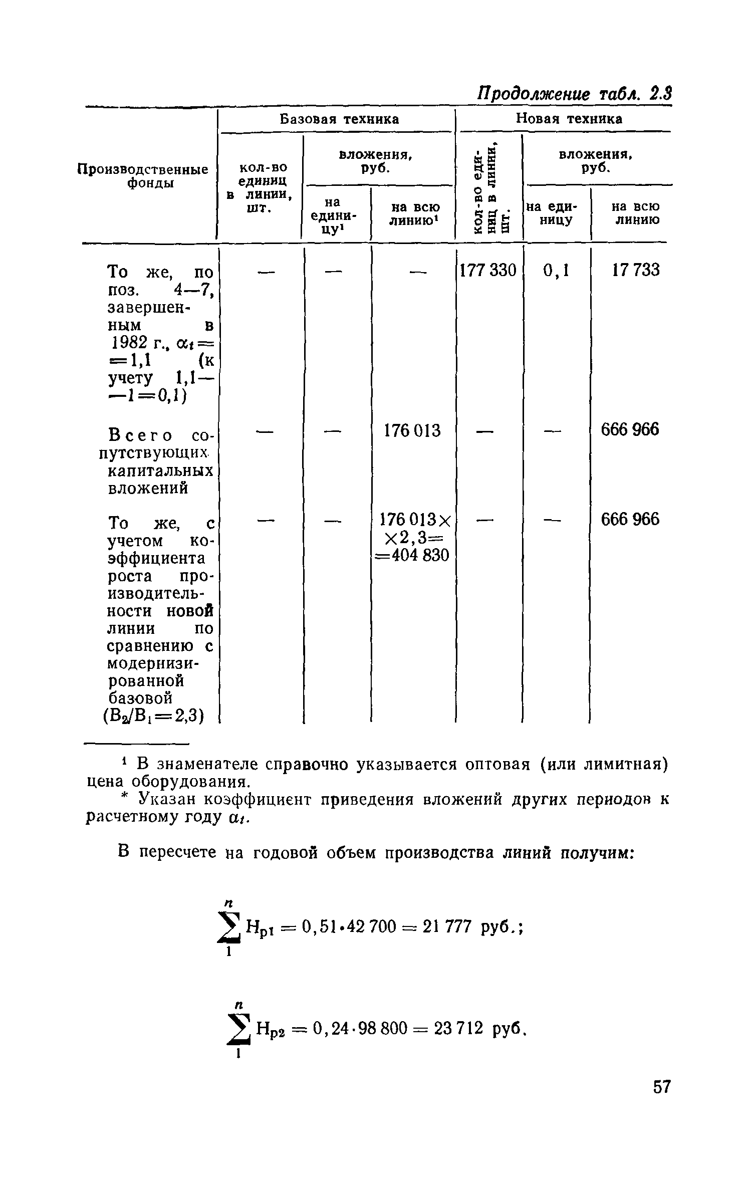
| Оглавление: | Предисловие 1. Общие положения 2. Определение экономической эффективности новой техники и выбор вариантов 3. Определение основных показателей и последовательность выполнения расчетов экономической эффективности 4. Особенности расчета экономического эффекта от использования изобретений и рационализаторских предложений при определении размеров авторского вознаграждения 5. Примеры расчетов Приложение 1. Коэффициенты приведения по фактору времени Приложение 2. Коэффициенты реновации новой техники Приложение 3. Методика отнесения косвенно распределяемых затрат (расходов на содержание и эксплуатацию оборудования, цеховых и общезаводских и других расходов) на себестоимость конкретных видов продукции Список литературы |
| Разработан: | ВНИИжелезобетон Минстройматериалов СССР |
| Утверждён: | ВНИИжелезобетон Минстройматериалов СССР |
| Издан: | Стройиздат (1981 г. ) |
| Список изменений: | |
| Нормативные ссылки: |
|















































































































































































































Текстовое изменение опечатки