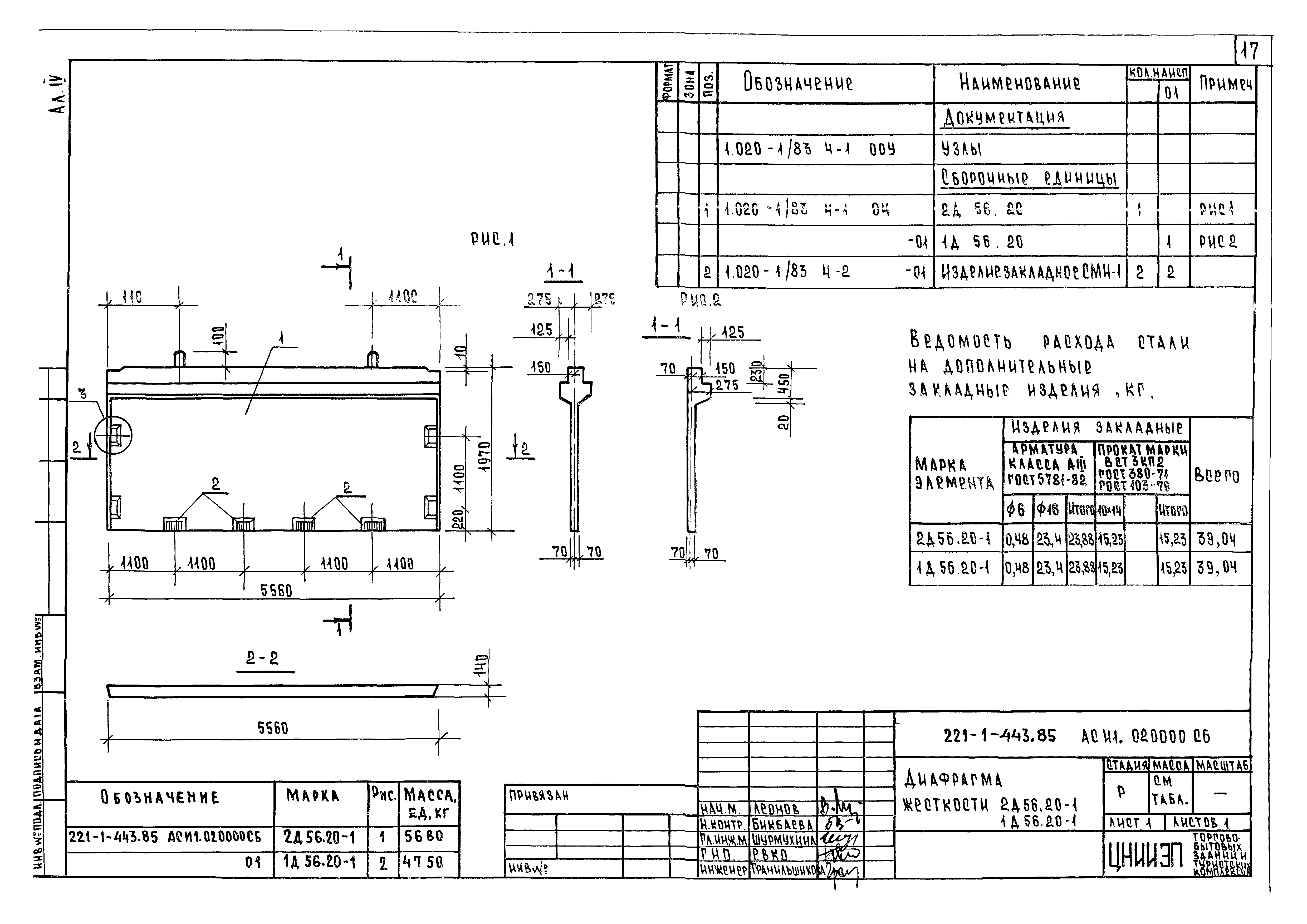
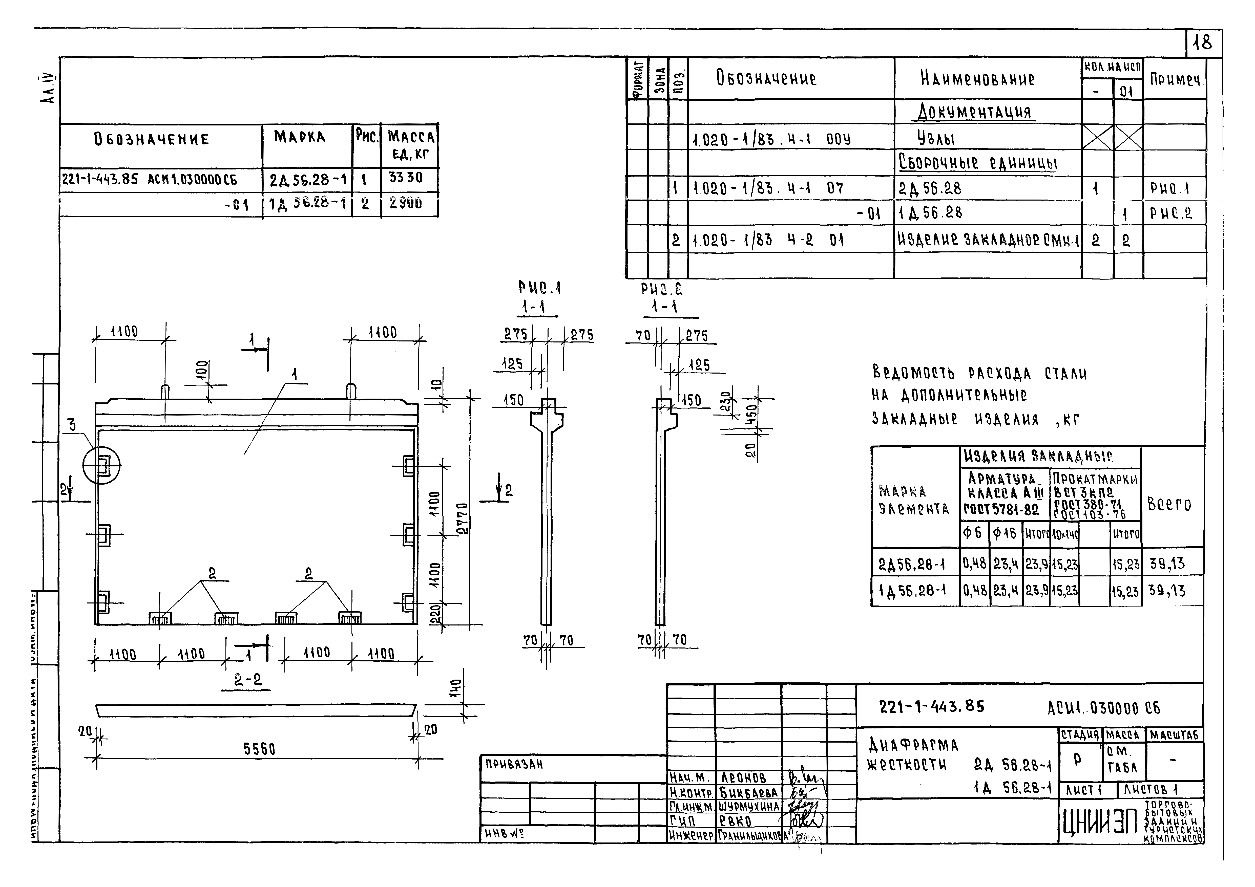
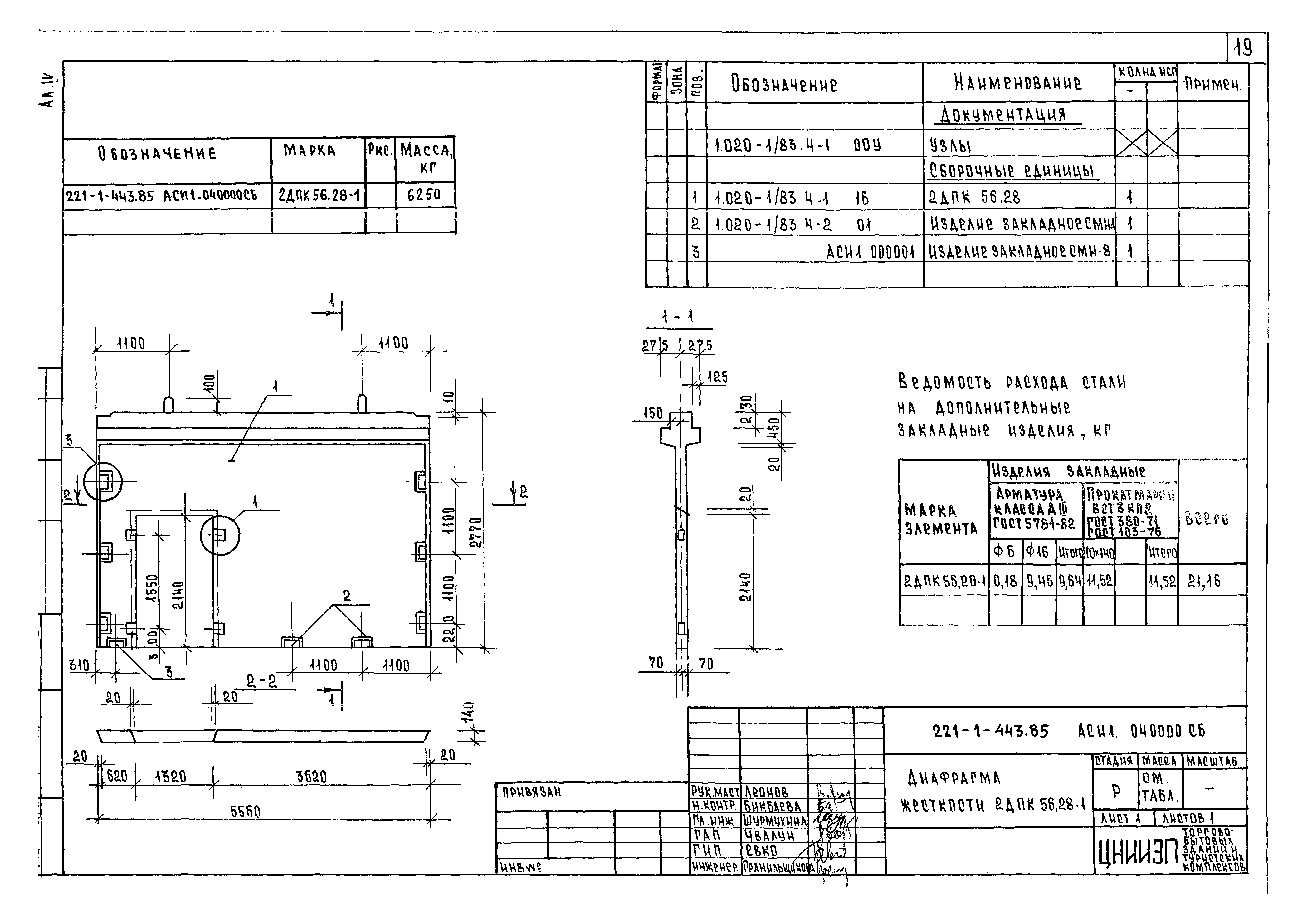
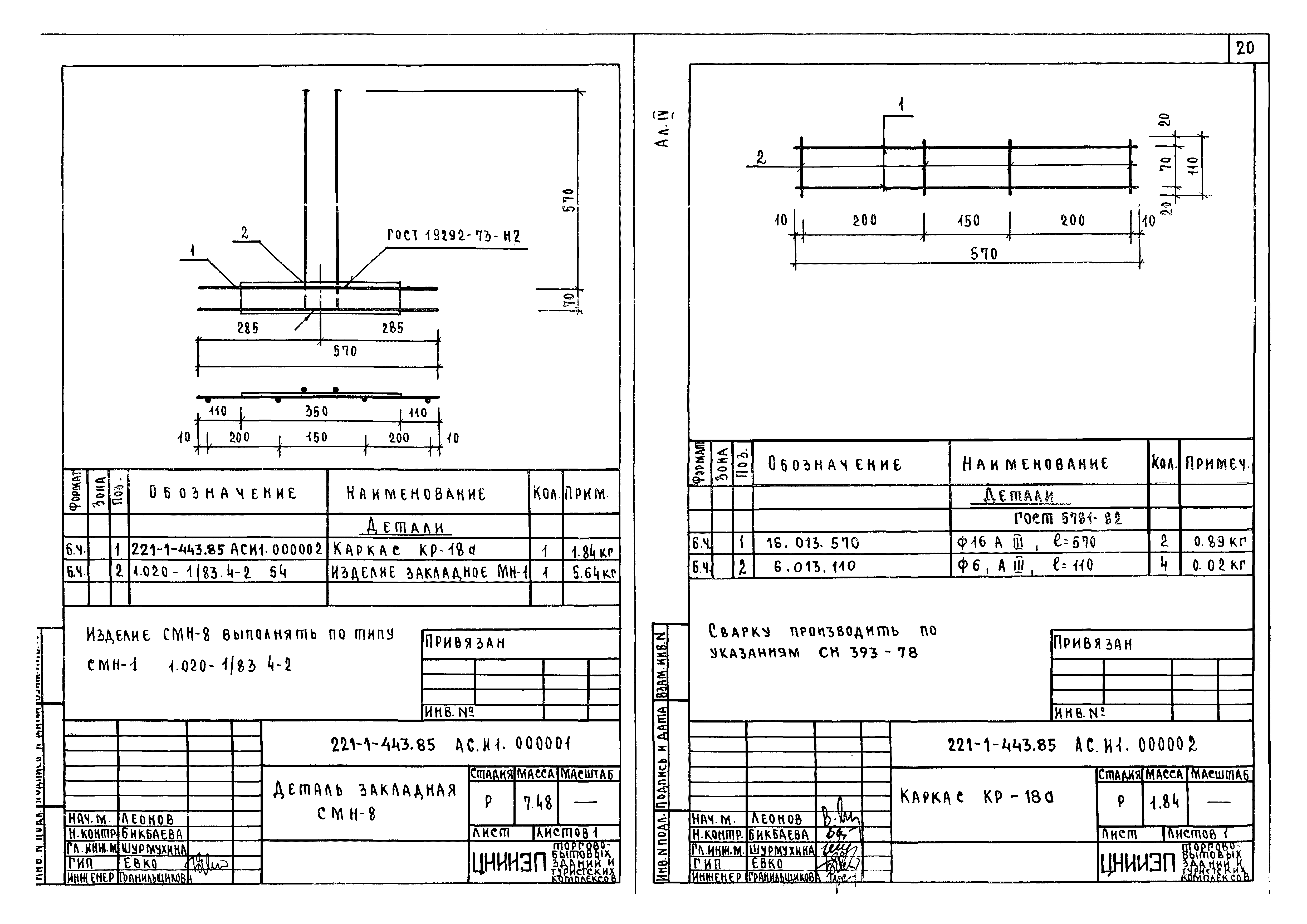
Скачать Типовой проект 221-1-443.85 Альбом IV. Изделия железобетонные заводского изготовления. Изделия монолитные железобетонных конструкций. Изделия металлическиеДата актуализации: 01.01.2021
|
| Обозначение: | Типовой проект 221-1-443.85 |
| Обозначение англ: | 221-1-443.85 |
| Статус: | действует |
| Название рус.: | Альбом IV. Изделия железобетонные заводского изготовления. Изделия монолитные железобетонных конструкций. Изделия металлические |
| Дата добавления в базу: | 21.05.2015 |
| Дата актуализации: | 01.01.2021 |
| Дата введения: | 10.09.1985 |
| Разработан: | ЦНИИЭП торгово-бытовых зданий и торговых комплексов |
| Утверждён: | 24.08.1984 Госгражданстрой (Gosgrazhdanstroy 239) |














































































