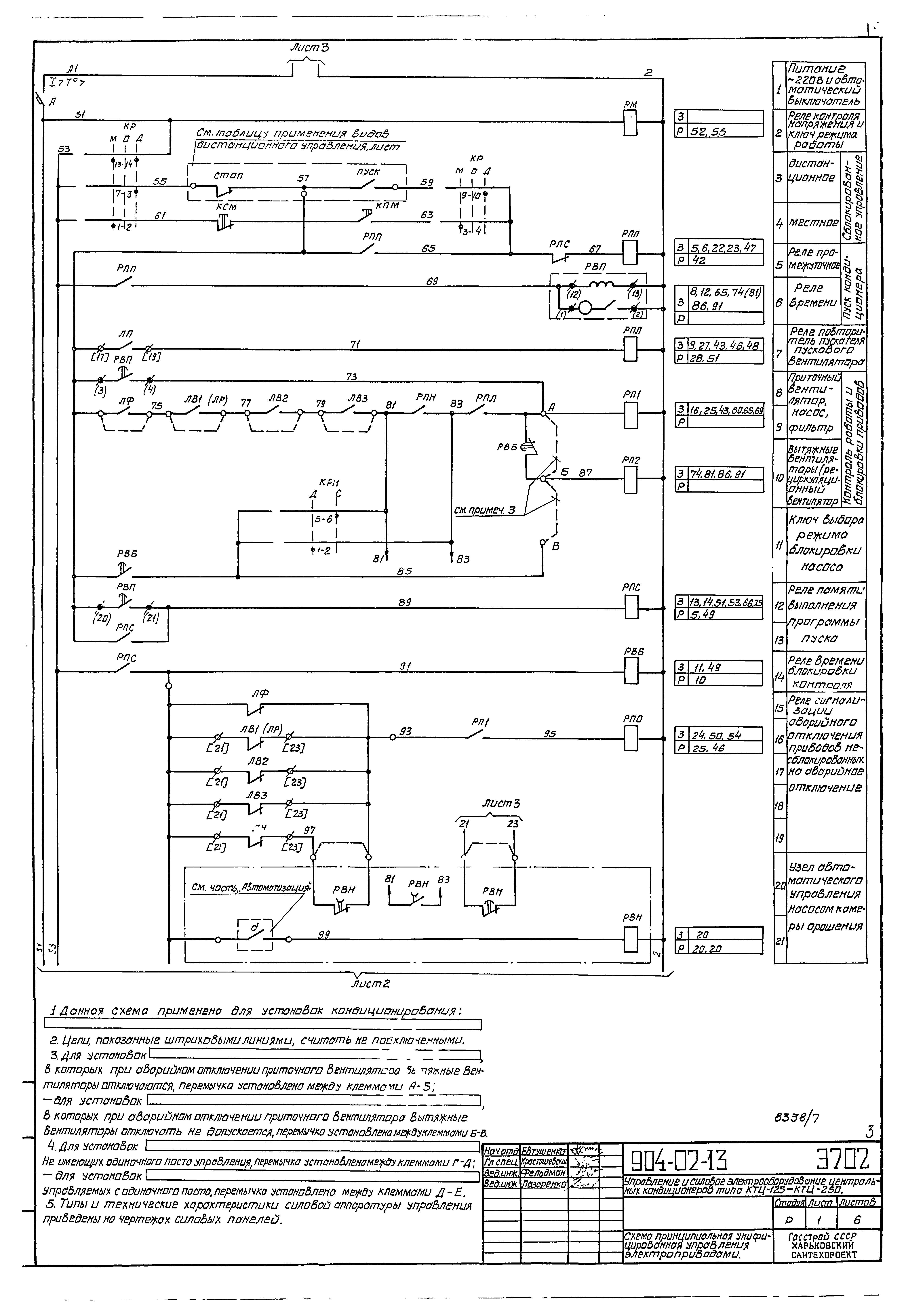
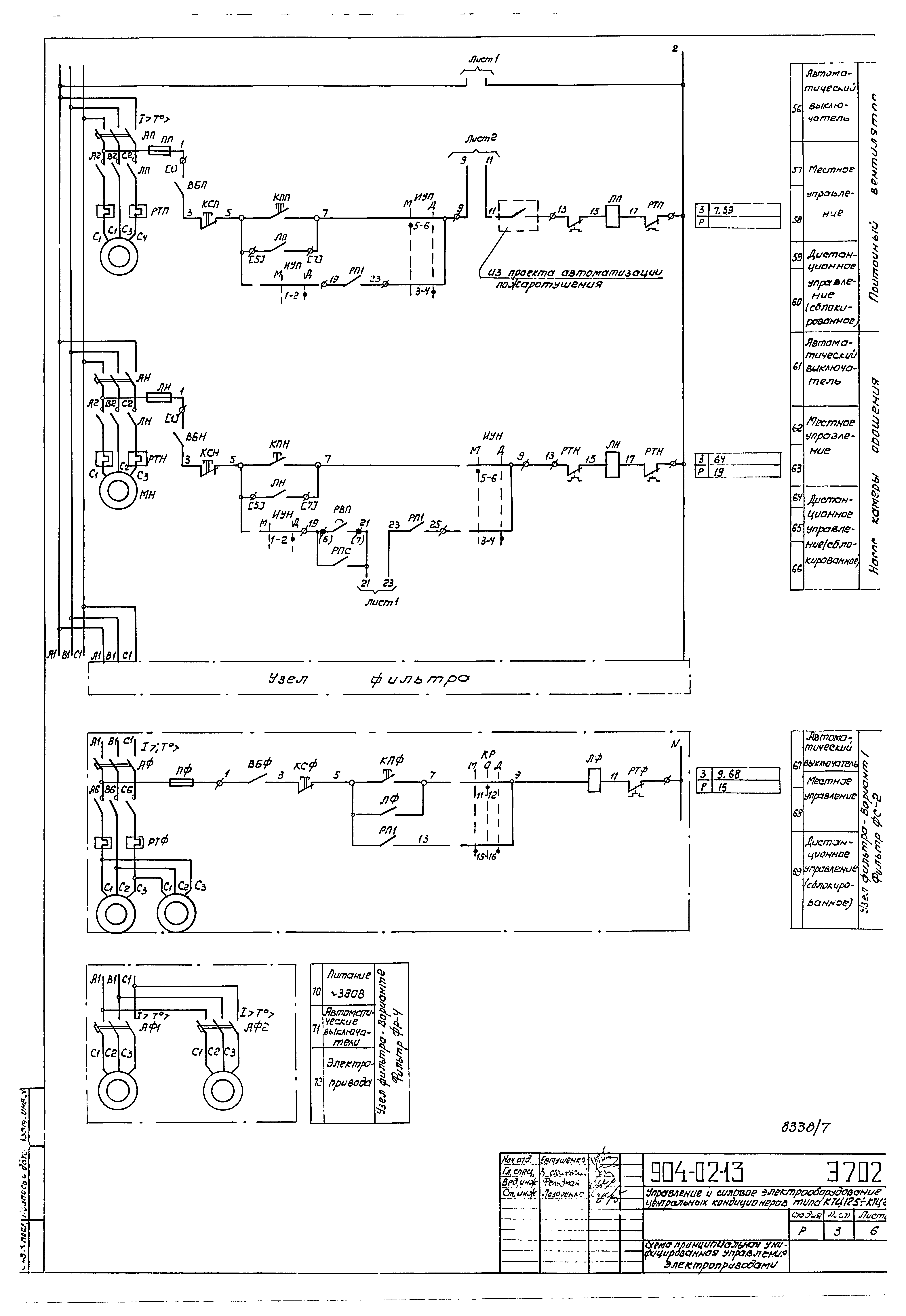
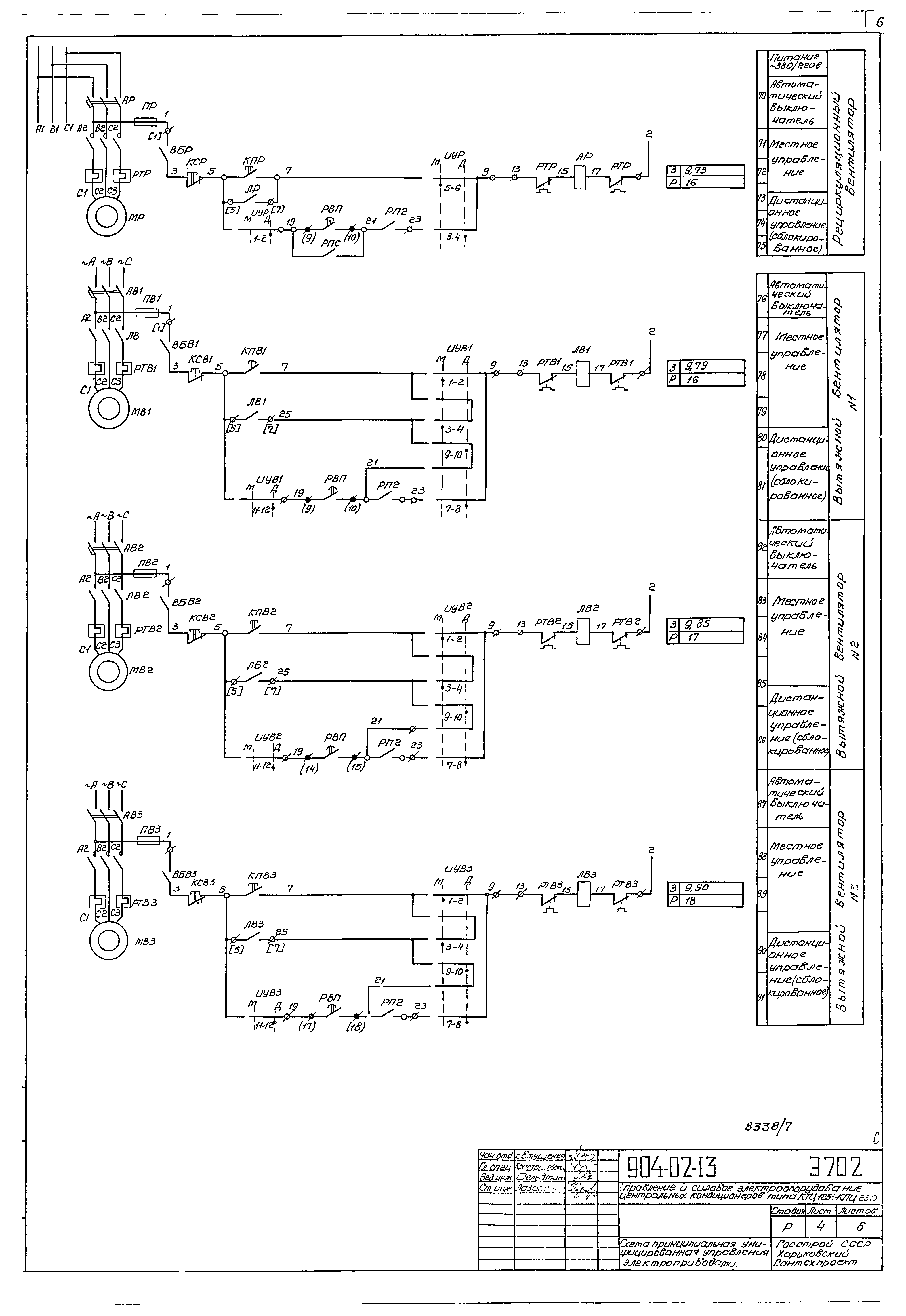
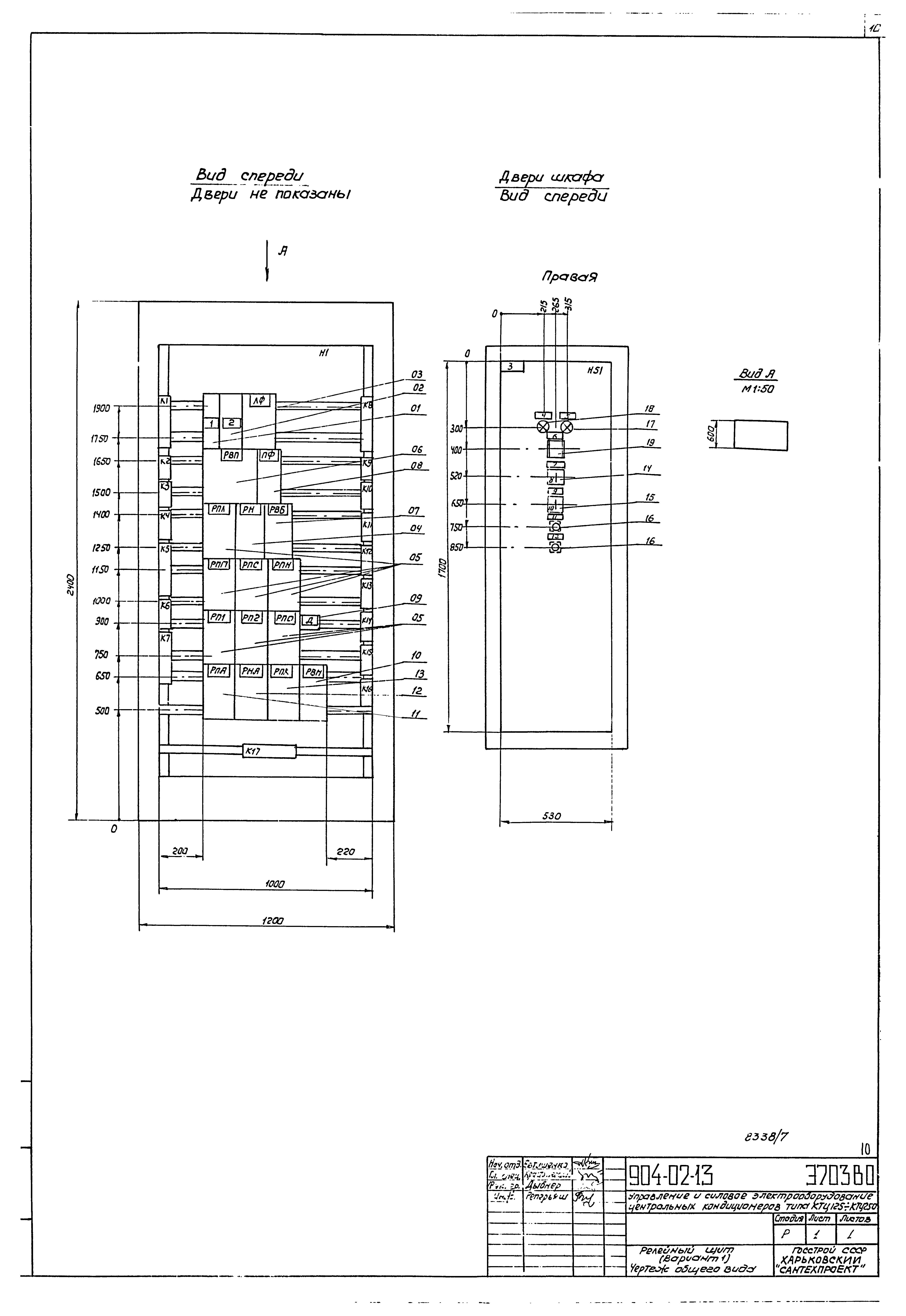
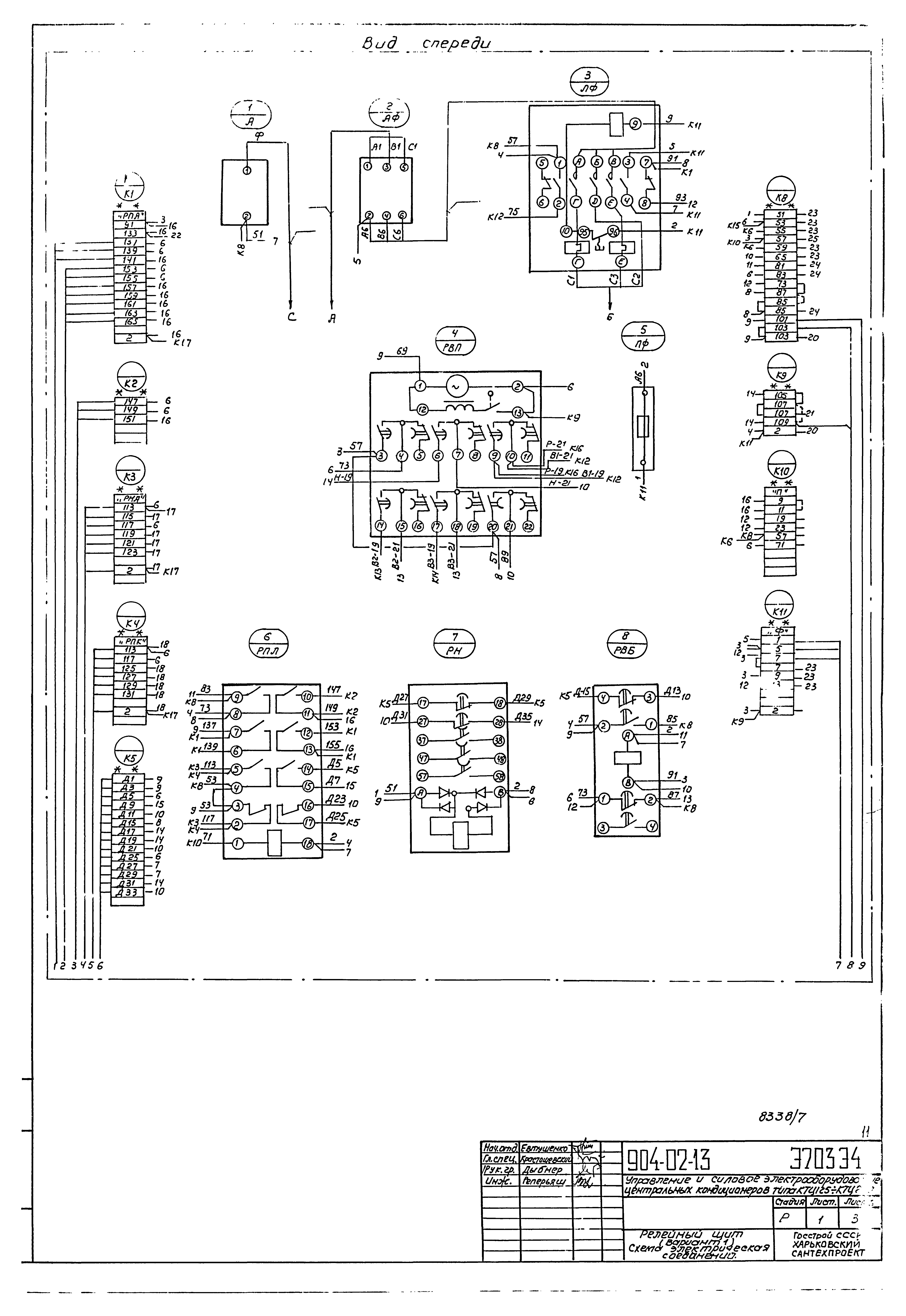
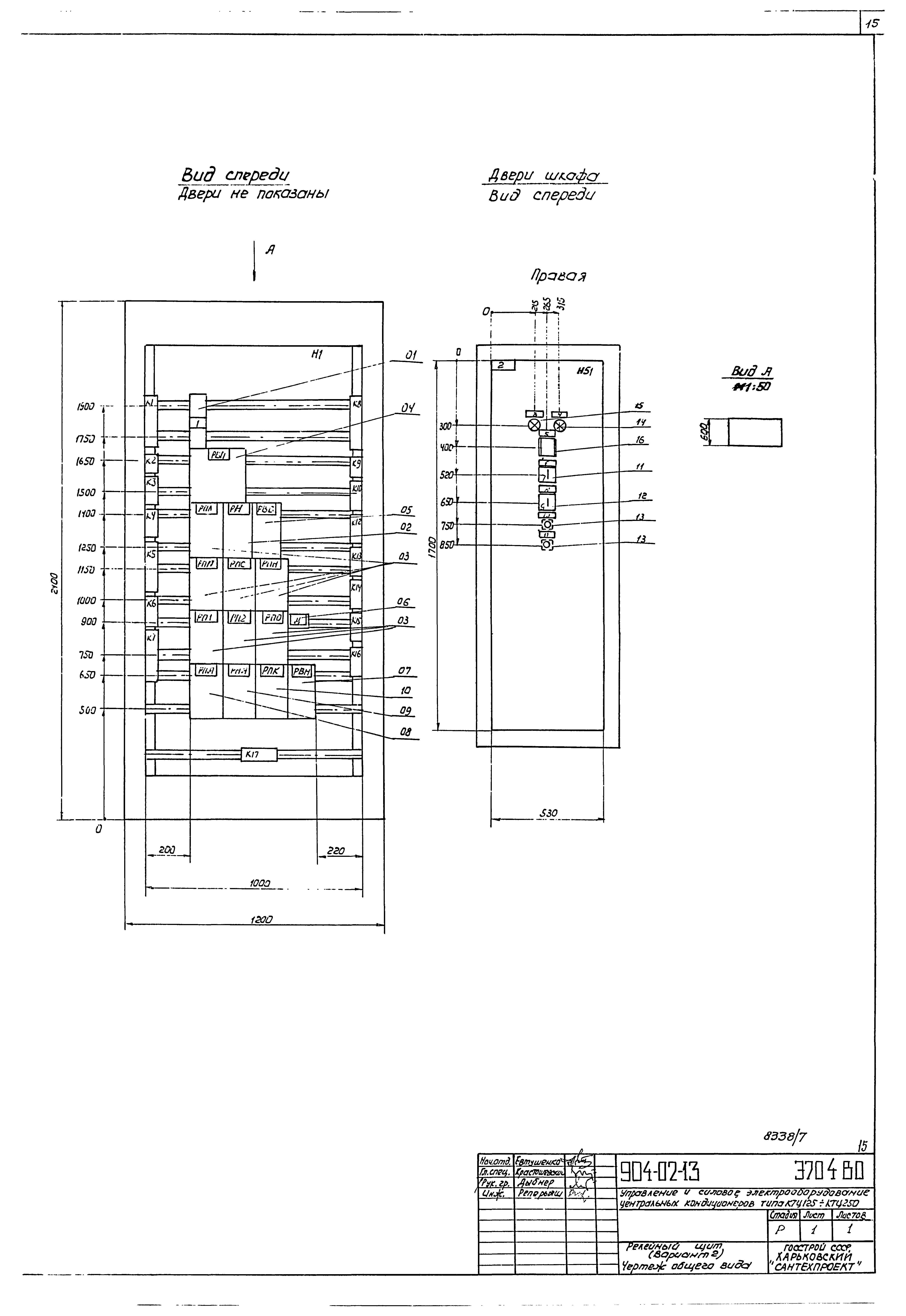
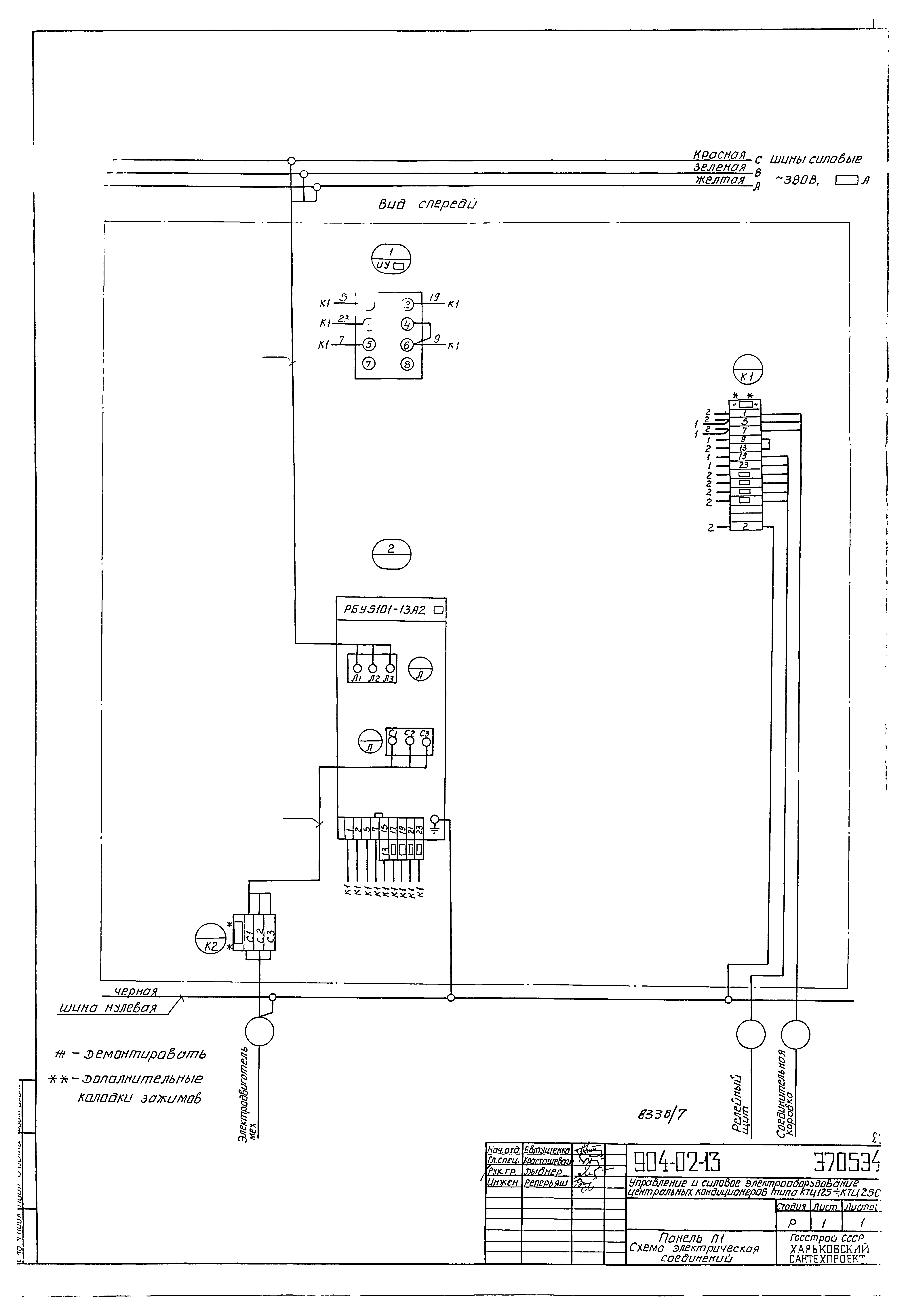
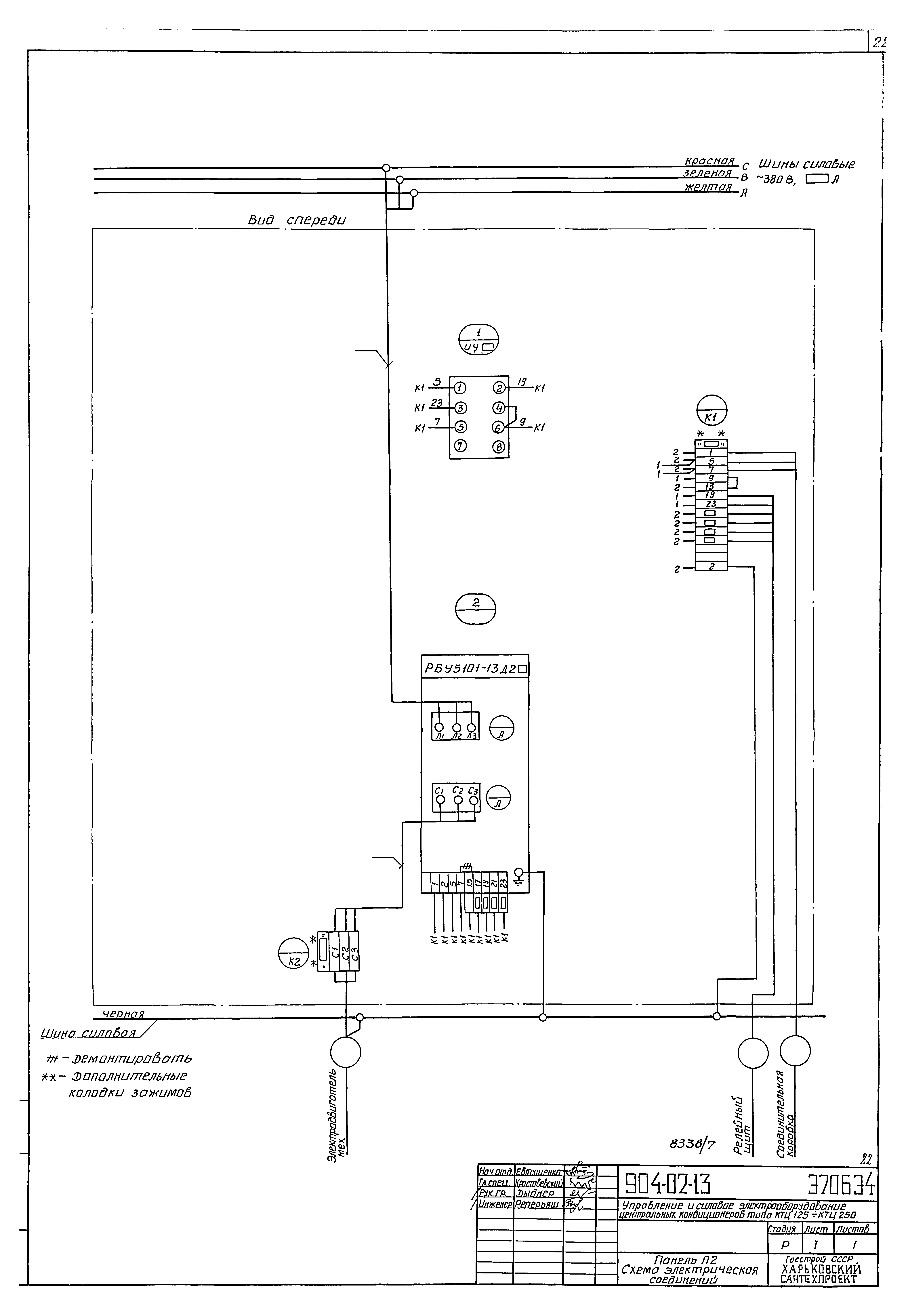
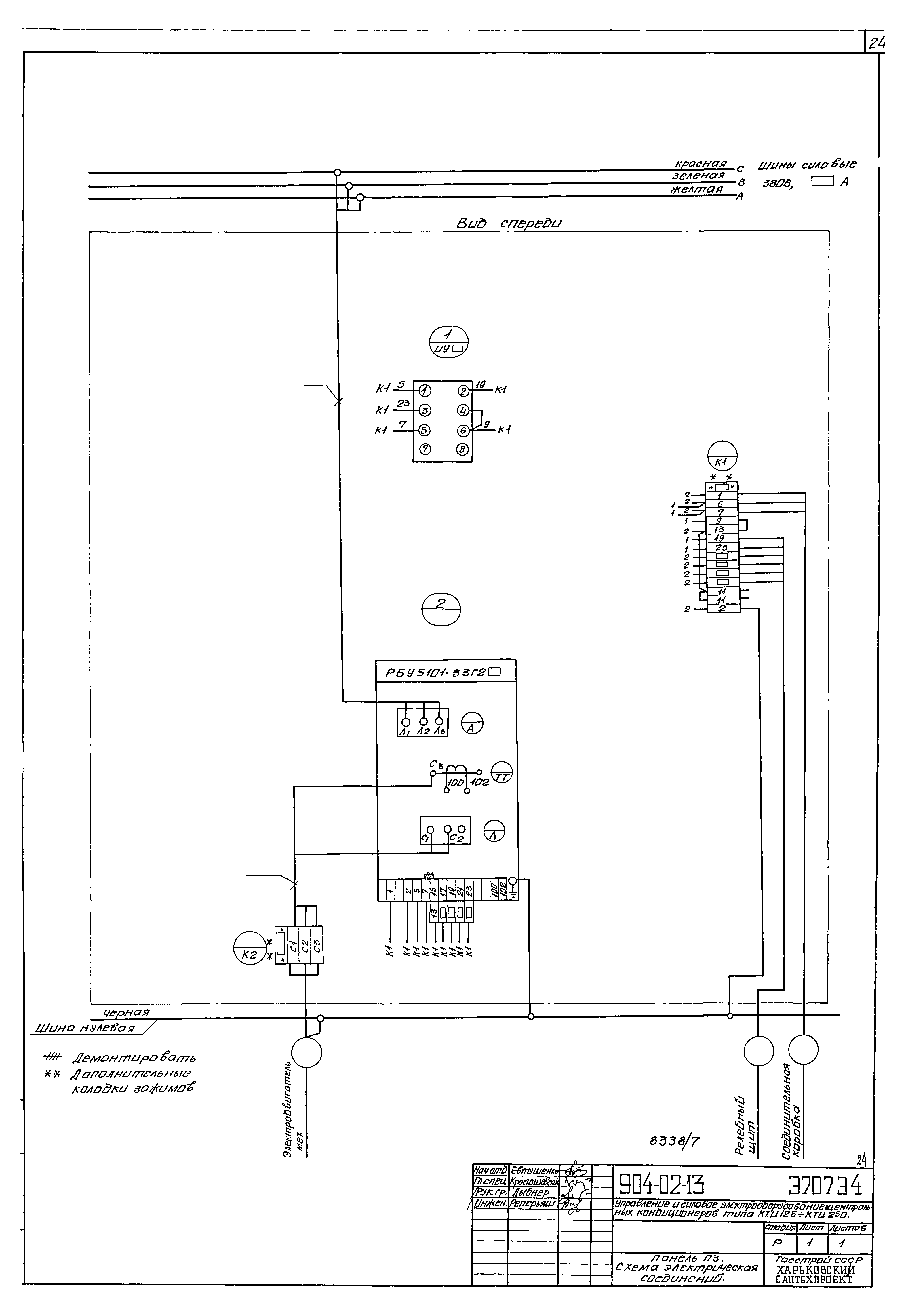
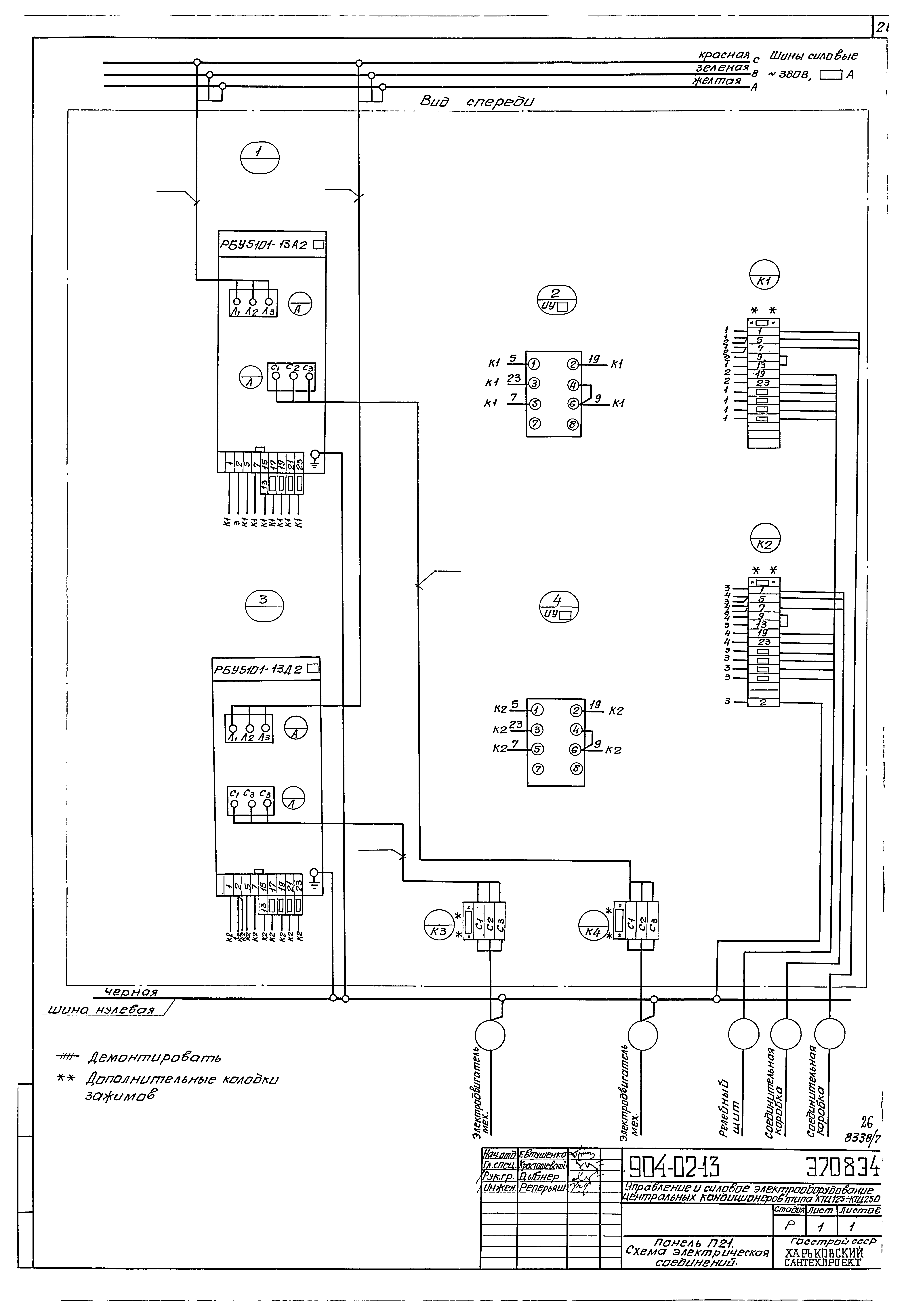
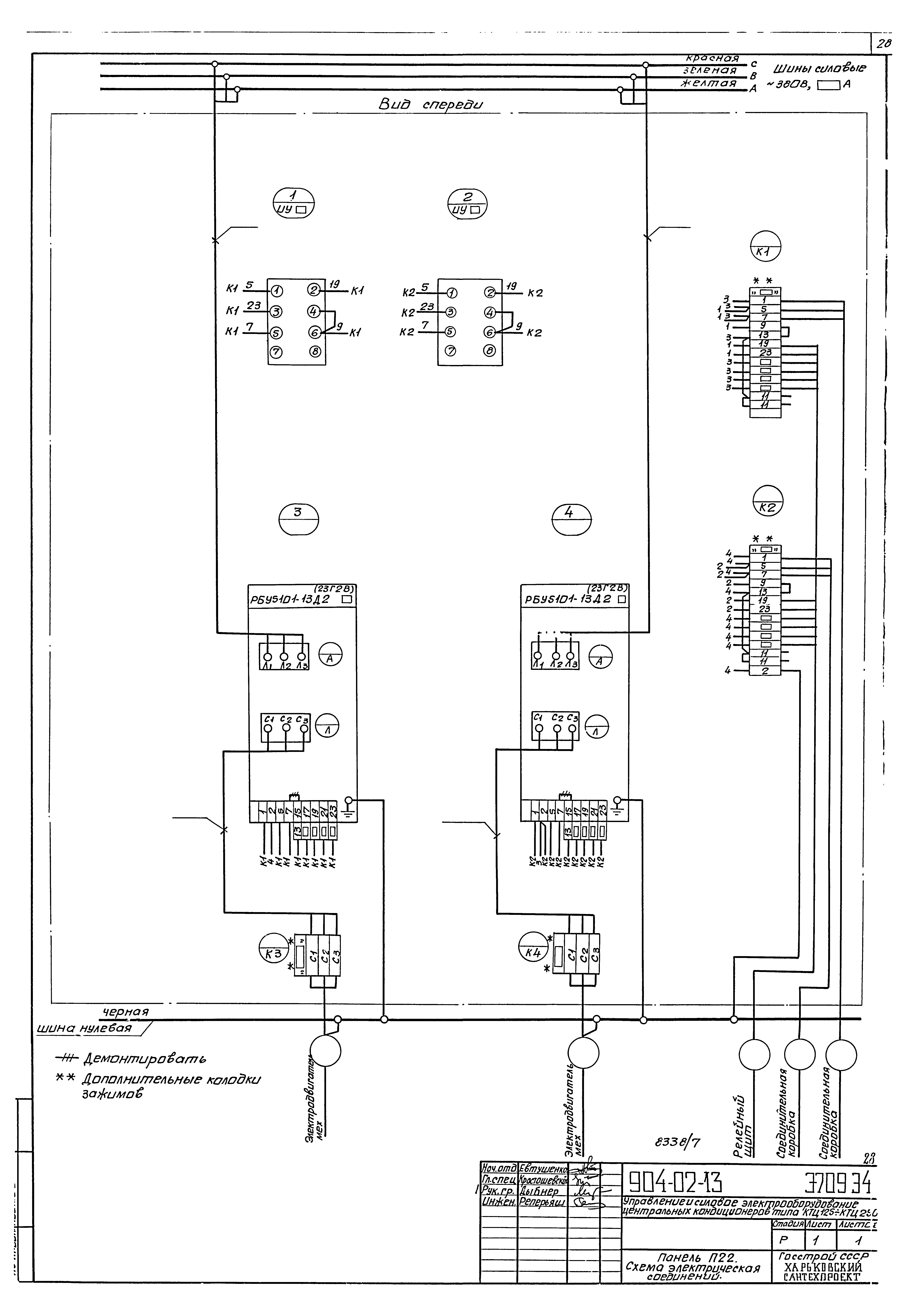
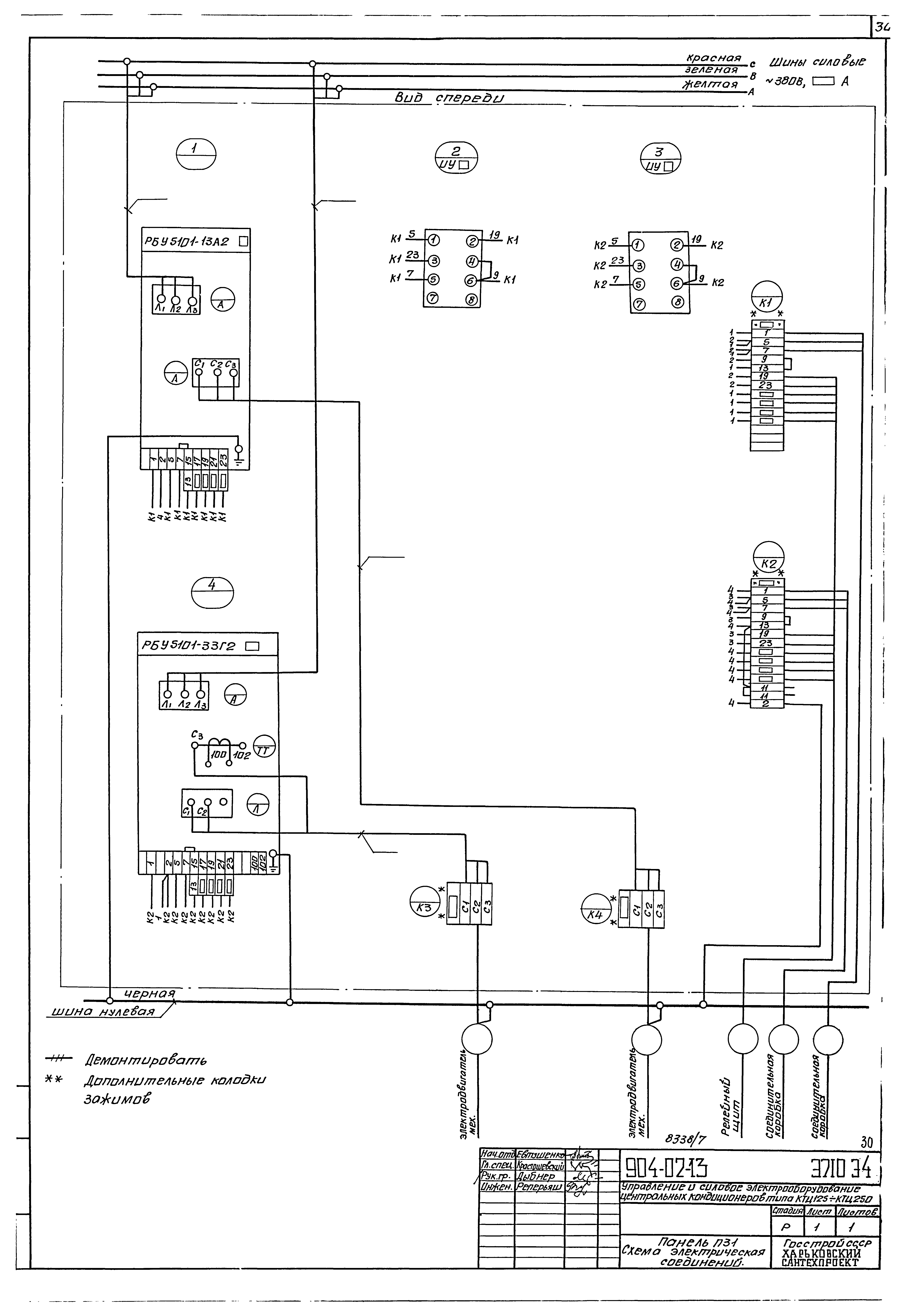
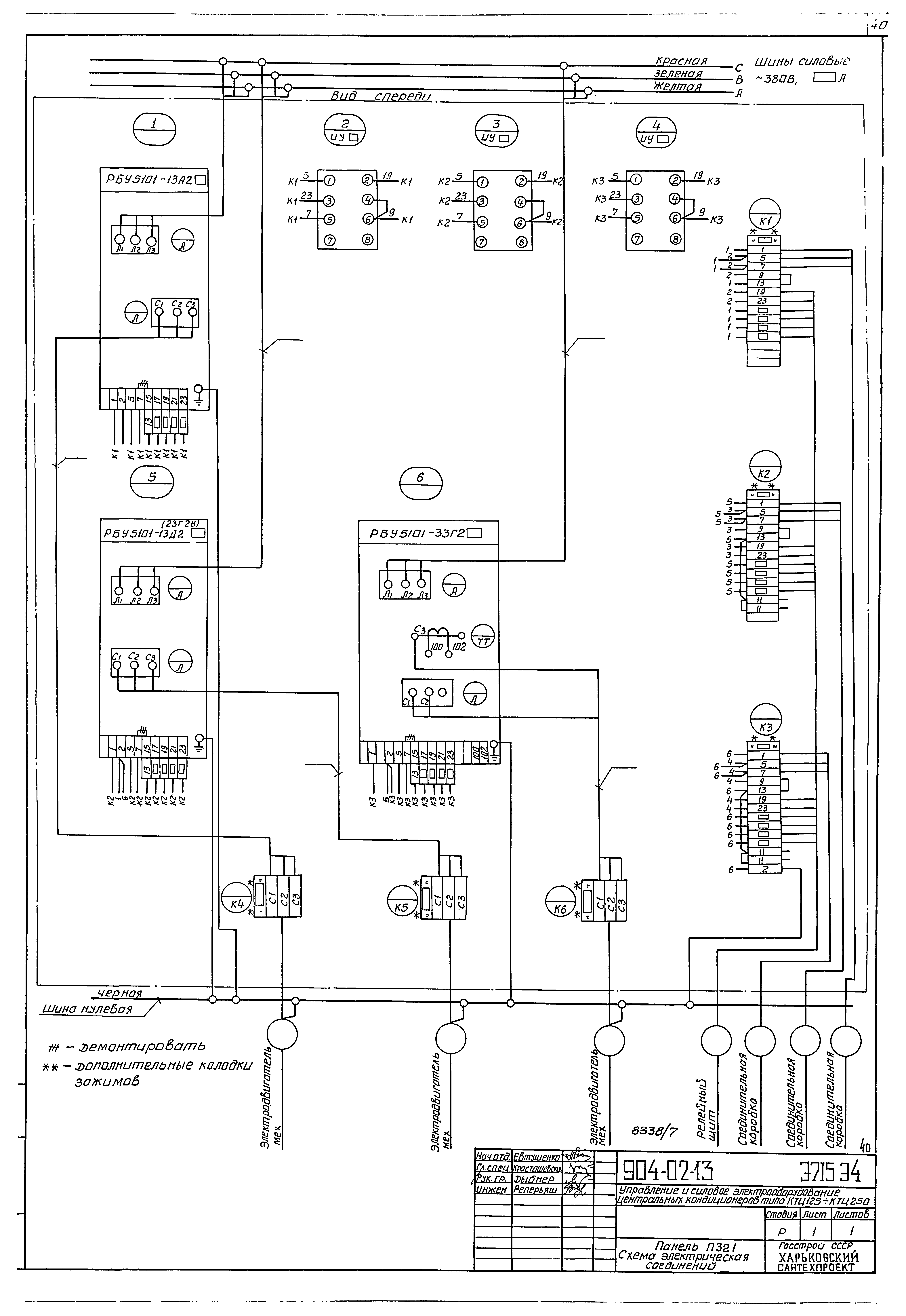
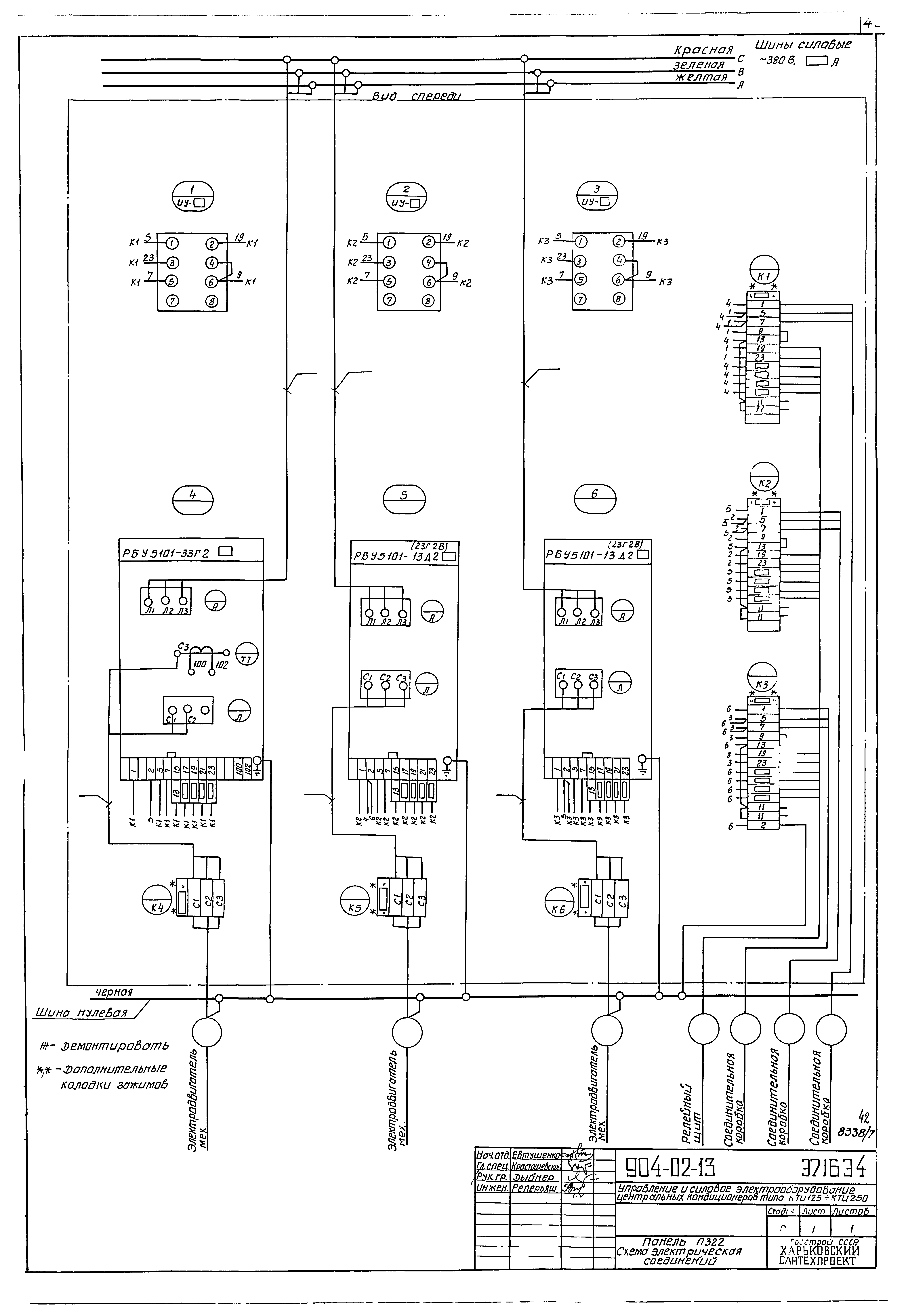
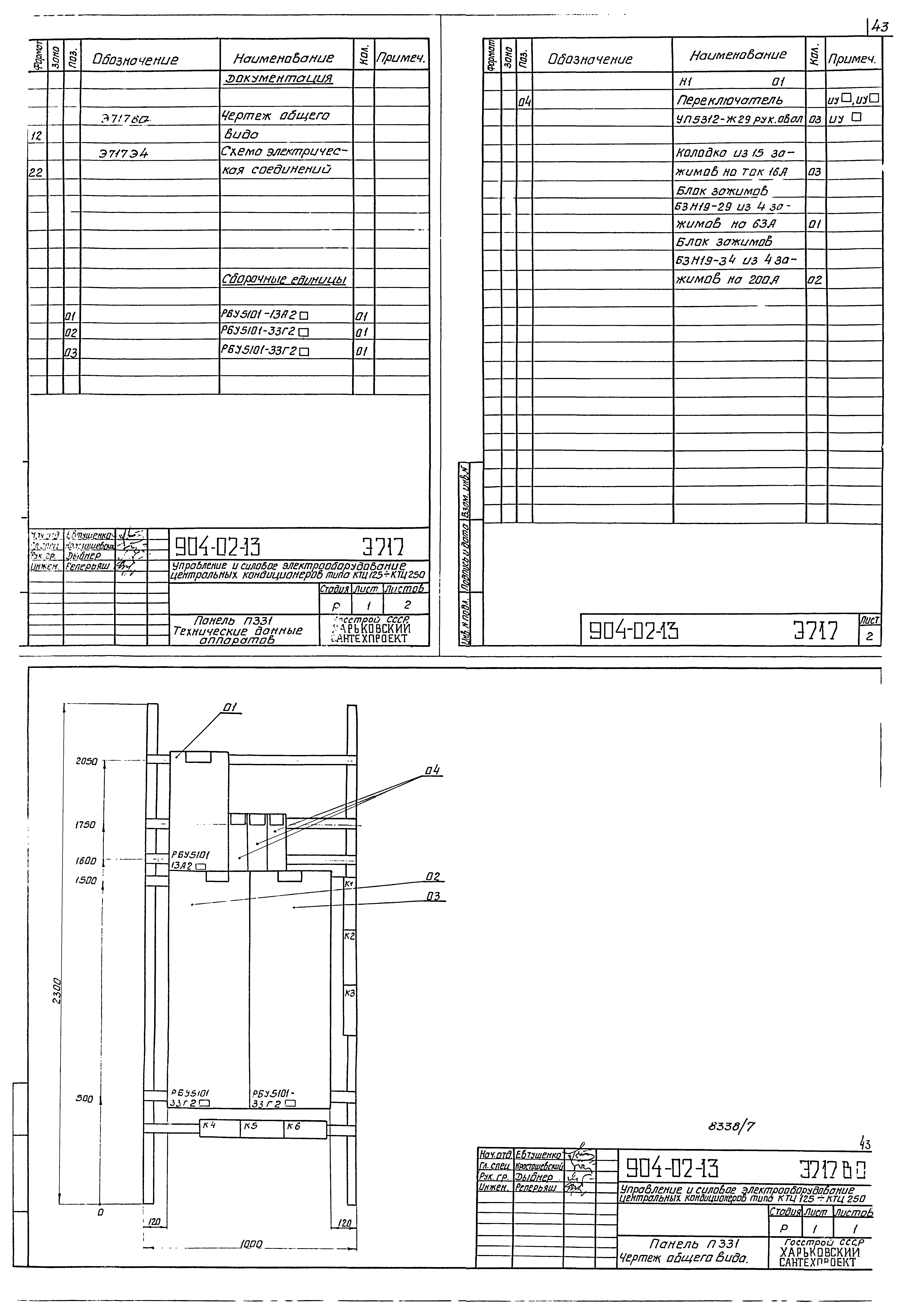
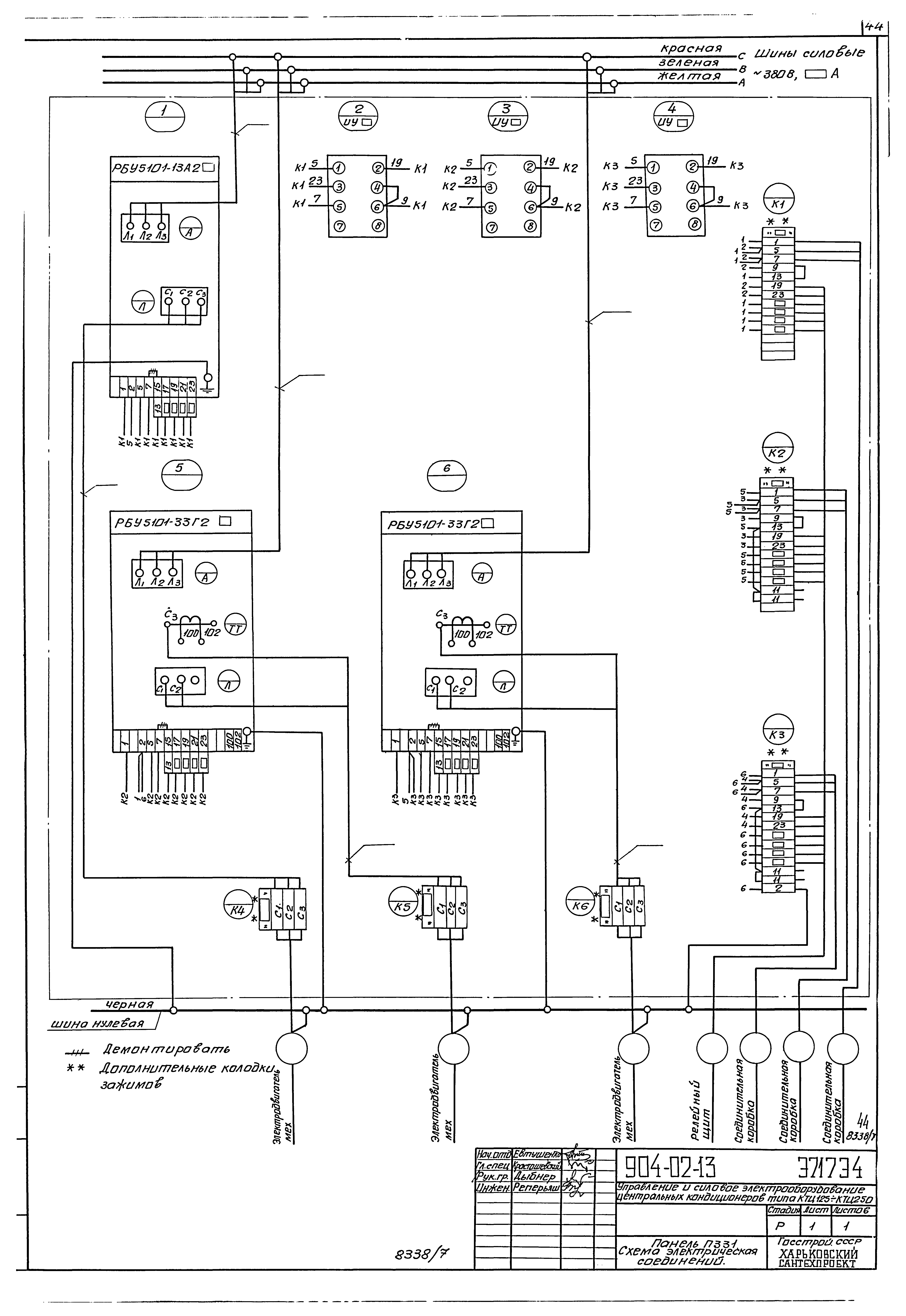
Скачать Типовые проектные решения 904-02-13 Альбом 7. Управление и силовое электрооборудование. Схемы принципиальные. Релейные щиты и силовые панелиДата актуализации: 01.01.2021
|
| Обозначение: | Типовые проектные решения 904-02-13 |
| Обозначение англ: | 904-02-13 |
| Статус: | заменен |
| Название рус.: | Альбом 7. Управление и силовое электрооборудование. Схемы принципиальные. Релейные щиты и силовые панели |
| Дата добавления в базу: | 21.05.2015 |
| Дата актуализации: | 01.01.2021 |
| Дата окончания срока действия: | 01.12.1986 |
| Разработан: | Харьковский Сантехпроект |
| Утверждён: | 03.07.1979 Главпромстройпроект Госстроя СССР (19/5-2540) |
| Чем заменён: |












































