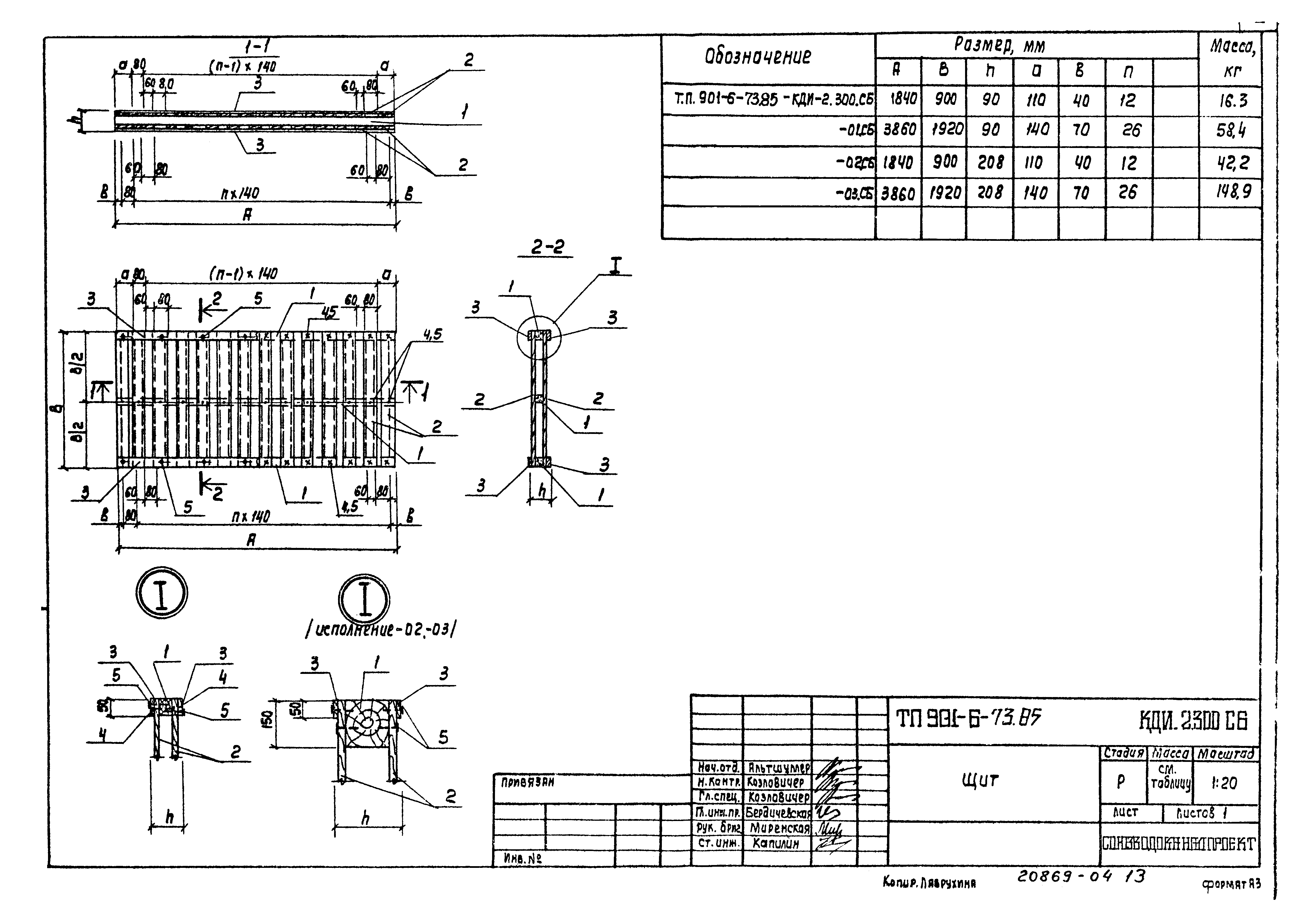
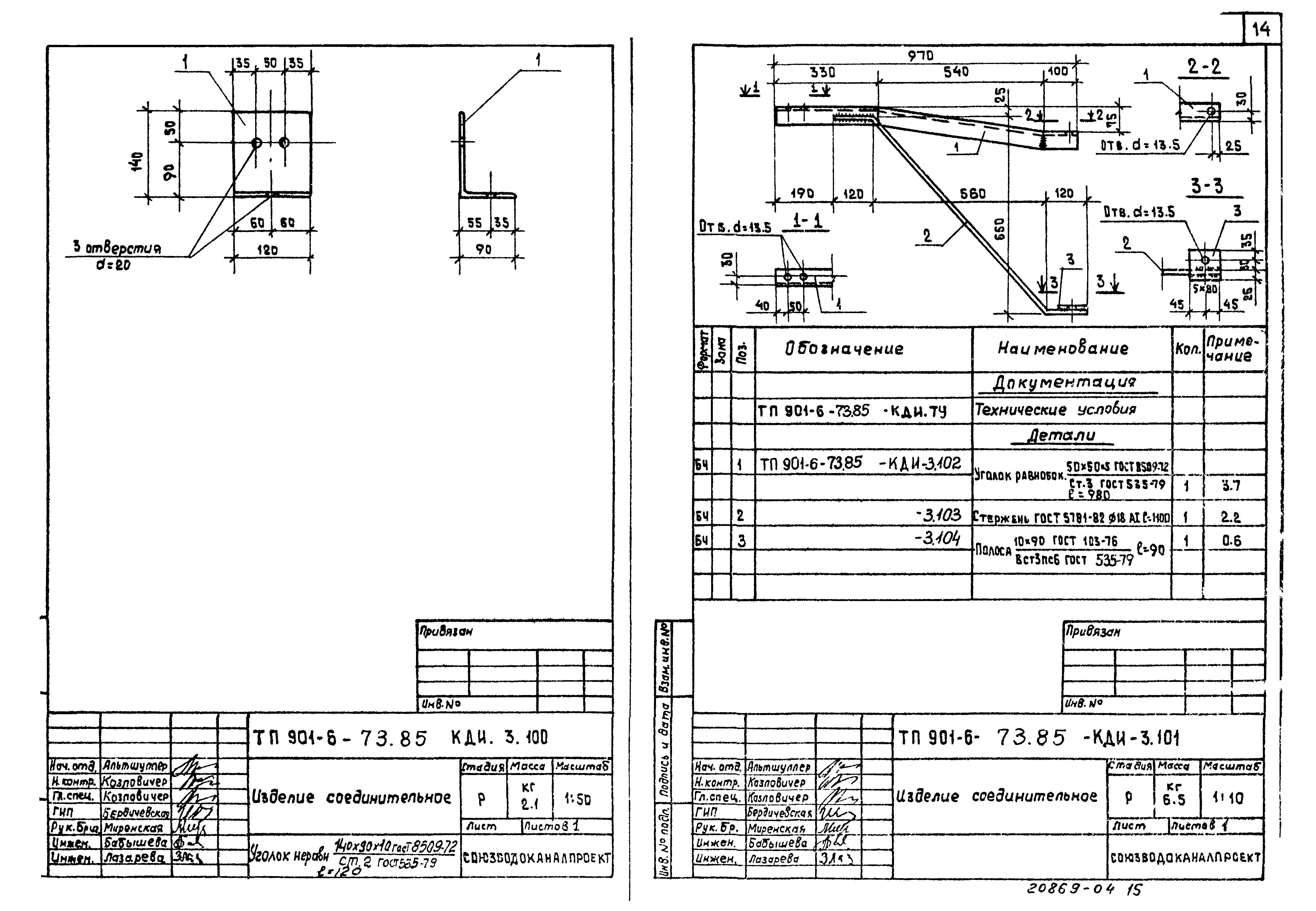
Скачать Типовой проект 901-6-78.85 Альбом IV. Строительные изделия (из ТП 901-6-73.85)Дата актуализации: 01.01.2021
|
| Обозначение: | Типовой проект 901-6-78.85 |
| Обозначение англ: | 901-6-78.85 |
| Статус: | отменен |
| Название рус.: | Альбом IV. Строительные изделия (из ТП 901-6-73.85) |
| Дата добавления в базу: | 21.05.2015 |
| Дата актуализации: | 01.01.2021 |
| Дата введения: | 03.10.1985 |
| Дата окончания срока действия: | 01.07.1996 |
| Разработан: | Союзводоканалпроект |
| Утверждён: | 27.09.1985 Госстрой СССР (АЧ-39) |
| Издан: | ЦИТП Госстроя СССР (CITP, Gosstroy (USSR) 1986 г. ) |
| Заменяет собой: |

















