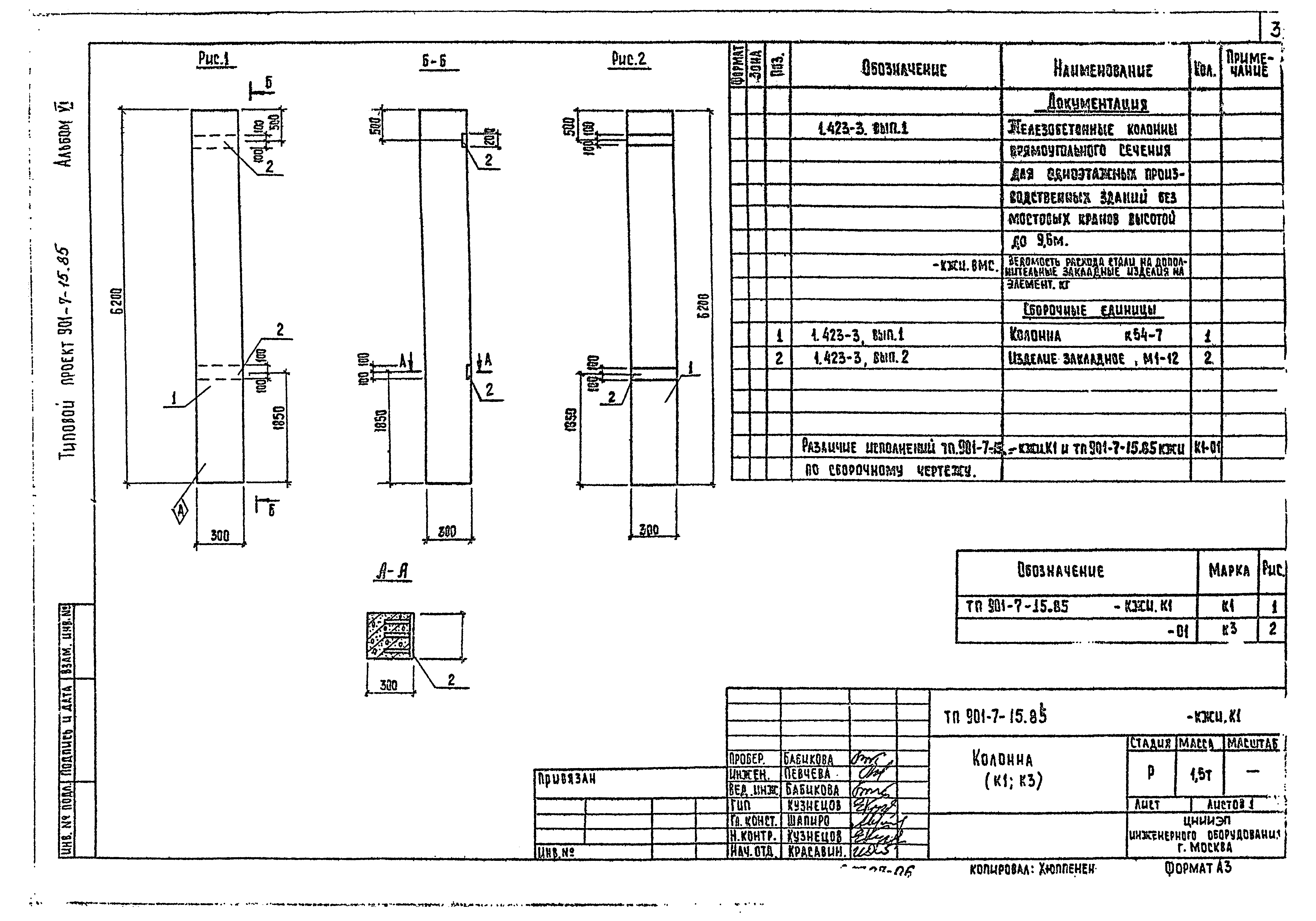
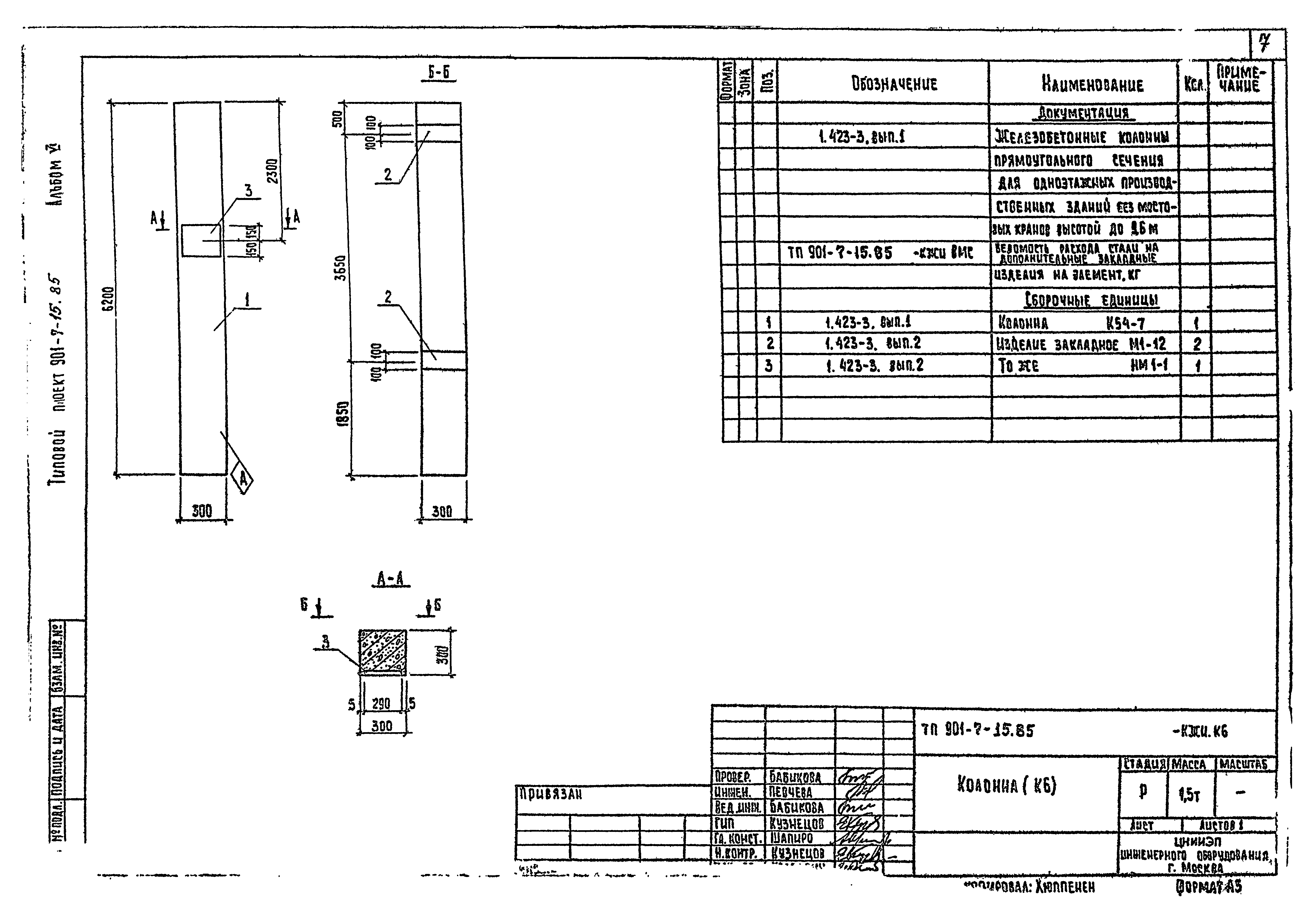
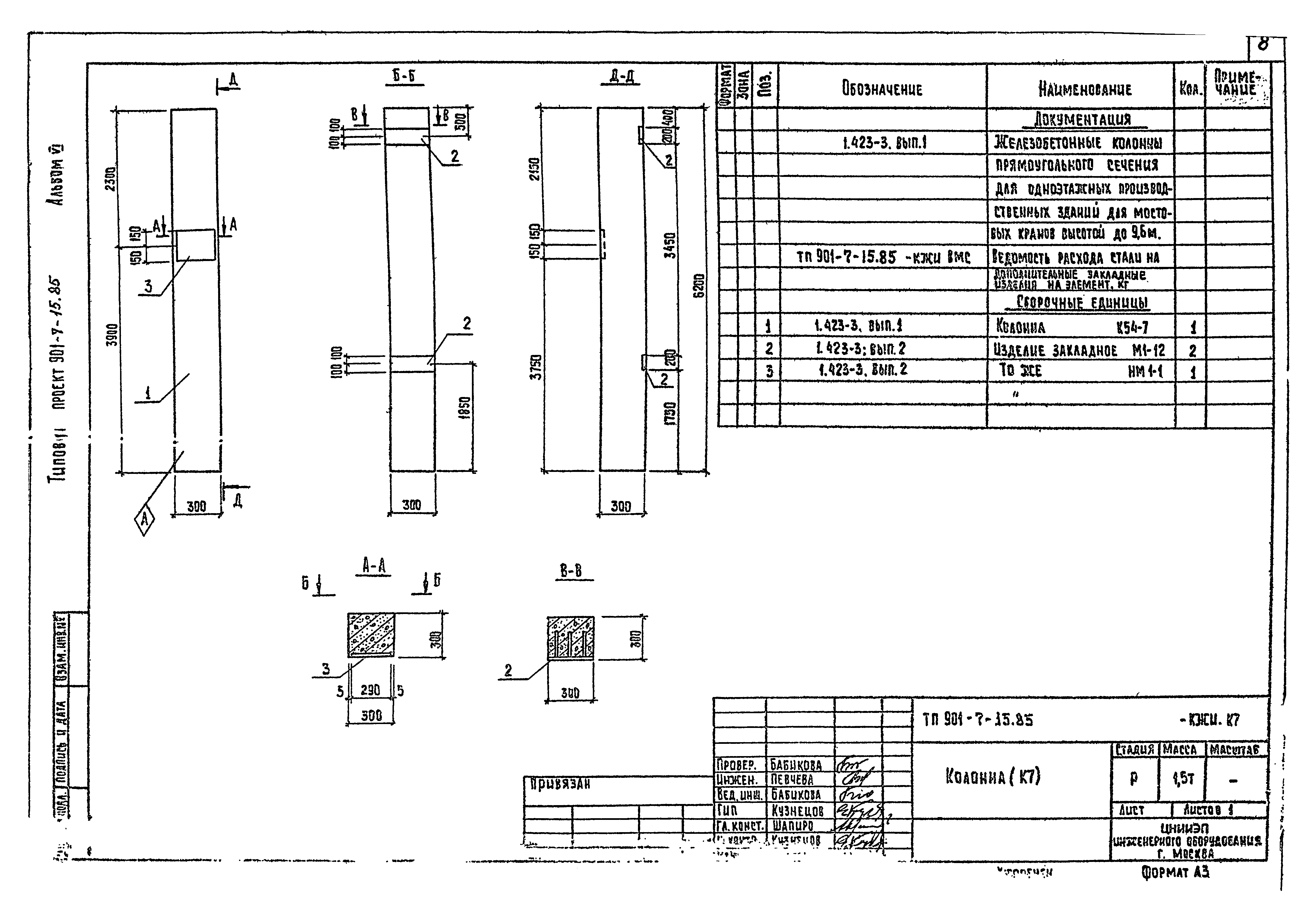
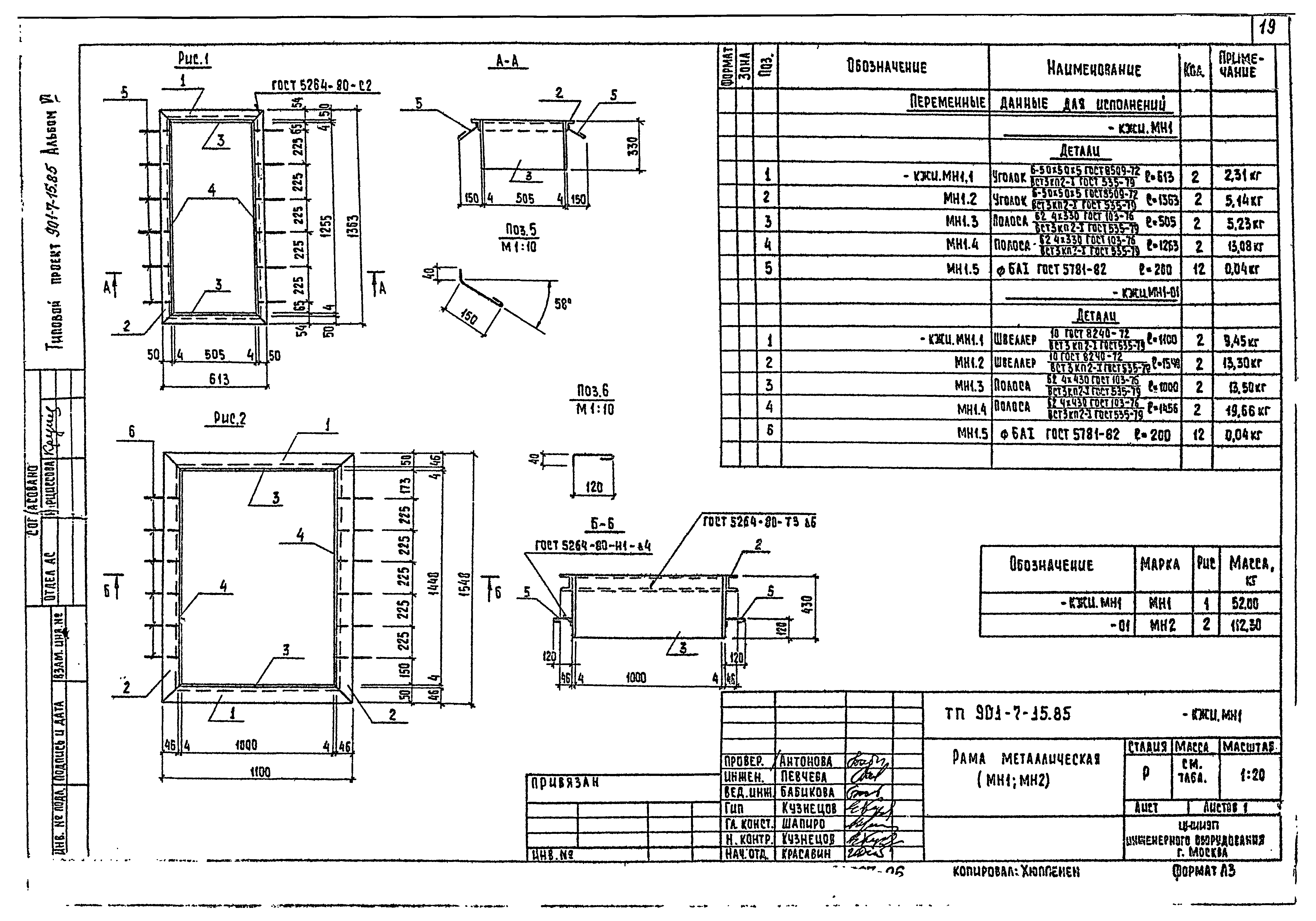
Скачать Типовой проект 901-7-15.85 Альбом VI. Строительные изделияДата актуализации: 01.01.2021
|
| Обозначение: | Типовой проект 901-7-15.85 |
| Обозначение англ: | 901-7-15.85 |
| Статус: | заменен |
| Название рус.: | Альбом VI. Строительные изделия |
| Дата добавления в базу: | 12.02.2016 |
| Дата актуализации: | 01.01.2021 |
| Дата введения: | 27.12.1984 |
| Дата окончания срока действия: | 01.04.1991 |
| Разработан: | ЦНИИЭП инженерного оборудования |
| Утверждён: | 12.03.1979 Госгражданстрой (Gosgrazhdanstroy 56) |
| Издан: | ЦИТП Госстроя СССР (CITP, Gosstroy (USSR) 1985 г. ) |
| Заменяет собой: | |
| Чем заменён: |
























