Скачать Типовой проект 903-4-94.87 Альбом II. Изделия заводского изготовления (из ТП 903-4-96.87)Дата актуализации: 01.01.2021
|
| Обозначение: | Типовой проект 903-4-94.87 |
| Обозначение англ: | 903-4-94.87 |
| Статус: | действует |
| Название рус.: | Альбом II. Изделия заводского изготовления (из ТП 903-4-96.87) |
| Дата добавления в базу: | 12.02.2016 |
| Дата актуализации: | 01.01.2021 |
| Дата введения: | 11.12.1985 |
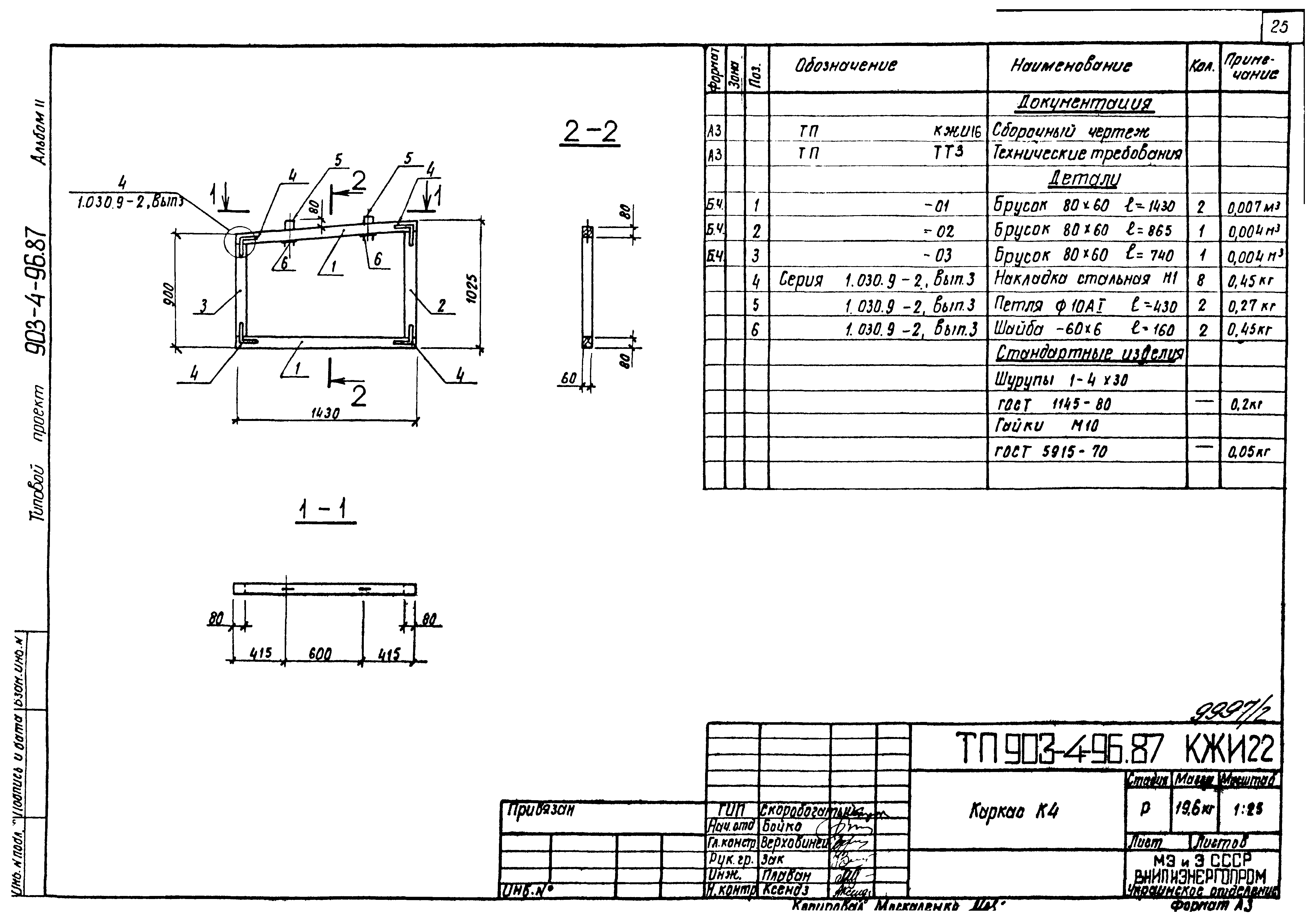
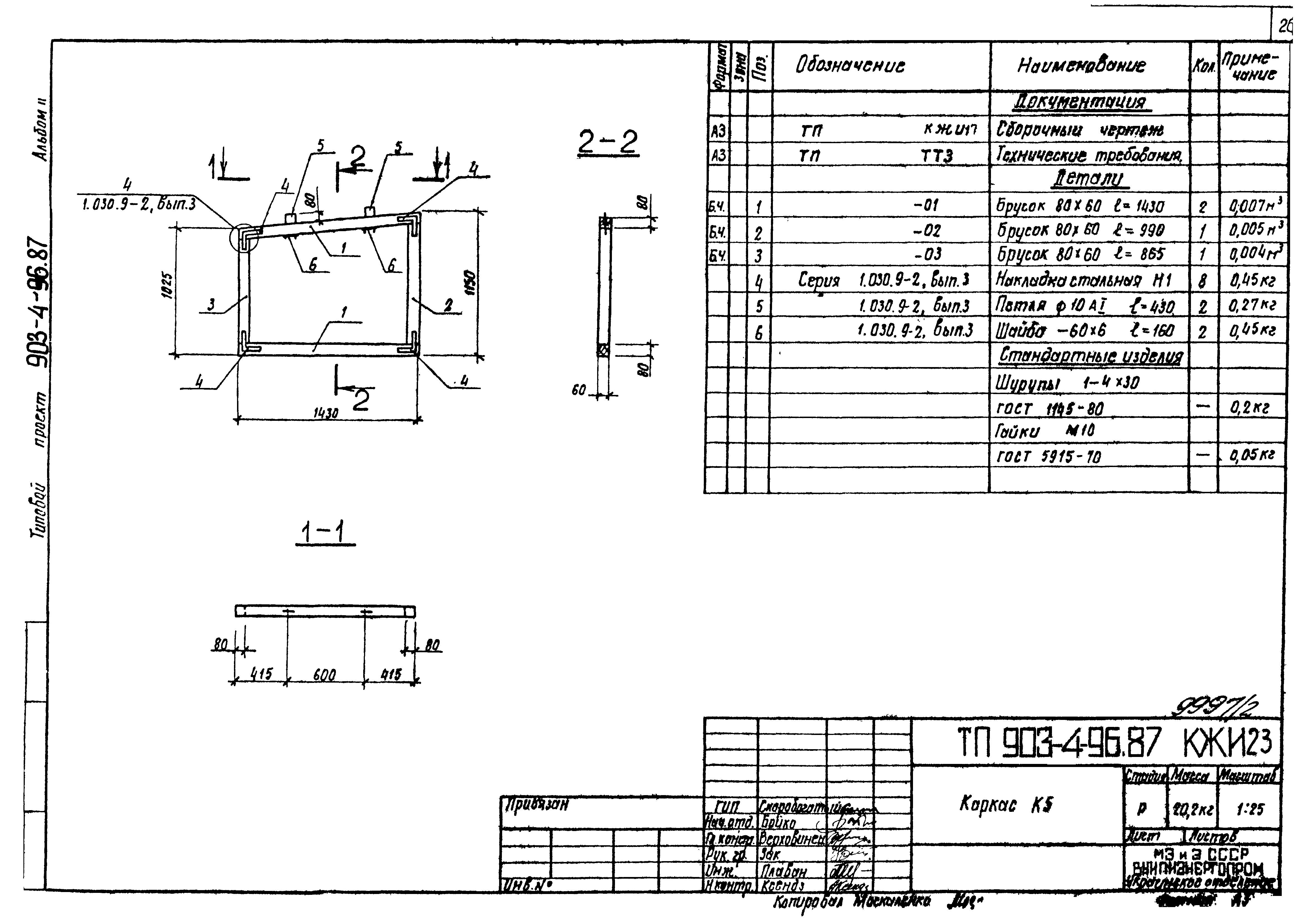
| Оглавление: | Содержание альбома ТТ1 Технические требования к изготовлению сборных железобетонных изделий ТТ2 Технические требования к изготовлению арматурных и закладных изделий ТТ3 Технические требования к изготовлению каркасно-обшивных панелей КЖИ1 Колонна К48-7-1 КЖИ2 Колонна К48-7-2 КЖИ3 Колонна К48-7-3 КЖИ4 Колонна К48-7-4 КЖИ5 Колонна 1КФ61-1-1 КЖИ6 Балки БДР12-4АVт-1; БДР12-5АVт-1 КЖИ7 Плиты 1ПГ-3АтVт-110ЯН-500П-1; 1ПГ-3АтVт-150ЯН-500П-1; 1ПГ-3АтVт-190ЯН-500П-1 КЖИ8 Плиты 1ПВ7-3АтVт-110ЯН-500П-1; 1ПВ7-3АтVт-150ЯН-500П-1; 1ПВ7-3АтVт-190ЯН-500П-1 КЖИ9 Панели перегородок ПГ58.18-1-Т-1; ПГ58.15-1-Т-1 КЖИ10 Панель перегородки ПГ58.15-1-Т-2 КЖИ11 Панель перегородки ПГ60.15-1-Т-1 КЖИ12 Панель ПГ10. Сборочный чертеж КЖИ13 Панель ПГ15. Сборочный чертеж КЖИ14 Панель ПГ11. Сборочный чертеж КЖИ15 Панель ПГ12. Сборочный чертеж КЖИ16 Панель ПГ13. Сборочный чертеж КЖИ17 Панель ПГ14. Сборочный чертеж КЖИ18 Каркас К1 КЖИ19 Каркас К6 КЖИ20 Каркас К2 КЖИ21 Каркас К3 КЖИ22 Каркас К4 КЖИ23 Каркас К5 КЖИ24 Перемычка 4ПБ48-8-П1 КЖИ25 Сетка арматурная С1 КЖИ26 Сетка арматурная С2 КЖИ27 Сетка арматурная С3 КЖИ28 Сетка арматурная С4 КЖИ29 Сетка арматурная С5 КЖИ30 Сетка арматурная С6 КЖИ31 Сетка арматурная С7 КЖИ32 Сетка арматурная С8 КЖИ33 Сетка арматурная С9 КЖИ34 Изделие закладное МН1 КЖИ35 Изделие закладное МН2 КЖИ36 Изделие закладное МН3 КЖИ37 Изделия закладные МН4, МН5 КЖИ38 Изделие закладное МН6 КЖИ39 Изделие закладное МН7 КЖИ40 Изделие закладное МН8 КЖИ41 Изделие закладное МН9 КЖИ42 Изделие закладное МН10 КЖИ43 Изделия закладные МН11, МН12 КЖИ44 Консоль опорная ОК4 КЖИ45 Изделия соединительные ММ1, ММ1а КЖИ46 Изделия соединительные ММ2, ММ2а КЖИ47 Изделие соединительное ММ3 КЖИ48 Изделие соединительное ММ4 КЖИ49 Изделие соединительное ММ11 КЖИ50 Марка монтажная ММ12 КЖИ51 Марка монтажная ММ5 КЖИ52 Марка монтажная ММ6 КЖИ53 Марка монтажная ММ7 КЖИ54 Марка монтажная ММ8 КЖИ55 Марка монтажная ММ9 КЖИ56 Марка монтажная ММ10 КЖИ57 Рамы дверей РД1, РД2 КЖИ58 Двери трансформаторных камер КЖИ59 Марка монтажная ММ13 КЖИ60 Марка монтажная ММ14 КЖИ61 Марка монтажная ММ15 КЖИ62 Марки монтажные ММ16, ММ17 КЖИ63 Марки монтажные ММ18, ММ19 КЖИ64 Марка монтажная ММ20 |
| Разработан: | Украинское отделение ВНИПИэнергопрома |
| Утверждён: | 11.12.1985 Минэнерго СССР (USSR Minenergo ) |
| Издан: | ЦИТП Госстроя СССР (CITP, Gosstroy (USSR) 1989 г. ) |
















































