Скачать Актуальные вопросы улучшения проектных решений и повышения долговечности мостов на автомобильных дорогахДата актуализации: 01.01.2021
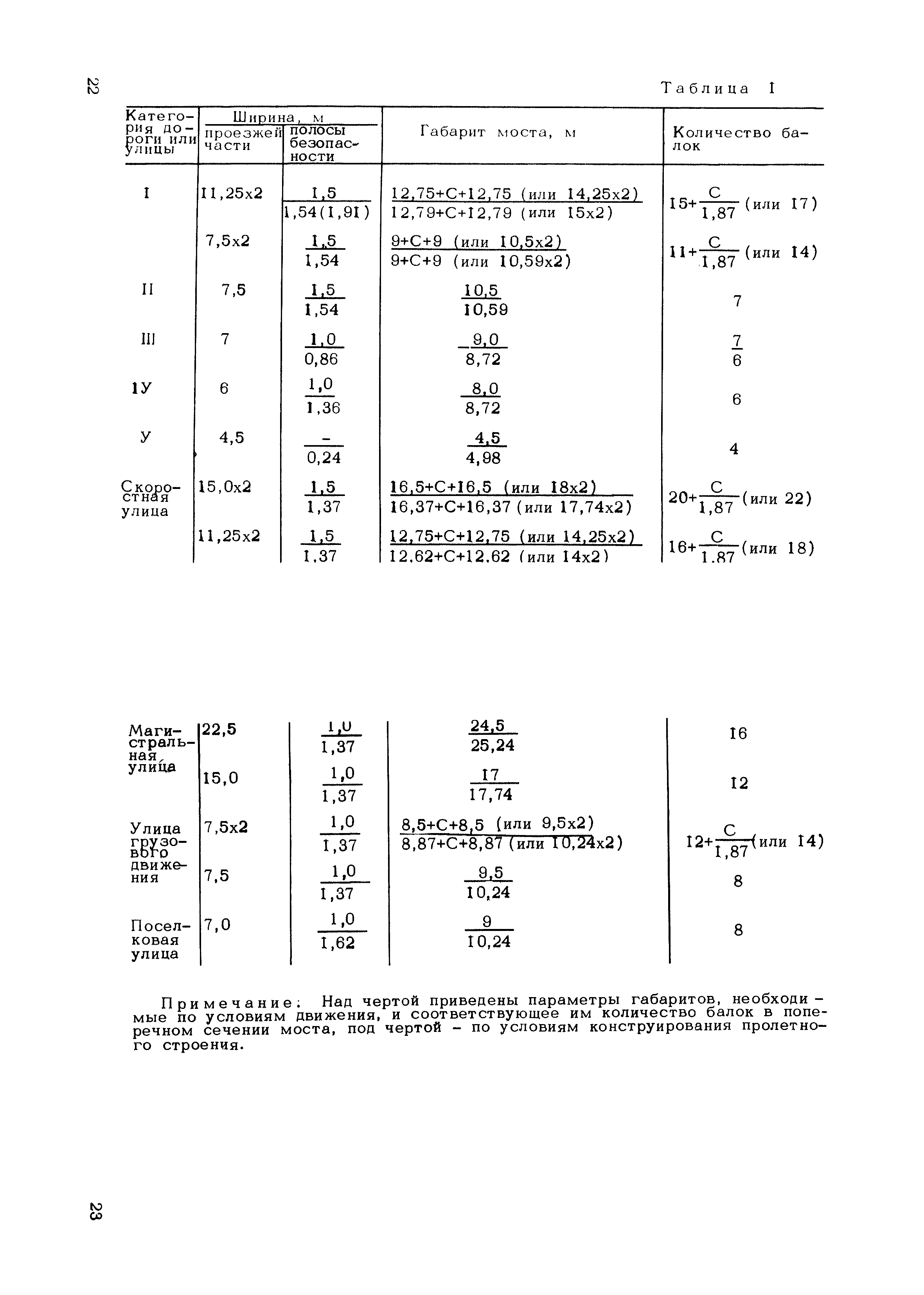
Актуальные вопросы улучшения проектных решений и повышения долговечности мостов на автомобильных дорогах| Статус: | справочные материалы, мп, тпр | | Название рус.: | Актуальные вопросы улучшения проектных решений и повышения долговечности мостов на автомобильных дорогах | | Дата добавления в базу: | 12.02.2016 | | Дата актуализации: | 01.01.2021 | | Область применения: | В статьях сборника изложены принципы проектирования новых конструкций решетчатых пролетных строений железобетонных мостов больших пролетов, стыков железобетонных конструкций, новый подход к назначению габаритов приближений конструкций на автодорожных мостах; дается оценка работоспособности гидроизоляции плиты проезжей части; приводится сравнение отечественных норм нагрузок на автодорожные мосты и нагрузок но новому СТ СЭВ 5496-86; анализируется техническое состояние сборно-монолитных опор мостов, эксплуатируемых в различных строительно-климатических зонах, а также описывается опыт применения сборно-монолитных мостовых опор с непрерывными вертикальными швами. | | Оглавление: | Введение Белов Б.П. О целесообразности применения решетчатых пролетных строений железобетонных мостов больших пролетов Шутова Л.А. Некоторые удельные технико-экономические показатели мостов и путепроводов, построенных Главмостостроем за одиннадцатую пятилетку Белов Б.П., Крылов Ю.С., Серов Я.В. Новый подход к назначению габаритов приближения конструкций мостовых сооружений Семенов С.В. Исследование работы пролетных строений из сводчатых плит, объединенных бетонными шпонками Шутова Л.А., Шевченко Н.П. Сравнение нагрузок, установленных отечественными нормами и СТ СЭВ 5496-86 на автодорожные мосты Серегин В.А. Перспективы применения древесины в мостостроении Саканский Ю.Н., Сахарова И.Д., Серегин В.А. К вопросу о гидроизоляции железобетонных пролетных строений Власов Г.М., Рябышев Б.А., Снисар В.Х., Усольцев В.С. Техническое состояние сборно-монолитных опор мостов, эксплуатируемых в различных строительно-климатических зонах Снисар В.Х., Усольцев В.С. Опыт применения сборно-монолитных мостовых опор с непрерывными вертикальными швами Журавлев М.М. О расчете местного размыва у струенаправляющих траверсов на мостовых переходах Лилицкий Г.А. Расчетные характеристики для проектирования мероприятий по защите нижнего бьефа малых искусственных сооружений с учетом кинематической структуры растекающегося бурного потока Аль-Аюби И.К. Мостовые переходы в зонах развитого обвалования рек Домогащев В.Н. Влияние карчехода на русловой процесс у мостовых переходов Постников П.М. О воздействии льда на опоры мостов Большаков В.А., Климов О.Н., Курганович А.А. Расчет местного размыва у сооружений мостовых переходов Масс Е.И., Абрамов Ю.В., Аврух М.Г., Бурцева Л.Е., Королева Н.Ю. Математическое моделирование мостовых переходов в двухмерной схематизации Сарнацкий Е.В., Парахнюк Ю.В. Теоретическое и экспериментальное обоснование протяженности зоны сжатия у мостовых переходов через равнинные реки Заключение | | Разработан: | СоюздорНИИ
| | Утверждён: | Союздорнии (Soyuzdornii )
| | Нормативные ссылки: | |
                                                                                                                                 
|