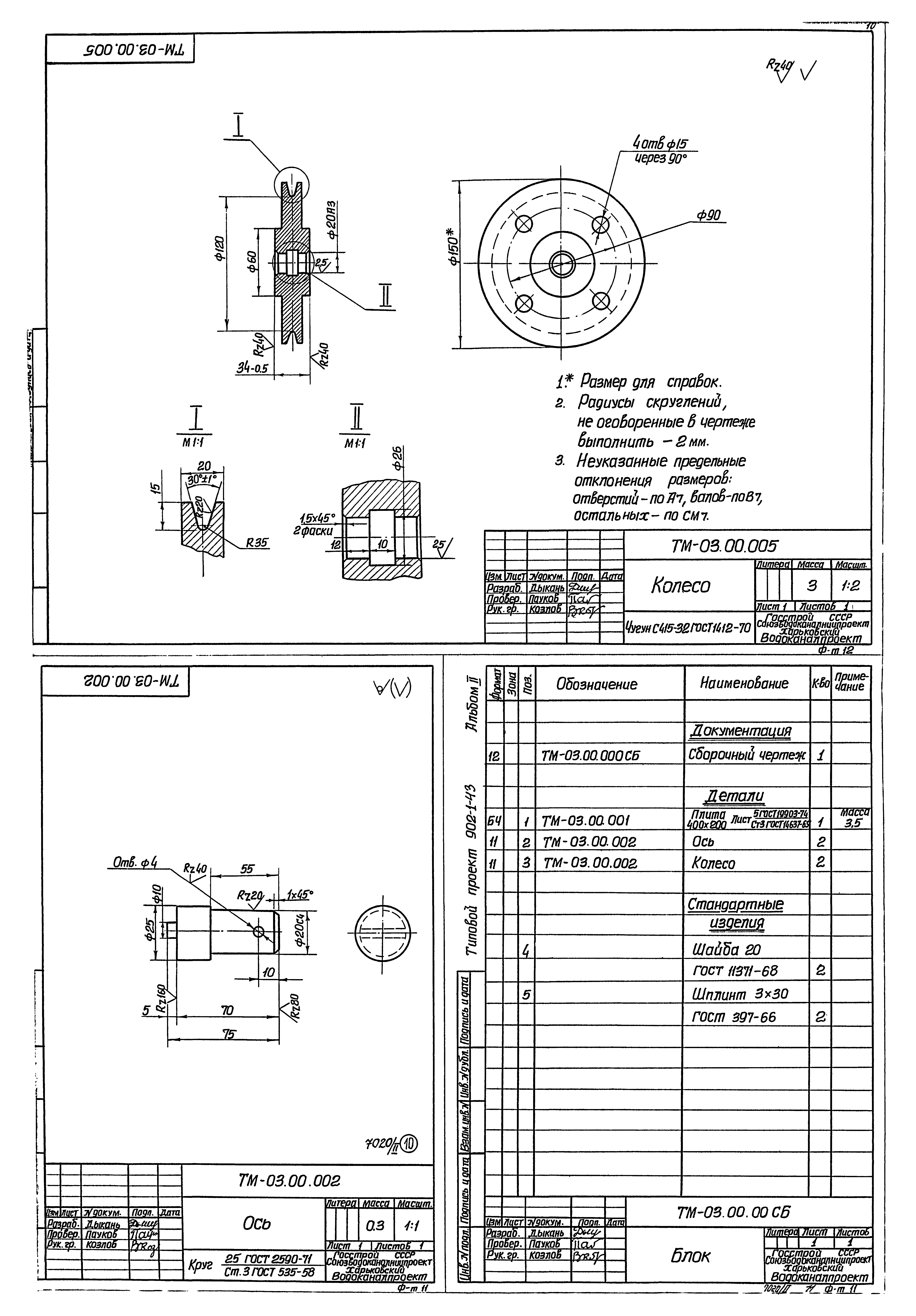
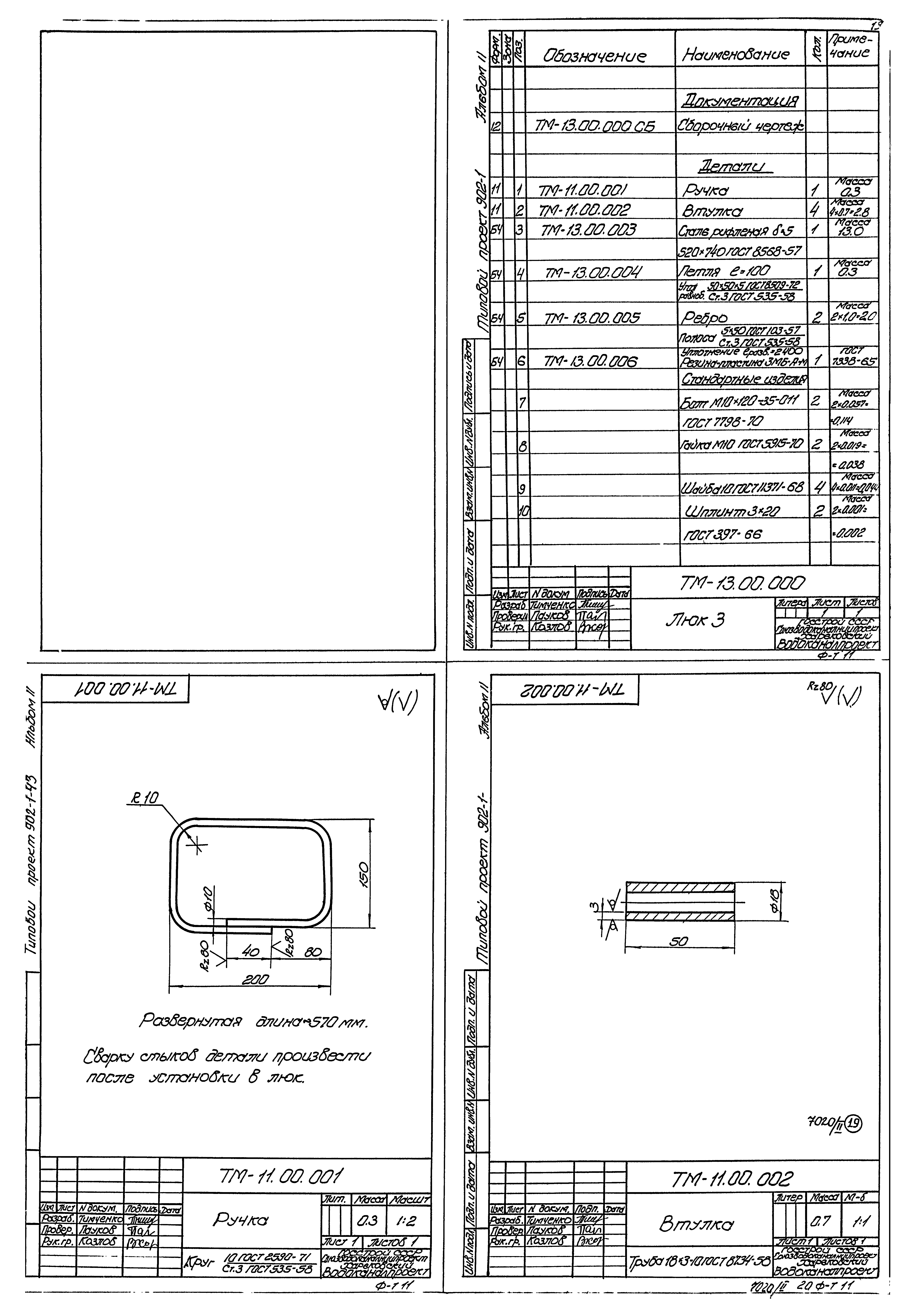
Скачать Типовой проект 902-1-43 Альбом II. Нестандартизированное оборудованиеДата актуализации: 01.01.2021
|
| Обозначение: | Типовой проект 902-1-43 |
| Обозначение англ: | 902-1-43 |
| Статус: | заменен |
| Название рус.: | Альбом II. Нестандартизированное оборудование |
| Дата добавления в базу: | 12.02.2016 |
| Дата актуализации: | 01.01.2021 |
| Дата введения: | 20.09.1976 |
| Дата окончания срока действия: | 01.07.1980 |
| Разработан: | Харьковский Водоканалпроект |
| Утверждён: | 05.08.1976 Главпромстройпроект Госстроя СССР (50) |
| Издан: | ЦИТП Госстроя СССР (CITP, Gosstroy (USSR) 1977 г. ) |
| Чем заменён: | |
| Нормативные ссылки: |






















