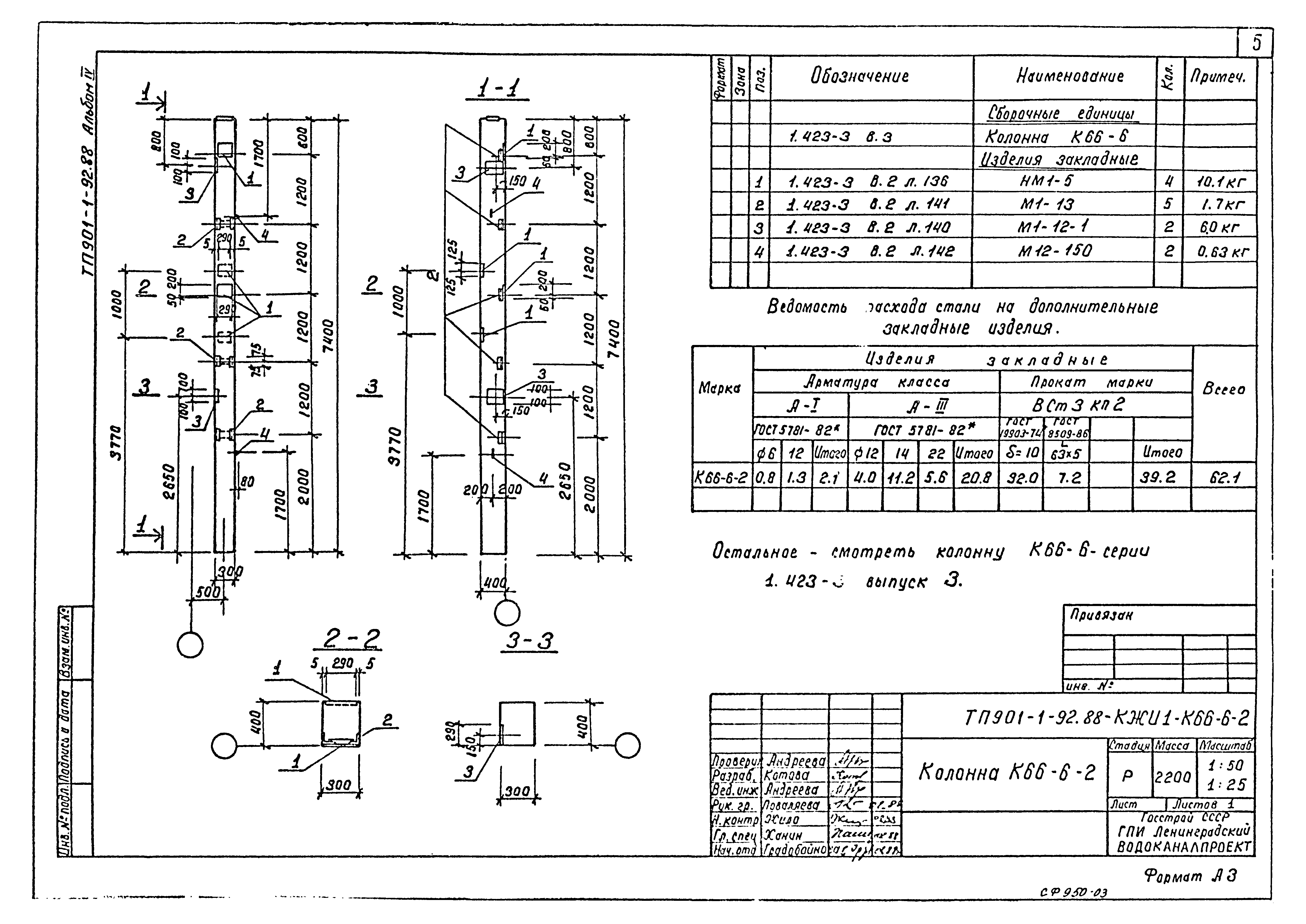
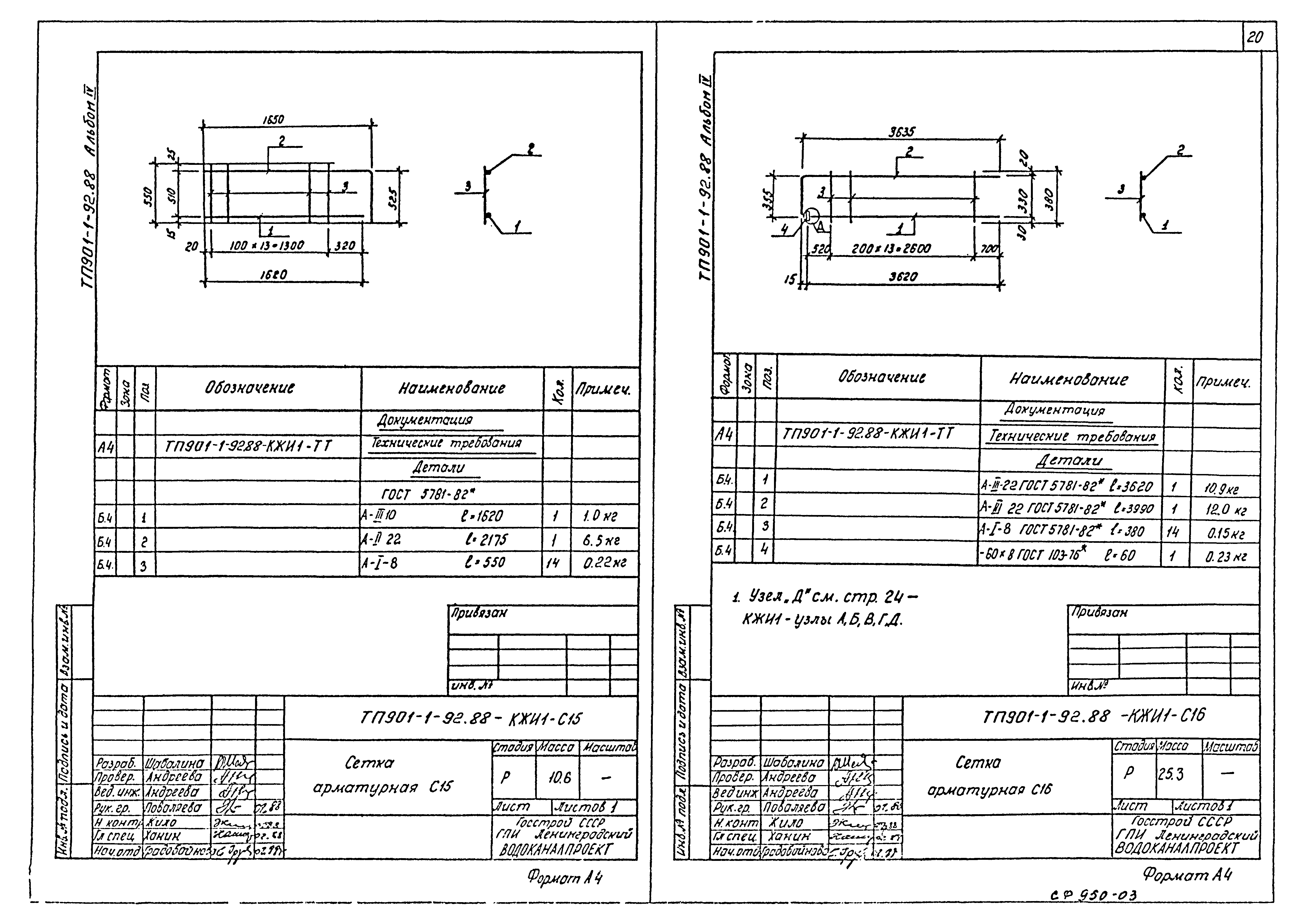
Скачать Типовой проект 901-1-92.88 Альбом IV. Строительные изделия (надземная часть)Дата актуализации: 01.01.2021
|
| Обозначение: | Типовой проект 901-1-92.88 |
| Обозначение англ: | 901-1-92.88 |
| Статус: | не определен законодательством |
| Название рус.: | Альбом IV. Строительные изделия (надземная часть) |
| Дата добавления в базу: | 01.02.2017 |
| Дата актуализации: | 01.01.2021 |
| Дата введения: | 05.07.1988 |
| Дата окончания срока действия: | 30.06.2003 |
| Разработан: | Ленинградский Водоканалпроект |
| Утверждён: | 06.04.1988 Госстрой СССР (25) |
| Издан: | ЦИТП Госстроя СССР (CITP, Gosstroy (USSR) 1988 г. ) |
| Заменяет собой: | |
| Нормативные ссылки: |








































