Скачать ГОСТ IEC 61121-2015 Сушилки барабанные для бытового использования. Методы измерения функциональных характеристикДата актуализации: 01.01.2021
|
| Обозначение: | ГОСТ IEC 61121-2015 |
| Обозначение англ: | 61121-2015 |
| Статус: | введен впервые |
| Название рус.: | Сушилки барабанные для бытового использования. Методы измерения функциональных характеристик |
| Название англ.: | Tumble dryers for household use. Methods for measuring the performance |
| Дата добавления в базу: | 01.02.2017 |
| Дата актуализации: | 01.01.2021 |
| Дата введения: | 01.01.2017 |
| Область применения: | Стандарт применяют к бытовым электрическим барабанным сушилкам автоматического и неавтоматического типа, с или без подачи холодной воды и с нагревательным элементом. Стандарт не распространяется на барабанные сушилки, которые используют газ или другие виды топлива в качестве источника нагрева. Цель стандарта – установление и определение основных функциональных характеристик бытовых электрических барабанных сушилок, представляющих интерес для пользователей, и описать стандартные методы измерения этих характеристик. |
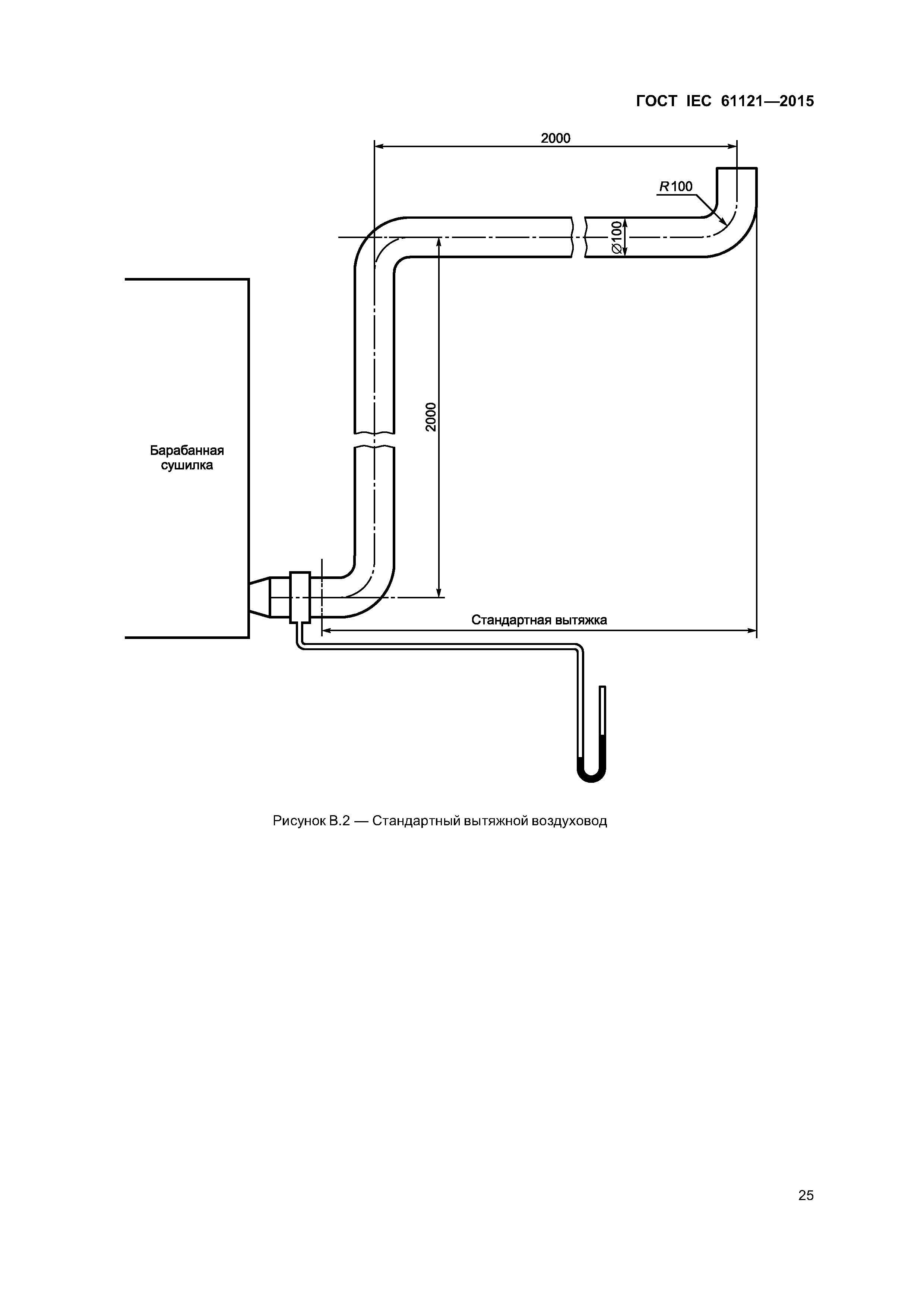
| Оглавление: | 1 Область применения 2 Нормативные ссылки 3 Термины, определения и символы 4 Требования 5 Условия испытания, материалы, оборудование и измерительная аппаратура 6 Подготовка к испытанию 7 Измерения функциональных характеристик. Общие требования 8 Испытания функциональных характеристик 9 Оценка функциональных характеристик 10 Данные, которые должны быть запротоколированы Приложение А (обязательное) Список ссылок Приложение В (обязательное) Номинальные и стандартные вытяжные воздуховоды для испытания барабанной сушилки Приложение С (справочное) Схемы последовательности операций Приложение D (обязательное) Протокол испытания — данные, подлежащие протоколированию Приложение Е (обязательное) Методика для определения размера испытательной загрузки, если вместимость не заявлена Приложение F (обязательное) Гибкий метод первоначального содержания влаги Приложение G (справочное) Оценка равномерности сушки Приложение Н (справочное) Измерение объема отработанного воздуха Библиография Приложение ДА (справочное) Сведения о соответствии межгосударственных стандартов ссылочным международным стандартам |
| Разработан: | ТК 19 Бытовые электроприборы ООО ТЕСТБЭТ |
| Утверждён: | 22.07.2015 Межгосударственный Совет по стандартизации, метрологии и сертификации (Inter-Governmental Council on Standardization, Metrology, and Certification 78-П) 30.05.2016 Федеральное агентство по техническому регулированию и метрологии (443-ст) |
| Издан: | Стандартинформ (2016 г. ) |
| Нормативные ссылки: |












































