Скачать ГОСТ 33553-2015 Автомобильные транспортные средства. Наконечники проводов низкого напряжения. Технические требования и методы испытанийДата актуализации: 01.01.2021
|
| Обозначение: | ГОСТ 33553-2015 |
| Обозначение англ: | GOST 33553-2015 |
| Статус: | введен впервые |
| Название рус.: | Автомобильные транспортные средства. Наконечники проводов низкого напряжения. Технические требования и методы испытаний |
| Название англ.: | Automotive vehicles. Tips of low voltage wires. Technical requirements and test methods |
| Дата добавления в базу: | 01.02.2017 |
| Дата актуализации: | 01.01.2021 |
| Дата введения: | 01.04.2017 |
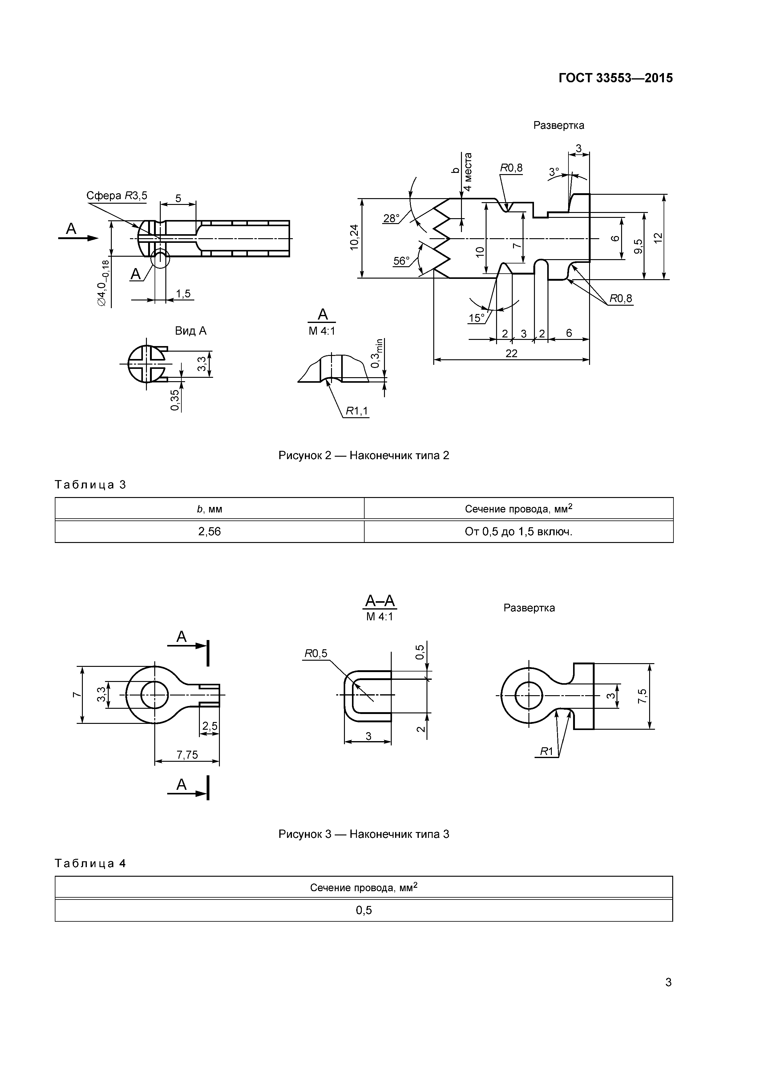
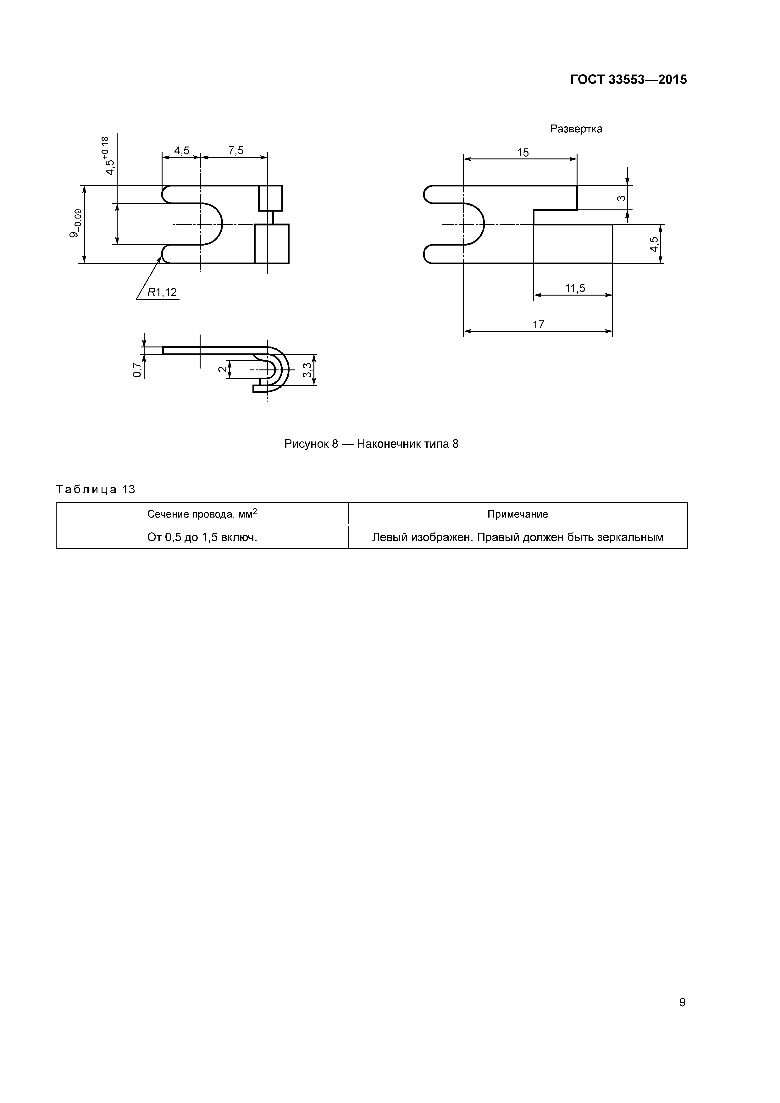
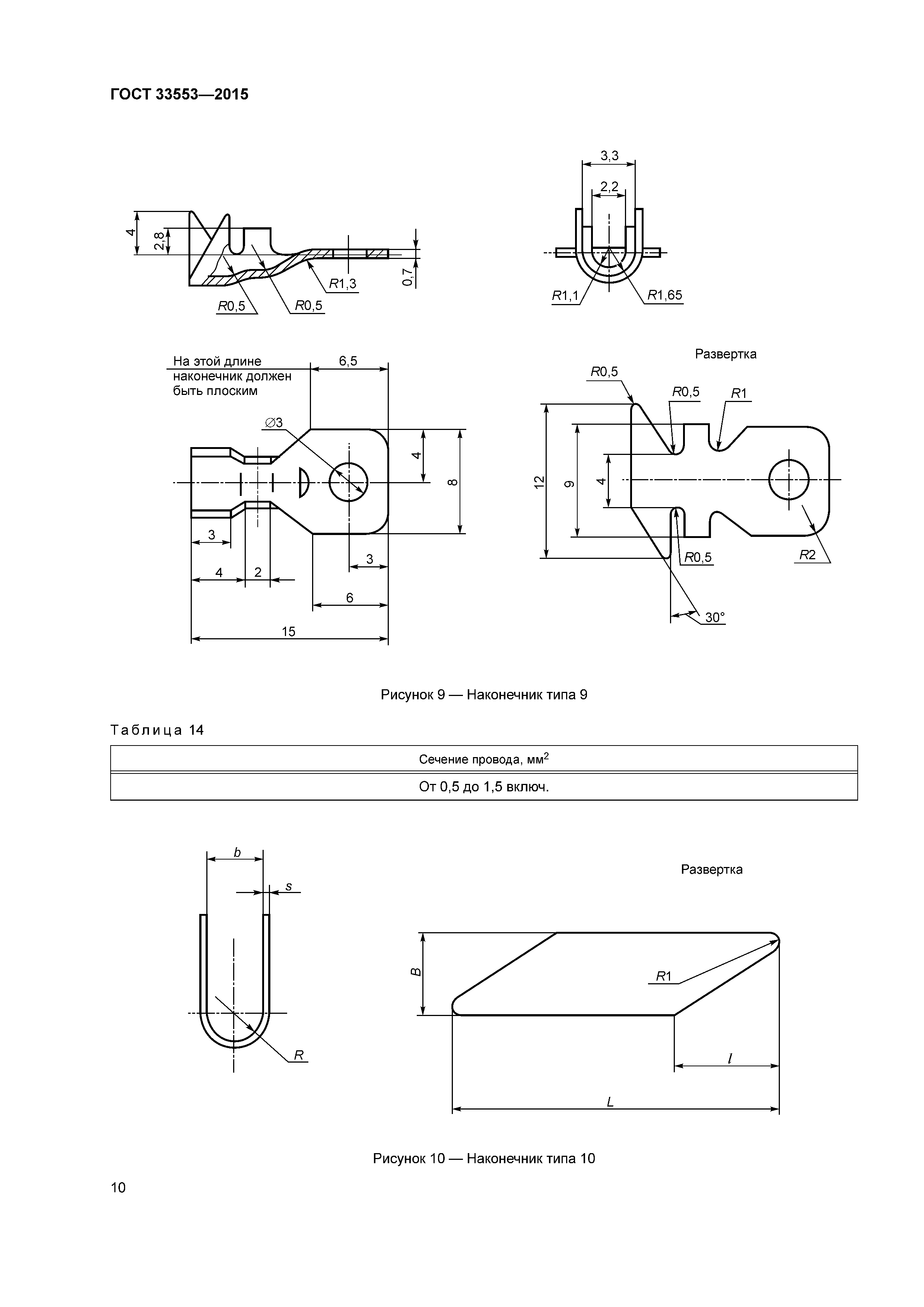
| Область применения: | Стандарт распространяется на наконечники для автотракторного электрооборудования, закрепляемые на жилах и изоляции проводов низкого напряжения, и устанавливает технические требования к ним и методы испытаний. |
| Оглавление: | 1 Область применения 2 Нормативные ссылки 3 Технические требования 4 Правила приемки 5 Методы испытаний |
| Разработан: | ФГУП НАМИ ФГУП НИИАЭ |
| Утверждён: | 27.10.2015 Межгосударственный Совет по стандартизации, метрологии и сертификации (Inter-Governmental Council on Standardization, Metrology, and Certification 81-П) 22.06.2016 Федеральное агентство по техническому регулированию и метрологии (660-ст) |
| Издан: | Стандартинформ (2016 г. ) |
| Нормативные ссылки: |
|















