Скачать ГОСТ 33755-2016 Топливо дизельное и мазут топочный. Определение предельной температуры фильтруемости на холодном фильтреДата актуализации: 01.01.2021
|
| Обозначение: | ГОСТ 33755-2016 |
| Обозначение англ: | GOST 33755-2016 |
| Статус: | введен впервые |
| Название рус.: | Топливо дизельное и мазут топочный. Определение предельной температуры фильтруемости на холодном фильтре |
| Название англ.: | Diesel and domestic heating fuels. Determination of cold filter plugging point |
| Дата добавления в базу: | 01.02.2017 |
| Дата актуализации: | 01.01.2021 |
| Дата введения: | 01.07.2017 |
| Область применения: | Стандарт устанавливает метод определения предельной температуры фильтруемости на холодном фильтре (CFPP) дизельных топлив и топлив, применяемых в стационарных и передвижных тепловых установках, с использованием ручного или автоматического аппарата. |
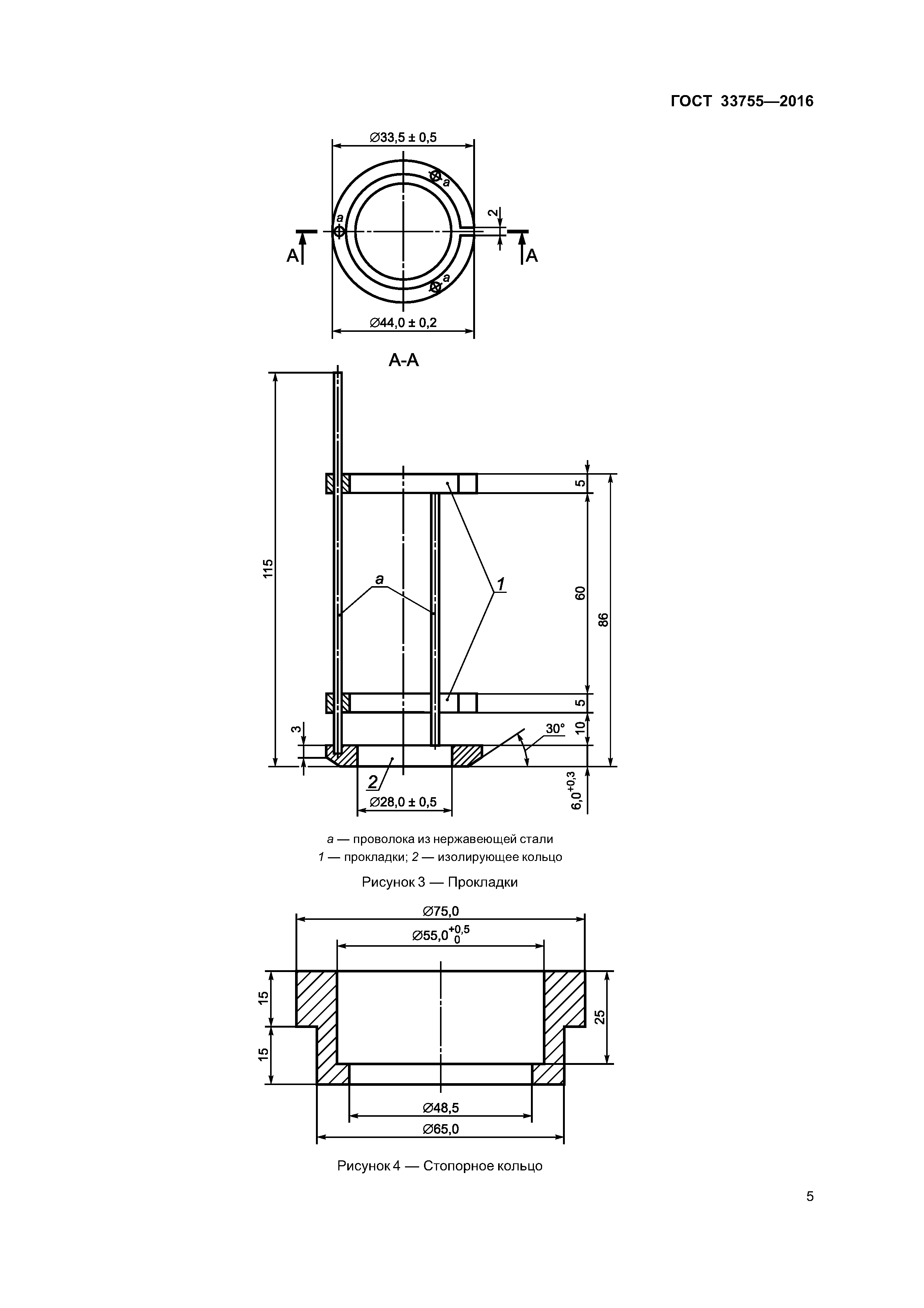
| Оглавление: | 1 Область применения 2 Нормативные ссылки 3 Термины и определения 4 Сущность метода 5 Назначение и применение 6 Аппаратура 7 Реактивы и материалы 8 Отбор проб 9 Подготовка испытуемых проб 10 Подготовка аппаратуры 11 Калибровка и стандартизация 12 Проведение испытаний 13 Протокол испытаний 14 Прецизионность и смещение Приложение ДА (справочное) Сведения о соответствии ссылочных стандартов ссылочным межгосударственным стандартам |
| Разработан: | МТК 31 Нефтяные топлива и смазочные материалы ОАО ВНИИНП |
| Утверждён: | 28.06.2016 Межгосударственный Совет по стандартизации, метрологии и сертификации (Inter-Governmental Council on Standardization, Metrology, and Certification 49) 06.09.2016 Федеральное агентство по техническому регулированию и метрологии (1066-ст) |
| Издан: | Стандартинформ (2016 г. ) |
| Нормативные ссылки: |


















