Скачать Временное руководство по рациональному расположению и способам крепления капитальных и полевых горных выработок глубоких горизонтов шахт Воркутского месторождения

Дата актуализации: 01.01.2021

Временное руководство по рациональному расположению и способам крепления капитальных и полевых горных выработок глубоких горизонтов шахт Воркутского месторождения

Статус:справочные материалы, мп, тпр
Название рус.:Временное руководство по рациональному расположению и способам крепления капитальных и полевых горных выработок глубоких горизонтов шахт Воркутского месторождения
Дата добавления в базу:01.02.2017
Дата актуализации:01.01.2021
Область применения:Временное руководство предназначено для практического использования при выборе рациональных мест расположения и способов крепления капитальных и полевых горных выработок глубоких шахт Воркутского месторождения.
Оглавление:Введение
Основные положения по рациональному расположению и способам крепления капитальных и полевых горных выработок глубоких горизонтов шахт Воркутского месторождения
Приложение. Краткий отчет по теме "Разработка практического руководства и внедрение технических предложений по условиям поддержания капитальных и полевых выработок на Воркутском месторождении"
   Обобщение результатов исследований проявлений горного давления в капитальных выработках
   Оценка мест расположения и обобщение результатов исследования проявления горного давления в полевых выработках
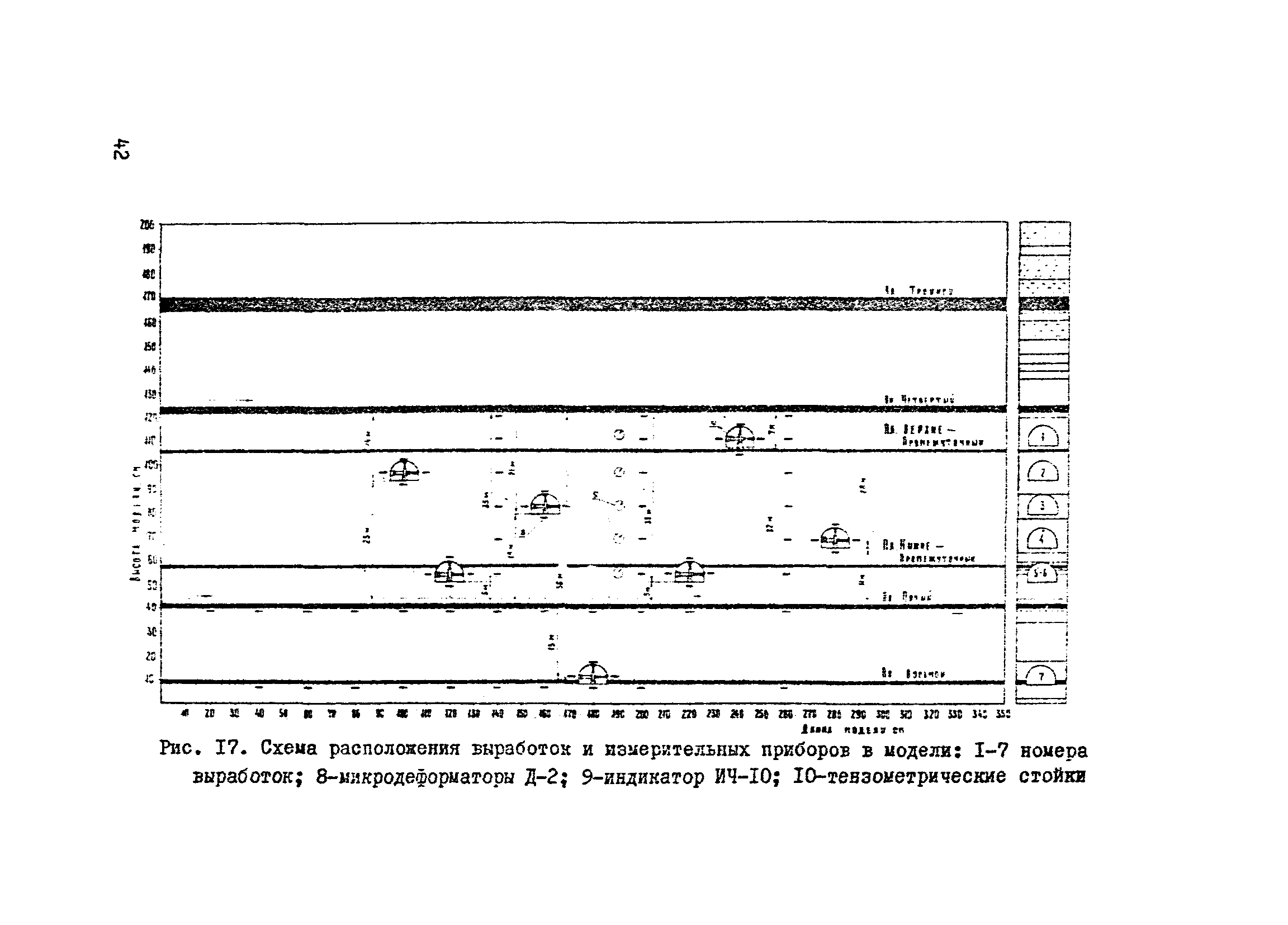
   Исследование влияния очистных работ на полевые штреки методом моделирования
   Исследование физико-механических свойств горных пород на участках заложения замерных станций
   Экономическая эффективность полевой подготовки, рациональных способов проведения, креплений и поддержания капитальных выработок на шахтах комбината Воркутауголь
Разработан: ПечорНИУИ
Утверждён:11.06.1969 Главный инженер комбината Воркутауголь
Принят:11.06.1969 Главный инженер комбината Управления Печорского округа Госгортехнадзор СССР