Скачать Методические рекомендации по эксплуатации оборудования быстровозводимых пунктов временного размещения населения, пострадавшего в результате чрезвычайных ситуацийДата актуализации: 01.01.2021 |
| Статус: | отменен |
| Название рус.: | Методические рекомендации по эксплуатации оборудования быстровозводимых пунктов временного размещения населения, пострадавшего в результате чрезвычайных ситуаций |
| Дата добавления в базу: | 01.02.2017 |
| Дата актуализации: | 01.01.2021 |
| Дата введения: | 30.12.2020 |
| Область применения: | Документ разработан с учетом действующей нормативной базы по разработке и содержанию аналогичных документов и предназначены для использования в формированиях МЧС России, эксплуатирующих пункты временного размещения населения, пострадавшего в чрезвычайных ситуациях |
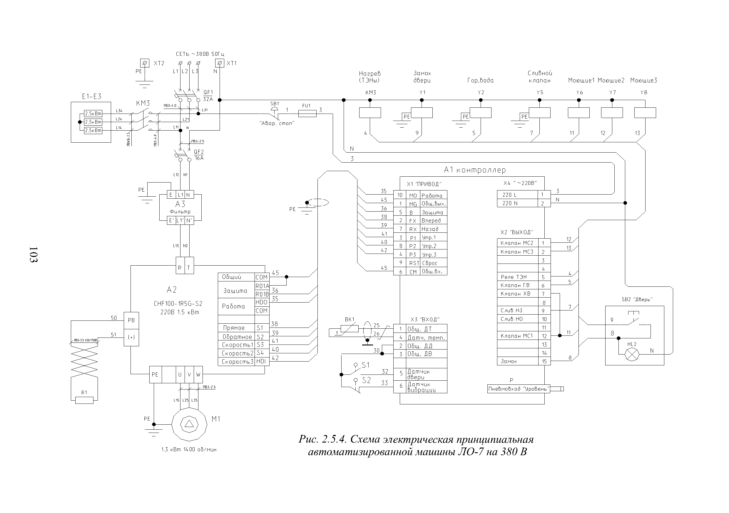
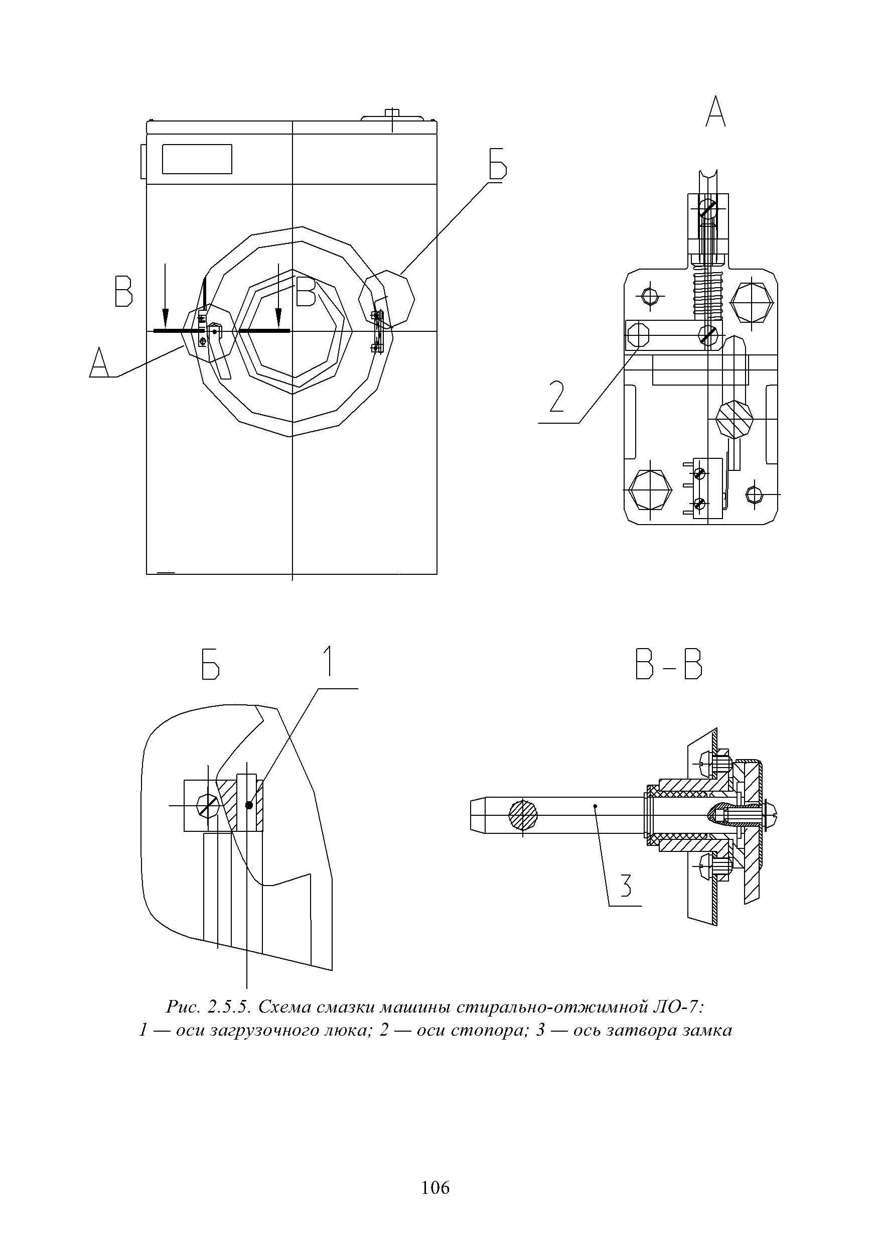
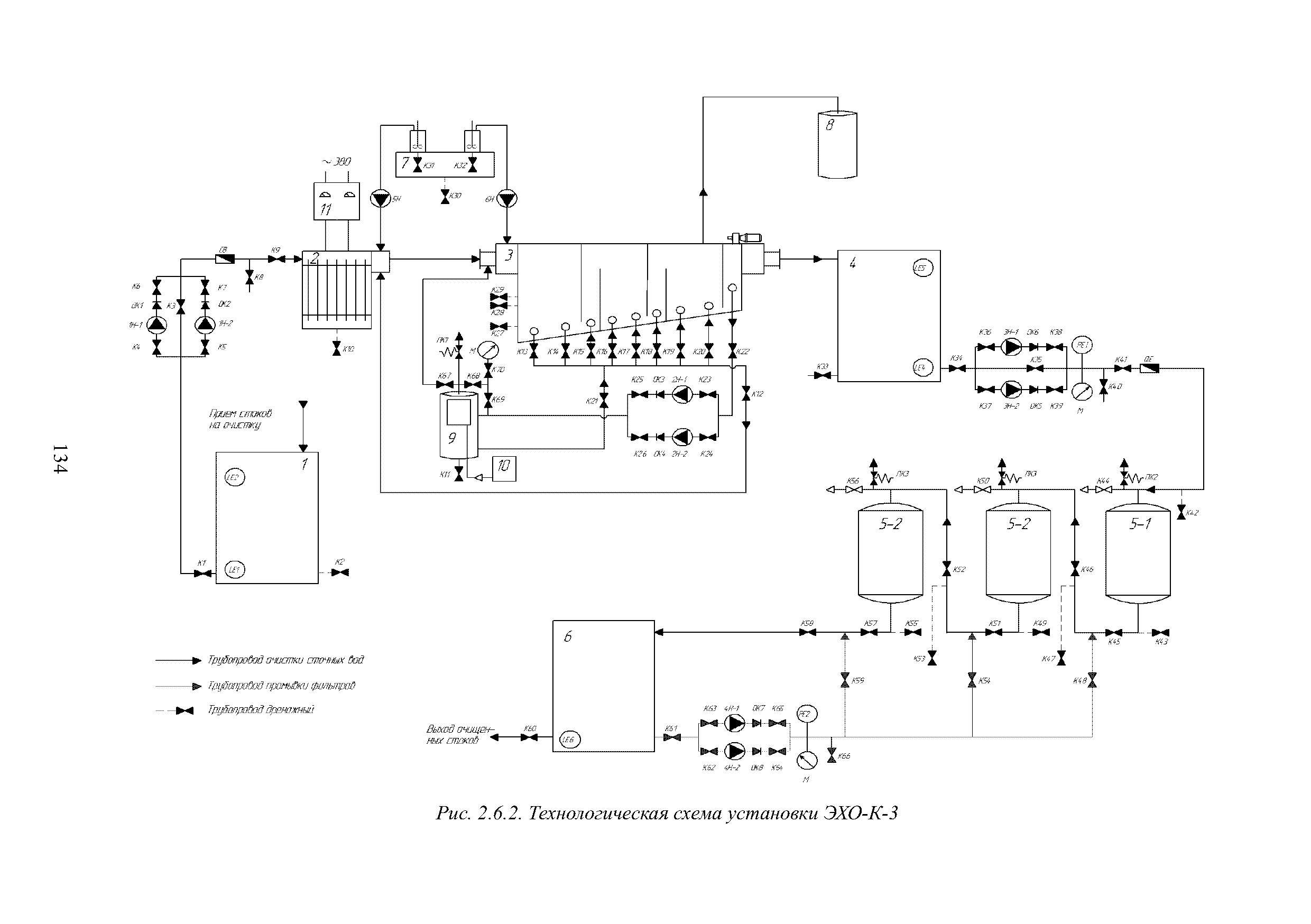
| Оглавление: | Список сокращений и условных обозначений Предисловие Глава 1. Общие положения по эксплуатации ПВР 1.1. Основные понятия, термины и определения 1.2. Состав, функционирование, взаимосвязь частей и элементов ПВР Глава 2. Рекомендации по эксплуатации быстровозводимых пунктов временного размещения населения, пострадавшего в чрезвычайных ситуациях 2.1. Рекомендации по эксплуатации каркасных палаточных сооружений 2.1.1. Рекомендации по эксплуатации палаток с наружным каркасом типа СМ.ПКн 2.1.2. Рекомендации по эксплуатации палатки модульной каркасной "Арсенал-5" 2.1.3. Рекомендации по эксплуатации модулей пневмокаркасных 2.1.4. Рекомендации по эксплуатации палаток типа "Памир" 2.2. Рекомендации по эксплуатации оборудования систем отопления 2.2.1. Назначение и основные технические характеристики агрегата воздухонагревательного для системы воздушного отопления "АНТАРЕС-Комфорт" 2.2.2. Конструктивные особенности агрегата воздухонагревательного для системы воздушного отопления "АНТАРЕС-Комфорт" 2.2.3 Рекомендации по уходу, техническому обслуживанию и ремонту агрегата воздухонагревательного для системы воздушного отопления "АНТАРЕС-Комфорт" 2.2.4. Рекомендации по консервации агрегата воздухонагревательного для системы воздушного отопления "АНТАРЕС-Комфорт" 2.2.5. Порядок снятия с эксплуатации и утилизации агрегата воздухонагревательного для системы воздушного отопления "АНТАРЕС-Комфорт" 2.3. Рекомендации по эксплуатации систем энергоснабжения 2.3.1. Назначение и основные технические характеристики дизель-генераторной установки FG Wilson P500P3 2.3.2. Конструктивные особенности дизель-генераторной установки FG Wilson P500P3 и систем энергоснабжения 2.3.3 Рекомендации по уходу, техническому обслуживанию и ремонту дизель-генераторной установки FG Wilson P500P3 и систем энергоснабжения 2.3.4. Рекомендации по консервации дизель-генераторной установки FG Wilson P500P3 2.3.5. Порядок снятия с эксплуатации и утилизации дизель-генераторной установки FG Wilson P500P3 2.4. Рекомендации по эксплуатации оборудования для организации питания и питьевого водоснабжения. Система водоподготовки 2.4.1 Назначение и основные технические характеристики системы водоподготовки Генос-Spring 2 2.4.2. Конструктивные особенности системы водоподготовки Генос-Spring 2 2.4.3. Рекомендации по уходу, техническому обслуживанию и ремонту системы водоподготовки Генос-Spring 2 2.4.4 Рекомендации по консервации конструктивных элементов системы водоподготовки Генос-Spring 2 2.4.5. Порядок снятия с эксплуатации и утилизации системы водоподготовки элементов системы водоподготовки Генос-Spring 2 2.5. Рекомендации по эксплуатации оборудования и материалов коммунально-бытового назначения и материалов коммунально-бытового назначения (машин стирально-отжимных ЛО-7, ЛО-10) 2.5.1. Назначение и основные технические характеристики машин стирально-отжимных ЛО-7, ЛО-10 2.5.2. Конструктивные особенности машин стирально-отжимных ЛО-7, ЛО-10 2.5.3. Рекомендации по уходу, техническому обслуживанию и ремонту машин стирально-отжимных ЛО-7, ЛО-10 2.5.4. Рекомендации по консервации машин стирально-отжимных ЛО-7, ЛО-10 2.5.5. Порядок снятия с эксплуатации и утилизации машин стирально-отжимных ЛО-7, ЛО-10 2.6. Рекомендации по эксплуатации оборудования и материалов коммунально-бытового назначения (установок очистки технических вод и стоков ЭХО-К-3) 2.6.1. Назначение и основные технические характеристики установки очистки технических вод и стоков ЭХО-К-3 2.6.2. Конструктивные особенности установки очистки технических вод и стоков ЭХО-К-З 2.6.3. Рекомендации по уходу, техническому обслуживанию и ремонту установки очистки технических вод и стоков ЭХО-К-З 2.6.4. Рекомендации по консервации установки очистки технических вод и стоков ЭХО-К-З 2.6.5. Порядок снятия с эксплуатации и утилизации установки очистки технических вод и стоков ЭХО-К-З Литература |
| Разработан: | ФГБУ ВНИИ ГОЧС (ФЦ) |
| Утверждён: | 15.08.2014 Департамент гражданской защиты МЧС России |
| Издан: | ФГБУ ВНИИ ГОЧС (ФЦ) (2014 г. ) |
| Нормативные ссылки: |
|





















































































































































