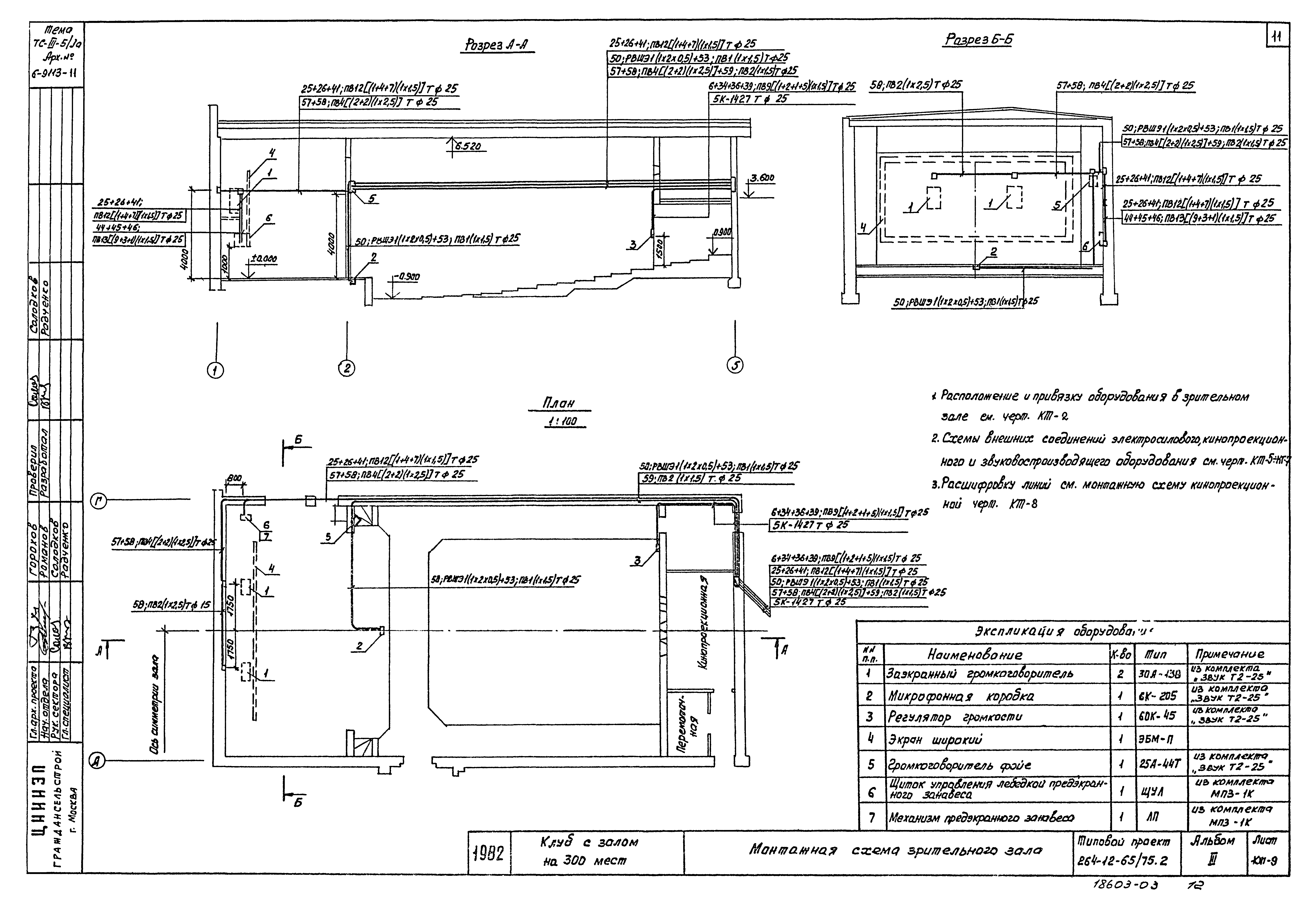
Скачать Типовой проект 264-12-65/75.2 Альбом III. Кинотехнология, электроакустика, постановочное освещение и механическое оборудование эстрадыДата актуализации: 01.01.2021 Типовой проект 264-12-65/75.2
Альбом III. Кинотехнология, электроакустика, постановочное освещение и механическое оборудование эстрады| Обозначение: | Типовой проект 264-12-65/75.2 | | Обозначение англ: | 264-12-65/75.2 | | Статус: | не действует | | Название рус.: | Альбом III. Кинотехнология, электроакустика, постановочное освещение и механическое оборудование эстрады | | Дата добавления в базу: | 01.02.2017 | | Дата актуализации: | 01.01.2021 | | Дата введения: | 18.02.1983 | | Дата окончания срока действия: | 01.05.1987 | | Разработан: | ЦНИИЭП граждансельстрой
| | Утверждён: | 28.10.1968 Госстрой РСФСР (Russian Federation Gosstroy 8)
| | Заменяет собой: | - Типовой проект 264-12-65/75
|
                            
|