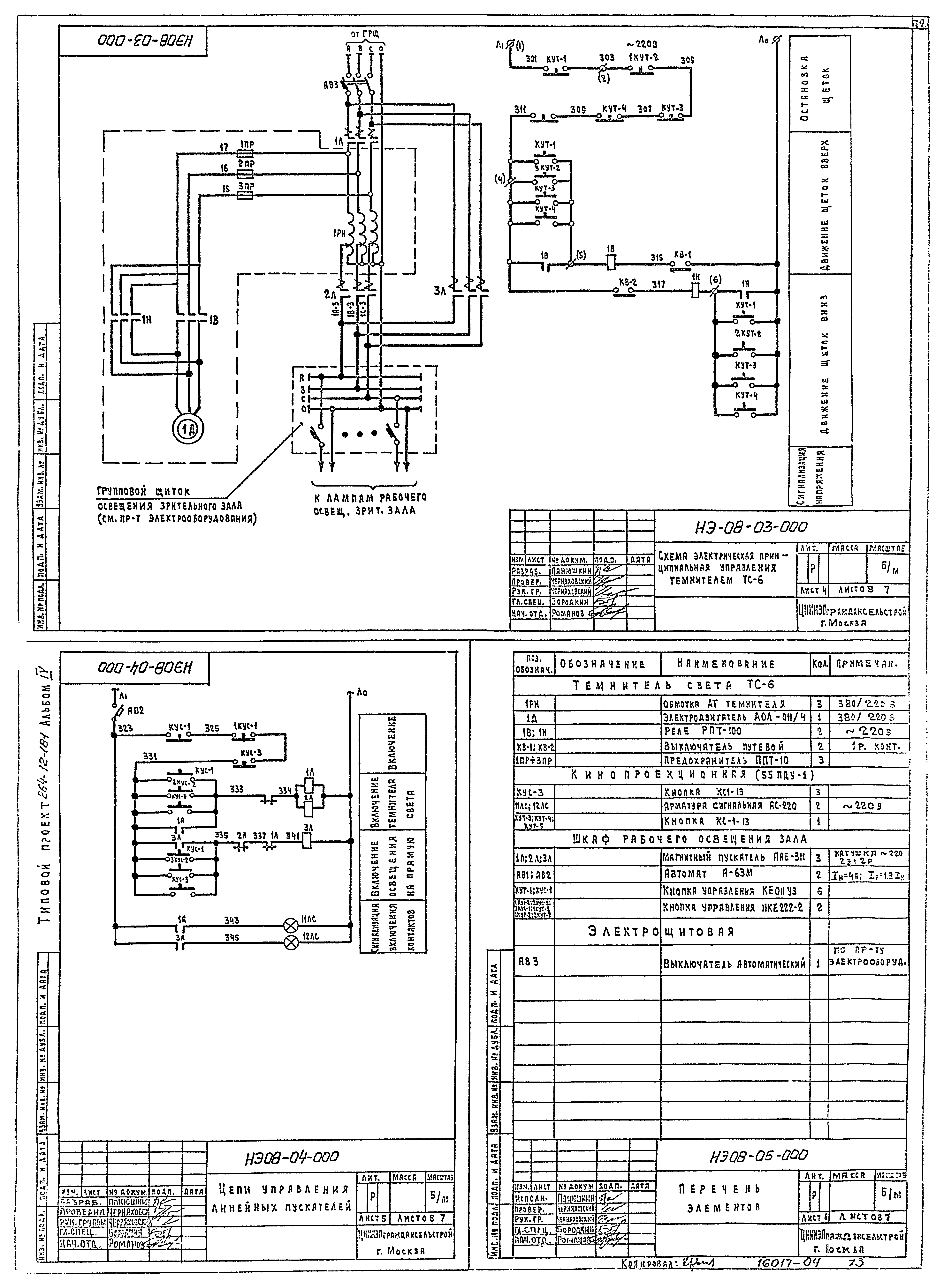
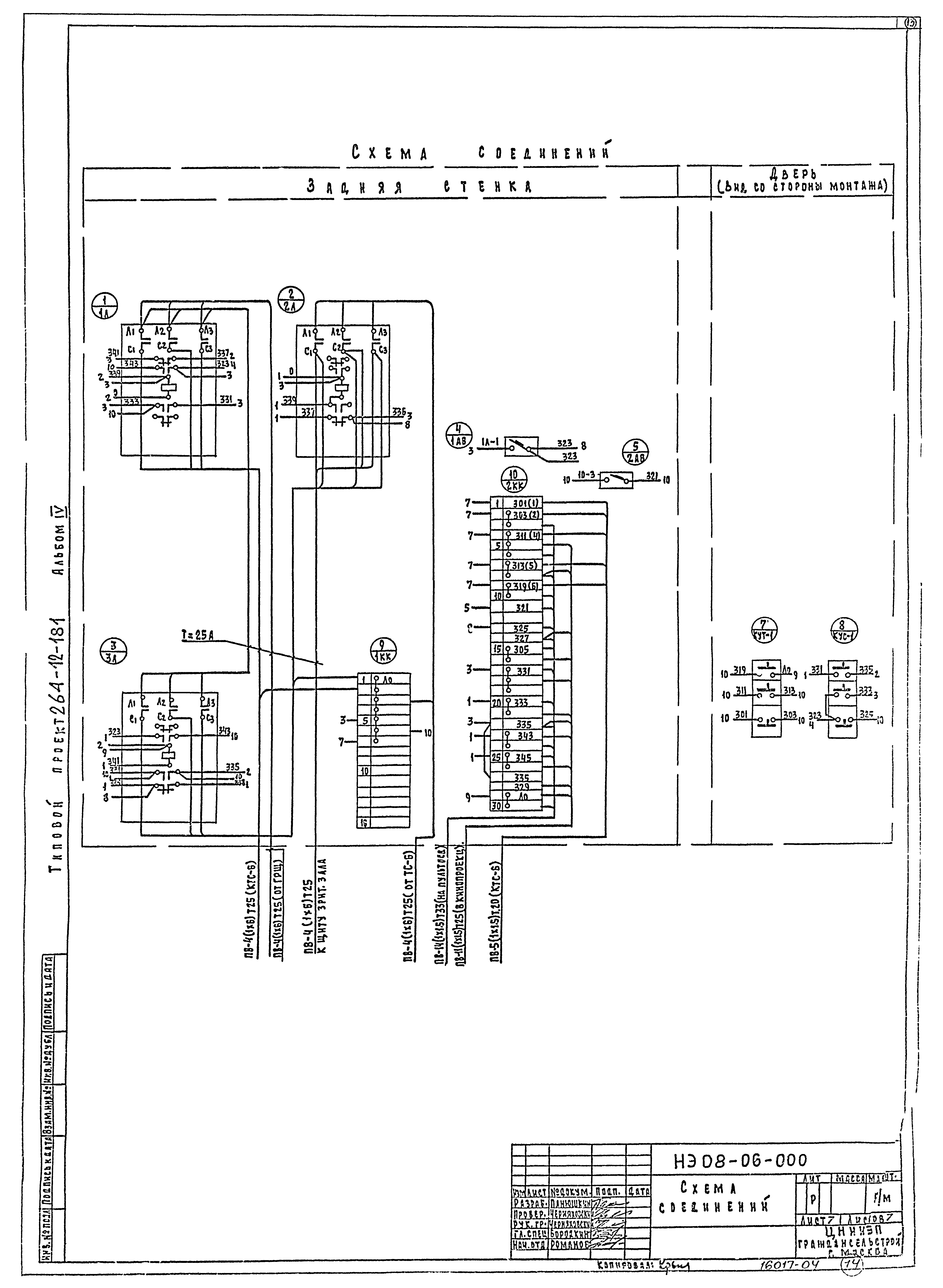
Скачать Типовой проект 264-12-181 Альбом IV. Чертежи нестандартизированного электрооборудованияДата актуализации: 01.01.2021 Типовой проект 264-12-181
Альбом IV. Чертежи нестандартизированного электрооборудования| Обозначение: | Типовой проект 264-12-181 | | Обозначение англ: | 264-12-181 | | Статус: | действует | | Название рус.: | Альбом IV. Чертежи нестандартизированного электрооборудования | | Дата добавления в базу: | 01.02.2017 | | Дата актуализации: | 01.01.2021 | | Дата введения: | 25.09.1979 | | Разработан: | ЦНИИЭП граждансельстрой
| | Утверждён: | 10.05.1978 Госгражданстрой (Gosgrazhdanstroy 101)
| | Издан: | ЦИТП Госстроя СССР (CITP, Gosstroy (USSR) 1990 г. )
|
             
|