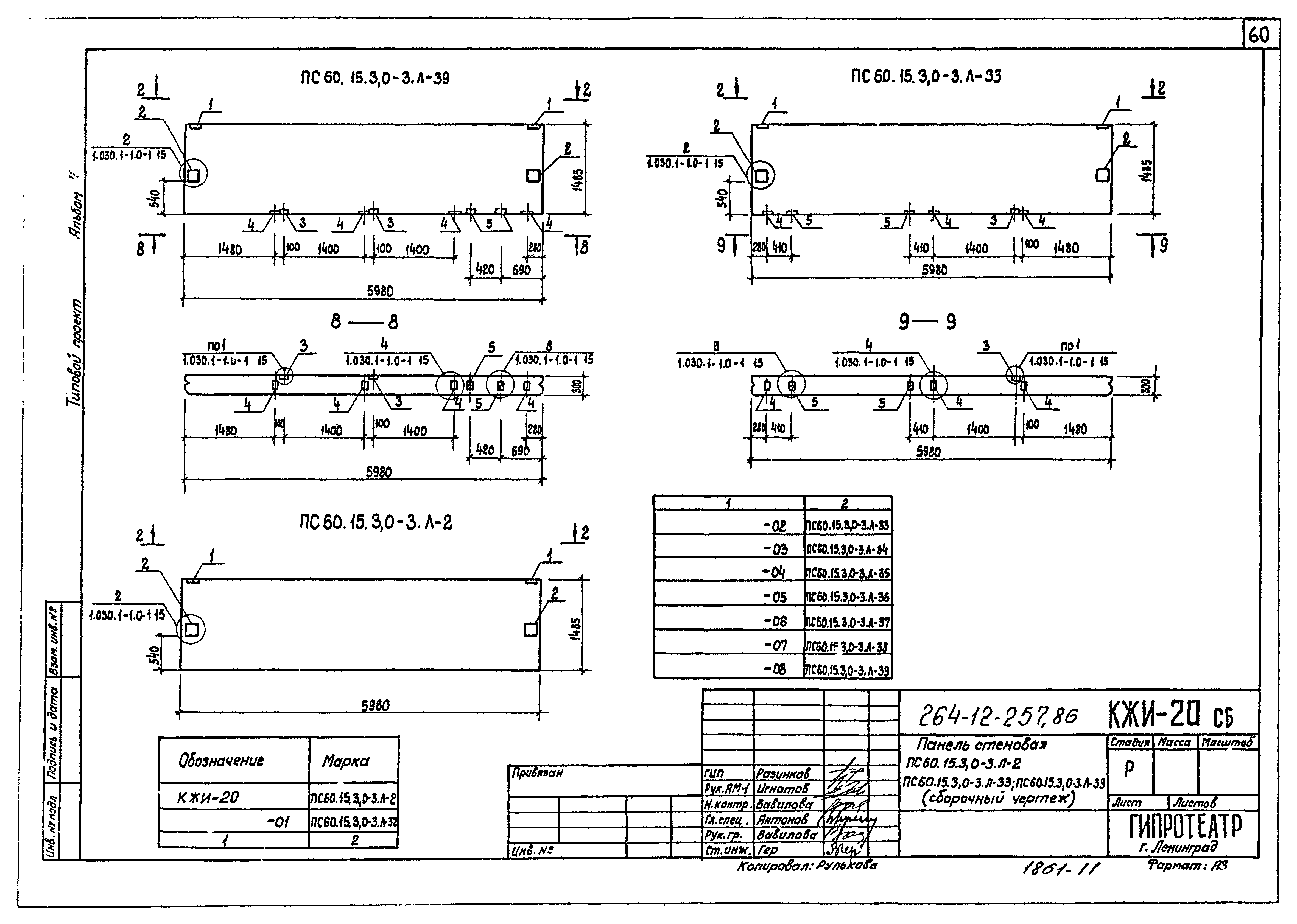
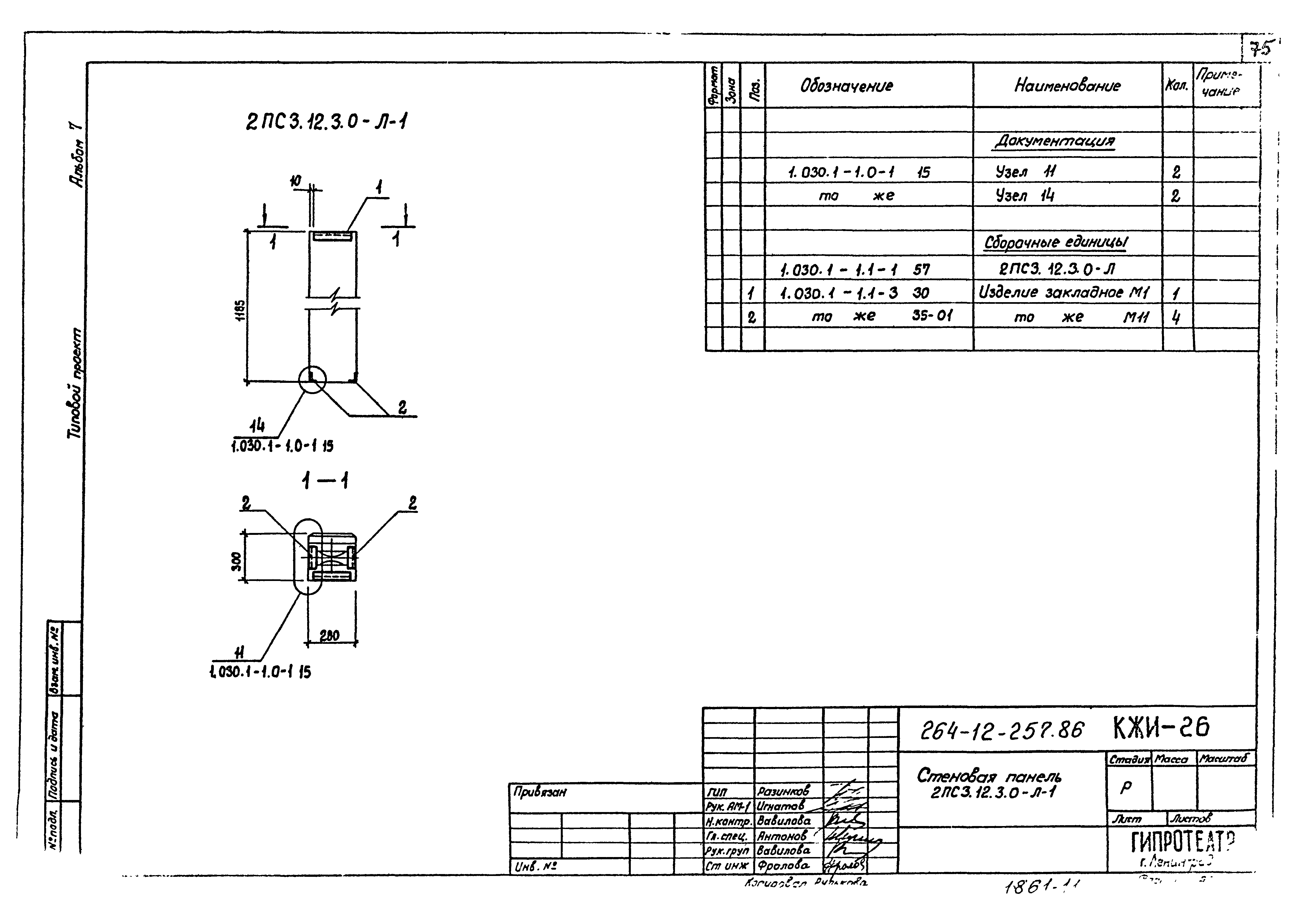
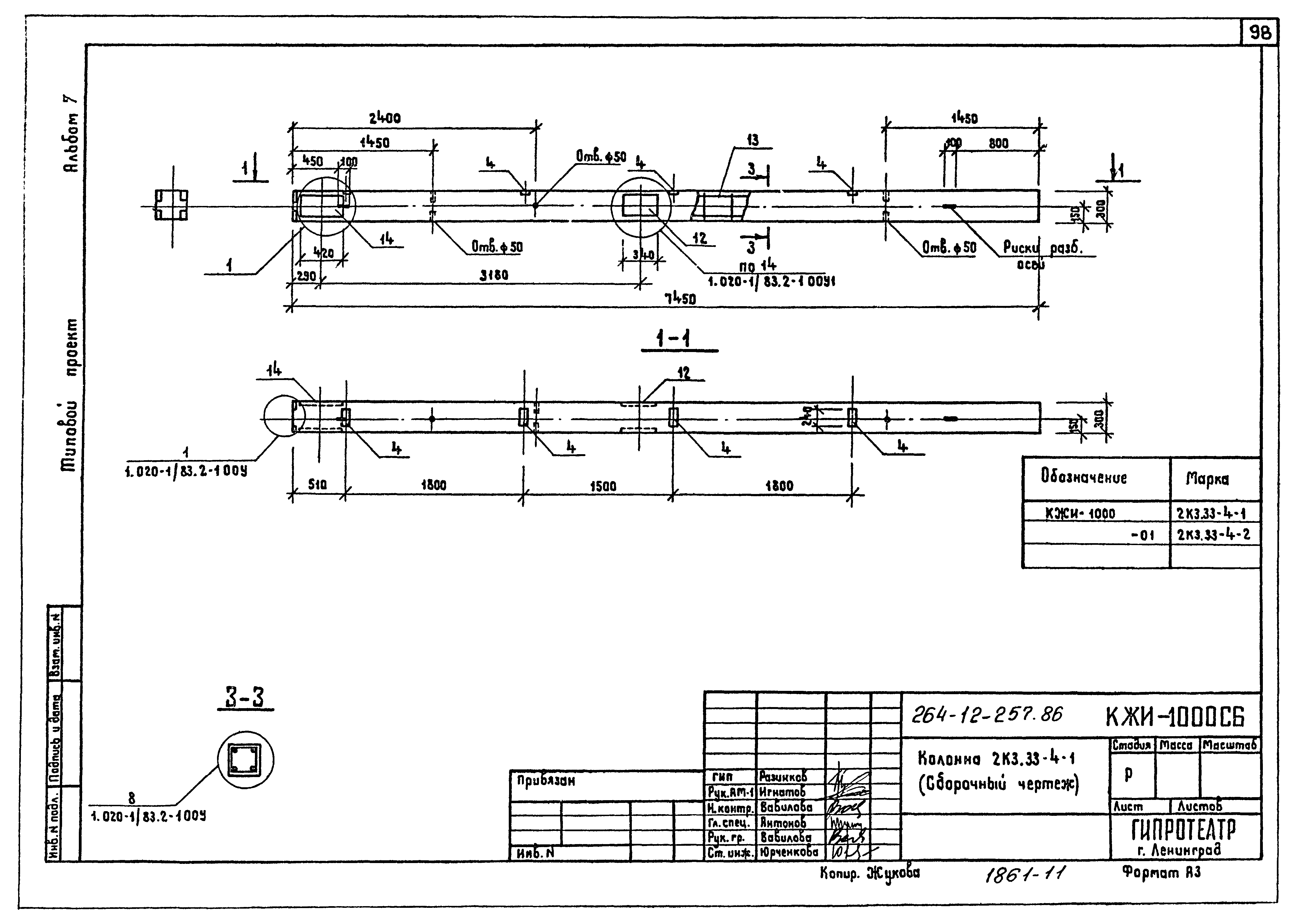
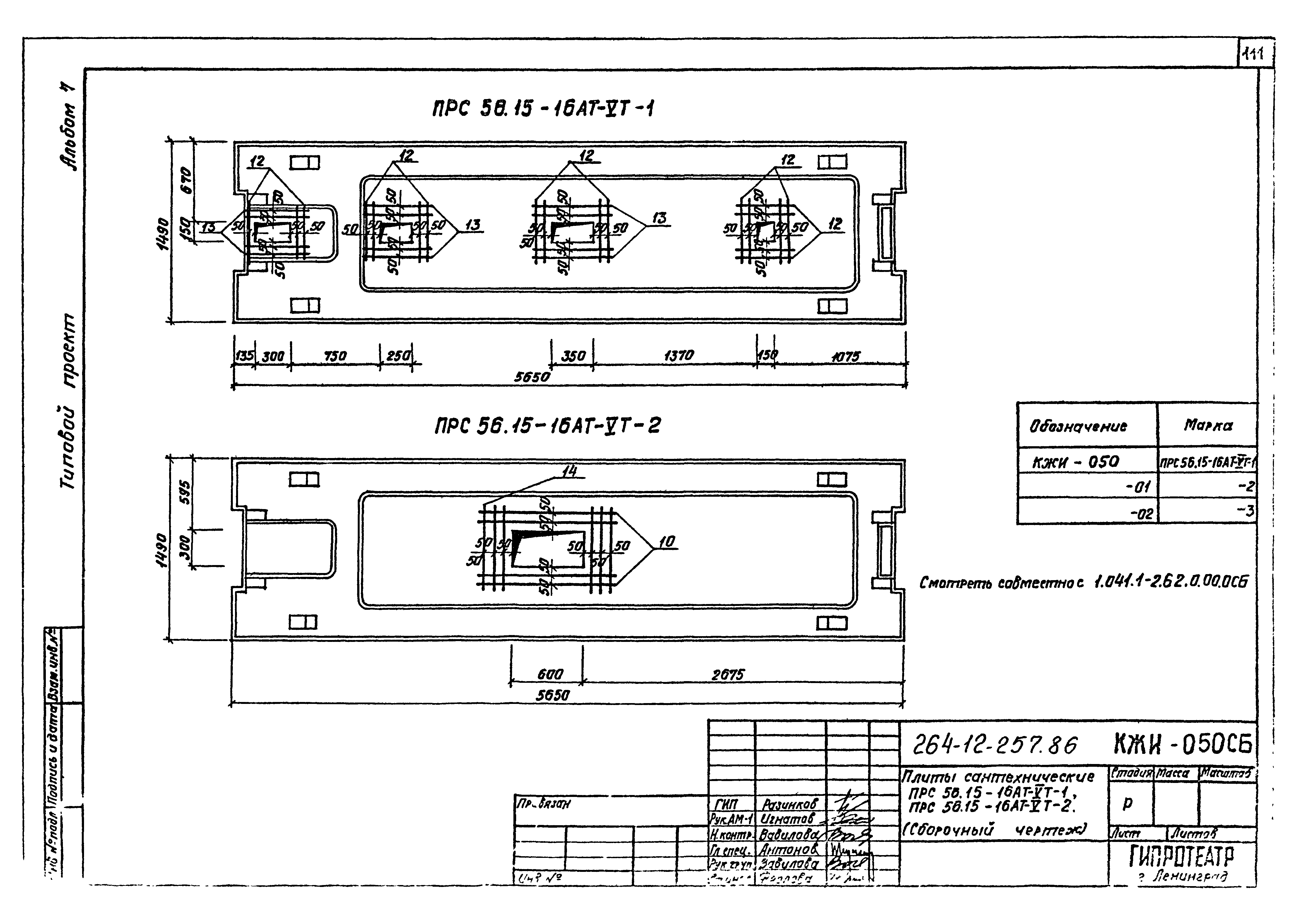
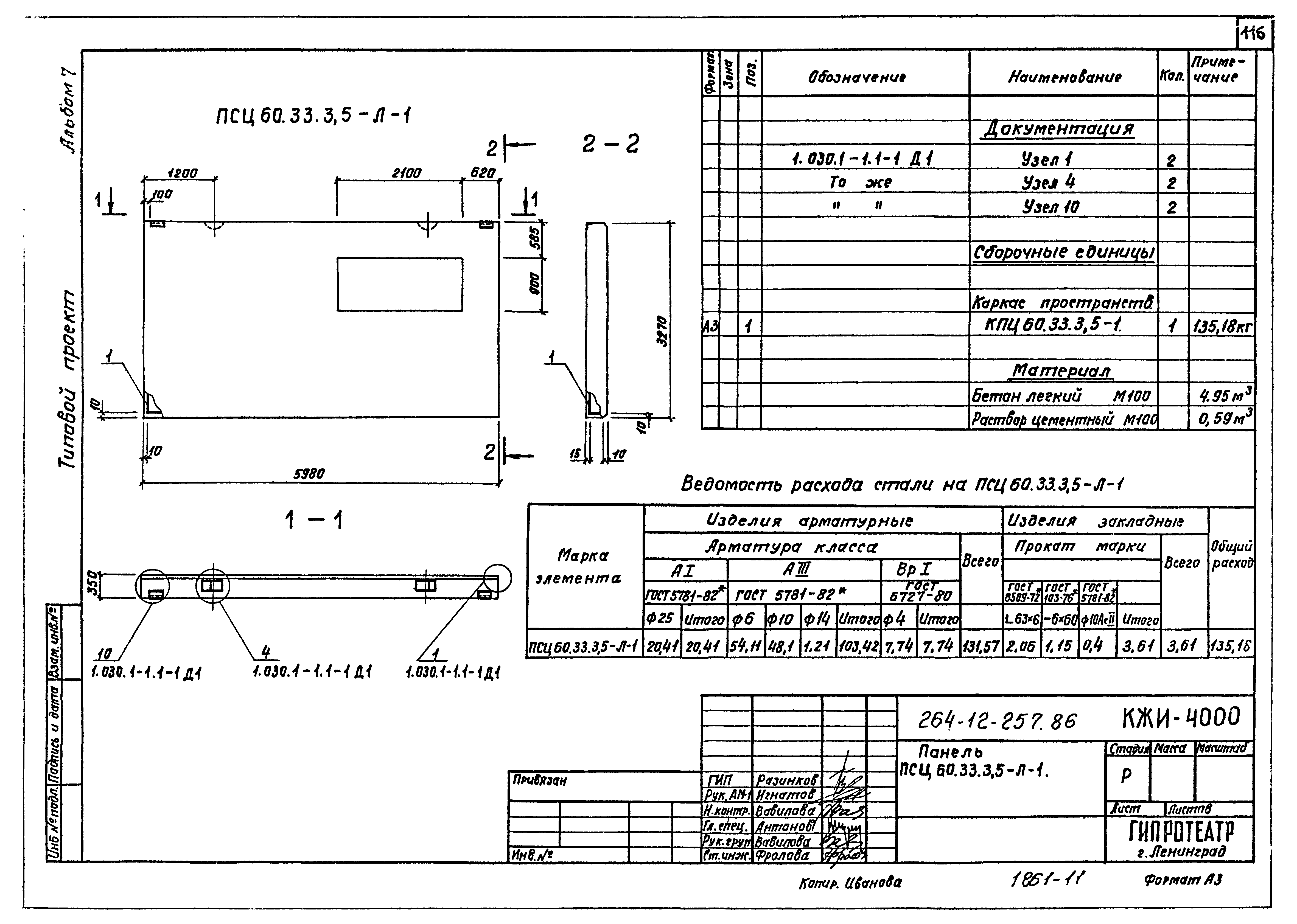
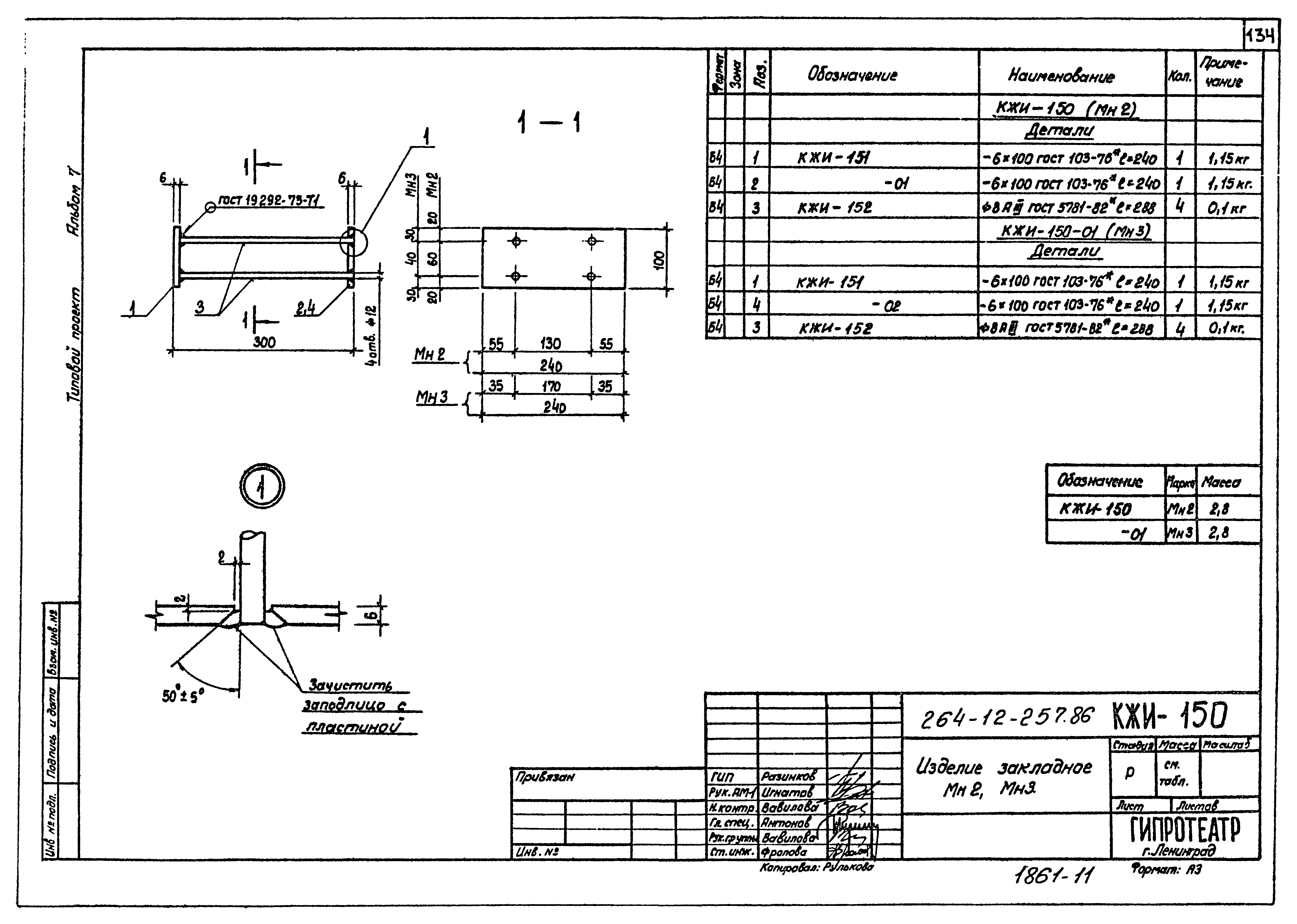
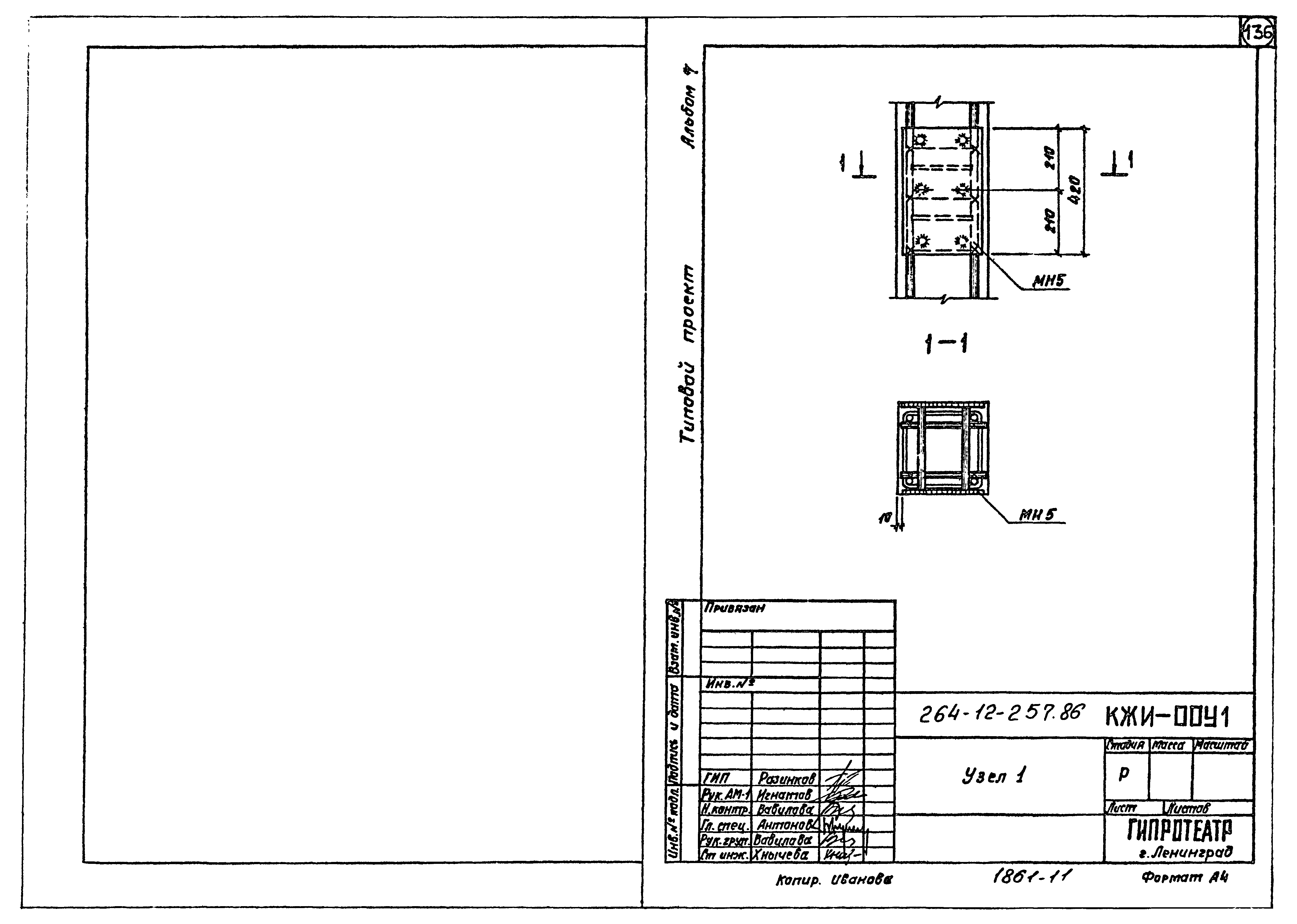
Скачать Типовой проект 264-12-257.86 Альбом 7. Изделия заводского изготовленияДата актуализации: 01.01.2021
|
| Обозначение: | Типовой проект 264-12-257.86 |
| Обозначение англ: | 264-12-257.86 |
| Статус: | действует |
| Название рус.: | Альбом 7. Изделия заводского изготовления |
| Дата добавления в базу: | 05.05.2017 |
| Дата актуализации: | 01.01.2021 |
| Дата введения: | 19.12.1985 |
| Разработан: | Гипротеатр Минкультуры СССР |
| Утверждён: | 17.09.1984 Госгражданстрой (Gosgrazhdanstroy 269) |
| Издан: | ЦИТП Госстроя СССР (CITP, Gosstroy (USSR) 1987 г. ) |









































































































































