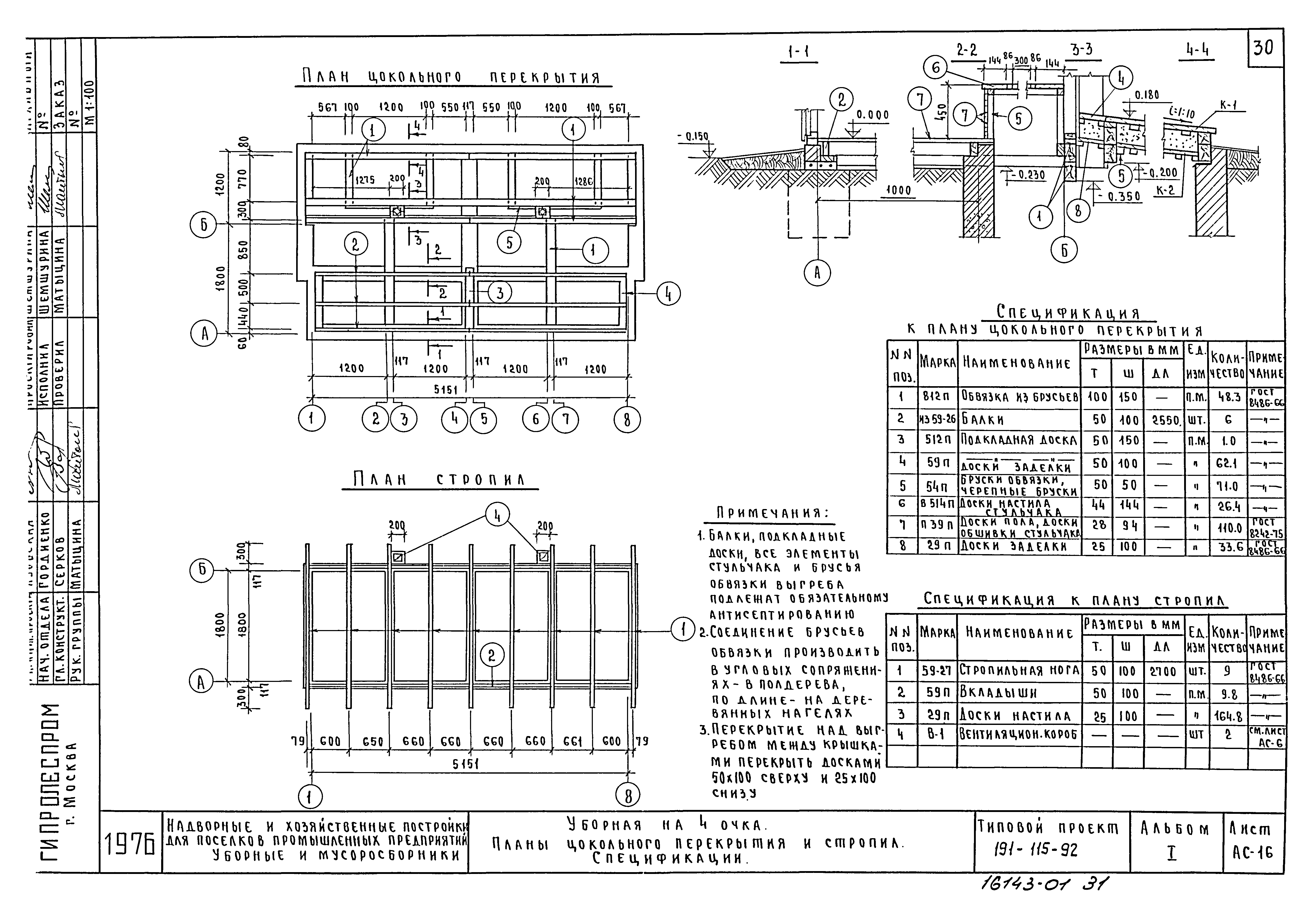
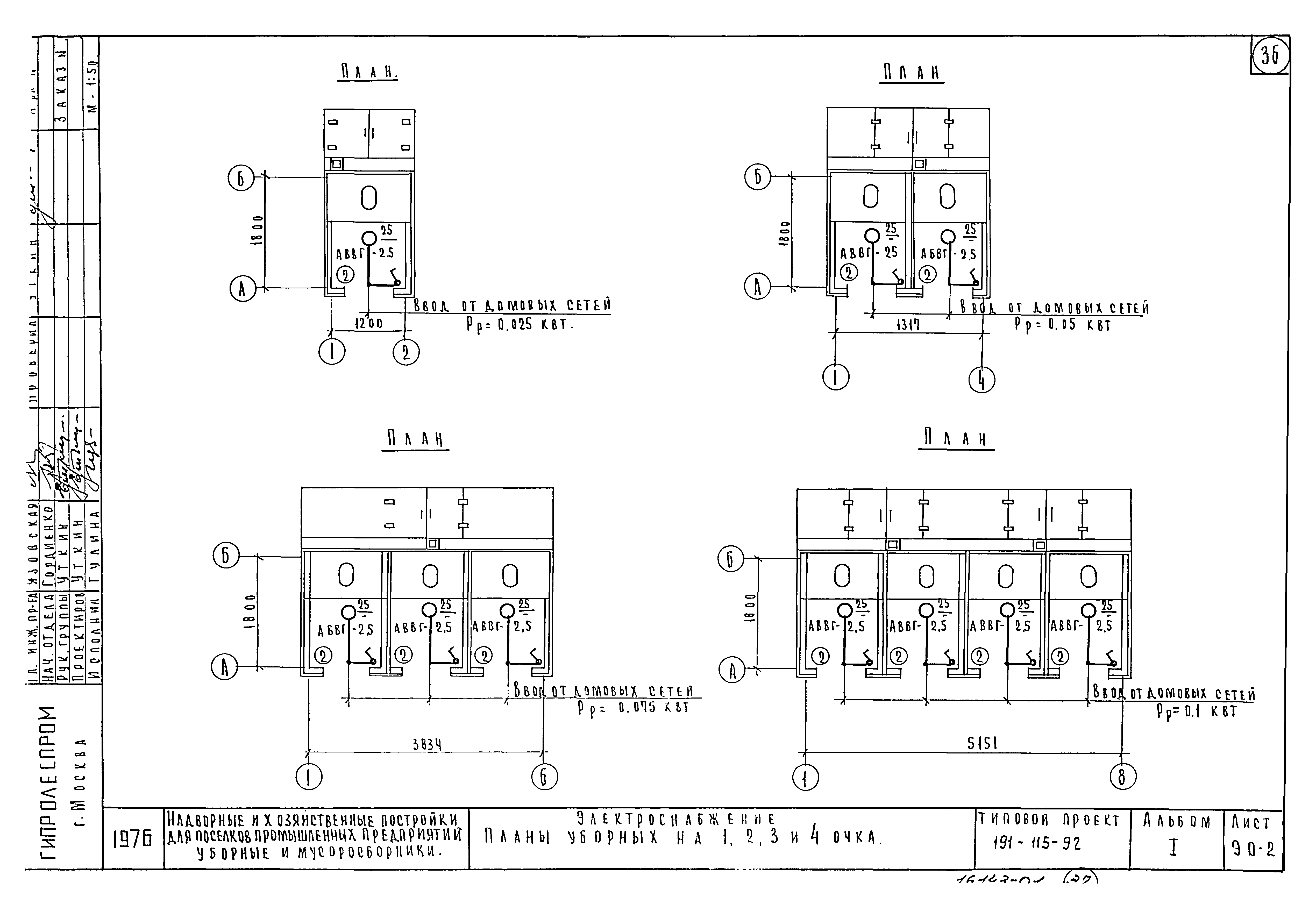
Скачать Типовой проект 191-115-92 Альбом I. Архитектурно-строительная и электротехническая частиДата актуализации: 01.01.2021
|
| Обозначение: | Типовой проект 191-115-92 |
| Обозначение англ: | 191-115-92 |
| Статус: | отменен |
| Название рус.: | Альбом I. Архитектурно-строительная и электротехническая части |
| Дата добавления в базу: | 05.05.2017 |
| Дата актуализации: | 01.01.2021 |
| Дата введения: | 19.04.1979 |
| Дата окончания срока действия: | 01.05.1988 |
| Разработан: | Гипролеспром Минлеспрома СССР |
| Утверждён: | 25.12.1975 Госгражданстрой (Gosgrazhdanstroy 3-1127) |
| Издан: | ЦИТП Госстроя СССР (CITP, Gosstroy (USSR) 1985 г. ) |
| Нормативные ссылки: |





































