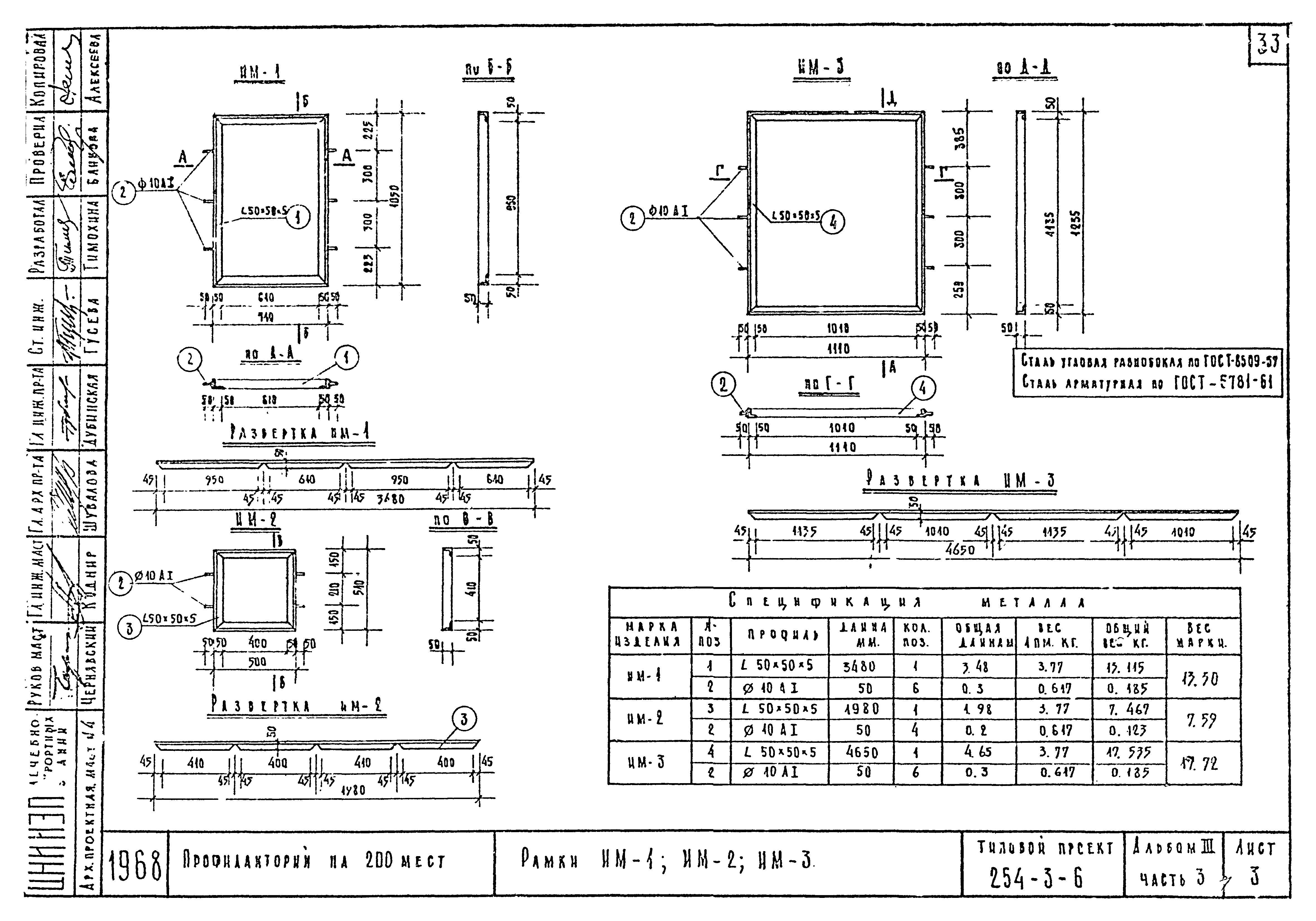
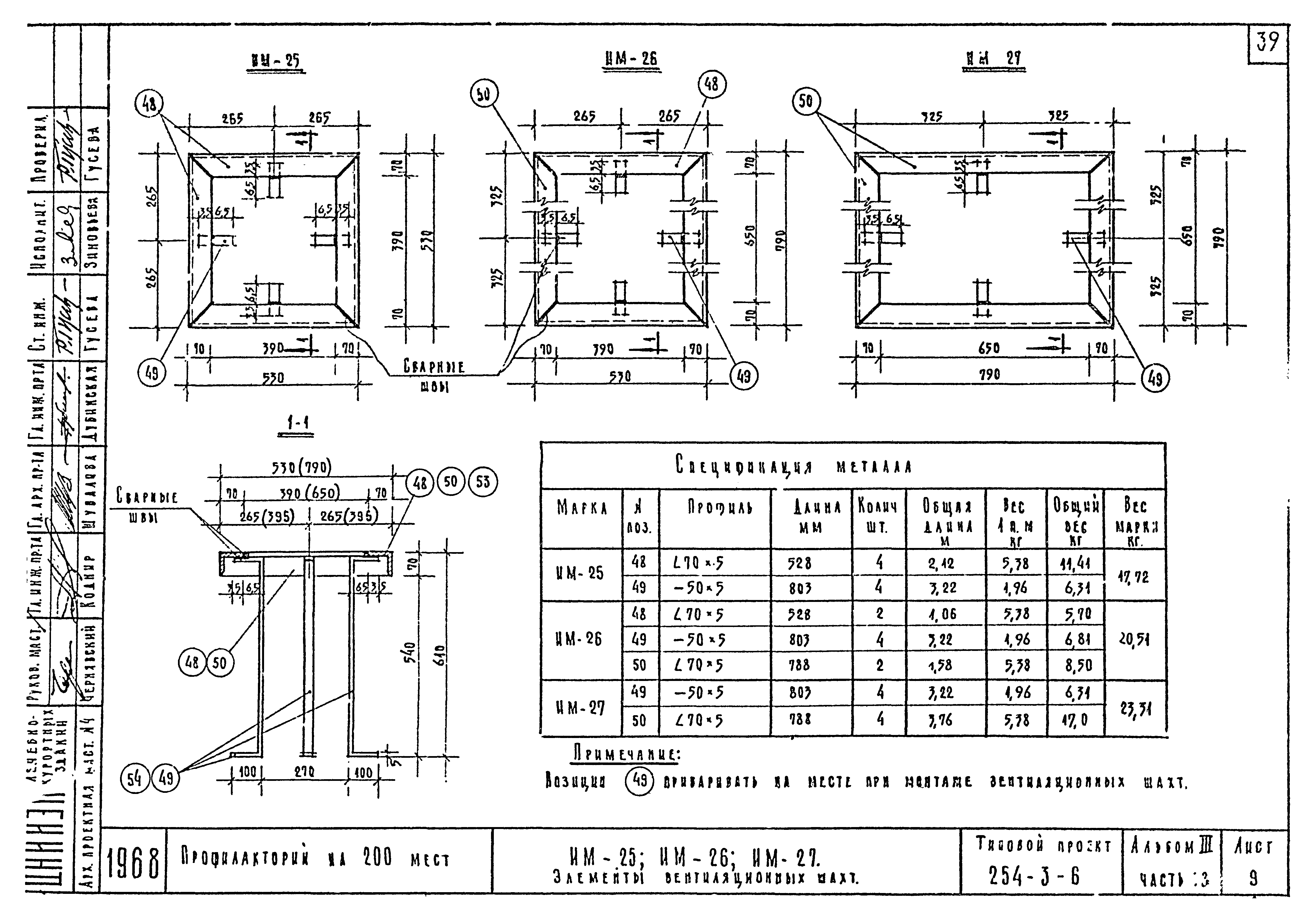
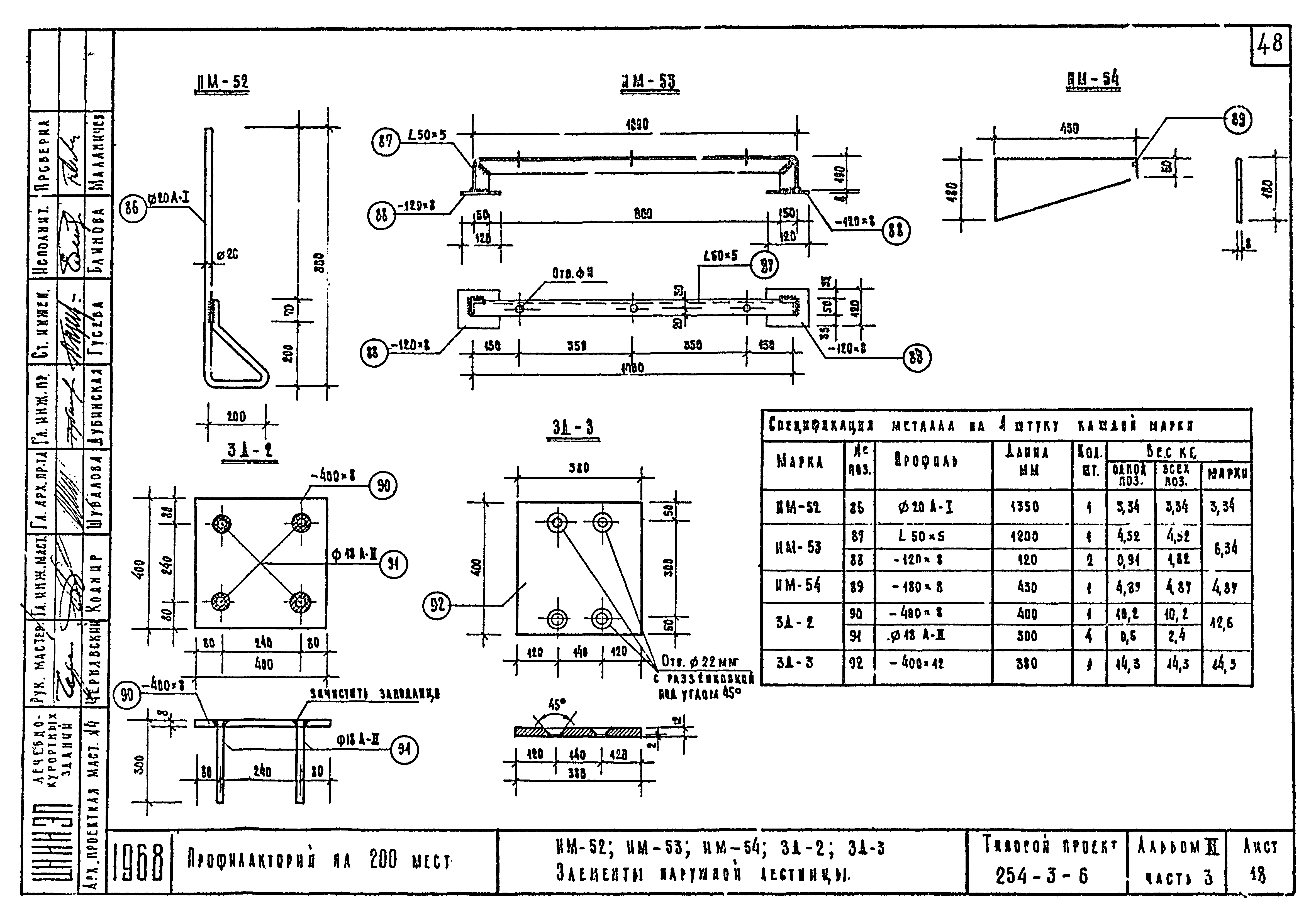
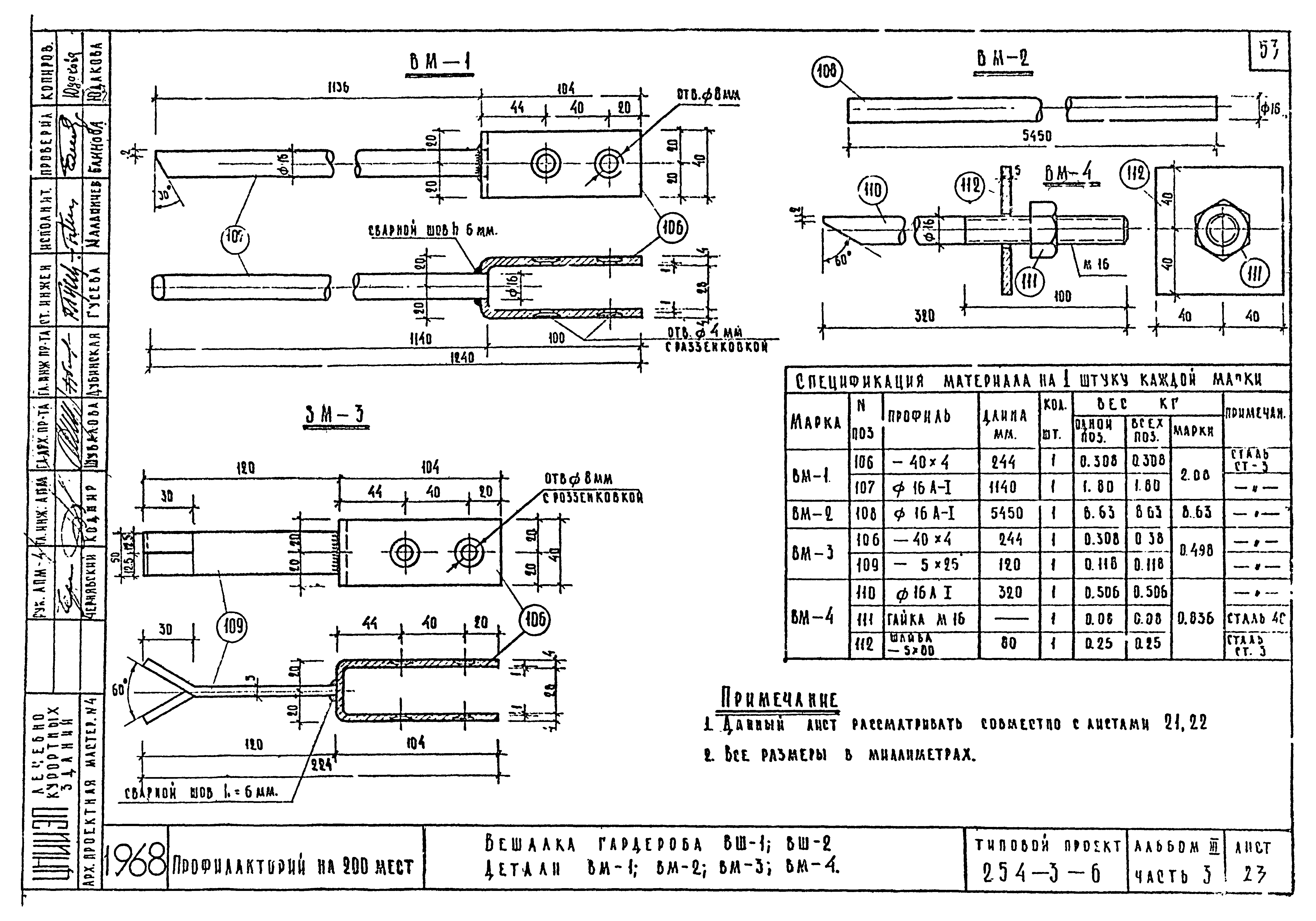
Скачать Типовой проект 254-3-6 Альбом III. Изделия заводского изготовленияДата актуализации: 01.01.2021 Типовой проект 254-3-6
Альбом III. Изделия заводского изготовления| Обозначение: | Типовой проект 254-3-6 | | Обозначение англ: | 254-3-6 | | Статус: | отменен | | Название рус.: | Альбом III. Изделия заводского изготовления | | Дата добавления в базу: | 05.05.2017 | | Дата актуализации: | 01.01.2021 | | Дата введения: | 01.01.1968 | | Дата окончания срока действия: | 01.01.1985 | | Разработан: | ЦНИИЭП лечебно-курортных зданий
| | Утверждён: | 01.01.1968 Госгражданстрой (Gosgrazhdanstroy )
|
                                                        
|