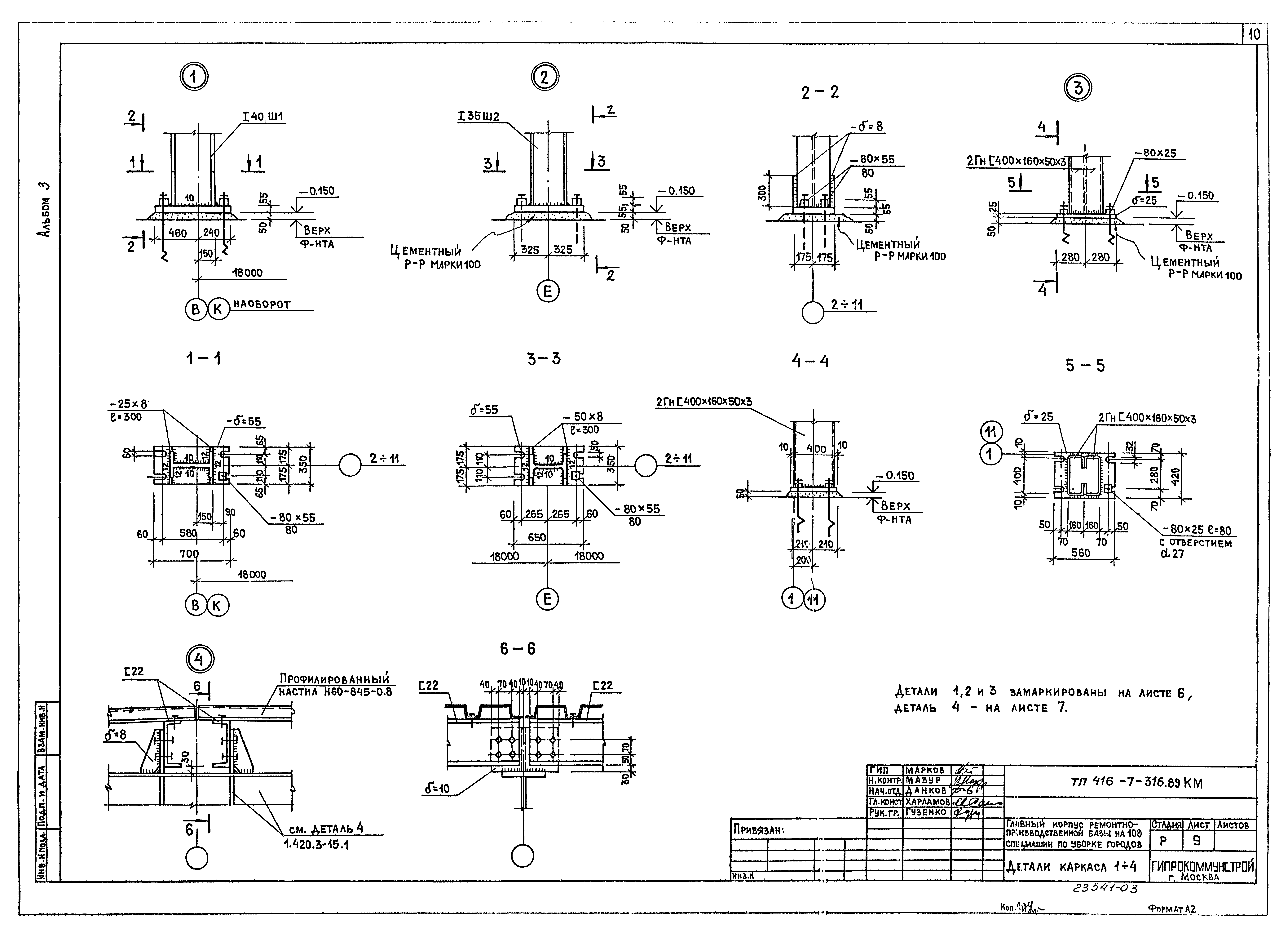
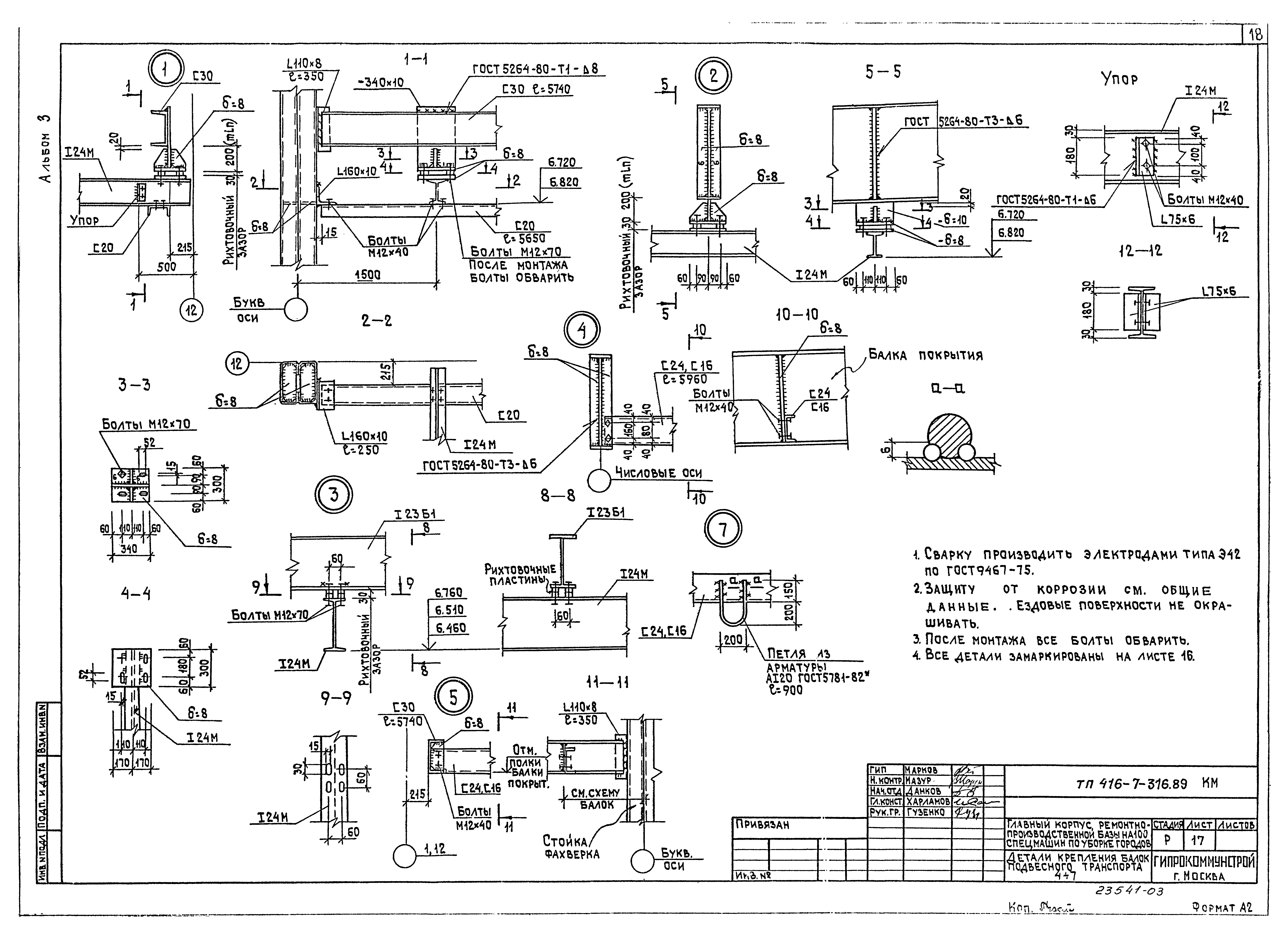
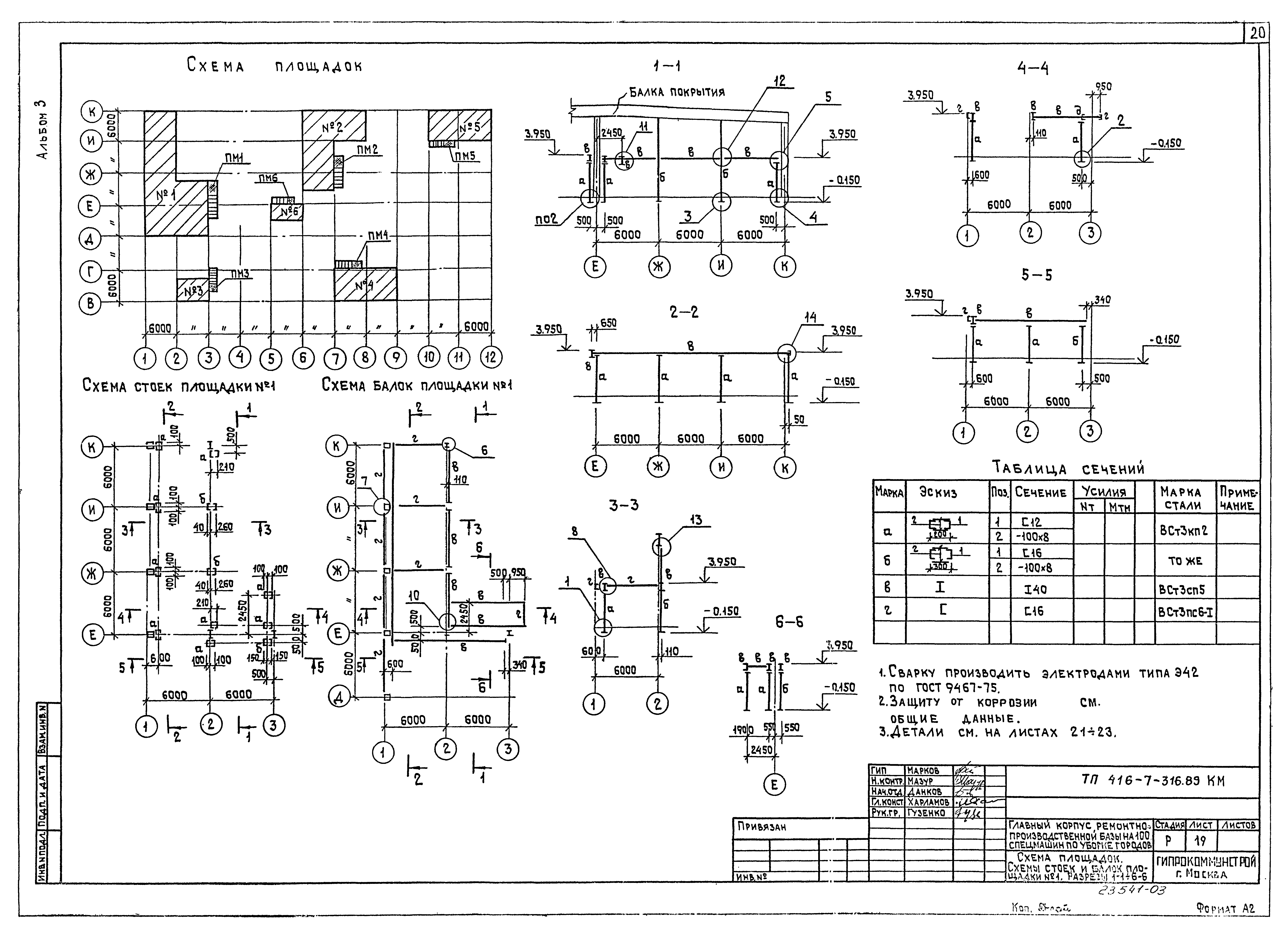
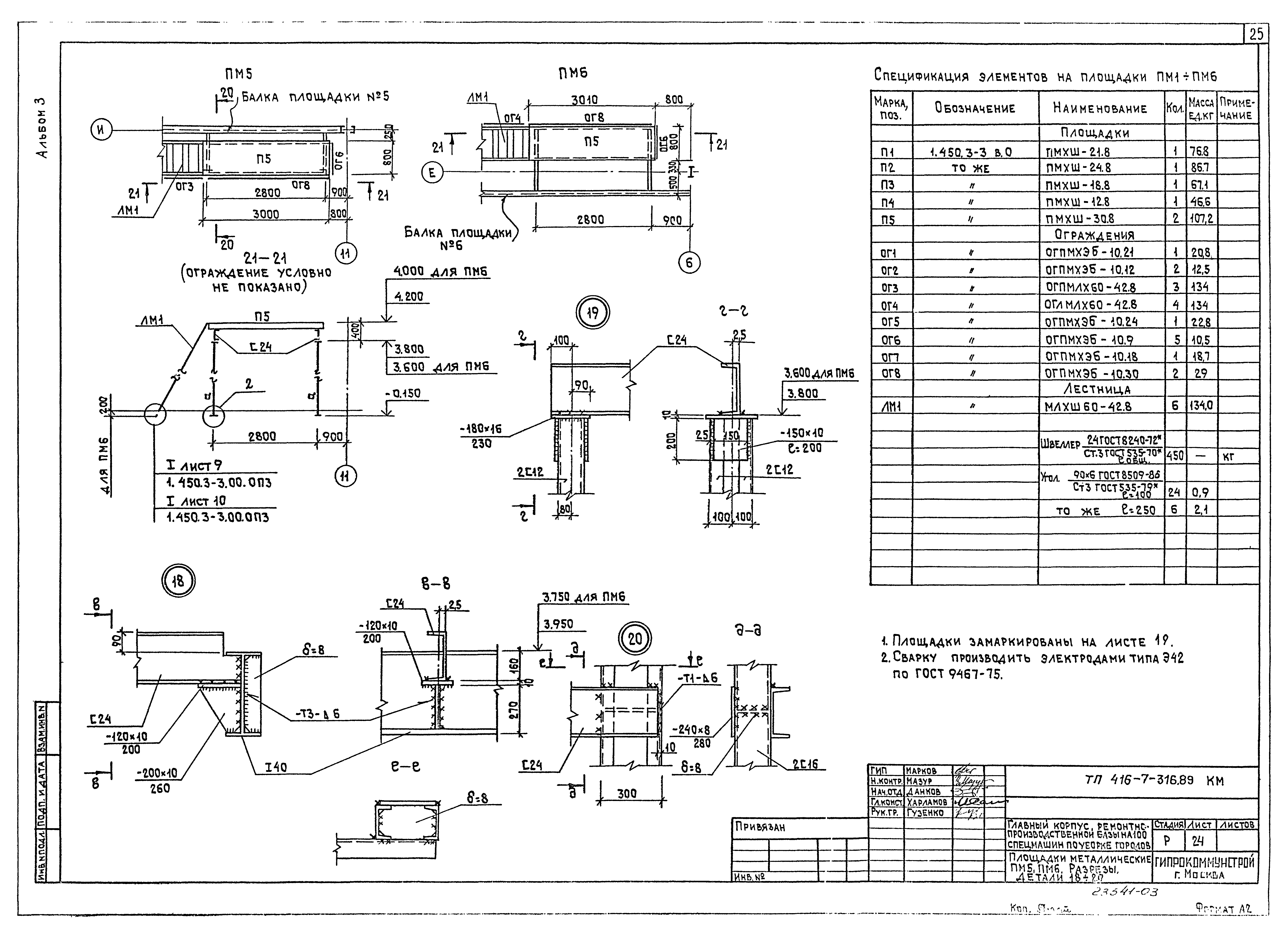
Скачать Типовой проект 416-7-316.89 Альбом 3. Конструкции металлическиеДата актуализации: 01.01.2021 Типовой проект 416-7-316.89
Альбом 3. Конструкции металлические| Обозначение: | Типовой проект 416-7-316.89 | | Обозначение англ: | 416-7-316.89 | | Статус: | действует | | Название рус.: | Альбом 3. Конструкции металлические | | Дата добавления в базу: | 01.01.2018 | | Дата актуализации: | 01.01.2021 | | Дата введения: | 18.10.1988 | | Разработан: | Гипрокоммунстрой
| | Утверждён: | 18.10.1988 Минжилкомхоз РСФСР (Russian Federation Minzhilkomkhoz 267)
| | Издан: | ЦИТП Госстроя СССР (CITP, Gosstroy (USSR) 1990 г. )
| | Заменяет собой: | |
                           
|