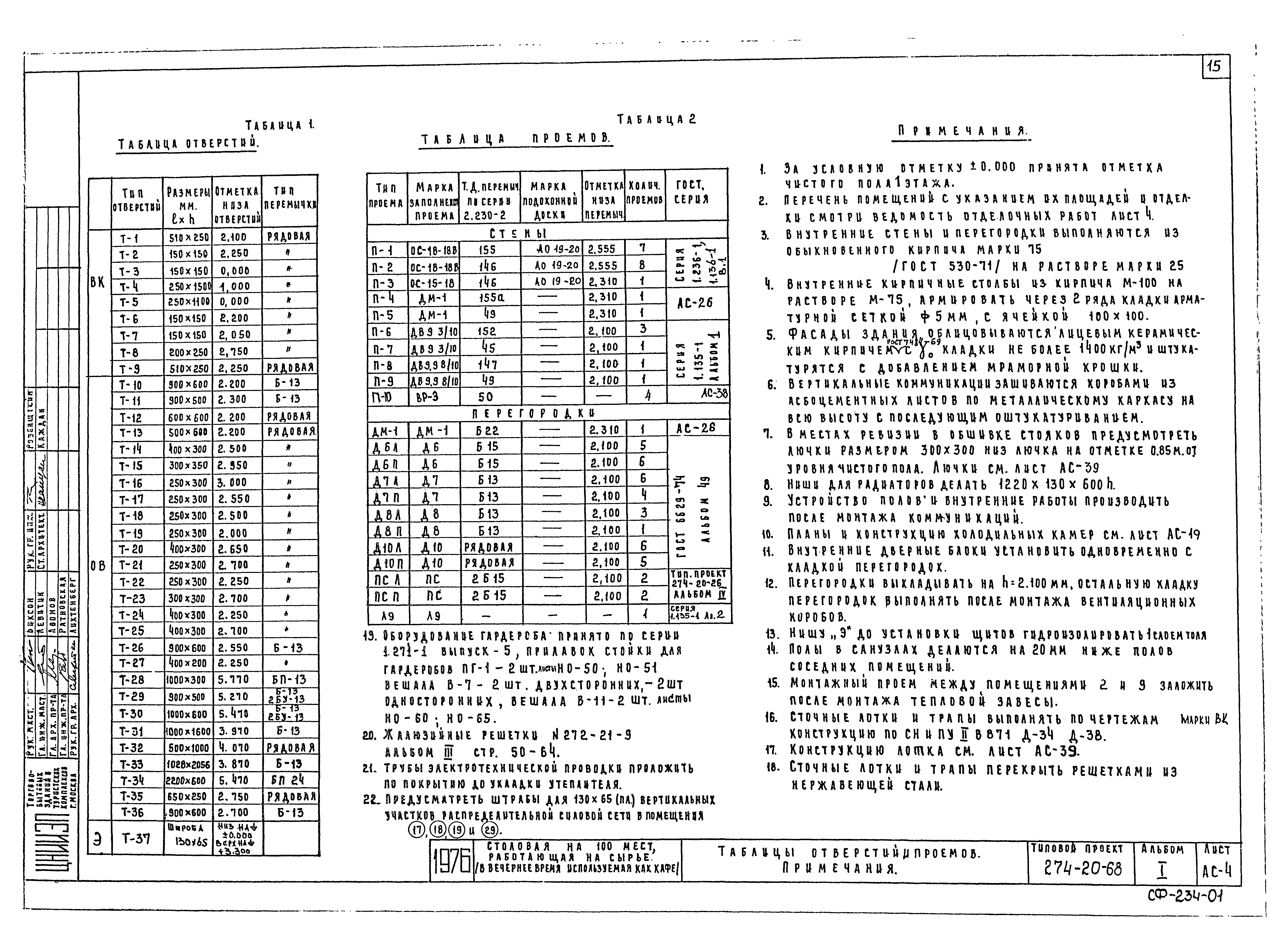
Скачать Типовой проект 274-20-68 Альбом I. Архитектурно-строительная и технологическая частиДата актуализации: 01.01.2021 Типовой проект 274-20-68
Альбом I. Архитектурно-строительная и технологическая части| Обозначение: | Типовой проект 274-20-68 | | Обозначение англ: | 274-20-68 | | Статус: | действует | | Название рус.: | Альбом I. Архитектурно-строительная и технологическая части | | Дата добавления в базу: | 01.01.2018 | | Дата актуализации: | 01.01.2021 | | Дата введения: | 30.04.1976 | | Разработан: | ЦНИИЭП торгово-бытовых зданий и туристских комплексов
| | Утверждён: | 06.03.1968 Госгражданстрой (Gosgrazhdanstroy 43)
| | Издан: | ЦИТП Госстроя СССР (CITP, Gosstroy (USSR) 1980 г. )
| | Заменяет собой: | |
                                                       
|