Скачать ГОСТ Р 60.3.4.2-2017 Роботы и робототехнические устройства. Промышленные манипуляционные роботы. Механические интерфейсы. СтержниДата актуализации: 01.01.2021
|
| Обозначение: | ГОСТ Р 60.3.4.2-2017 |
| Обозначение англ: | GOST R 60.3.4.2-2017 |
| Статус: | введен впервые |
| Название рус.: | Роботы и робототехнические устройства. Промышленные манипуляционные роботы. Механические интерфейсы. Стержни |
| Название англ.: | Robots and robotic devices. Industrial manipulating robots. Mechanical interfaces. Shafts |
| Дата добавления в базу: | 01.01.2019 |
| Дата актуализации: | 01.01.2021 |
| Дата введения: | 01.07.2018 |
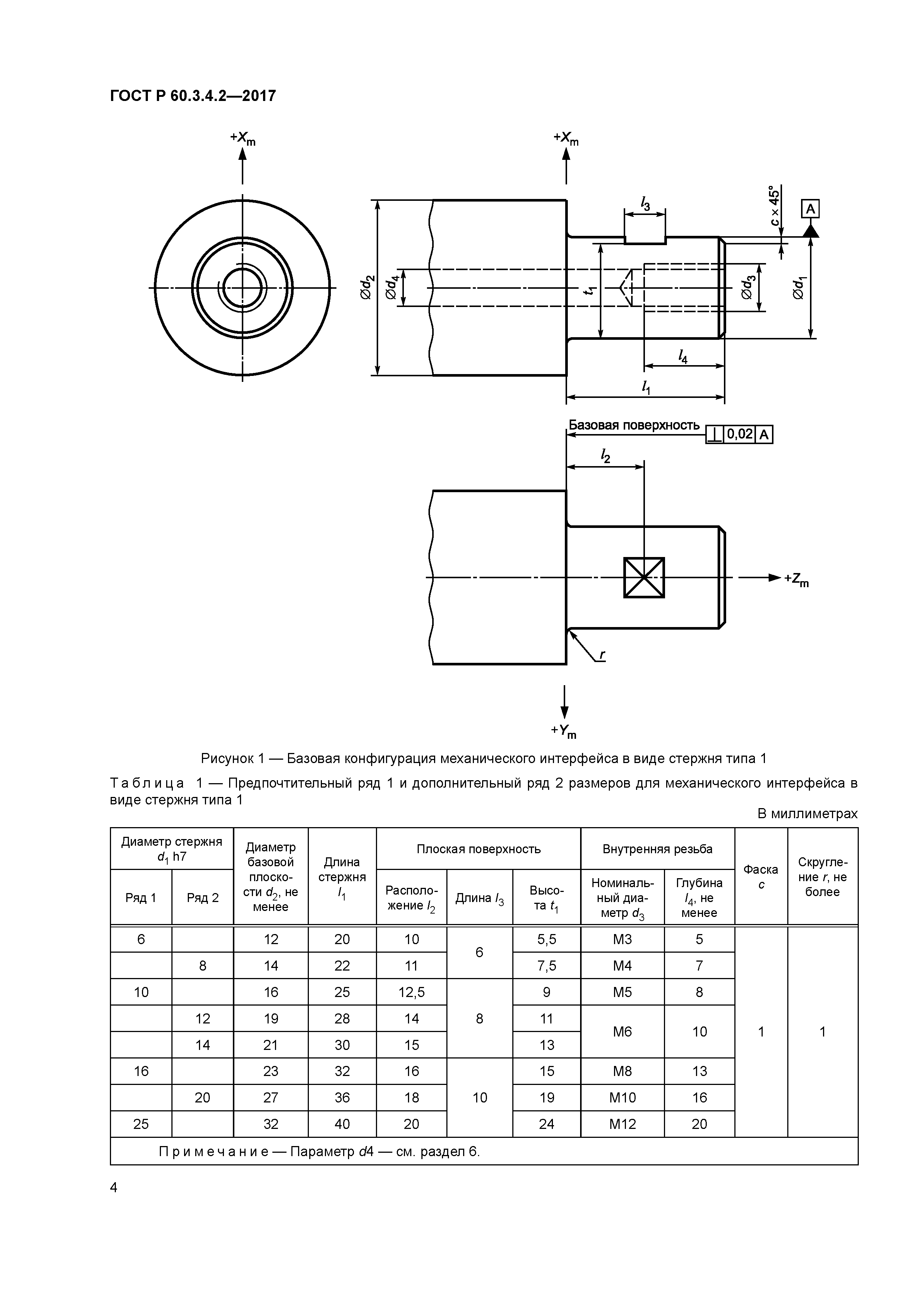
| Область применения: | Стандарт устанавливает основные размеры, обозначение и маркировку стержней цилиндрической формы, используемых в качестве механического интерфейса для промышленных манипуляционных роботов. Данный механический интерфейс предназначен для обеспечения однозначности установки и взаимозаменяемости рабочих органов при их ручном монтаже на промышленные манипуляционные роботы. Стандарт не имеет никакой взаимосвязи с диапазонами грузоподъемности робота. Механические интерфейсы, определенные в стандарте, могут также найти применение в транспортно-загрузочных устройствах, которые не подпадают под определение промышленных манипуляционных роботов, таких как перегружатели или копирующие устройства. |
| Оглавление: | 1 Область применения 2 Нормативные ссылки 3 Термины и определения 4 Размеры 4.1 Общие положения 4.2 Система координат 4.3 Допуски 4.4 Грузоподъемность и материал стержня 5 Требования к рабочему органу 6 Практические рекомендации - обеспечение прокладки коммуникаций 7 Обозначение 8 Маркировка Приложение ДА (справочное) Сведения о соответствии ссылочных международных стандартов национальным и межгосударственным стандартам |
| Разработан: | ЦНИИ РТК |
| Утверждён: | 14.11.2017 Федеральное агентство по техническому регулированию и метрологии (1745-ст) |
| Издан: | Стандартинформ (2017 г. ) Стандартинформ (2019 г. ) |
| Нормативные ссылки: |
|











