Скачать ГОСТ Р 57962-2017 Микросферы стеклянные полые. Метод определения плотностиДата актуализации: 01.01.2021
|
| Обозначение: | ГОСТ Р 57962-2017 |
| Обозначение англ: | GOST R 57962-2017 |
| Статус: | введен впервые |
| Название рус.: | Микросферы стеклянные полые. Метод определения плотности |
| Название англ.: | Hollow glass microspheres. Method for determination of density |
| Дата добавления в базу: | 01.01.2019 |
| Дата актуализации: | 01.01.2021 |
| Дата введения: | 01.05.2018 |
| Область применения: | Стандарт распространяется на полые стеклянные микросферы и устанавливает метод определения плотности. |
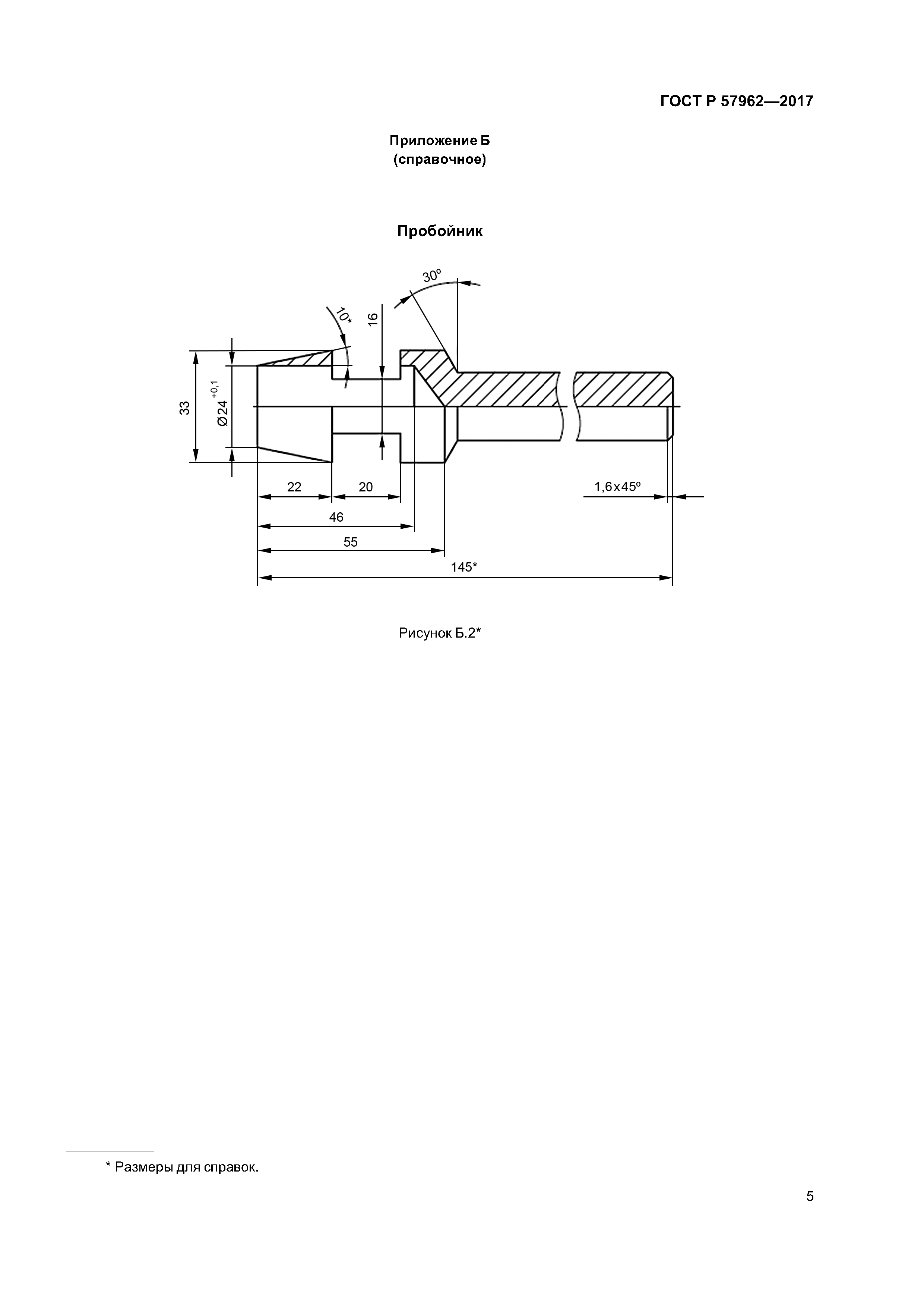
| Оглавление: | 1 Область применения 2 Нормативные ссылки 3 Термины и определения 4 Сущность метода испытания 5 Требования к условиям проведения испытания 6 Аппаратура и реактивы 7 Подготовка к испытанию 8 Проведение испытания 9 Обработка результатов 10 Показатели точности измерений 11 Протокол испытаний Приложение А (справочное) Латунная капсула Приложение Б (справочное) Пробойник |
| Разработан: | АНО Стандарткомпозит АО НПО Стеклопластик |
| Утверждён: | 21.11.2017 Федеральное агентство по техническому регулированию и метрологии (1780-ст) |
| Издан: | Стандартинформ (2017 г. ) |
| Нормативные ссылки: |
|







