Скачать ГОСТ Р 60.3.4.1-2017 Роботы и робототехнические устройства. Промышленные манипуляционные роботы. Механические интерфейсы. Круглые фланцыДата актуализации: 01.01.2021
|
| Обозначение: | ГОСТ Р 60.3.4.1-2017 |
| Обозначение англ: | GOST R 60.3.4.1-2017 |
| Статус: | введен впервые |
| Название рус.: | Роботы и робототехнические устройства. Промышленные манипуляционные роботы. Механические интерфейсы. Круглые фланцы |
| Название англ.: | Robots and robotic devices. Industrial manipulating robots. Mechanical interfaces. Plates |
| Дата добавления в базу: | 01.01.2019 |
| Дата актуализации: | 01.01.2021 |
| Дата введения: | 01.07.2018 |
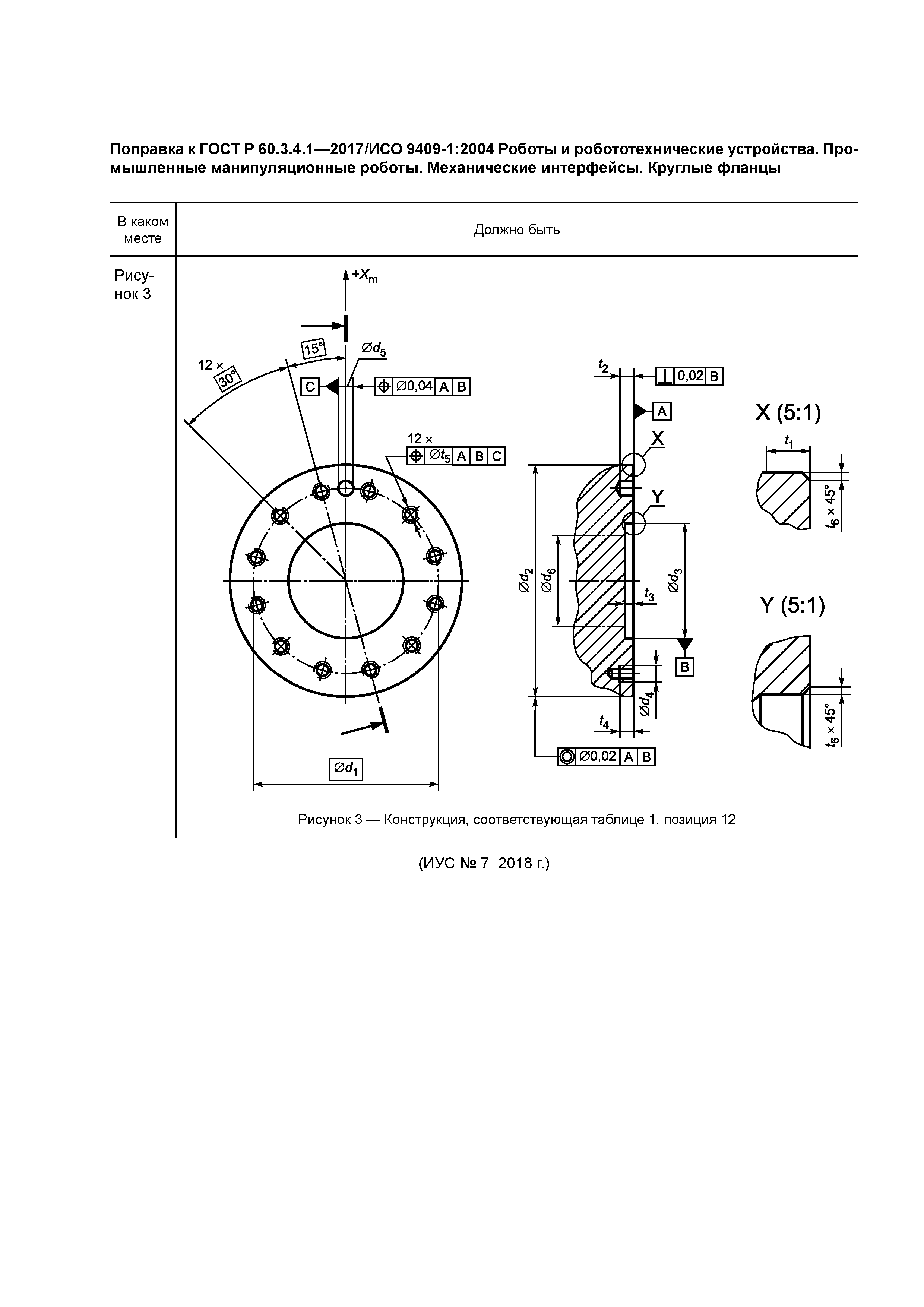
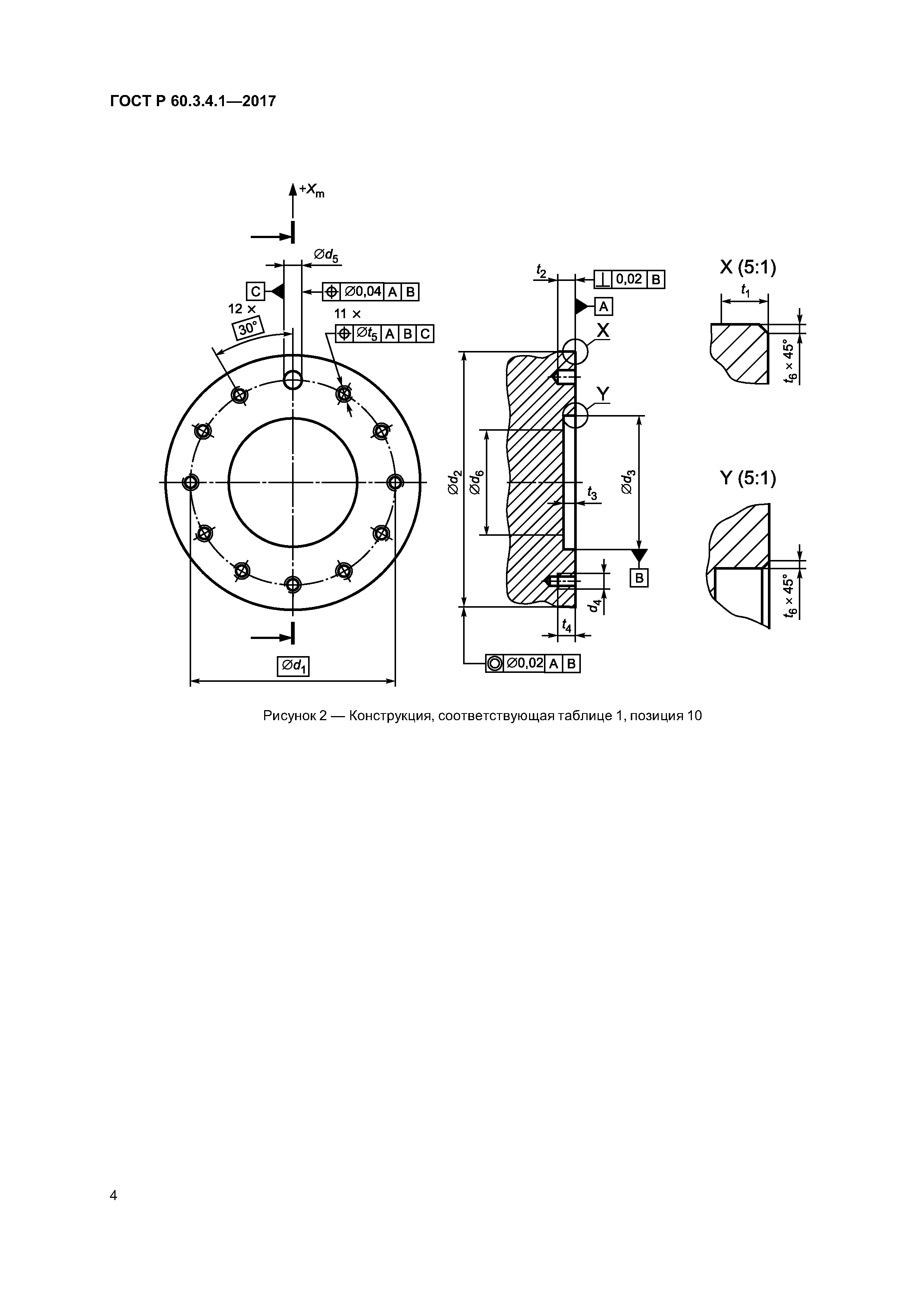
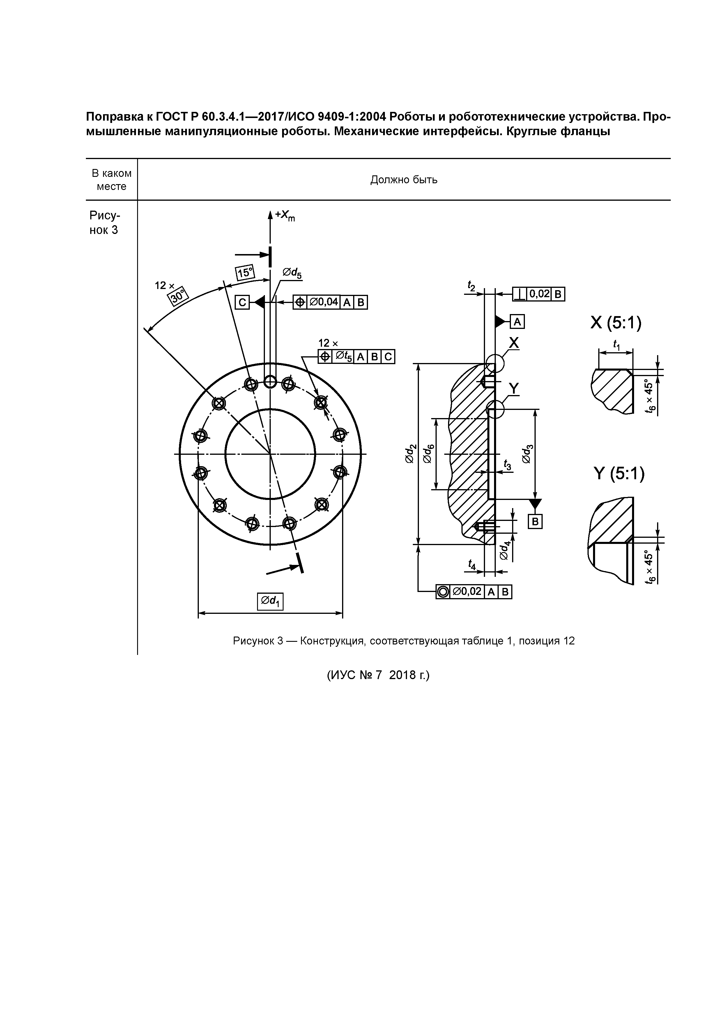
| Область применения: | Стандарт устанавливает основные размеры, назначение и маркировку круглых фланцев, используемых в качестве механического интерфейса для промышленных манипуляционных роботов. Данный механический интерфейс предназначен для обеспечения однозначности установки и взаимозаменяемости рабочих органов при их ручном монтаже на промышленные манипуляционные роботы. Стандарт не устанавливает другие требования к механическому интерфейсу, предназначенному для установки рабочего органа робота. Стандарт не имеет никакой взаимосвязи с диапазонами грузоподъемности робота, так как предполагается, что подходящий механический интерфейс должен быть выбран в зависимости от области применения и грузоподъемности робота. Механические интерфейсы, определенные в стандарте, могут также найти применение в транспортно-загрузочных устройствах, которые не подпадают под определение промышленных манипуляционных роботов, таких как перегружатели или копирующие устройства. |
| Оглавление: | 1 Область применения 2 Нормативные ссылки 3 Термины и определения 4 Размеры 4.1 Общие положения 4.2 Допуски 4.3 Резьбовые отверстия 4.4 Обеспечение прокладки коммуникаций 4.5 Требования к рабочему органу 5 Обозначение 6 Маркировка Приложение ДА (справочное) Сведения о соответствии ссылочных международных стандартов национальным и межгосударственным стандартам |
| Разработан: | ЦНИИ РТК |
| Утверждён: | 14.11.2017 Федеральное агентство по техническому регулированию и метрологии (1744-ст) |
| Издан: | Стандартинформ (2017 г. ) |
| Список изменений: |
|
| Нормативные ссылки: |
|













Текстовое изменение Поправка от 23.05.2018