Скачать Методические указания по совершенствованию технологии добычи с целью повышения полноты извлечения угля при подземной разработке угольных месторождений

Дата актуализации: 01.01.2021

Методические указания по совершенствованию технологии добычи с целью повышения полноты извлечения угля при подземной разработке угольных месторождений

Статус:справочные материалы, мп, тпр
Название рус.:Методические указания по совершенствованию технологии добычи с целью повышения полноты извлечения угля при подземной разработке угольных месторождений
Дата добавления в базу:01.01.2019
Дата актуализации:01.01.2021
Область применения:Методические указания содержат рекомендации по повышению плотности извлечения угля из недр путем применения бесцеликовой подготовки и отработки пластов угля, отработки целиков угля при погашении подготовительных выработок, снижения потерь угля при отработке нарушенных месторождений и при выемке пластов под охраняемыми объектами
Оглавление:Условные обозначения, принятые в работе
Введение
1. Снижение эксплуатационных потерь угля при разработке тонких и средней мощности пологих пластов
2. Снижение общешахтных потерь угля
3. Подработка объектов земной поверхности
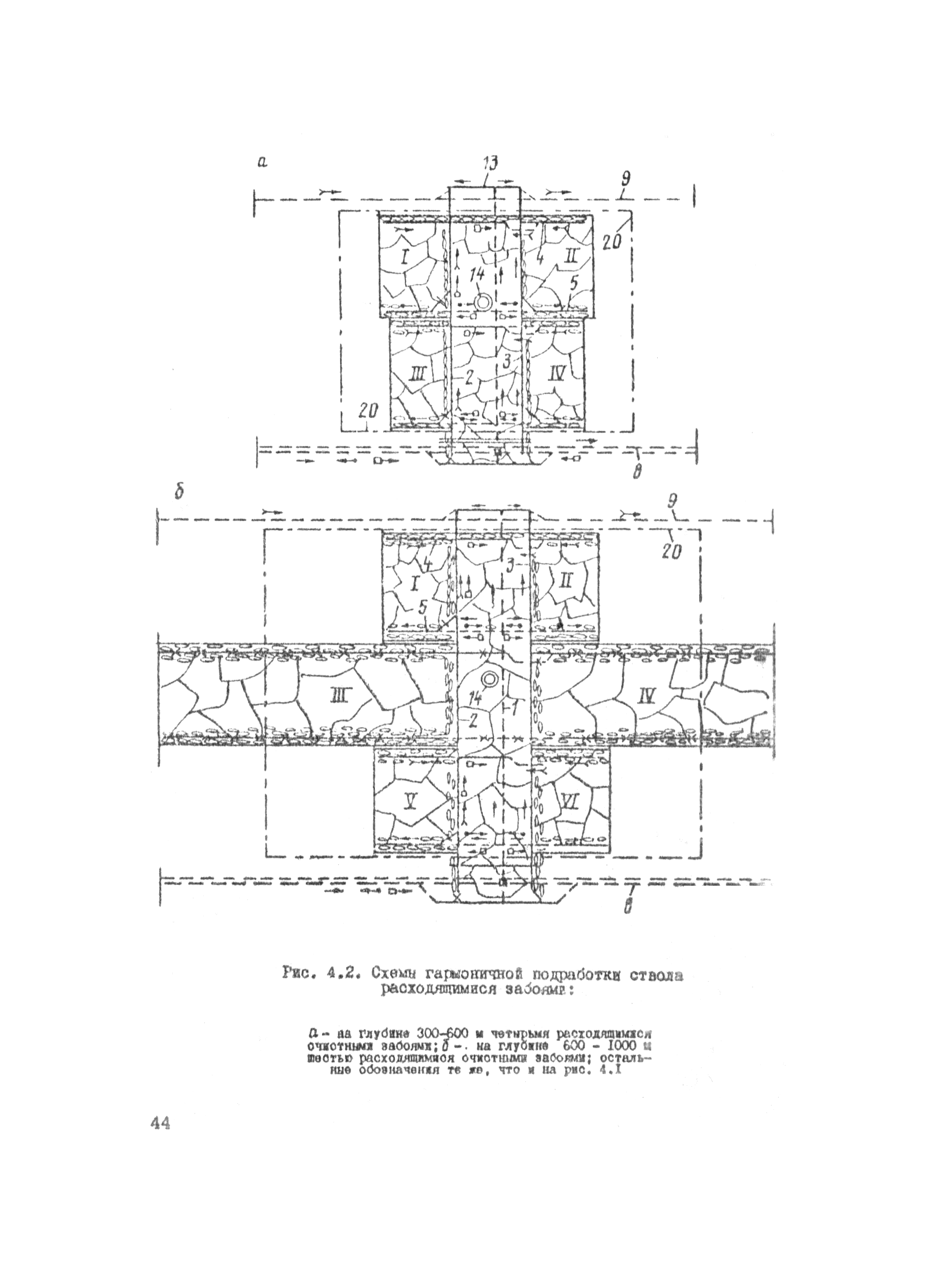
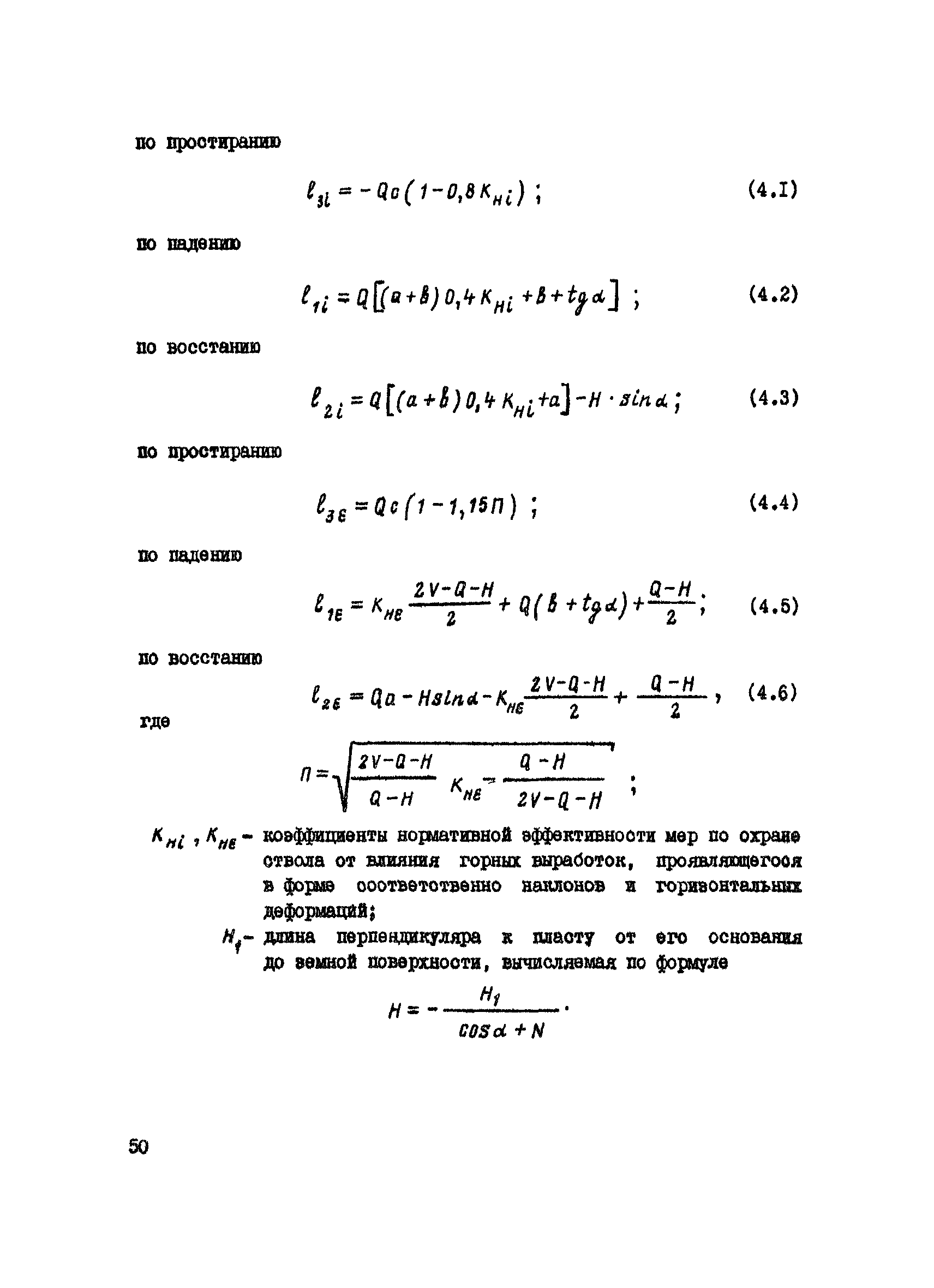
4. Подработка капитальных выработок
Приложение 1. Предельные деформации земной поверхности
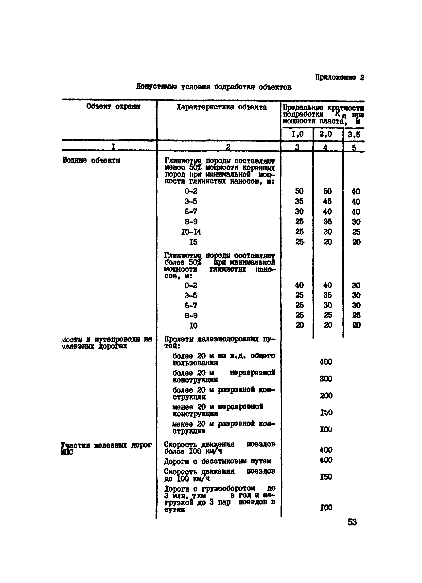
Приложение 2. Допустимые условия подработки объектов
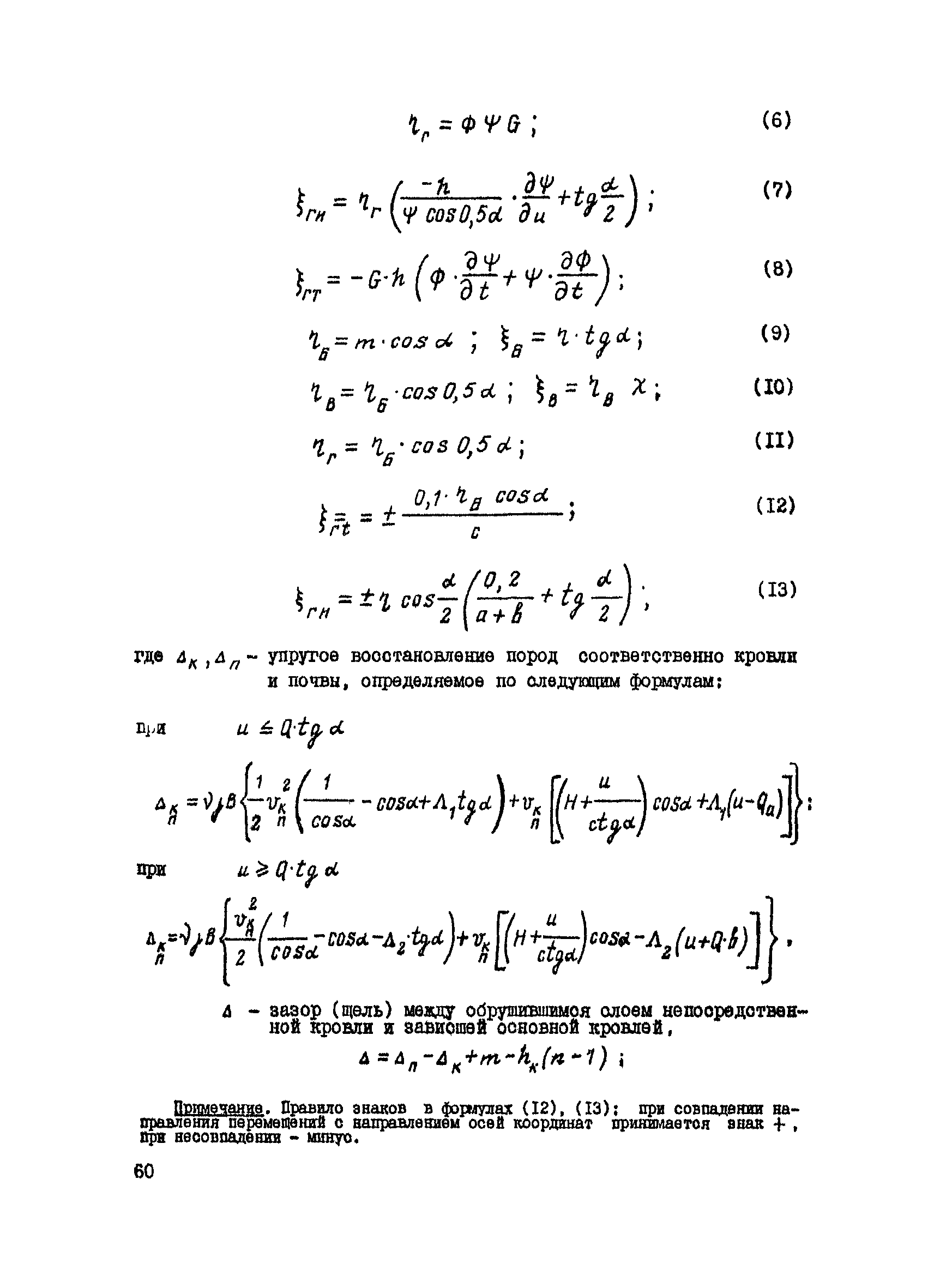
Приложение 3. Методика расчета напряжений, перемещений и деформаций подрабатываемого горного массива
Литература
Разработан: Институт горного дела им. А.А. Скочинского
Утверждён:08.12.1980 Институт горного дела им. А.А. Скочинского
Нормативные ссылки: