Скачать МИ 3164-14 Рекомендация. Государственная система обеспечения единства измерений. Электромагнитные расходомеры и счетчики-расходомеры. Методика поверки с применением имитационной установки Поток-ТДата актуализации: 01.01.2021
|
| Обозначение: | МИ 3164-14 |
| Обозначение англ: | MI 3164-14 |
| Статус: | взамен |
| Название рус.: | Рекомендация. Государственная система обеспечения единства измерений. Электромагнитные расходомеры и счетчики-расходомеры. Методика поверки с применением имитационной установки "Поток-Т" |
| Дата добавления в базу: | 01.01.2019 |
| Дата актуализации: | 01.01.2021 |
| Область применения: | Рекомендация распространяется на электромагнитные расходомеры и счетчики-расходомеры и устанавливает методику их поверки с помощью имитационной установки "Поток-Т" |
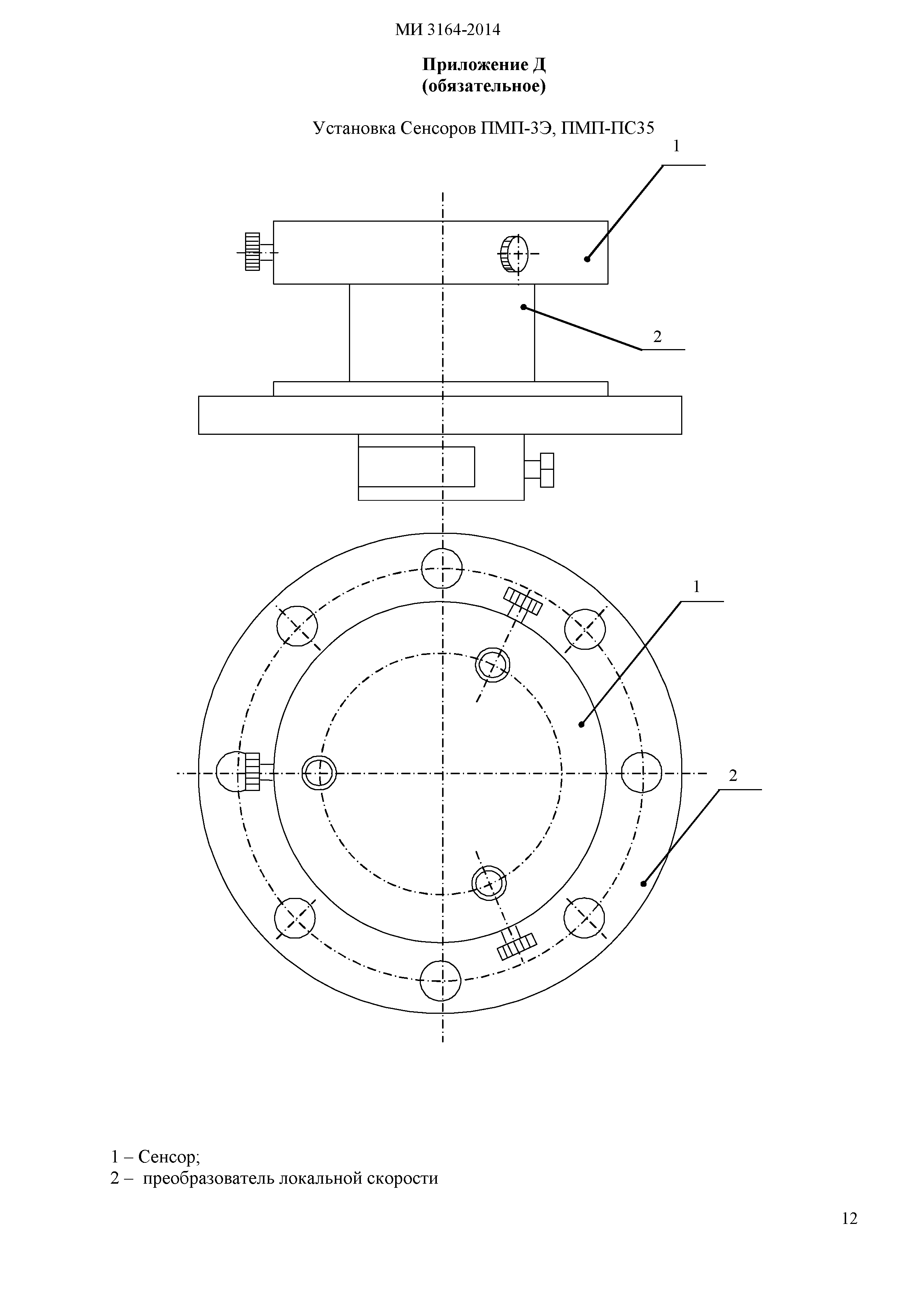
| Оглавление: | 1. Область применения 2. Нормативные ссылки 3. Операции поверки 4. Средства поверки 5. Требования к квалификации поверителей 6. Требования безопасности 7. Условия поверки и подготовка к ней 8. Подготовительные операции поверки 9. Опробование работы прибора 10. Определение погрешности прибора 11. Оформление результатов поверки Приложение А. Схема соединений прибора и установки Поток-Т в режиме поверки Приложение Б. Схема соединений прибора и установки Поток-Т при определении калибровочного фактора КЕ Приложение В. Установка Сенсора ПМП-С в трубе первичного преобразователя Приложение В 1. Установка Сенсора ПМП-С в расположенном горизонтально первичном преобразователе Приложение Г. Установка Сенсора ПМС-ПС Приложение Д .Установка Сенсоров ПМП-3Э, ПМП-ПСЗ5 на преобразователе локальной скорости Приложение Е. Методика определения калибровочных факторов КF и Км приборов Приложение Ж. Пример формы протокола поверки расходомера Приложение И. Пример формы протокола поверки счетчика-расходомера |
| Разработан: | ОАО НИИТеплоприбор |
| Утверждён: | 30.05.2014 ФГУП ВНИИМС ОАО НИИТеплоприбор |
| Заменяет собой: |
|
| Нормативные ссылки: |
|

















