Скачать ГОСТ 34005-2016 Автомобильные транспортные средства. Тахографы цифровые. Технические требования и методы испытанийДата актуализации: 01.01.2021
|
| Обозначение: | ГОСТ 34005-2016 |
| Обозначение англ: | GOST 34005-2016 |
| Статус: | введен впервые |
| Название рус.: | Автомобильные транспортные средства. Тахографы цифровые. Технические требования и методы испытаний |
| Название англ.: | Motor vehicles. Digital tachographs. Technical requirements and testing methods |
| Дата добавления в базу: | 01.01.2019 |
| Дата актуализации: | 01.01.2021 |
| Дата введения: | 01.10.2018 |
| Область применения: | Стандарт устанавливает технические требования к цифровым тахографам, которые являются компонентами автомобильных транспортных средств, требования к их установке, эксплуатации и методы испытаний. Стандарт не распространяется на тахографы, которые устанавливают на ТС, оснащаемые контрольными устройствами в соответствии с требованиями. |
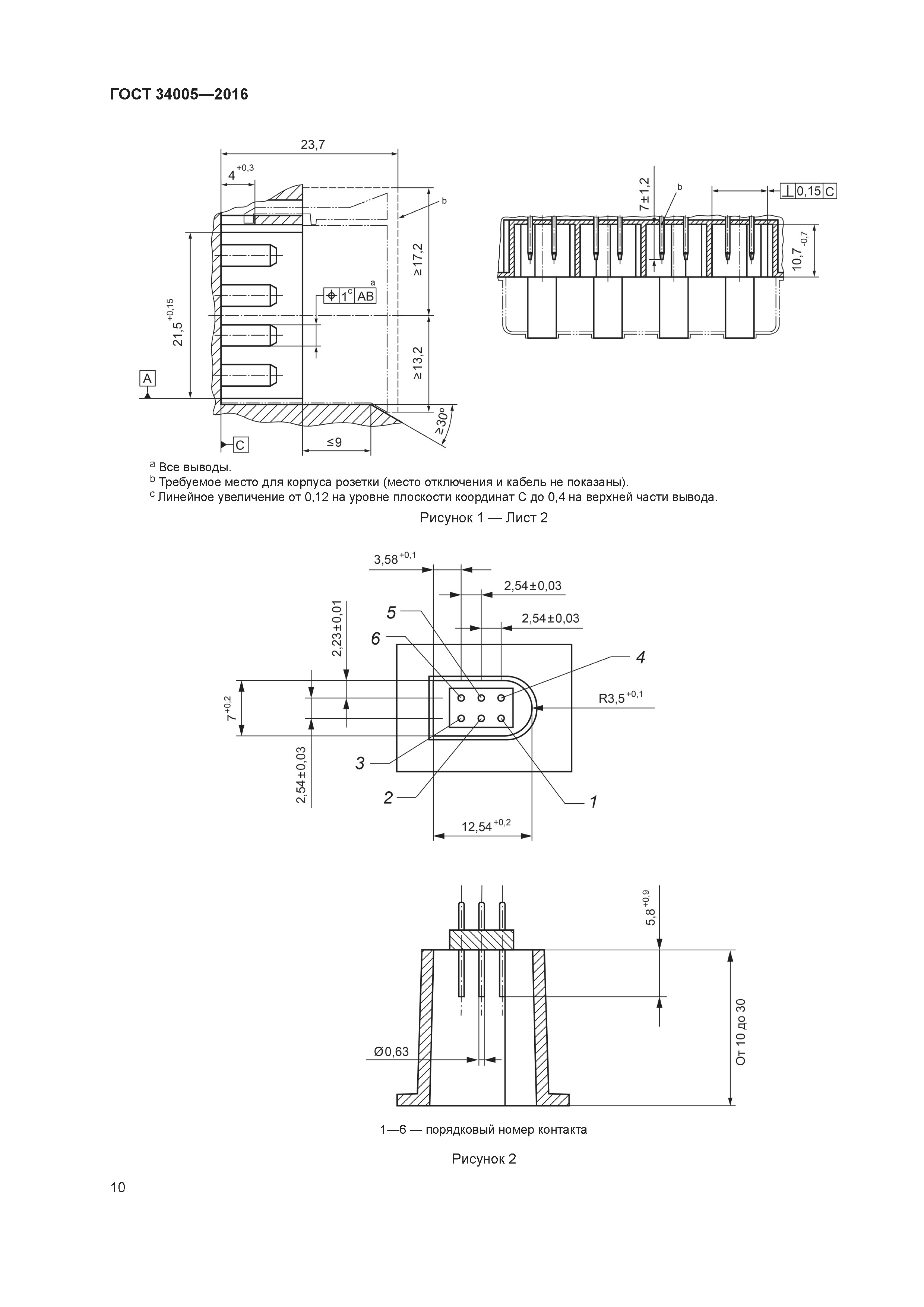
| Оглавление: | 1 Область применения 2 Нормативные ссылки 3 Термины и определения 4 Технические требования 4.1 Требования к изготовлению 4.2 Составные части тахографа 4.3 Требования к функциям тахографа 4.4 Требования к защите информации в тахографе 4.5 Требования к картам тахографа 4.6 Требования к метрологическим характеристикам 4.7 Требования по стойкости к внешним воздействиям 4.8 Требования надежности 4.9 Требования унификации 4.10 Требования к конструкции 4.11 Дополнительные устройства 5 Требования к установке 5.1 Общие требования к установке 5.2 Требования по выполнению работ 6 Методы испытаний 6.1 Условия испытаний 6.2 Проверка требований к конструкции, составу и функциям 6.3 Определение погрешности измерений 6.4 Определение точности хода часов 6.5 Испытания тахографов на соответствие требованиям по электромагнитной совместимости 6.6 Испытание тахографов на воздействие вибрации 6.7 Испытание тахографов на воздействие ударов 6.8 Испытание тахографов на воздействие пониженной температуры 6.9 Испытание тахографов на воздействие повышенной температуры и влажности 6.10 Испытание тахографов на соответствие защиты от проникновения внешних твердых предметов и воды Приложение А (обязательное) Пиктограммы Приложение Б (обязательное) Выгрузка данных Приложение В (обязательное) Распечатки Приложение Г (обязательное) Функции тахографа Библиография |
| Разработан: | ФГУП НАМИ НП ТахоЦентр |
| Утверждён: | 22.11.2016 Межгосударственный Совет по стандартизации, метрологии и сертификации (Inter-Governmental Council on Standardization, Metrology, and Certification 93-П) 22.03.2018 Федеральное агентство по техническому регулированию и метрологии (144-ст) |
| Издан: | Стандартинформ (2018 г. ) |
| Список изменений: |
|
| Нормативные ссылки: |
|



































Текстовое изменение Поправка