Скачать СТО 1682.0017-2015 Роботизированная установка пожаротушения. Нормы и правила проектирования

Дата актуализации: 01.01.2021

СТО 1682.0017-2015

Роботизированная установка пожаротушения. Нормы и правила проектирования

Обозначение: СТО 1682.0017-2015
Обозначение англ: STO 1682.0017-2015
Статус:действует
Название рус.:Роботизированная установка пожаротушения. Нормы и правила проектирования
Дата добавления в базу:01.01.2019
Дата актуализации:01.01.2021
Область применения:Стандарт содержит необходимые требования для проектирования роботизированных установок пожаротушения для широкого спектра гражданских и производственных объектов. Приведенный в приложениях материал обеспечивает удобство для проектировщиков и создает возможность сокращать сроки проектирования. Основные положения Стандарта организации основаны на требованиях Федерального закона от 22.07.2008 № 123-ФЗ «Технический регламент о требованиях пожарной безопасности». Положения стандарта организации систематизируют, расширяют и дополняют требования, установленные нормативными документами по пожарной безопасности, и направлены на повышение эффективности противопожарных мероприятий и обеспечение людей.
Оглавление:1 Область применения
2 Нормативные ссылки
3 Термины и определения
4 Назначение РУП
5 Состав РУП
6 Требования к проектированию РУП
   6.1 Общие требования к проектированию
   6.2 Особенности функционирования РУП
   6.3 Требования к СПС РУП
   6.4 Водоснабжение установок и подготовка пенного раствора
   6.5 Требования к насосной станции РУП
   6.6 Требования к трубопроводам
Приложение А. Назначение и характеристики ТС РУП
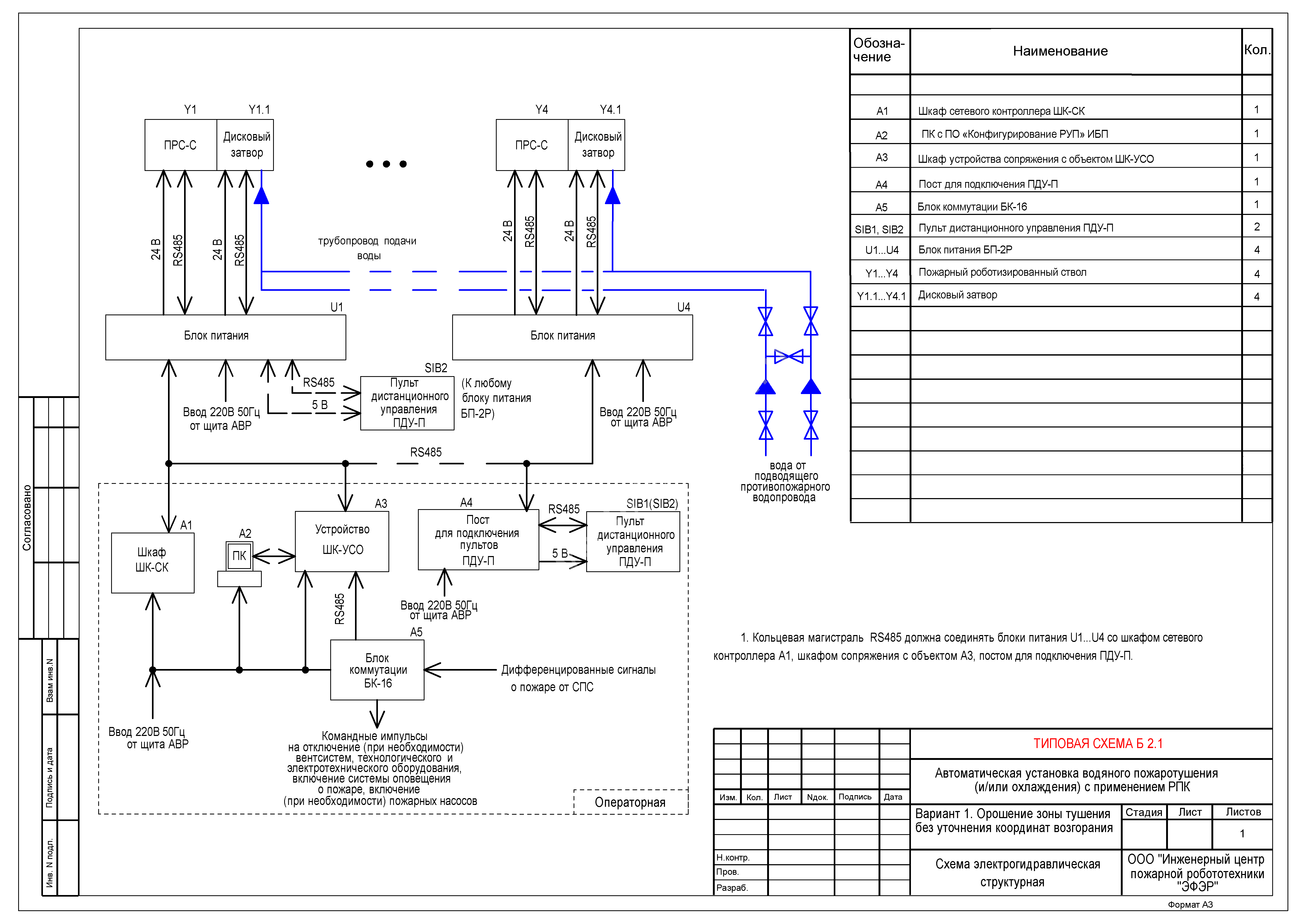
Приложение Б. Режимы работы РУП. Типовые структурные схемы
Приложение В. Карты орошения
Разработан: Инженерный центр ЭФЭР
Утверждён:01.12.2015 Инженерный центр ЭФЭР
Принят: ФГБУ ВНИИПО МЧС России
Издан: ФГБУ ВНИИПО МЧС России (2016 г. )
Нормативные ссылки:
СТО 1682.0017-2015СТО 1682.0017-2015СТО 1682.0017-2015СТО 1682.0017-2015СТО 1682.0017-2015СТО 1682.0017-2015СТО 1682.0017-2015СТО 1682.0017-2015СТО 1682.0017-2015СТО 1682.0017-2015СТО 1682.0017-2015СТО 1682.0017-2015СТО 1682.0017-2015СТО 1682.0017-2015СТО 1682.0017-2015СТО 1682.0017-2015СТО 1682.0017-2015СТО 1682.0017-2015СТО 1682.0017-2015СТО 1682.0017-2015СТО 1682.0017-2015СТО 1682.0017-2015СТО 1682.0017-2015СТО 1682.0017-2015СТО 1682.0017-2015СТО 1682.0017-2015СТО 1682.0017-2015СТО 1682.0017-2015СТО 1682.0017-2015СТО 1682.0017-2015СТО 1682.0017-2015СТО 1682.0017-2015СТО 1682.0017-2015СТО 1682.0017-2015СТО 1682.0017-2015СТО 1682.0017-2015СТО 1682.0017-2015СТО 1682.0017-2015СТО 1682.0017-2015СТО 1682.0017-2015СТО 1682.0017-2015СТО 1682.0017-2015СТО 1682.0017-2015СТО 1682.0017-2015СТО 1682.0017-2015СТО 1682.0017-2015СТО 1682.0017-2015СТО 1682.0017-2015СТО 1682.0017-2015СТО 1682.0017-2015СТО 1682.0017-2015СТО 1682.0017-2015СТО 1682.0017-2015СТО 1682.0017-2015СТО 1682.0017-2015СТО 1682.0017-2015СТО 1682.0017-2015СТО 1682.0017-2015СТО 1682.0017-2015СТО 1682.0017-2015СТО 1682.0017-2015СТО 1682.0017-2015СТО 1682.0017-2015СТО 1682.0017-2015СТО 1682.0017-2015СТО 1682.0017-2015