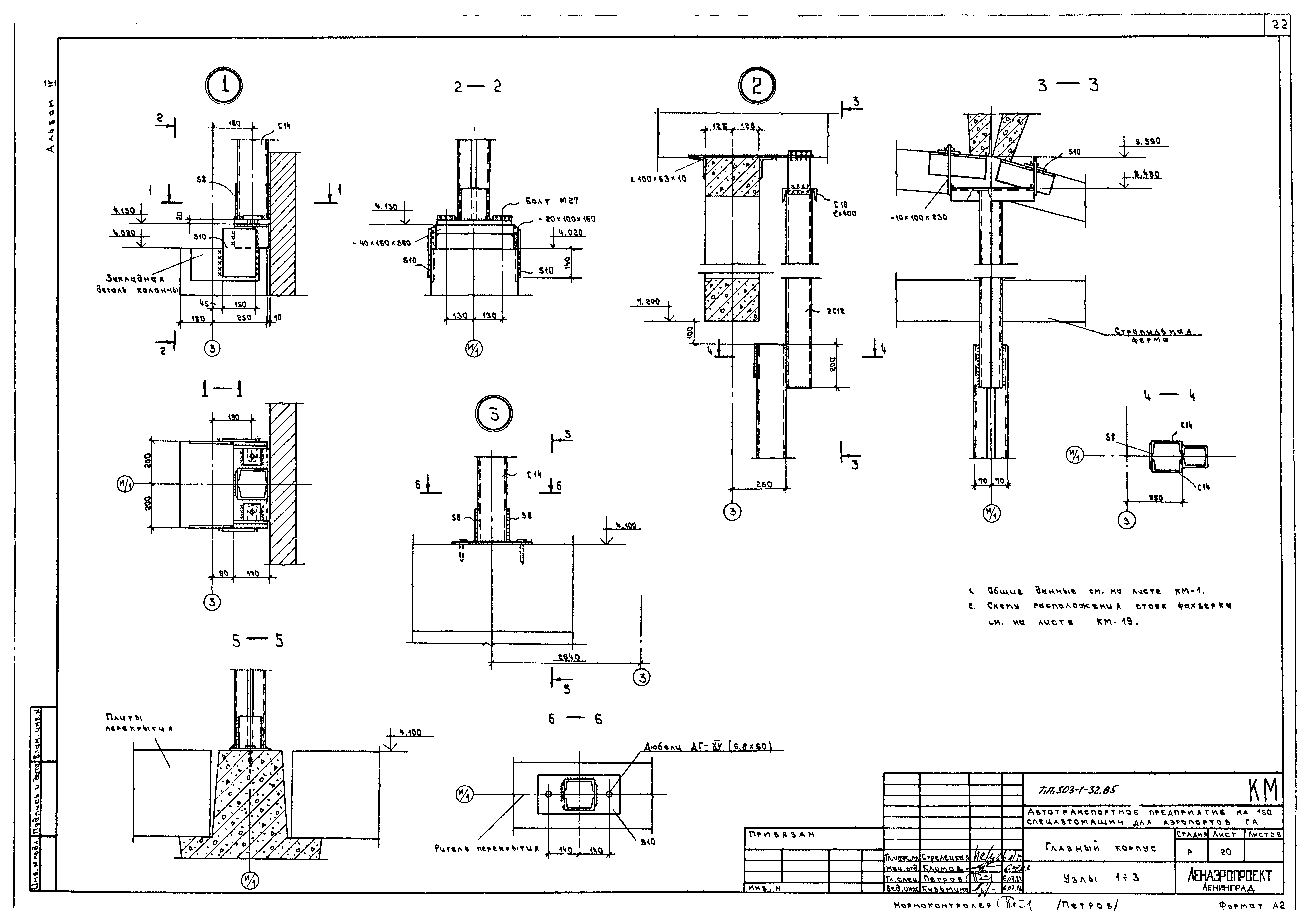
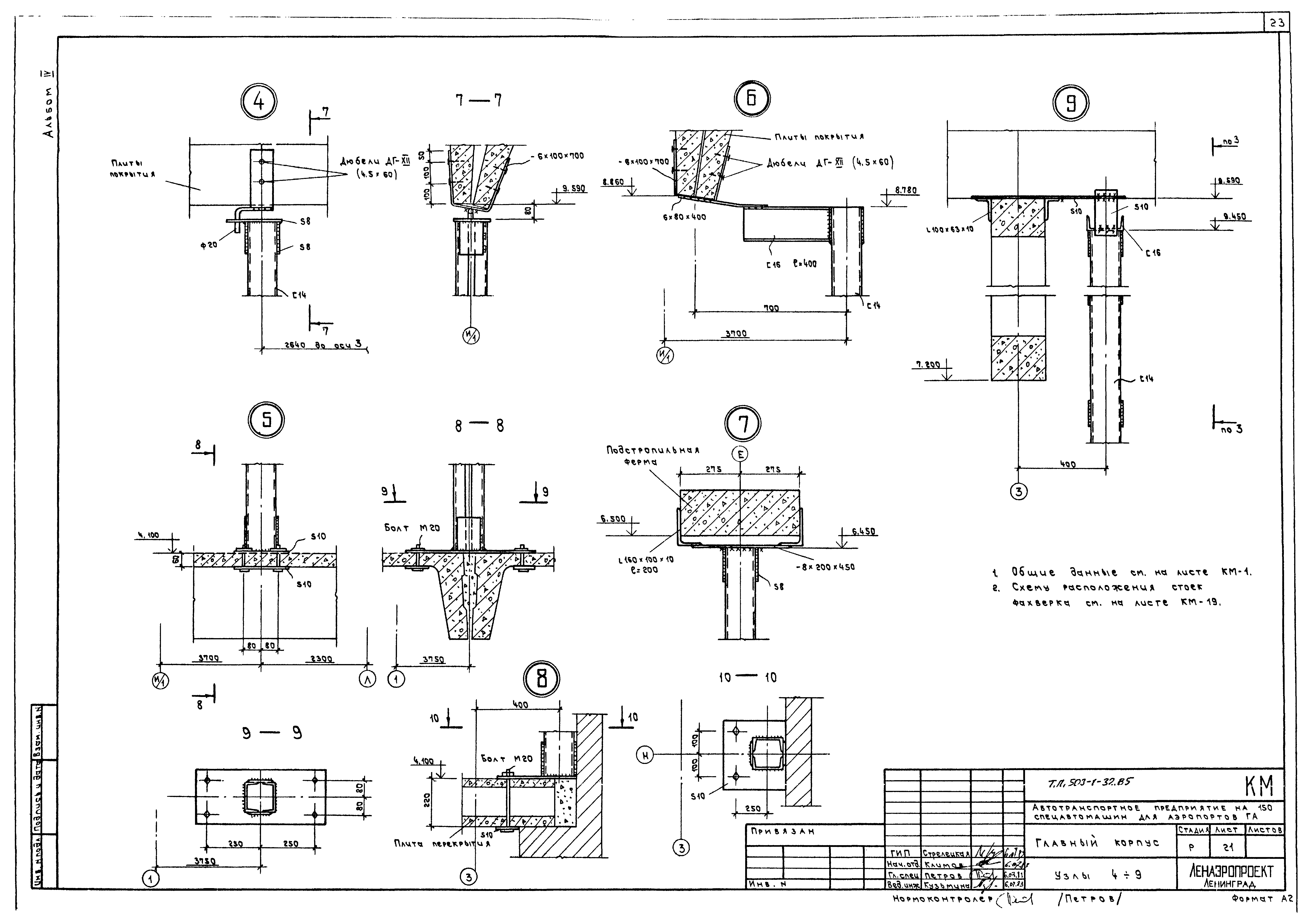
Скачать Типовой проект 503-1-32.85 Альбом IV. Конструкции металлическиеДата актуализации: 01.01.2021 Типовой проект 503-1-32.85
Альбом IV. Конструкции металлические| Обозначение: | Типовой проект 503-1-32.85 | | Обозначение англ: | 503-1-32.85 | | Статус: | действует | | Название рус.: | Альбом IV. Конструкции металлические | | Дата добавления в базу: | 01.01.2019 | | Дата актуализации: | 01.01.2021 | | Дата введения: | 06.06.1984 | | Разработан: | Аэропроект
| | Утверждён: | 15.05.1984 МГА (3)
| | Издан: | ЦИТП Госстроя СССР (CITP, Gosstroy (USSR) 1987 г. )
| | Нормативные ссылки: | |
                        
|