Скачать ГОСТ IEC 60320-2-3-2017 Соединители электрические бытового и аналогичного назначения. Часть 2-3. Дополнительные требования к соединителям степени защиты свыше SPX0 и методы испытанийДата актуализации: 01.01.2021
|
| Обозначение: | ГОСТ IEC 60320-2-3-2017 |
| Обозначение англ: | 60320-2-3-2017 |
| Статус: | взамен |
| Название рус.: | Соединители электрические бытового и аналогичного назначения. Часть 2-3. Дополнительные требования к соединителям степени защиты свыше SPX0 и методы испытаний |
| Название англ.: | Appliance couplers for household and similar general purposes. Part 2-3. Additional requirements to appliance couplers with a degree of protection higher than IPX0 |
| Дата добавления в базу: | 01.02.2020 |
| Дата актуализации: | 01.01.2021 |
| Дата введения: | 01.06.2019 |
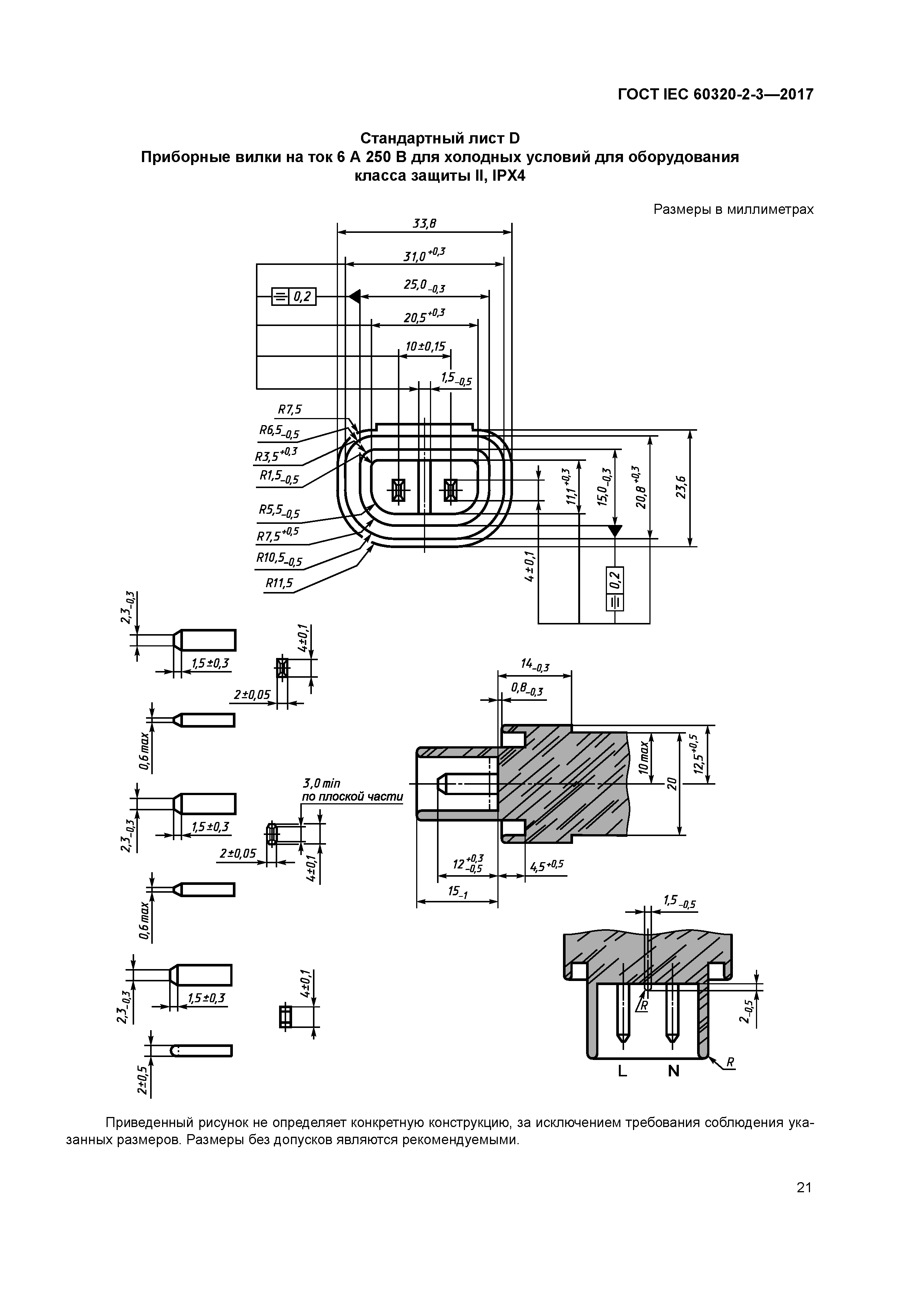
| Область применения: | Стандарт распространяется на двухполюсные односторонние соединители для электроприборов, предназначенные для применения в условиях низких температур только на переменном токе при номинальном напряжении не св. 250 В и номинальном токе не св. 10 А с частотой питания 50 Гц или 60 Гц со степенью защиты от проникновения воды св. IPX0. |
| Оглавление: | 1 Область применения 2 Нормативные ссылки 3 Термины и определения 4 Общие требования 5 Общие требования к испытаниям 6 Стандартные номинальные параметры 7 Классификация 8 Маркировка 9 Размеры и их соответствие 10 Защита от поражения электрическим током 11 Заземление 12 Зажимы и выводы 13 Конструкция 14 Влагостойкость 15 Сопротивление изоляции и электрическая прочность изоляции 16 Усилия, необходимые для сочленения и расчленения соединителя 17 Работоспособность контактов 18 Теплостойкость приборных соединителей для горячих условий и очень горячих условий 19 Отключающая способность 20 Нормальное оперирование 21 Превышение температуры 22 Шнуры и их присоединение 23 Механическая прочность 24 Устойчивость к нагреву и старению 25 Винты, токоведущие части и соединения 26 Расстояния утечки, воздушные зазоры и расстояния через изоляцию 27 Устойчивость изоляционного материала к аномальному нагреву, огню и трекингостойкость 28 Коррозиестойкость 29 Требования к электромагнитной совместимости (ЭМС) Приложение А (рекомендуемое) Контрольные испытания на безопасность соединителей для электроприборов (защита от поражения электрическим током и соблюдение правильной полярности), смонтированных изготовителем Приложение ДА (справочное) Сведения о соответствии ссылочных международных стандартов межгосударственным стандартам |
| Разработан: | АНО НТЦ Энергия |
| Утверждён: | 30.11.2017 Межгосударственный Совет по стандартизации, метрологии и сертификации (Inter-Governmental Council on Standardization, Metrology, and Certification 52) 09.11.2018 Федеральное агентство по техническому регулированию и метрологии (966-ст) |
| Издан: | Стандартинформ (2018 г. ) |
| Заменяет собой: | |
| Нормативные ссылки: |


























