Скачать ГОСТ 9200-2006 Транспорт дорожный. Соединения семиконтактные электрические для автомобилей и тракторов. Общие технические условияДата актуализации: 01.01.2021
|
| Обозначение: | ГОСТ 9200-2006 |
| Обозначение англ: | GOST 9200-2006 |
| Статус: | применяется в еаэс |
| Название рус.: | Транспорт дорожный. Соединения семиконтактные электрические для автомобилей и тракторов. Общие технические условия |
| Название англ.: | Road vehicle. Seven-contact plug and socket joints for automobiles and tractors. General specifications |
| Дата добавления в базу: | 01.02.2020 |
| Дата актуализации: | 01.01.2021 |
| Дата введения: | 01.02.2007 |
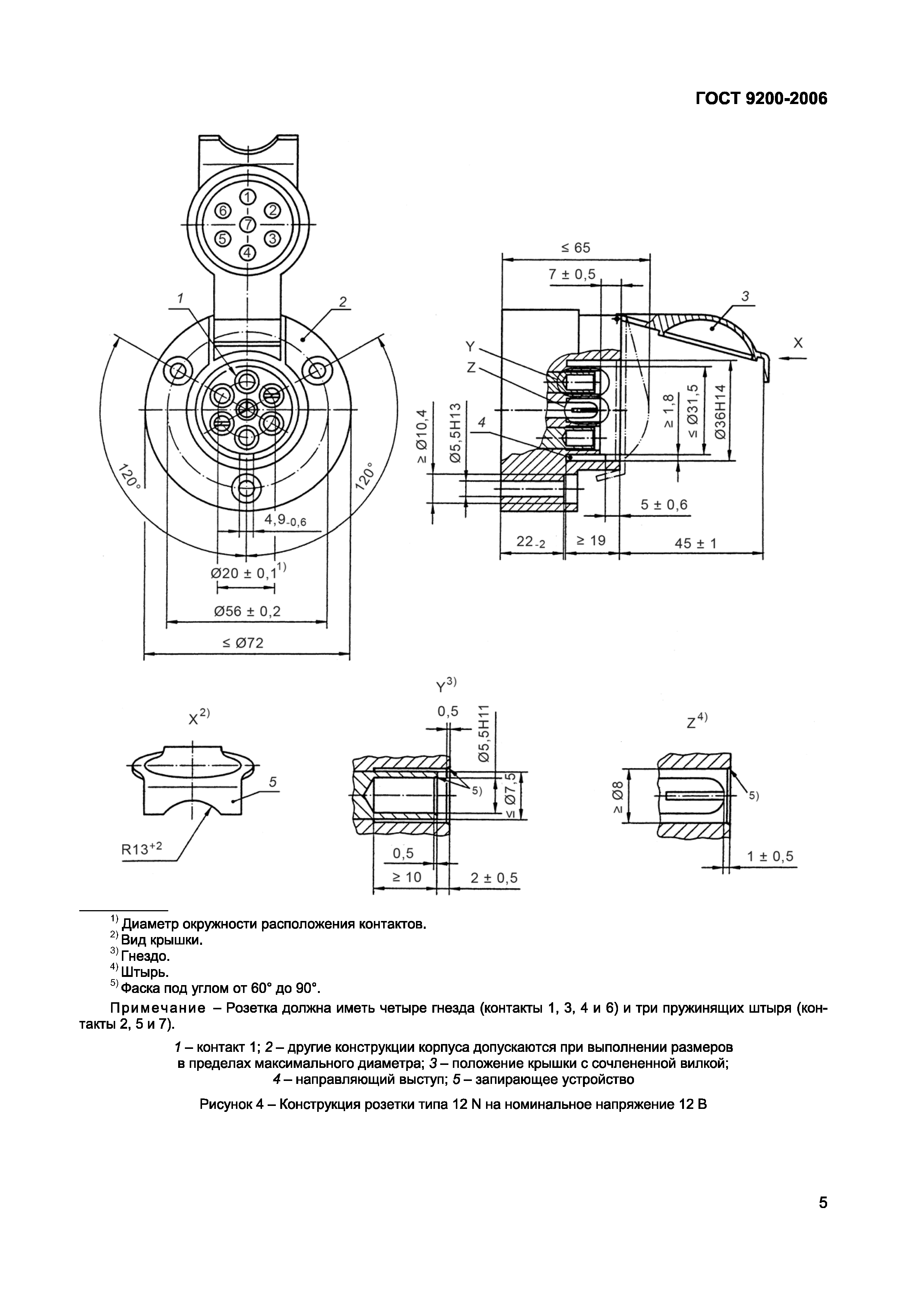
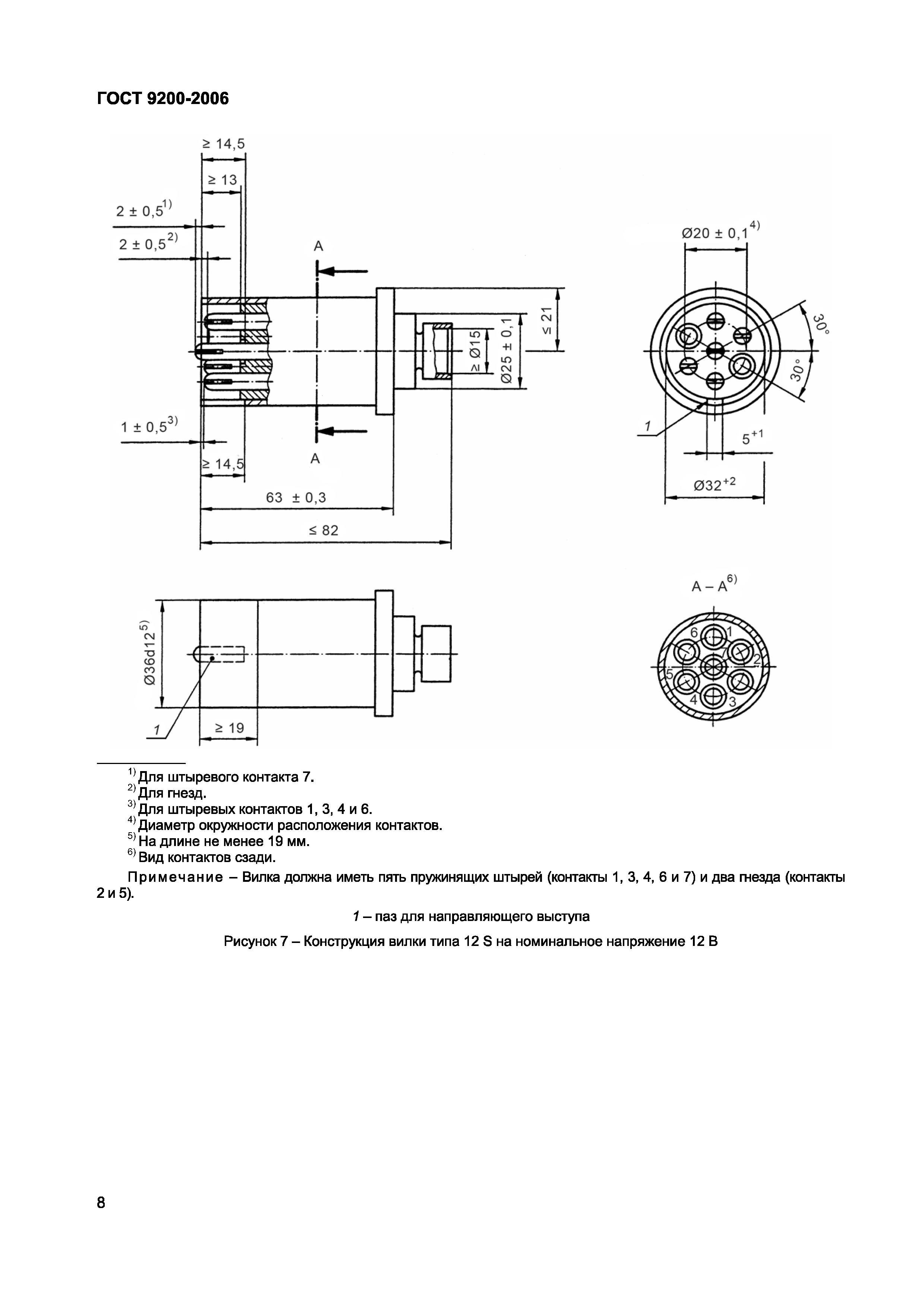
| Область применения: | Стандарт распространяется на семиконтактные разъемные соединения электрических цепей постоянного или переменного тока с номинальным напряжением 12 и 24 В, предназначенные для соединения электрических цепей автотракторных тягачей и буксируемых ими прицепов. Стандарт устанавливает требования к конструкции и основным размерам вилок и розеток, маркировке, упаковке, транспортированию и хранению, правилам их приемки и методам контроля. |
| Оглавление: | 1 Область применения 2 Нормативные ссылки 3 Термины и определения 4 Технические требования 5 Применение соединителя 6 Правила приемки 7 Методы испытаний 8 Маркировка, упаковка, транспортирование и хранение 9 Гарантии изготовителя |
| Разработан: | БелГИСС |
| Утверждён: | 26.07.2006 Госстандарт Республики Беларусь (33) 24.06.2006 Евразийский совет по стандартизации, метрологии и сертификации (29) |
| Издан: | БелГИСС (2006 г. ) |
| Заменяет собой: | |
| Нормативные ссылки: |
|






















